Intermittent rough engine and misfires both in idle and while driving, codes P0305 and P0300

Tiny
4DRTOM
  • MECHANIC
  • 467 POSTS
Hey, sorry for the delay.

No, if you did a compression test and it passed all the valves are fine. So if the pressure is good and your having raw or un-burned fuel out the tail pipe then it has got to be the injectors not having a good pattern.
Was this
answer
helpful?
Yes
No
Friday, July 10th, 2020 AT 1:19 PM
Tiny
NYC2NC82
  • MEMBER
  • 96 POSTS
No worries, thanks for all the help so far. I’ll go ahead and order some off eBay and hopefully this cures it.
Was this
answer
helpful?
Yes
No
Friday, July 10th, 2020 AT 1:21 PM
Tiny
4DRTOM
  • MECHANIC
  • 467 POSTS
My feeling also is that more than one is partially clogged making it starve and that explains both the smell the water and the warm up then runs worse. You can find a set of new ones online for not as expensive as the local dealer will be.
Please keep me posted on this.
Tom
Was this
answer
helpful?
Yes
No
Friday, July 10th, 2020 AT 1:25 PM
Tiny
NYC2NC82
  • MEMBER
  • 96 POSTS
I sure will. The Jeep has 242,000 miles on it and who knows if they have ever been replaced.
Was this
answer
helpful?
Yes
No
Friday, July 10th, 2020 AT 1:27 PM
Tiny
4DRTOM
  • MECHANIC
  • 467 POSTS
Yes, that's a lot of miles and you are probably right it only take one little bit of bad or dirty fuel for it to begin acting up. Even doing something like using mower fuel from a gas tank holding yard work fuel. With Ethanol these days that fuel will start to break down and start to adsorb water into it.
I look forward to seeing how it goes.
Tom
Was this
answer
helpful?
Yes
No
Friday, July 10th, 2020 AT 2:53 PM
Tiny
NYC2NC82
  • MEMBER
  • 96 POSTS
Quick question.
As I’ve stated in the thread it does seem to be noticeable worse when running the A/C. Is this just a coincidence or is it the A/C is causing a heavier load or maybe just creating more heat in the engine? Just wondering is this fits in with the injectors as well?
Was this
answer
helpful?
Yes
No
Friday, July 10th, 2020 AT 3:08 PM
Tiny
4DRTOM
  • MECHANIC
  • 467 POSTS
Yes, more load from the compressor will make it worse. If in fact we are looking at a lean mix that's firing with the rest just dropping in to cylinder not atomized.
Was this
answer
helpful?
Yes
No
Friday, July 10th, 2020 AT 3:36 PM
Tiny
4DRTOM
  • MECHANIC
  • 467 POSTS
Hello,

No problem, it's our pleasure to be helping out. Warming up and getting worse can also be the injectors expanding with the heat making their performance to degrade.
Tom
Was this
answer
helpful?
Yes
No
Friday, July 10th, 2020 AT 3:39 PM
Tiny
NYC2NC82
  • MEMBER
  • 96 POSTS
Just FYI, I ordered a set of injectors. Hopefully will be here within a week.
Was this
answer
helpful?
Yes
No
Saturday, July 11th, 2020 AT 3:00 PM
Tiny
KASEKENNY
  • MECHANIC
  • 18,907 POSTS
Sounds great. Thanks for the update. Let us know how it works out.
Was this
answer
helpful?
Yes
No
Sunday, July 12th, 2020 AT 6:54 PM
Tiny
NYC2NC82
  • MEMBER
  • 96 POSTS
Okay, so I got the new injectors on. Drove it out to my buddy’s place about 25 miles. Had the typical stumbles on the way after driving for a bit. We let it cool down and swapped them out (pretty easy on this vehicle)
After starting it back up the RPM's were higher than normal at around 1500 and then eventually settled. Seemed to be running pretty smooth. Cranked the A/C and drove it down the road and back, went okay but then felt slight stumbles. Let it idle for a while and the issue started again, even stalled out while idling.
It did throw a couple new codes related to the injectors p0202 and p0205 along with p300. Never had a code from cylinder 2 before.
We checked all the wiring, everything was connected and it kept doing it. He did mention he heard a slight hissing like there might be an air leak around the throttle area so we made sure everything was tightened down good.
I had a bottle of Seafoam intake spray with me and decided to do another treatment. Had some stumbles As we started and holding the RPM's at 2,000 while spraying but it started going away and stayed good. Finished the treatment and let it soak. Once restated I was revving it up pretty good and kept it going. I noticed it would not go above 4,000 RPM's like it was restricted or something. Would stay smooth right up to 4,000 but would not let it go above, almost like it would get pushed back down. My friend thinks maybe a safety feature to restrict the RPM's from getting too high? Not sure.
Anyway after some time being aggressive with the throttle I turned it off and let it cool down for a while. Left to go home and it seemed to hesitate just slightly when I restarted but then it drove home 25-30 miles at 60-70 MPH and it was perfect. No stumbles, no hiccups nothing. To be fair, it was much nicer outside, it’s been really hot here during the day. Humid and in the 90's but it was in the lower 80's when I went home and I did not run the A/C. But this was definitely the best I’ve felt it drive so far and had no pending codes when I got back. Fuel trims seemed better as well. Not sure what’s going to happen after it sits overnight and when it’s hotter again. Weird to get those two injector codes as well.
Was this
answer
helpful?
Yes
No
Saturday, July 18th, 2020 AT 7:08 PM
Tiny
NYC2NC82
  • MEMBER
  • 96 POSTS
Okay, day two.

Extremely hot today, dash thermometer showed 102 at one point.
Drove it 20+ miles no issues at all, no stumbles even idled fine. Picked up some groceries and when I restarted it’s started doing the sputtering. It would stop when I got it moving good and would start again when I had to stop. Had some bucking when going again but would smooth out. Got on the highway and was fine, had a few hard stumbles after a little bit but smoothed out. Off the highway cane to a stop a couple of times and no issues and let it idle for a couple minutes at home and it stayed smooth.
A few days ago in the same type of heat I could barley make a 6 mile round trip without it running like crap so I would say this is a step in the right direction. Not sure what else can be happening. Is it possible some heat soak I’ve read about that happens?
Was this
answer
helpful?
Yes
No
Sunday, July 19th, 2020 AT 2:02 PM
Tiny
KASEKENNY
  • MECHANIC
  • 18,907 POSTS
Without more to go on but these random (getting more rare) occurrences then yes, I would start thinking this is just heat soak. Basically when the engine components and exhaust get so overheated, it can effect the operation. If it were me, I would just drive it until it gets to the point when I know I can replicate the issue so that we can do targeted testing rather then trying to catch something.
Was this
answer
helpful?
Yes
No
Sunday, July 19th, 2020 AT 7:47 PM
Tiny
NYC2NC82
  • MEMBER
  • 96 POSTS
The main times it’s occurring is when it has been driven for a while and would be hottest. A/C seems to make it worse. Anyway to test for heat soak?
Was this
answer
helpful?
Yes
No
Sunday, July 19th, 2020 AT 8:56 PM
Tiny
KASEKENNY
  • MECHANIC
  • 18,907 POSTS
Unfortunately there is no real test for this as it is more of a description of what happens then an actual issue.

Something I just thought of was if we have an issue with a head gasket that only acts up when it is hot. All the issues seem to fit so unfortunately the only way to test this is to get it really hot so that it starts to act up and then run these tests. If you use the chemical check on the cooling when it is hot, it may be the easiest way.

https://www.2carpros.com/articles/head-gasket-blown-test

https://www.2carpros.com/articles/how-to-test-engine-compression

Let me know what happens or questions.
Was this
answer
helpful?
Yes
No
Monday, July 20th, 2020 AT 7:16 PM
Tiny
NYC2NC82
  • MEMBER
  • 96 POSTS
I guess I’ll look into the chemical test. I have not had any leaks, coolant level has been the same. There’s a lot of heat coming from the engine bay but it has not overheated on me. Oil level has stayed the same and is clean.
Was this
answer
helpful?
Yes
No
Monday, July 20th, 2020 AT 7:50 PM
Tiny
KASEKENNY
  • MECHANIC
  • 18,907 POSTS
Okay. I just had an older 3.7L that was not loosing any coolant or mixing of any sort and we found it was leaking some compression when it got hot only.

It is worth a try at this point because we need some more leads to narrow this down.
Was this
answer
helpful?
Yes
No
Monday, July 20th, 2020 AT 8:23 PM
Tiny
NYC2NC82
  • MEMBER
  • 96 POSTS
I think we might have a clue. Just had p0202 come back up and p0300 was also triggered with bank 2 open loop-drive on the freeze frame data.
Was this
answer
helpful?
Yes
No
Tuesday, July 21st, 2020 AT 4:05 PM
Tiny
KASEKENNY
  • MECHANIC
  • 18,907 POSTS
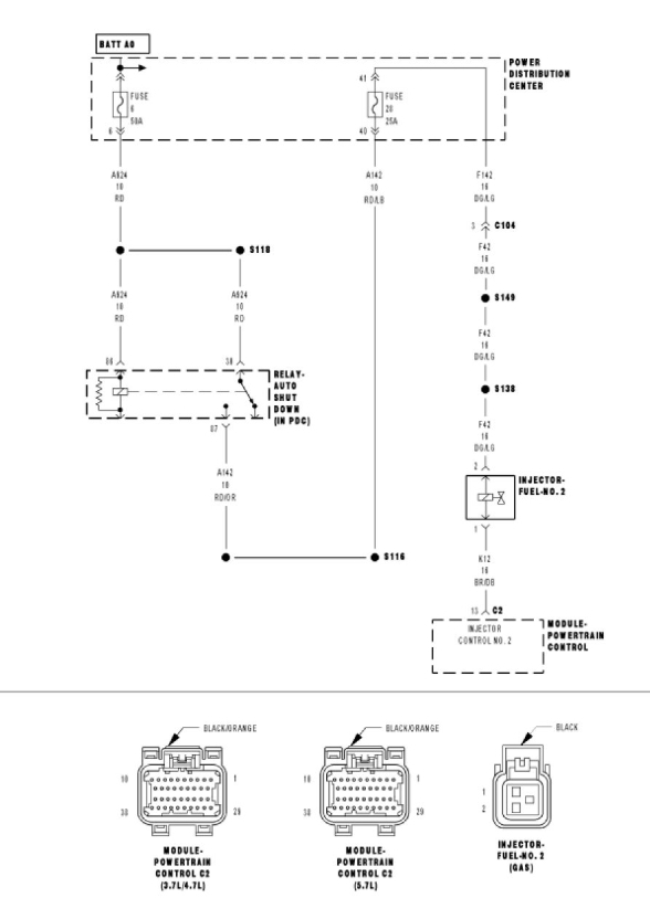
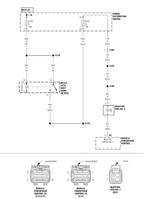
Well that is a clue. Here is all the info on this code. If this is a pending code then it may just be the injector. However, we need to run through all the wiring tests just to make sure the wiring is good.
Was this
answer
helpful?
Yes
No
Tuesday, July 21st, 2020 AT 6:21 PM
Tiny
NYC2NC82
  • MEMBER
  • 96 POSTS
It’s p0204 not 02 sorry. It’s a stored code as well. The p300 is pending. We just replaced all the injectors, not saying it’s not possible it’s still bad but this is actually the third p200 code since the change along with p200 and p205.
Was this
answer
helpful?
Yes
No
Tuesday, July 21st, 2020 AT 6:35 PM

Please login or register to post a reply.