Car will not start

Tiny
SAMGREW
  • MEMBER
  • 1996 CHEVROLET LUMINA
  • 3.1L
  • V6
  • 2WD
  • AUTOMATIC
  • 200,000 MILES
If I strait-wire fuel pump car will start and will stay running after removing wire. Car will not start without strait-wire.
Thursday, January 31st, 2019 AT 10:26 AM

2 Replies

Tiny
SCGRANTURISMO
  • MECHANIC
  • 4,897 POSTS
Hi Samgrew, my name is Alex and I will be helping you. Have you checked your fuel pump relay?
Was this
answer
helpful?
Yes
No
Thursday, January 31st, 2019 AT 10:48 AM
Tiny
SEVAG P
  • MECHANIC
  • 406 POSTS
Hello,

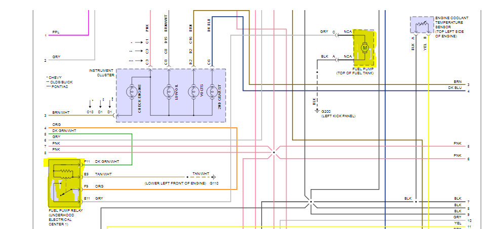
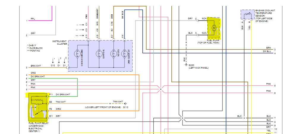
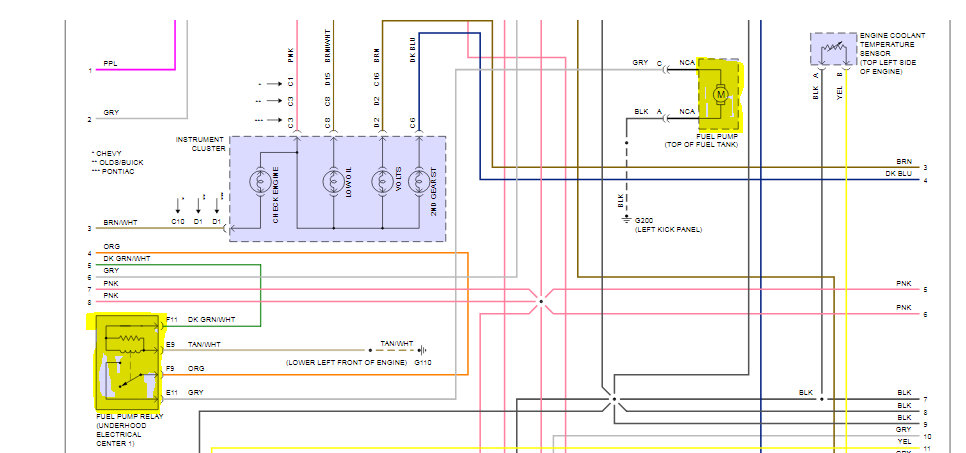
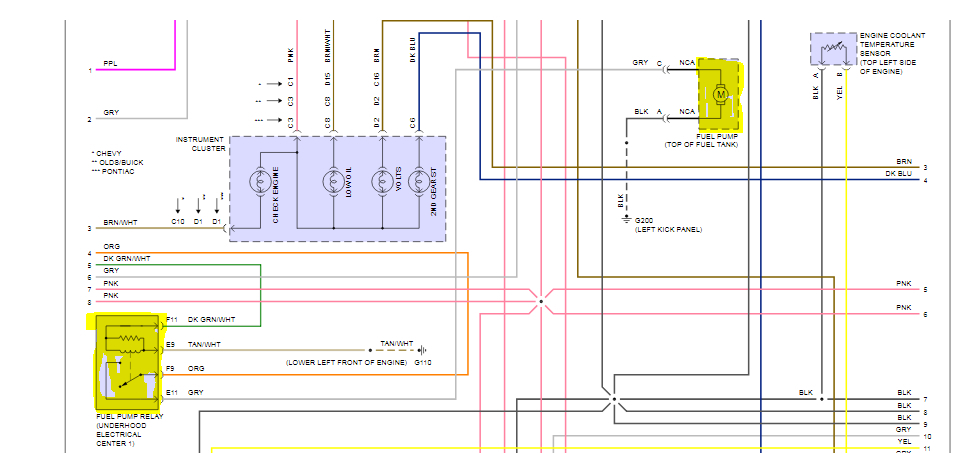
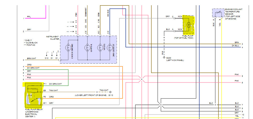
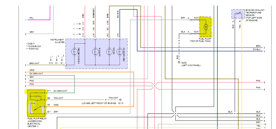
As a first step check fuel pump relay, which is located under hood electrical center 1(picture 1 and 2) check relay follow the guide:

https://www.2carpros.com/articles/how-to-check-an-electrical-relay-and-wiring-control-circuit

If the relay is in good condition check relay command line and supply voltage from engine control unit use voltmeter check at fuel relay carrier between pin F11 and any ground, between pin F9 and any ground(check picture 3), ignition on and try during starting 12 volts must be displayed.if not then you can can have open circuit line between engine control unit or defected control unit. check wiring test at our guide:

https://www.2carpros.com/articles/how-to-check-wiring

if 12 volts present check the ground on fuel relay carrier pin E9, by using voltmeter put one lead on positive battery post or other known 12 volts supply,the other lead on pin E9 must display 12 volts if not check for open wire or the ground point at lower left front of the engine.
if all these tests are okay, check wire between the fuel pump relay and fuel pump, install the relay start the engine by using voltmeter check between gray and black wire 12 volts must display if not check for open circuit between relay pin 11 and pump wire gray, also check for ground connection between pump ground wire black and the body left kick panel.

Thank you.
Was this
answer
helpful?
Yes
No
Thursday, January 31st, 2019 AT 11:18 AM

Please login or register to post a reply.