Saturday, April 2nd, 2011 AT 9:22 PM
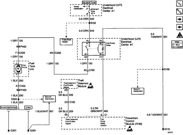
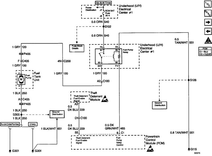
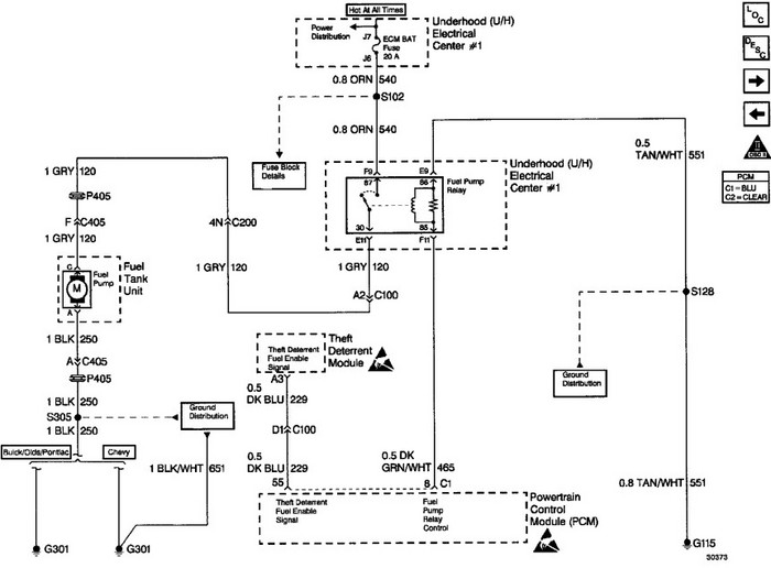
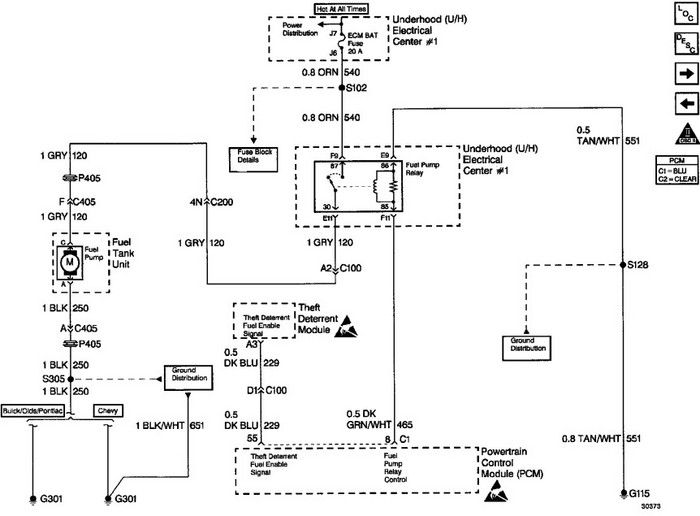
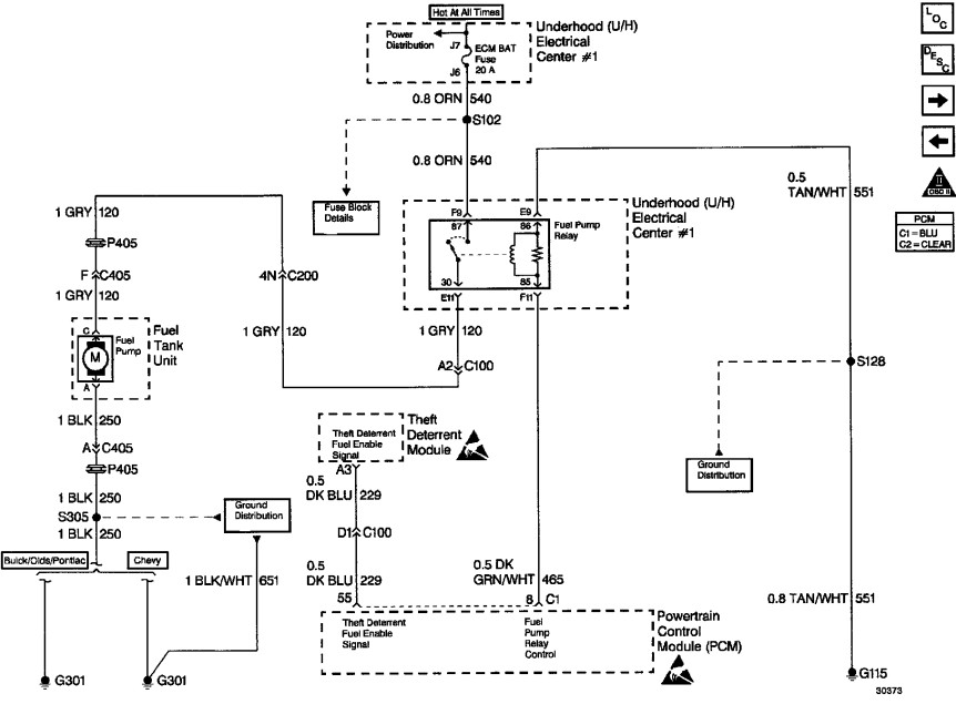
I have a 96 lumina with a 3.1 sfi v6 and I shut it off came back 10 min later and it wont start. It has spark and builds 43psi fuel presure when you turn the key on and loses it after I start cranking it over. I put a fuel pump in and it still doesnt work. I checked all the fuses and relays. With a small shot of ether the motor fires for a second. Please help!


