Fuel Economy

Tiny
HARRY P
  • MECHANIC
  • 2,296 POSTS
Right I know all that. I unhooked the leaking booster and capped the vacuum line off with the handle of a small screwdriver, so at least the engine would run decently. It was hesitating horribly almost every time I pulled away from a mailbox. I'm just wondering how much load a brake booster puts on an engine. Being that I'm using it all day long, it seems like it might add up. Would it be worth it to convert it to a non-power brake system? I know it's doable. Anything is. I mean people put LS engines in RX7s, so this would be doable too. Just a question of the cost: benefit ratio.
Was this
answer
helpful?
Yes
No
Friday, September 10th, 2021 AT 11:13 AM
Tiny
STEVE W.
  • MECHANIC
  • 15,610 POSTS
Doubt it would make any difference other than making the brakes harder. It only takes about a second for the engine to generate enough vacuum for the booster. You could try a test and use a 12 volt vacuum pump off something else to provide the vacuum and see if it makes any change.
Was this
answer
helpful?
Yes
No
Friday, September 10th, 2021 AT 1:15 PM
Tiny
HARRY P
  • MECHANIC
  • 2,296 POSTS
Well I benchmarked my mileage today. It was a rougher kind of day with a lot of mail. Mail is heavy, so stopping and going with a a couple hundred pounds of it in the car adds up. And on these heavier days, there's more time spent idling in front of mailboxes due to flipping through more mail. Anyways, 53 miles, 5.9 gallons, just short of 9 mpgs. Due to people giving me the wrong part, I'm still without a brake booster, but I've angled my seat and adjusted my positioning so it's easier to stop the truck. Of course I'm also keeping a mile following distance on the rare occasion I get behind someone else.

I actually pulled my old booster, got ready to drop in a new one, only to notice it had too small of a push rod on it. Otherwise it was the same booster. It was rather late in the evening, and I needed the truck up and running in the morning, so I put the old booster back in and pinned it all back together. I was unbelievably annoyed, but whatever.

So now I'm kind've thinking of just getting a non-power brake master cylinder and putting it in. It looks like one from an 86-87 S10 will bolt right in and I'll just have to move the line to the other side of the cylinder, and do something with the fluid level sensor to keep the light off (maybe swap reservoirs?). Then maybe I'll change the pedal throw a bit to add leverage and roll with that. I know what you're thinking, "loss of braking power" and so forth. Honestly, I stop a bunch of times every day, but it's not like I"m slamming on the brakes full on. Also, I think that I can still keep the ABS system in place if I do it right. So there'll be that. And if push comes to shove, I'll find some way of putting brake calipers from a bigger truck on. Might have to do some fabrication, but I might actually enjoy that. I've got friends in low places with welders and skills. Of course that'll add weight. So I'll compensate for that somewhere.

I think what you guys are failing to see here is that while it only takes a second or so for the engine to generate that vacuum for the booster, I'm constantly on the brakes. Today's route has over 650 stops at last count (a few have been added since). So we'll say I come to a complete stop 600 times. That's 600 times generating vacuum pressure. With this highly inefficient cast iron shortened SBC engine, that second or two becomes 10 to 20 minutes of time with extra load on the engine. It easily might be a quart of fuel daily.

I'm also looking into the electric fan conversion. 3000CFM+ is what I'm looking for. What else would I do? I don't want it running full time, as that would defeat the purpose of the conversion. So, I guess I should poke around and look for a conversion kit. Does anyone have any suggestions there?

Ok. That's enough for you guys to digest. You can tell I'm excited about my marginal improvement. I'll be really excited if it's replicated over the next 2 days on this same route.
Was this
answer
helpful?
Yes
No
Thursday, September 16th, 2021 AT 3:29 PM
Tiny
HARRY P
  • MECHANIC
  • 2,296 POSTS
OK I benchmarked it over a 2 day period and got an average just over 9mpg. So there is a small but measurable difference. I never got anywhere near 9mpg before dropping the booster. And no, I haven't been granny driving it. Frankly, I've been rather rough on it, and then standing on the brakes and even sometimes pulling on the steering wheel to stop. Definitely proceeding with the manual brake conversion. Parts are already on the way.

I also stopped at the Waffle House today. Why? To pick up milk crates. The local Waffle House throws them out every day as their supplier does not want them back. What a waste. Not for the milk crate challenge going on on youtube. Instead, I plan to remove my back seats and cut up and use the crates as lightweight dividers between the trunk area and what would be the backseat area for organizational purposes. Bungee cords and zipties will be employed. I'm also thinking I can strip out half of the dash area, as most of it is cosmetic.

Guys, I may be developing the most fuel efficient 2000 4.3L 4x4 4 door blazer out there. Too bad no one actually cares.
Was this
answer
helpful?
Yes
No
Saturday, September 18th, 2021 AT 5:50 PM
Tiny
CJ MEDEVAC
  • MECHANIC
  • 11,005 POSTS
Stop by National Welders and pick up 2-3 big bottles of helium, strap them to your unused luggage rack on top. You might also figure out their total of Cubic Feet of gas within them, Find a chart that will tell you the lifting power that amount of gas.

Keeping it stored in the bottles would last a lot longer than, well you've seen it only last days in a balloon.

Subtract that from the weight of your rig. The lighter it is, the better the MPGs!

Yeah, I went to school in S.C. Too!

The Medic
Was this
answer
helpful?
Yes
No
Saturday, September 18th, 2021 AT 6:48 PM
Tiny
HARRY P
  • MECHANIC
  • 2,296 POSTS
Medic. Um. What? I get that there's sarcasm in there (which generally doesn't translate well in text form, FYI), But, what exactly have you been drinking tonight?

Just kidding buddy. I just think it's interesting how no one truly gets that these small changes can have a rather large measurable change in the aggregate. That's why I keep asking you guys to think outside the box. Think about a vehicle that has to stop and go 650+x in a roughly 4-6 hour period. The stresses are completely different, so the effects of loads are different as well.
Was this
answer
helpful?
Yes
No
Saturday, September 18th, 2021 AT 7:01 PM
Tiny
CJ MEDEVAC
  • MECHANIC
  • 11,005 POSTS
Heyman

Don't try to "Over Do" or improve on my suggestion.

That was already tried and it all sorta stopped in New Jersey.

Somebody in Germany figured that hydrogen had better lift so they pumped it into the Hindenburg

Nothing like seeing your postman's Blazer blaze down your street!

The Medic
Was this
answer
helpful?
Yes
No
Saturday, September 18th, 2021 AT 7:13 PM
Tiny
STEVE W.
  • MECHANIC
  • 15,610 POSTS
Could always switch it to an oil burner. This is the old 2.2 but there are newer units used in other vehicles that would likely fit.

Youtube. Com/watch?V=HZ8fA4Uu9UY
Was this
answer
helpful?
Yes
No
Saturday, September 18th, 2021 AT 8:03 PM
Tiny
HARRY P
  • MECHANIC
  • 2,296 POSTS
Steve I can't get that link to work. I even copied and pasted and deleted their extra space but it just keeps going to the YouTube homepage. Outside the box. What else you got?
Was this
answer
helpful?
Yes
No
Saturday, September 18th, 2021 AT 8:26 PM
Tiny
STEVE W.
  • MECHANIC
  • 15,610 POSTS
DEBOSS GARAGE 2.2 Isuzu 4cyl Diesel swapped 2000 Chevy S-10
GM built them like that in the first generation. They were OK but slow.
Was this
answer
helpful?
Yes
No
Saturday, September 18th, 2021 AT 10:28 PM
Tiny
HARRY P
  • MECHANIC
  • 2,296 POSTS
Well, after discovering that my cat was coming apart internally, I gutted the effer today. Took the Blazer out for a test run after and I've never had one of these do what happened in this video. I'm stunned. Stunned. I hit the speed governor in about 25 seconds from 0-95. I've gone 95 before, but never in one of these things. And I probably won't do it again either, considering it's a mail route truck and the suspension is in a constant state of flux (ie something is always broken down there, so it's handling is questionably safe).

By my count this is the 7th 4.3L Blazer/Jimmy that I've personally owned not including ones I've bought and sold. Only 1 was a 2wd. 2 were 2 door square body 4x4s (boy I miss those trucks). Never had one hit the governor before. And I was dumb back in the day, I've tried.

And yes, in the video that's a roll of trash bags falling off my dash. I keep them there for bagging people's packages up on rainy/questionable looking days. They usually stay put just fine
Was this
answer
helpful?
Yes
No
Wednesday, October 6th, 2021 AT 4:30 PM
Tiny
CJ MEDEVAC
  • MECHANIC
  • 11,005 POSTS
My God!

Those 2 mail boxes had to be at least 50 yards apart from each other!

I really like how you eased up to the second one!

The Medic
Was this
answer
helpful?
Yes
No
Wednesday, October 6th, 2021 AT 4:38 PM
Tiny
HARRY P
  • MECHANIC
  • 2,296 POSTS
Lol you just don't get it CJ. If the truck can do that easily, it can easily pull itself from stop to stop, with less effort and less fuel. You really have to think of it like a high performance barrel car, only I have no intention of dumping that kind of money into it. Besides, it had to be done. The thing was hesitating, bogging down and eventually overheating with the cat the way it was. It wouldn't break 55 with me standing on the gas. Now she's flying. Plus it sounds a little more like I put the sport back in sport utility vehicle. Nice exhaust note now.

Hopefully I'll get a big mileage bump from it. Just got to get a non fouler for the downstream O2 sensor for that pesky CEL that'll come on probably tomorrow. I think I have one laying around somewhere.
Was this
answer
helpful?
Yes
No
Wednesday, October 6th, 2021 AT 5:09 PM
Tiny
HARRY P
  • MECHANIC
  • 2,296 POSTS
Ok. So my Blazer decided all it wants to is blaze trail forwards. As in Park, reverse, and Neutral don't work. The linkage on to of the transmission is fine. The range sensor is working. I can put the shifter inn park, start the truck, let my foot off the brake, and it starts driving. So it's sidelined for now. Turns out a good way to improve it's mileage is to replace it.

So I borrowed a 1993 Toyota Previa Minivan, which I lovingly call "the egg" from another mail carrier. It's his spare route car. It's ugly as hell. Dented and scratched like he's hit every mailbox on his route in it, but with only 110k on it it runs well. And it saved me almost enough in fuel to pay the $10/day I was paying him for it. Seriously I was using 2+ gallons less daily. Calculated over 12mpg, where the Blazer consistently hit somewhere around 8-8.5mpg. I've told him I could make some upgrades to it for free to make it better but he declined.

Anyways, I turned in the keys to the egg today, as I've replaced it with my new beloved 1999 Buick Century. 149k, 2 owner car, with a new battery, newish tires (75% treadlife left), new radiator and all hoses, and supposedly a new starter. Considering I had to jump the posts on the solenoid to get it broken loose because the car hadn't run in a few weeks when I got there, I don't the mechanic actually put a new starter on there. Probably a reman job or more likely one he had laying on the shelf. It also has new plugs and wires in it, but they're the cheapies, so they're getting replaced soon because the car stalling here and there and throwing a P0305 even though it's still pretty smooth running. 7mm wires and cheap plugs just don't do well in these cars, any halfway decent mechanic should know that.

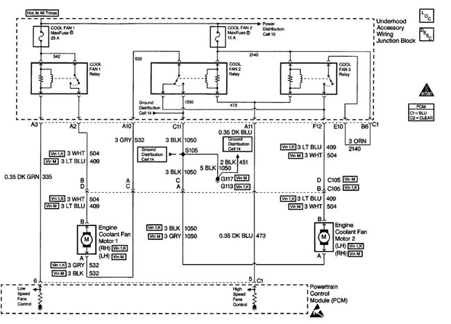
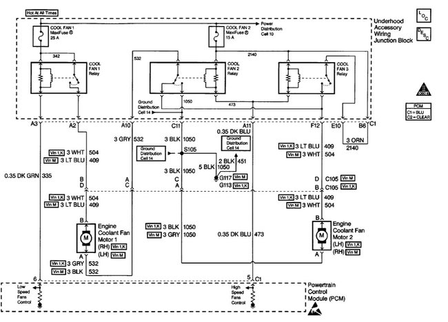
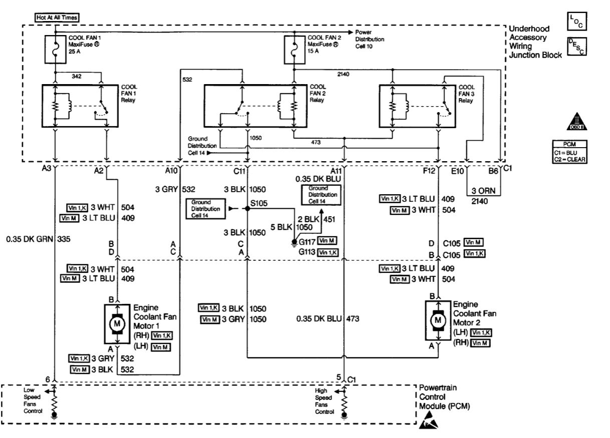
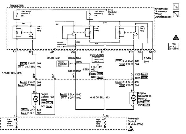
One question. With all of those new cooling system pieces, why is the temp gauge getting to 3/4 (110C according to live data) before both fans are kicking on. And shouldn't one of them be running pretty fast?

It's been a while since I've owned one of these as anything other than an investment/flip so I'm a bit out of touch here. Would I just run a new ground to speed it up and make it run full out?

Also, it seems like the thermostat is stuck open or more likely bypassed by the "mechanic." So I guess I'll address that and then see what's going down with the fans.

I'm so ready to dig in to this thing. I've got big plans for this little $550 steal. After driving that slow 4 cylinder rwd van with it's ridiculous turn radius and possessed radio (only comes on after the van has been running for a while, suspect cracked solder joints internally, also offered to replace free, also declined), this smooth riding, quick moving, powerhouse will make life easy again at work.

Good times ahead. It even came with a cassette adapter so I can hook my old phone straight to the radio and crank up the good tunes so the customers will know when I'm coming
Was this
answer
helpful?
Yes
No
Saturday, November 6th, 2021 AT 6:29 PM
Tiny
STEVE W.
  • MECHANIC
  • 15,610 POSTS
110 would be around 220-225 degrees which is about right for the fans to be kicking on, they don't shift to high unless the temperature stays high and doesn't drop when they come on. The switch together on at low then switch to high as needed.
Was this
answer
helpful?
Yes
No
Saturday, November 6th, 2021 AT 9:35 PM
Tiny
HARRY P
  • MECHANIC
  • 2,296 POSTS
Hmmm ok. I'm going to put this thing on the route tomorrow. It'll be cool enough it that (1) it shouldn't be a problem and (2) I can run the heat. But I'm going to do a little custom work today. Perhaps I'll run a secondary lead from one of the fans to where I can direct connect it to the battery if something goes awry tomorrow as a quick fix. But from what you're saying it should be ok. It's just different than the efan experience that I have with the wife's Vue, which is both confusing and limited. But it's working apparently correctly now and she's not complaining about my work since her pseudo mechanic at the inspection, oil change, and used tire shop said it was good.

According to the EPA, this car should get better fuel economy than that God awful egg van. And maybe it'll move a little faster, which isn't necessarily something most people would think about when they think about mail delivery. But I'm working alongside 55mph roads with curves and 18 wheelers so a little getup and go is a nice thing to have. Air bags, ABS, and front wheel drive aren't so bad to have either.
Was this
answer
helpful?
Yes
No
Sunday, November 7th, 2021 AT 4:14 AM
Tiny
STEVE W.
  • MECHANIC
  • 15,610 POSTS
There are a few systems GM has used, one uses two fans where one comes on for low and both come on for high, then they went to the current system they have been using a while. In low the power goes through relay 1 and through fan one, then it goes up through the NC contacts in relay 2 and down to fan 2, then out of fan 2 to ground. That gives low speed on both fans by feeding both fans in series, so they see about 6 volts. Then if the system decides it's hot relays 2 and 3 trip, relay 2 now provides a direct ground for fan one and it gets full voltage, relay 3 tripping on now provides full battery voltage from fuse 2 so fan 2 goes to full speed. Actually, it is the same type of system I install on vehicles as well, instead of using the PCM to control them I use common temperature sensors that are available. The lower temperature sender turns on relay 1 and the higher temperature turns on 2 and 3 as needed. A car with A/C will be set up to trigger either both to low and you can set it up to trigger one fan to high, GM used both over the years.
Was this
answer
helpful?
Yes
No
Sunday, November 7th, 2021 AT 4:01 PM

Please login or register to post a reply.