Fuel?

Tiny
PATRICIA EUBANKS BROWN
  • MEMBER
  • 1990 FORD F-150
  • 5.0L
  • V8
  • 4WD
  • AUTOMATIC
  • 63,000 MILES
Running rich.
Thursday, December 29th, 2022 AT 10:11 AM

10 Replies

Tiny
AL514
  • MECHANIC
  • 5,595 POSTS
Hello, why do you suspect a rich running condition? Is the Check Engine light on?

https://www.2carpros.com/articles/checking-a-service-engine-soon-or-check-engine-light-on-or-flashing
Was this
answer
helpful?
Yes
No
Thursday, December 29th, 2022 AT 10:33 AM
Tiny
PATRICIA EUBANKS BROWN
  • MEMBER
  • 6 POSTS
No.
Was this
answer
helpful?
Yes
No
Thursday, December 29th, 2022 AT 10:53 AM
Tiny
AL514
  • MECHANIC
  • 5,595 POSTS
Okay, are you smelling gas? What's happening that indicates a rich running condition?
Was this
answer
helpful?
Yes
No
Thursday, December 29th, 2022 AT 11:06 AM
Tiny
PATRICIA EUBANKS BROWN
  • MEMBER
  • 6 POSTS
Yes, gas fumes are terrible and smokes very bad.
Was this
answer
helpful?
Yes
No
Thursday, December 29th, 2022 AT 11:13 AM
Tiny
AL514
  • MECHANIC
  • 5,595 POSTS
Okay, it can be any number of things, you can try unplugging the fuel injectors one by one, unplug one see if it clears up, plug it back in, try another. If it's a fuel injector stuck open the issue should clear up pretty quick. You can try unplugging the Canister Purge Valve, it draws fuel vapors from the gas tank into the intake manifold to burn them. But it sounds more like you have a fuel injector that is stuck open, or possibly an Oxygen sensor that is stuck lean, and the engine computer is compensating for it by going rich. But try the fuel injector idea first. Only do one at a time though, you won't hurt anything.
The wiring diagrams for this vehicle are very old, but I'll try to find a picture of the Canister Purge valve for this vehicle.
If there is a fuel injector stuck open, there is a good chance that the Catalytic converter has been damaged (melted down) due to all the fuel being dumped into it.
Do you know where the fuel injectors are located?
They have a 2-wire connector on each, one wire is red and the others will be different for each injector, but they all look like they are Tan with an alternating color stripe on them.
Was this
answer
helpful?
Yes
No
Thursday, December 29th, 2022 AT 11:31 AM
Tiny
PATRICIA EUBANKS BROWN
  • MEMBER
  • 6 POSTS
Yes.
Was this
answer
helpful?
Yes
No
Thursday, December 29th, 2022 AT 11:38 AM
Tiny
PATRICIA EUBANKS BROWN
  • MEMBER
  • 6 POSTS
All 8 spark plugs are smutty.
Was this
answer
helpful?
Yes
No
Thursday, December 29th, 2022 AT 11:43 AM
Tiny
AL514
  • MECHANIC
  • 5,595 POSTS
Then it might be a sensor that is causing the engine computer to overcompensate on fuel delivery, if it's affecting all cylinders like that. Without any live data it's difficult to tell what's at fault. Here are some guides to help with testing, The first will be the Oxygen sensor, when they go bad and they all do over time, they will get stuck at a certain voltage level, 0 to 1volt is its range, if its stuck at 0.2volts for example the engine computer will think the exhaust is lean and enrich the mixture causing a fault like this. I will post some other guides to help as well. Is it a blueish color smoke coming out of the exhaust?
Also is the oil level above where it should be, possibly smell like gas as well?

https://www.2carpros.com/articles/how-to-test-an-oxygen-sensor-02-sensor

https://www.2carpros.com/articles/how-to-use-a-voltmeter
Was this
answer
helpful?
Yes
No
Thursday, December 29th, 2022 AT 12:05 PM
Tiny
PATRICIA EUBANKS BROWN
  • MEMBER
  • 6 POSTS
Yes, blue smoke yes smells like gas.
Was this
answer
helpful?
Yes
No
Thursday, December 29th, 2022 AT 5:16 PM
Tiny
AL514
  • MECHANIC
  • 5,595 POSTS
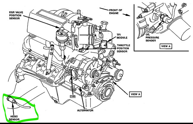
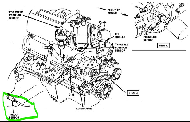
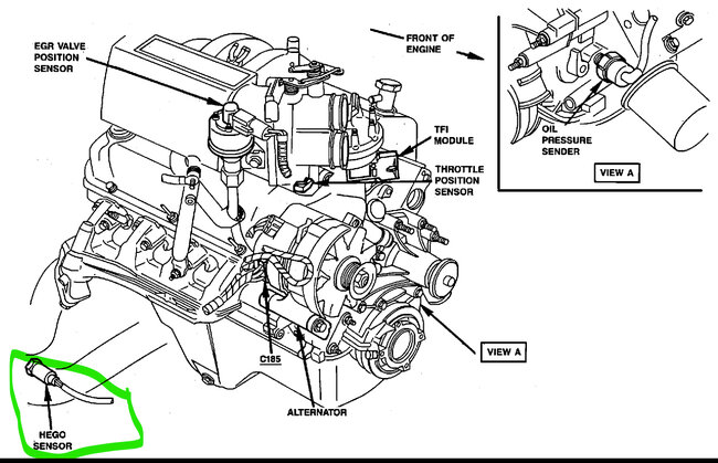
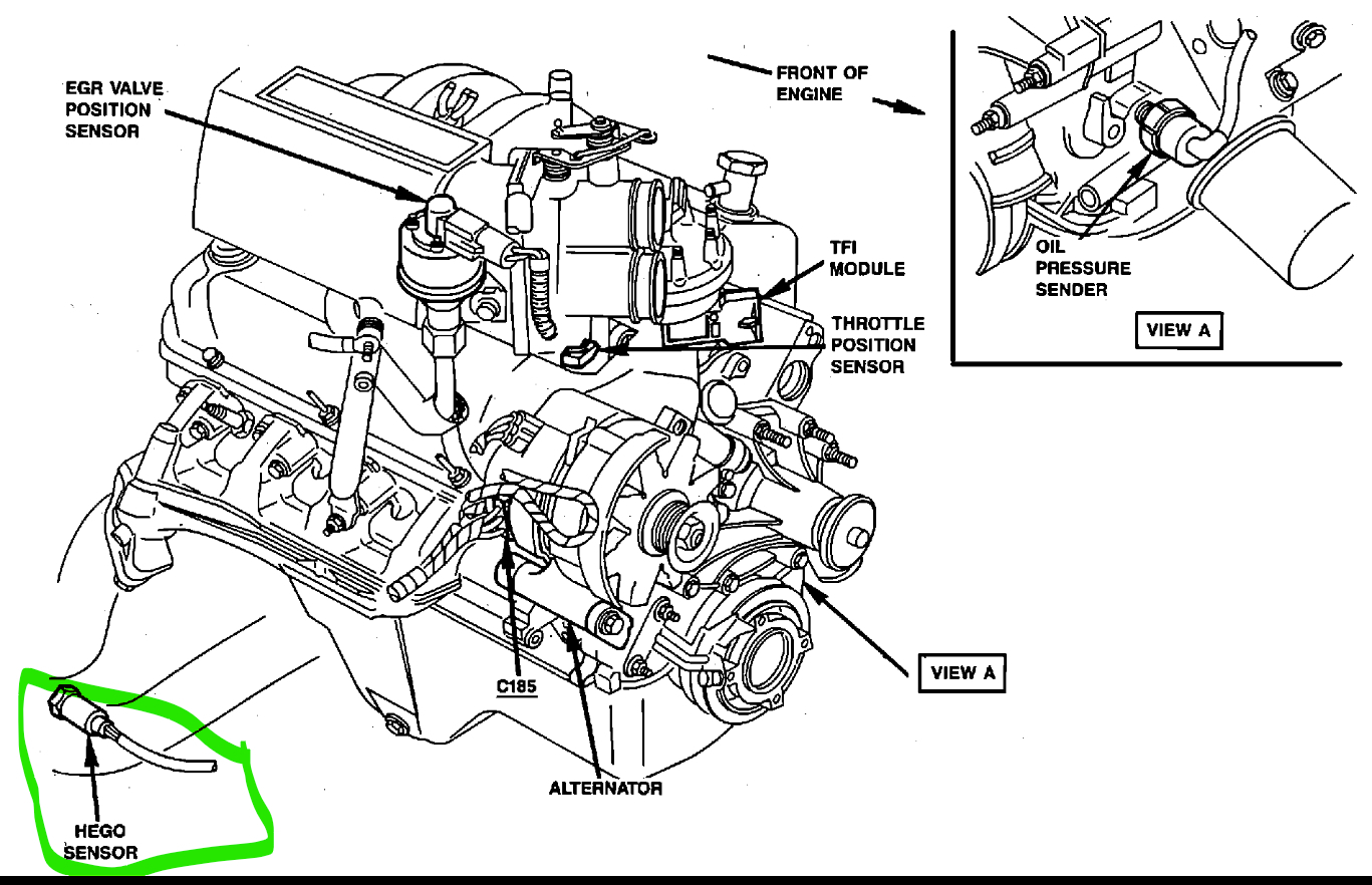
The engine can be running rich for quite a few reasons, without testing it's almost impossible to tell you what's causing it. It can be a bad oxygen sensor, bad engine coolant temperature sensor, map sensor, etc. I would start with the Oxygen sensor. I believe there is only one on a vehicle this old, but you can check, they will be screwed into the exhaust pipe, if it has two there will be one before the Catalytic Converter and one after it.
Since this is an OBD1 system, and Fords take forever to set codes, you can try unplugging the Oxygen sensor and see if you notice any change. Without the check engine light being on, there are not any codes stored. On Fords it sometimes takes 40 to 50 key starts with a fault to set codes on these older systems.
If your truck has any air injection systems, there will be a diverter valve and a hose that runs down to the exhaust, this is used for air injection that can be commanded on by the engine computer and diverts air into the exhaust, when the diverter valve goes bad it can pump oxygen into the exhaust when it's not supposed to and trick the oxygen sensor, sending the system rich. You can try clamping off one of the rubber hoses that runs to the exhaust and see if that helps.
Granted it will take a few minutes for the engine to respond if it's been like this for a while.
But try unplugging the oxygen sensor for a few minutes, if no change plug it back in and clamp off an air injection hose.

https://www.2carpros.com/articles/engine-black-smoke
Was this
answer
helpful?
Yes
No
Friday, December 30th, 2022 AT 1:05 PM

Please login or register to post a reply.