Front A/C no longer blowing

Tiny
LMAX2014
  • MEMBER
  • 2008 DODGE DURANGO
  • 4.7L
  • V8
  • 2WD
  • AUTOMATIC
  • 125,000 MILES
My A/C in the front used to work perfectly fine until recently the passenger would have to tap the bottom where there feet go to get it started again, well this has stopped working and no air is coming out at all though my back is I'm needing to know what to do. I have a motor blower and resistor on its way, but am wondering what it could be. And do these vehicles have 2 compressors or just 1? Any advice is appreciated.
Sunday, May 3rd, 2020 AT 3:49 PM

34 Replies

Tiny
ASEMASTER6371
  • MECHANIC
  • 52,796 POSTS
Good evening,

There is only one compressor for the A/C system It does both the front and rear.

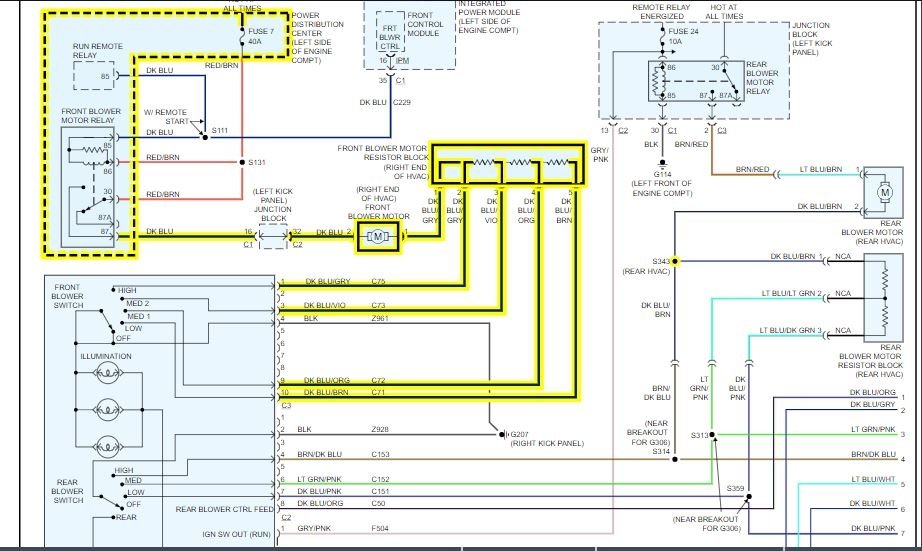
It does sound like the blower motor is bad but needs to be confirmed. You need to check for voltage to the blower motor to be sure it has power.

https://www.2carpros.com/articles/how-to-check-wiring

https://www.2carpros.com/articles/how-to-use-a-test-light-circuit-tester

I attached a wiring diagram for you to do some checks. You can use a test light for these tests.

Roy

1. Disconnect and isolate the negative battery cable.
2. If equipped with a trim cover (2), remove the two screws (1) that secure the trim cover over the blower motor power module (3) located below the right side of the instrument panel and remove the cover.

imageOpen In New TabZoom/Print

3. Disconnect the two wire harness connectors (1) from the blower motor power module (2).
4. Remove the two screws (3) that secure the blower motor power module to the front HVAC housing (4).
5. Remove the blower motor power module from the front HVAC housing.
Was this
answer
helpful?
Yes
No
+1
Sunday, May 3rd, 2020 AT 4:32 PM
Tiny
LMAX2014
  • MEMBER
  • 19 POSTS
How would I access the entry to the blower motor? Is it inside the car under the dashboard of the passenger side?
Was this
answer
helpful?
Yes
No
Sunday, May 3rd, 2020 AT 4:43 PM
Tiny
ASEMASTER6371
  • MECHANIC
  • 52,796 POSTS
That is correct.

Under the dash by the glove box. There may be a cover on it or it will be right there. Check the looks of the new one when you get it so you will be able to match it.

Roy
Was this
answer
helpful?
Yes
No
+1
Sunday, May 3rd, 2020 AT 4:48 PM
Tiny
LMAX2014
  • MEMBER
  • 19 POSTS
Thanks so much. I have been scouring the internet with little to no luck. I appreciate your speed too lol!
Was this
answer
helpful?
Yes
No
Sunday, May 3rd, 2020 AT 5:24 PM
Tiny
ASEMASTER6371
  • MECHANIC
  • 52,796 POSTS
You are welcome.

Always glad to help.

Roy
Was this
answer
helpful?
Yes
No
Sunday, May 3rd, 2020 AT 5:44 PM
Tiny
LMAX2014
  • MEMBER
  • 19 POSTS
Hey Roy, I am back. So, we replaced blower motor, resistor, then ground out pig tails weren't working from the controls, once we corrected this issue we have air. Bad news it's hot air in both the front and back, but the compressor is kicking in. I'm thinking blend door actuator or expansion valve. Can you let me know what you think?
Was this
answer
helpful?
Yes
No
Wednesday, June 3rd, 2020 AT 1:27 PM
Tiny
ASEMASTER6371
  • MECHANIC
  • 52,796 POSTS
Okay, I need the high and low side readings of the system with the engine running.

https://www.2carpros.com/articles/car-air-conditioner-not-working-or-is-weak

When you change from hot to cold, can you hear the blend doors move? I doubt they all failed at the same time. This sounds like a Freon issue.

https://www.2carpros.com/articles/replace-blend-door-motor

Roy
Was this
answer
helpful?
Yes
No
Wednesday, June 3rd, 2020 AT 1:48 PM
Tiny
LMAX2014
  • MEMBER
  • 19 POSTS
Let me check to see if I hear a change. Also, the blend doors are located under the drivers side? Just want to verify.
Was this
answer
helpful?
Yes
No
Wednesday, June 3rd, 2020 AT 1:56 PM
Tiny
LMAX2014
  • MEMBER
  • 19 POSTS
I was able to hear the door blends move.
Was this
answer
helpful?
Yes
No
Wednesday, June 3rd, 2020 AT 2:04 PM
Tiny
ASEMASTER6371
  • MECHANIC
  • 52,796 POSTS
Okay, then it is not the doors.

I need the high and low side readings. You can rent a set or buy a cheap set somewhere.

Roy
Was this
answer
helpful?
Yes
No
Wednesday, June 3rd, 2020 AT 2:14 PM
Tiny
LMAX2014
  • MEMBER
  • 19 POSTS
Where would I connect it? I'm heading to my auto parts store right now. What is it called? Thanks for helping me out. Most the mechanics here want to charge $300.00 just to look at it and give a diagnostic, that's not fixing it or the parts.
Was this
answer
helpful?
Yes
No
Wednesday, June 3rd, 2020 AT 2:17 PM
Tiny
ASEMASTER6371
  • MECHANIC
  • 52,796 POSTS
There is a port for the high side between the compressor and the condenser.

You ask for A/C gauges.

Roy

The A/C discharge line (1) is the refrigerant line that carries refrigerant from the A/C compressor to the A/C condenser (2) and is secured to the condenser fan shroud (4) by a plastic retainer (3). The A/C discharge line has an integral fitting for the A/C pressure transducer (5) See: Refrigerant Pressure Sensor / Switch, HVAC > Components > Description.

NOTE: Replacement of the refrigerant line O-ring seals and gaskets is required anytime a refrigerant line is opened. Failure to replace the rubber O-ring seals and metal gaskets could result in a refrigerant system leak.

The A/C discharge line has no serviceable parts except for the rubber O-ring seals. The O-ring seals used on the connections are made from a special type of rubber not affected by R-134a refrigerant. The O-ring seals must be replaced whenever the A/C discharge line is disconnected.

The A/C discharge line cannot be repaired and must be replaced if found to be leaking or damaged.
Was this
answer
helpful?
Yes
No
Wednesday, June 3rd, 2020 AT 2:23 PM
Tiny
LMAX2014
  • MEMBER
  • 19 POSTS
I can't get the pressure, because no one in my town carries it.
Was this
answer
helpful?
Yes
No
Wednesday, June 3rd, 2020 AT 2:45 PM
Tiny
ASEMASTER6371
  • MECHANIC
  • 52,796 POSTS
Do you have a Harbor Freight? They have them and are the cheapest place to get them.

Roy
Was this
answer
helpful?
Yes
No
Wednesday, June 3rd, 2020 AT 2:47 PM
Tiny
LMAX2014
  • MEMBER
  • 19 POSTS
No sir.
Was this
answer
helpful?
Yes
No
Wednesday, June 3rd, 2020 AT 3:33 PM
Tiny
ASEMASTER6371
  • MECHANIC
  • 52,796 POSTS
Okay, a shop is your last option.

You could go online and get a set of gauges from either Rock Auto or Harbor Freight and have them shipped to you in a couple of days.

Roy
Was this
answer
helpful?
Yes
No
Wednesday, June 3rd, 2020 AT 3:36 PM
Tiny
LMAX2014
  • MEMBER
  • 19 POSTS
Okay, and lets say that the pressure is fine where would I go from there?
Was this
answer
helpful?
Yes
No
Wednesday, June 3rd, 2020 AT 3:43 PM
Tiny
ASEMASTER6371
  • MECHANIC
  • 52,796 POSTS
Your blend doors are working as you stated so the only thing we need to check is the pressures. I believe we are going to see the issue in the gauge readings.

Roy
Was this
answer
helpful?
Yes
No
Wednesday, June 3rd, 2020 AT 3:47 PM
Tiny
LMAX2014
  • MEMBER
  • 19 POSTS
I'm on my way to a guy that has one I can use. I'll send info soon.
Was this
answer
helpful?
Yes
No
Wednesday, June 3rd, 2020 AT 4:11 PM
Tiny
ASEMASTER6371
  • MECHANIC
  • 52,796 POSTS
Sounds like a plan.

Roy
Was this
answer
helpful?
Yes
No
Wednesday, June 3rd, 2020 AT 4:15 PM

Please login or register to post a reply.