Four-wheel drive stopped working after installing a three-inch body lift

Tiny
VOID58644
  • MEMBER
  • 1995 CHEVROLET SILVERADO
  • 5.7L
  • V8
  • 4WD
  • AUTOMATIC
  • 200,000 MILES
I did a 3-in body lift and the four-wheel drive stopped working. I replaced the actuator just the linkage still no four wheel drive.
Saturday, March 5th, 2022 AT 1:17 AM

5 Replies

Tiny
ASEMASTER6371
  • MECHANIC
  • 52,796 POSTS
Good morning,

Do the lights on the panel come on and show different ranges?

Did you change the tire size from the original? Check the vehicle speed sensor on the side of the transmission to be sure it is working. Your speedometer needs to work for the cruise to work.

https://www.2carpros.com/articles/how-to-check-wiring

https://www.2carpros.com/articles/how-to-check-a-car-fuse

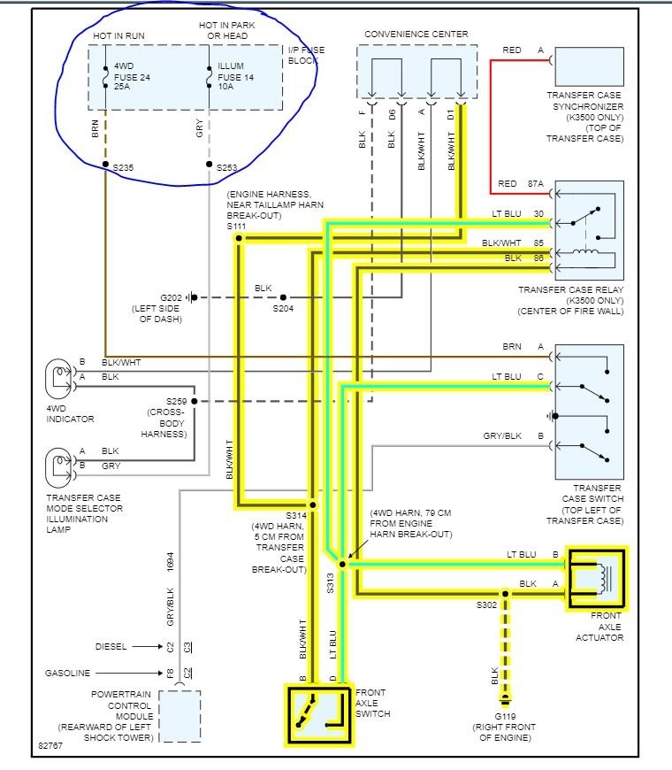
I attached the wiring diagram for you.

Roy

Was this
answer
helpful?
Yes
No
Saturday, March 5th, 2022 AT 1:28 AM
Tiny
VOID58644
  • MEMBER
  • 1 POST
I don't have a problem with the cruise control, so I have nothing to do with the speed. I have a problem with the four-wheel drive not engaging.
Was this
answer
helpful?
Yes
No
Saturday, March 5th, 2022 AT 5:32 AM
Tiny
ASEMASTER6371
  • MECHANIC
  • 52,796 POSTS
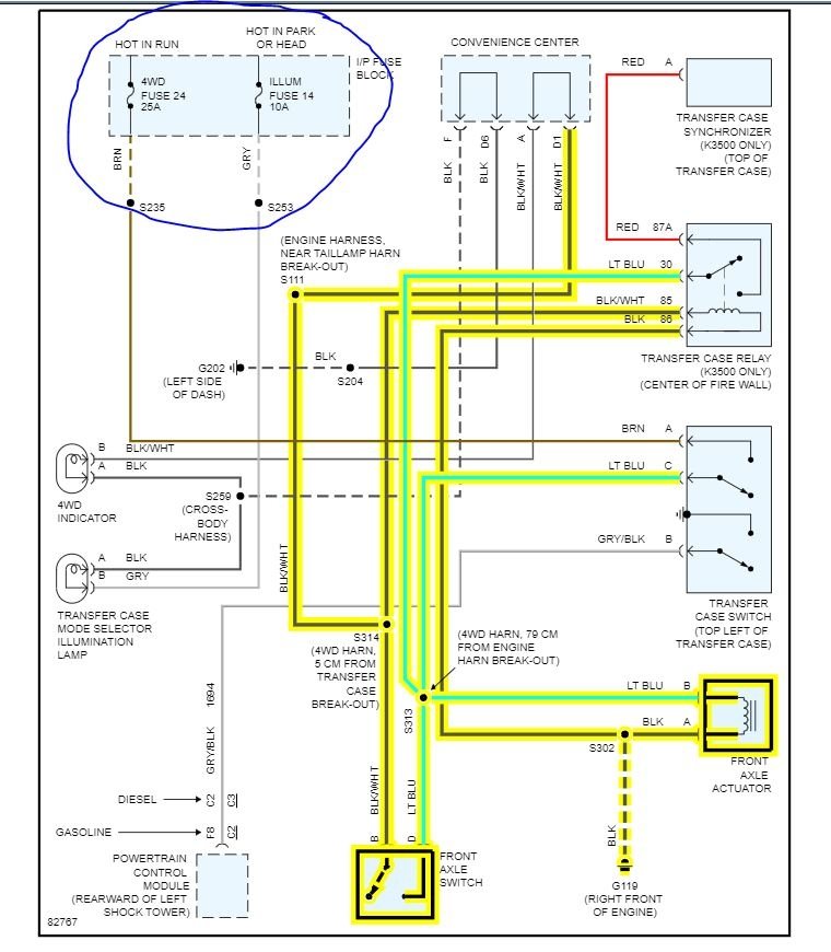
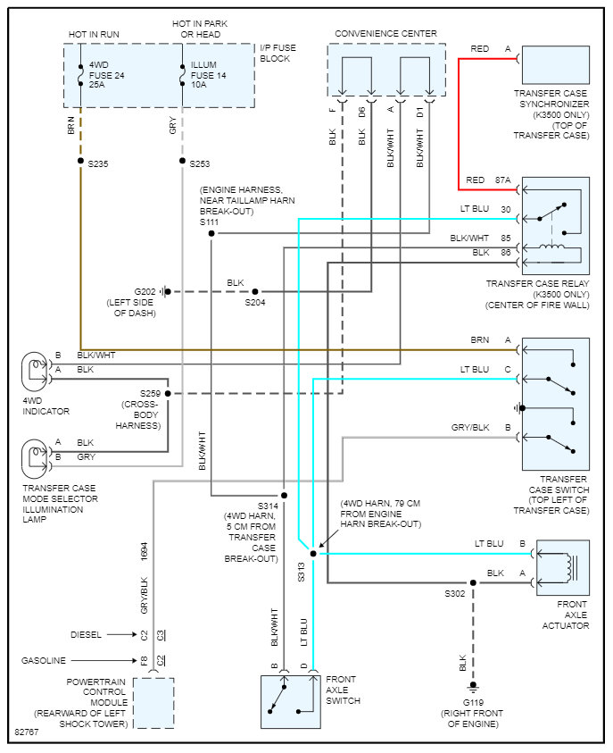
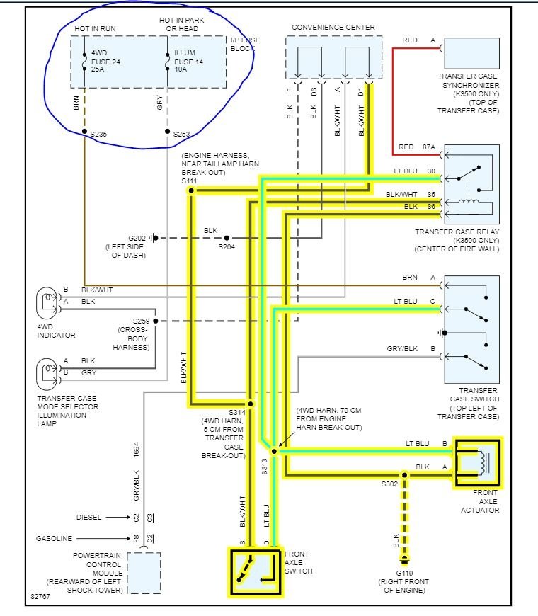
Sorry, I picked the wrong diagram. I attached the correct one for you.

Check the fuses to be sure they have power on both sides.

Then check the actuator and the switch for power with the key in the on position.

Roy
Was this
answer
helpful?
Yes
No
Saturday, March 5th, 2022 AT 6:52 AM
Tiny
VOID58644
  • MEMBER
  • 1 POST
Could it be a vacuum leak?
Was this
answer
helpful?
Yes
No
Saturday, March 5th, 2022 AT 4:06 PM
Tiny
KASEKENNY
  • MECHANIC
  • 18,907 POSTS
Just to jump in on this one, when you engage 4WD does the indicator come on?

If it does, then we need to go to the actuator and check the voltage.

If you did just a body lift and not a suspension lift, then there is a chance, we have a stretched wire or other connection issue.

So here is a guide that will help with checking the voltage:

https://www.2carpros.com/articles/how-to-check-wiring

So, we need to check the light blue wire when you put it in 4WD and see if you have 12 volts on this wire at the actuator.

If not, then we can track it back through the system and find where the issue is.

Please let us know what you find. Also, can you please post your response in the text box as when you leave a comment after selecting
"No" it does not get posted for all to see. Only those of us with Admin rights can see those.

Thanks, and let me know if you have questions on this.
Was this
answer
helpful?
Yes
No
Saturday, March 5th, 2022 AT 4:12 PM

Please login or register to post a reply.