Saturday, October 23rd, 2010 AT 10:27 AM
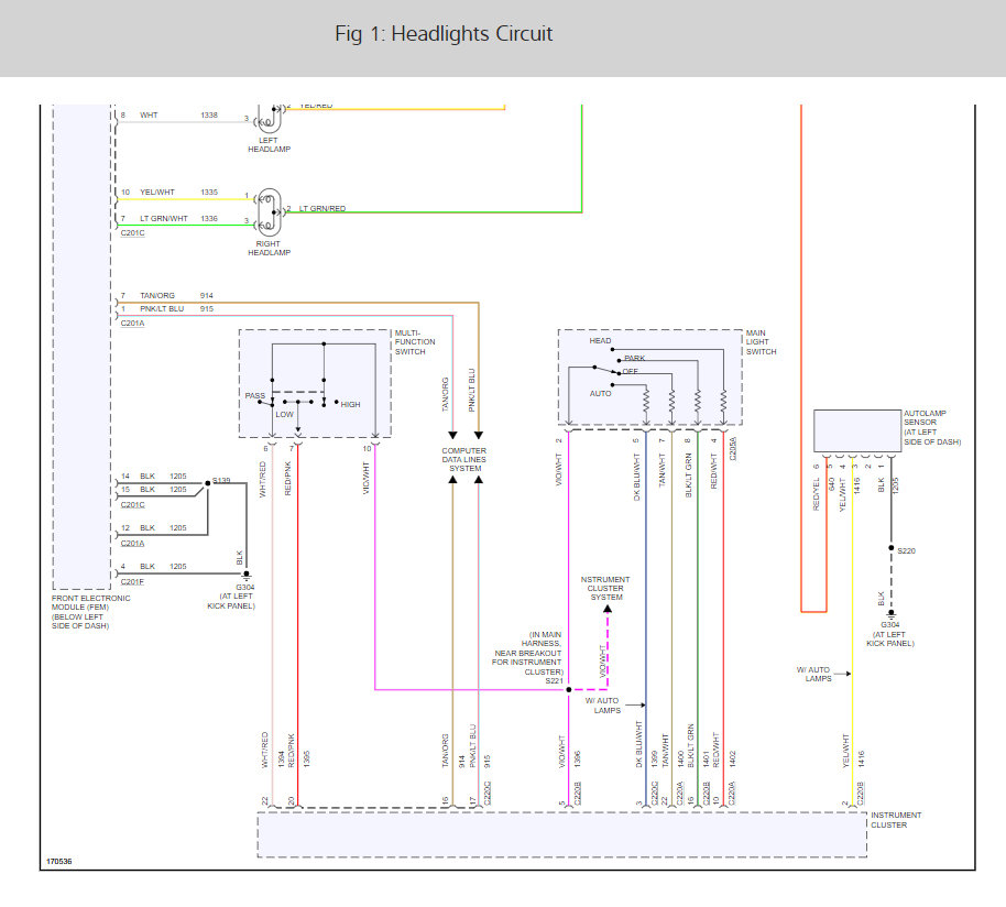
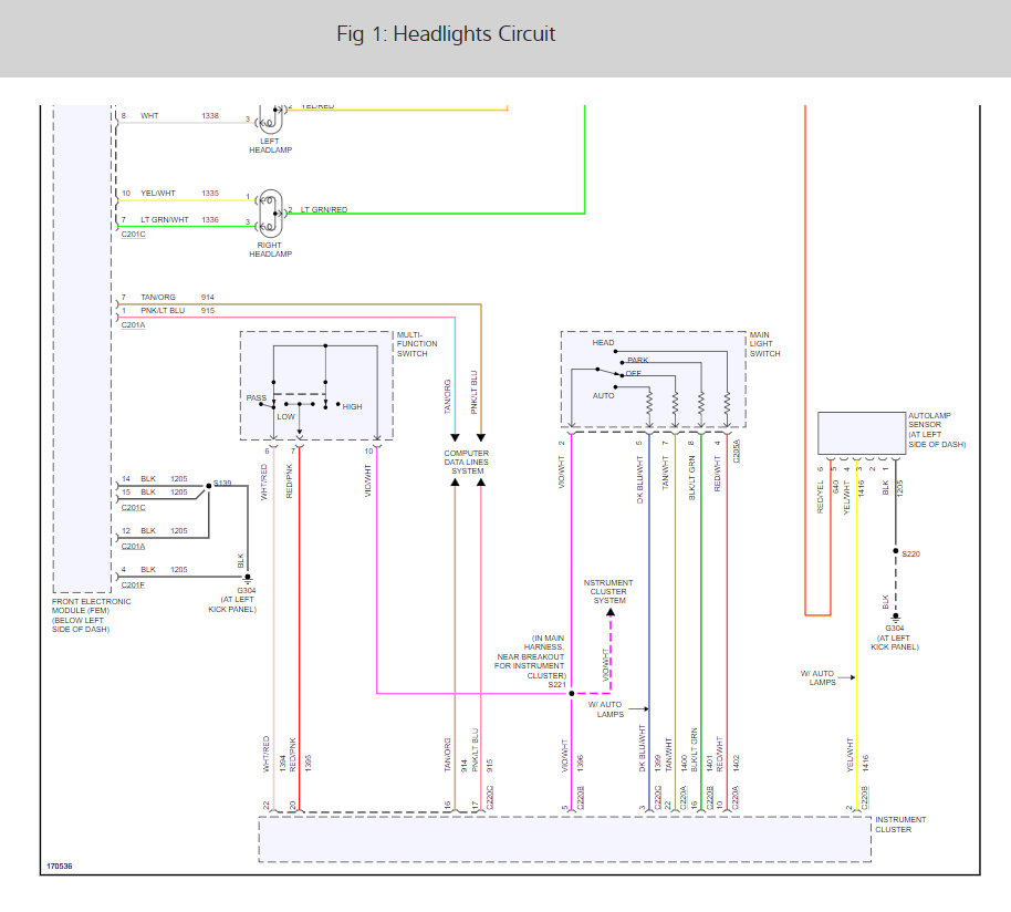
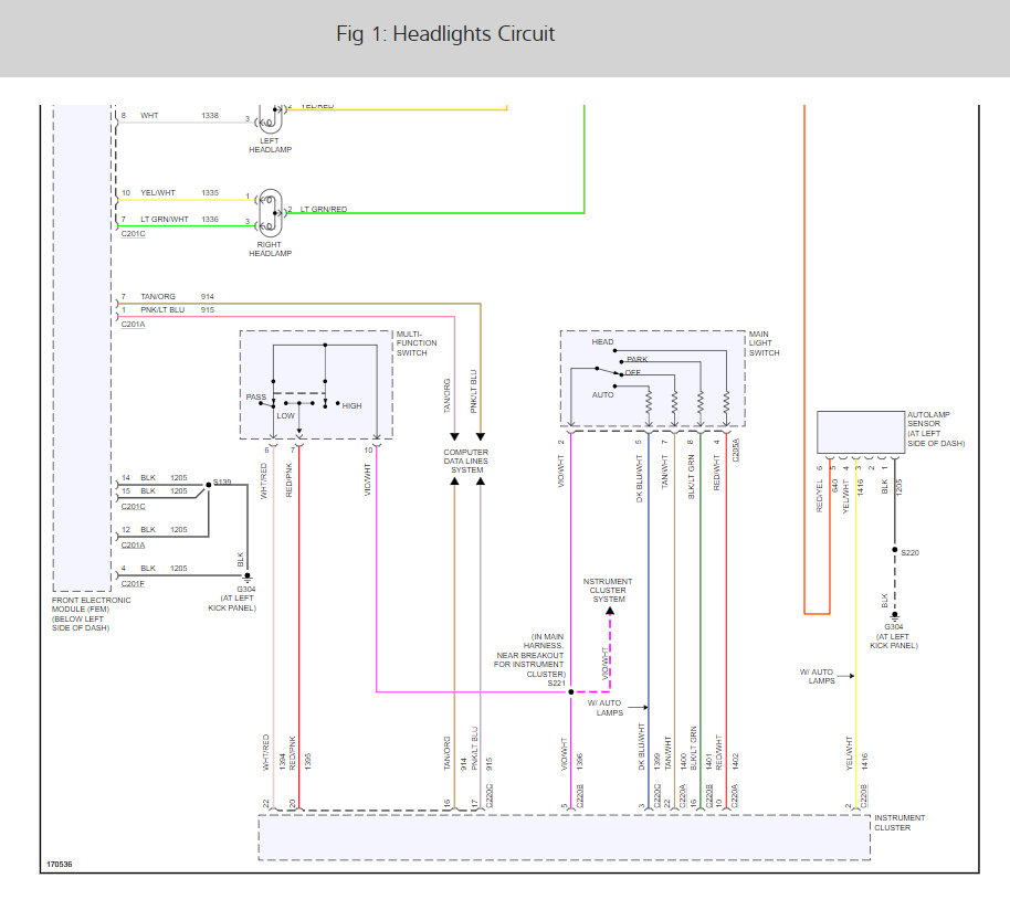
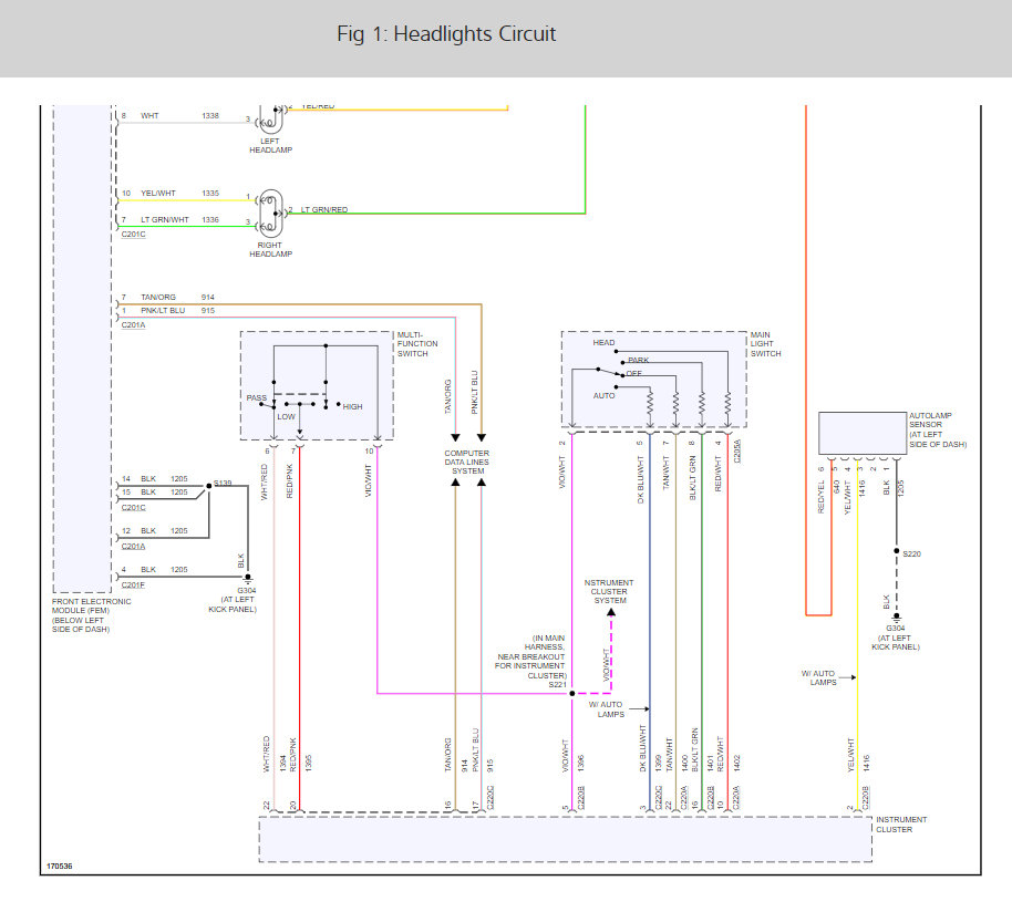
1 headlight has power 1 does not where does the negative wire go to for the right headlight? Can I get headlight wiring diagrams?












