Headlights

Tiny
YOLLUP
  • MEMBER
  • FORD WINDSTAR
02 ford windstar. No power going to right headlight, high or low. Left works fine. Drl also works fine. Possible cause.
Wednesday, July 11th, 2007 AT 8:15 PM

3 Replies

Tiny
KASEKENNY
  • MECHANIC
  • 18,907 POSTS
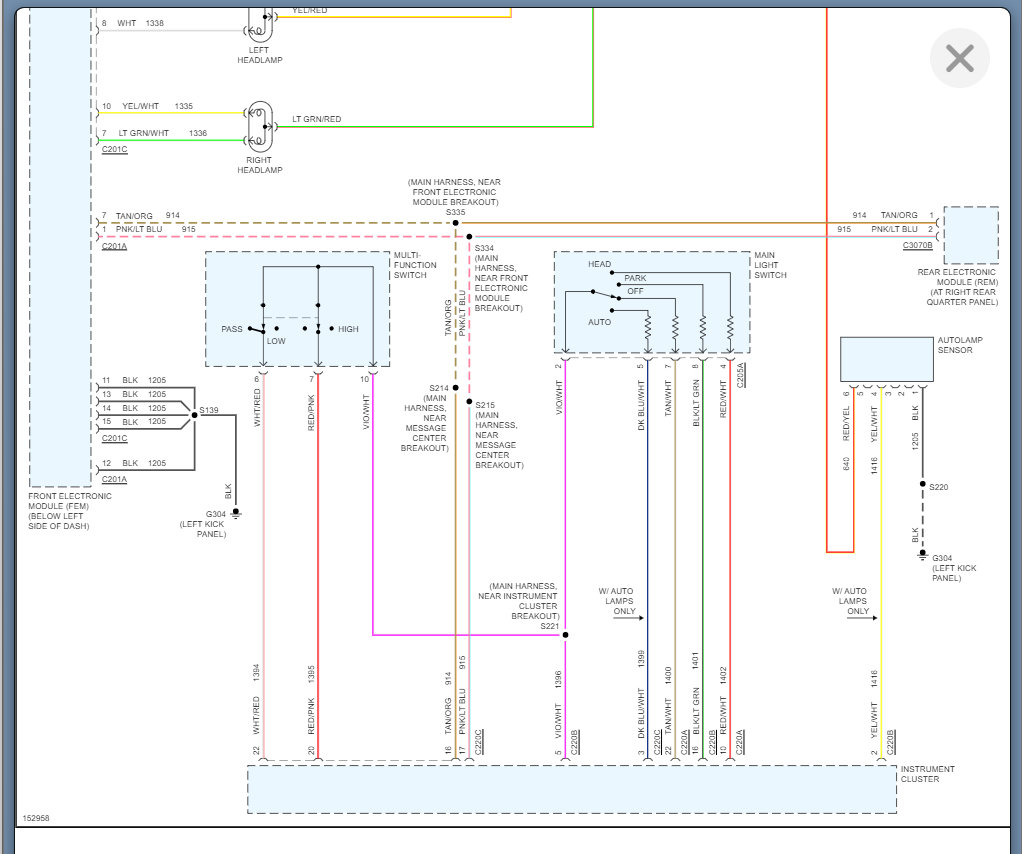
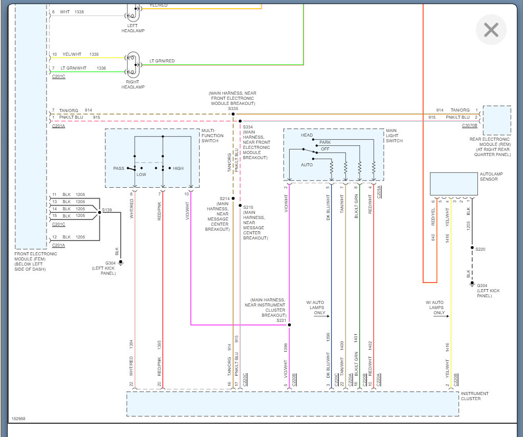
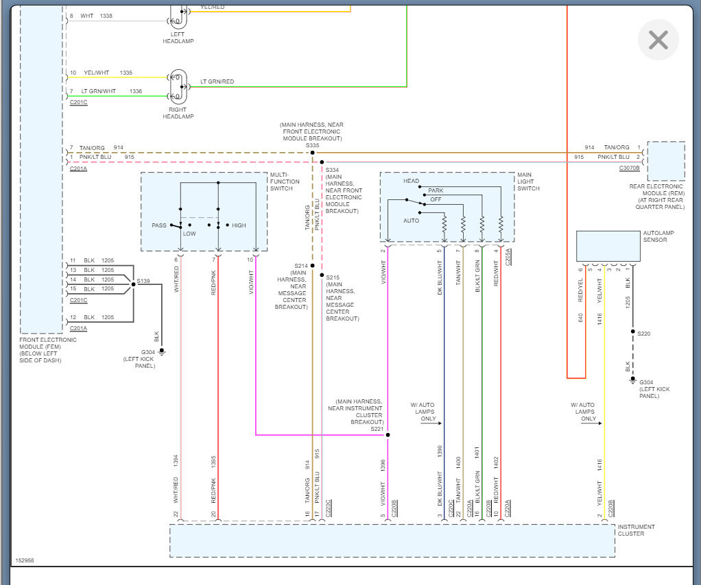
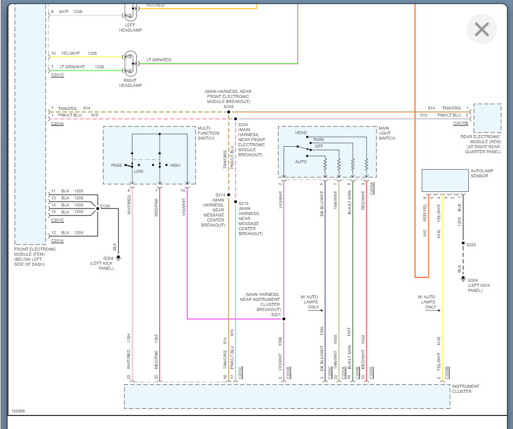
You have a fuse for each headlight, so we need to start by checking the fuses that go to this headlamp.

Here is a guide that will help with doing this:
https://www.2carpros.com/articles/how-to-check-a-car-fuse

If the fuse is okay, then we more than likely have an issue with the FEM which is the control module for the head lights.

The way this works is the fuse applies voltage all the time and the FEM grounds the circuit.

So, the way to test this is to just ground the bulb and see if it works.

https://www.2carpros.com/articles/how-to-check-wiring

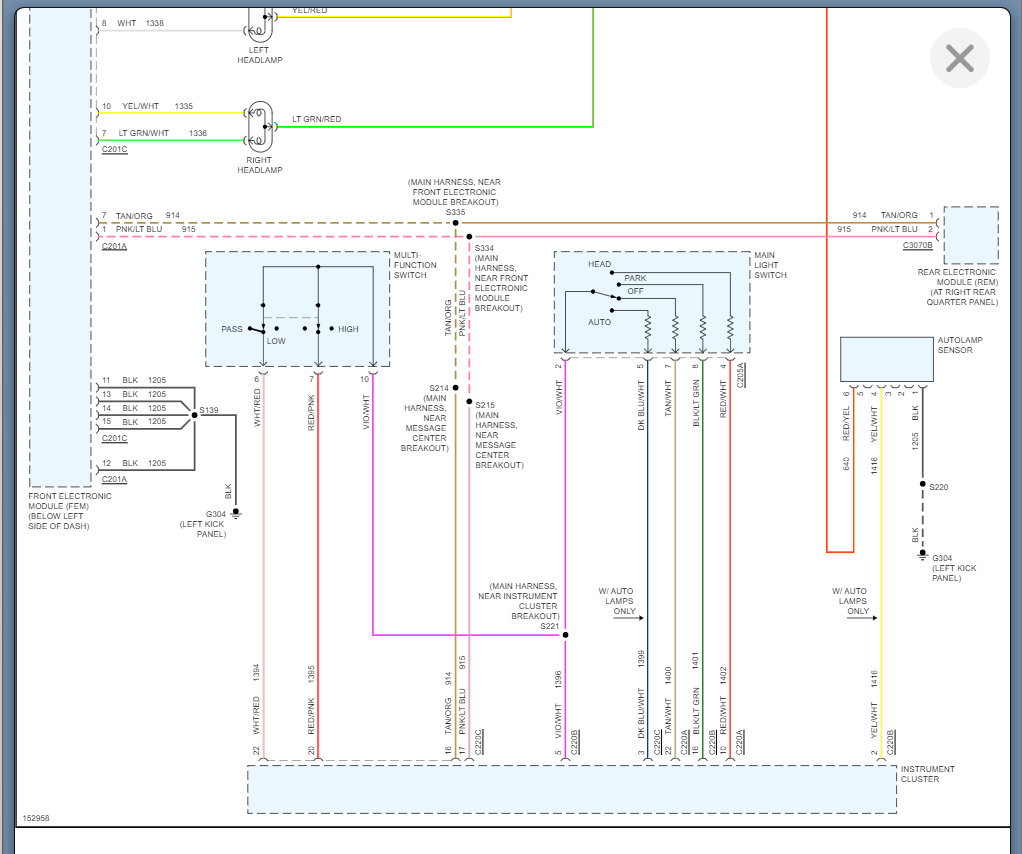
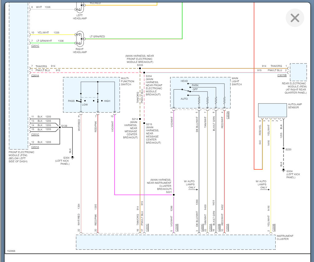
Please see the wiring diagram below for this and let us know what you find.

Thanks
Was this
answer
helpful?
Yes
No
+1
Sunday, February 6th, 2022 AT 6:17 PM
Tiny
YOLLUP
  • MEMBER
  • 4 POSTS
Headlight works when you ground wires.
Was this
answer
helpful?
Yes
No
Sunday, February 6th, 2022 AT 6:18 PM
Tiny
KASEKENNY
  • MECHANIC
  • 18,907 POSTS
Okay. That is great info. So, we need to replace the FEM and I am going to attach the process below.

Please run through this info and let us know what happens.

Thanks
Was this
answer
helpful?
Yes
No
Sunday, February 6th, 2022 AT 6:19 PM

Please login or register to post a reply.