Parking lights (tail lights) not working?

Tiny
PITON3853
  • MEMBER
  • 2004 FORD RANGER
  • 6 CYL
  • 4WD
  • MANUAL
  • 60,000 MILES
My Parking Lights don't work. I have checked all the fuses in the cab, and none of them are blown. What is the next step to troubleshoot this problem?
Friday, April 9th, 2010 AT 5:05 PM

21 Replies

Tiny
KASEKENNY
  • MECHANIC
  • 18,907 POSTS
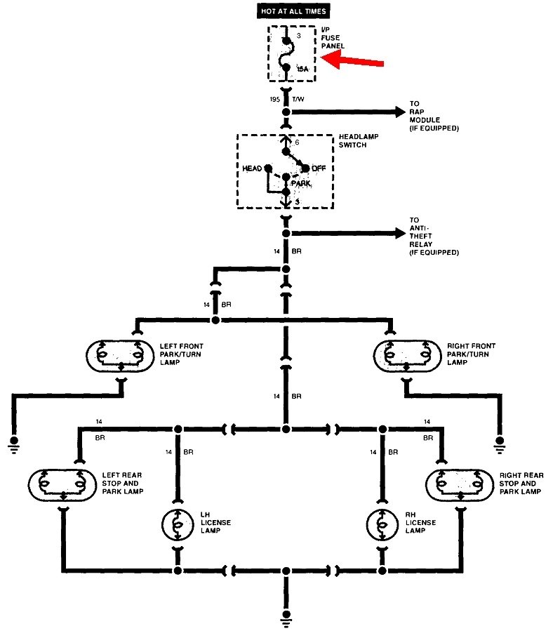
This could be a number of things but the most likely cause is the park lamp relay.

Here is a guide that will help with testing the relay:

https://www.2carpros.com/articles/how-to-check-an-electrical-relay-and-wiring-control-circuit

Below is all the info on the relay. Please run through this info and we can go from there. Thanks
Was this
answer
helpful?
Yes
No
Tuesday, June 1st, 2021 AT 6:20 PM
Tiny
KINDRED58
  • MEMBER
  • 1 POST
  • 1998 FORD RANGER
  • 2.2L
  • 5 CYL
  • 2WD
  • MANUAL
I have a ranger that has Brake and turn signals, but no rear parking or license plate lights. Have front parking so sw must be good right? Just in the back
Was this
answer
helpful?
Yes
No
Wednesday, June 2nd, 2021 AT 1:34 PM (Merged)
Tiny
HMAC300
  • MECHANIC
  • 48,601 POSTS
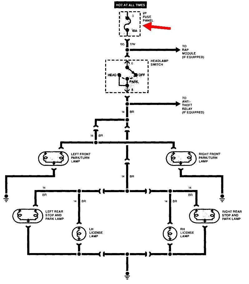
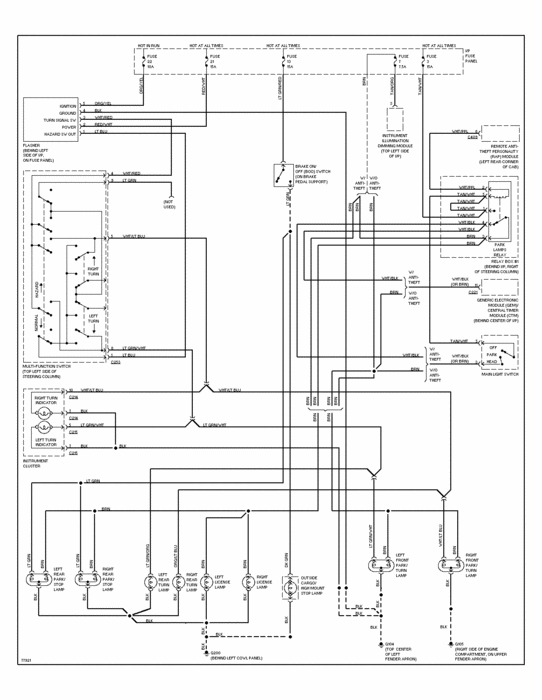
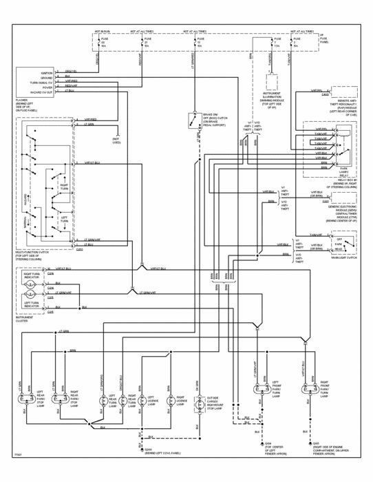
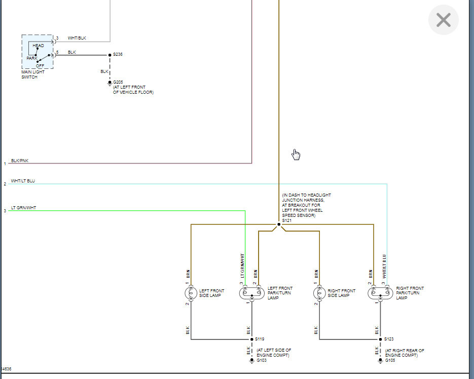
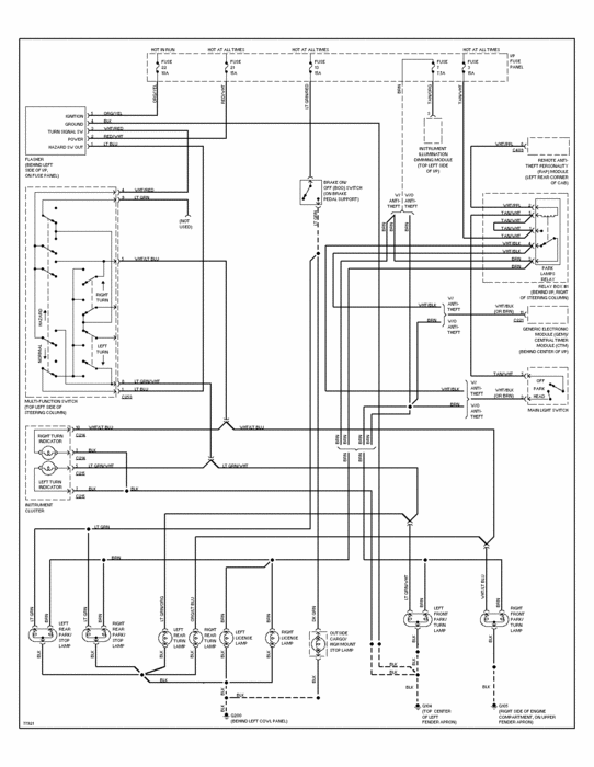
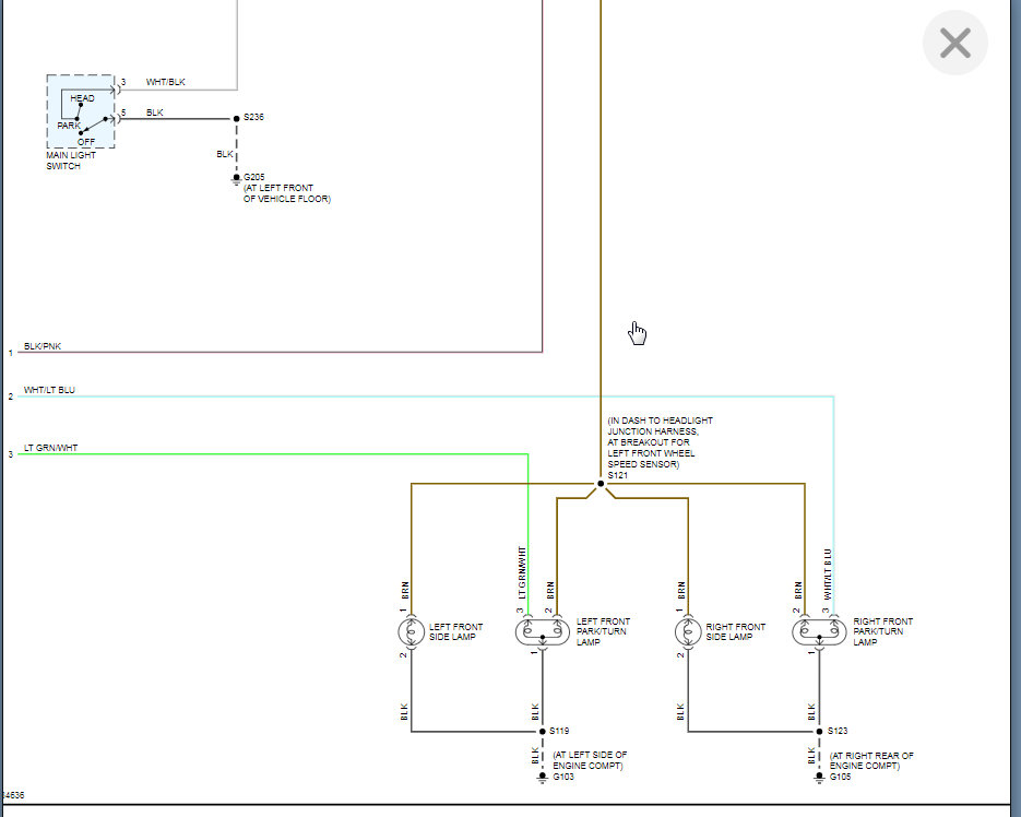
Check for power then check ground make sure you are getting both. Also this guide can help us fix it

https://www.2carpros.com/articles/no-tail-lights-exterior-running-lights-tail-lights-out

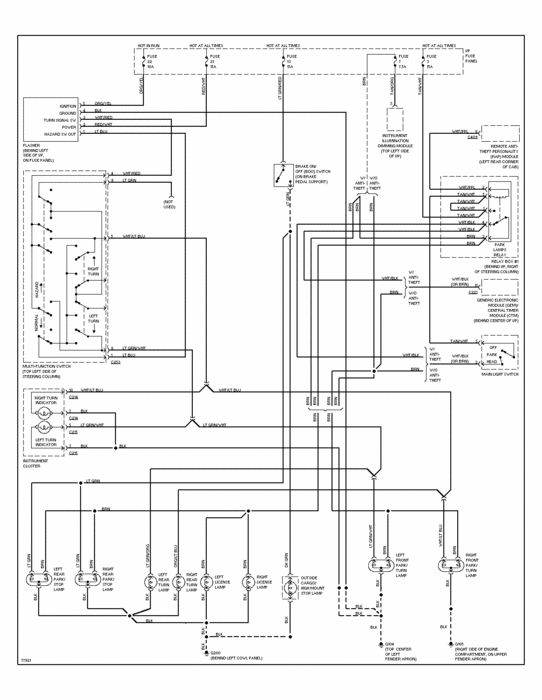
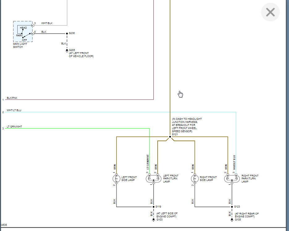
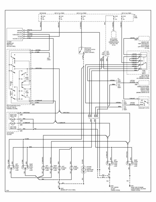
Check out the diagrams (Below). Please let us know what happens.
Was this
answer
helpful?
Yes
No
Wednesday, June 2nd, 2021 AT 1:34 PM (Merged)
Tiny
MICHAEL MARQUES
  • MEMBER
  • 1 POST
  • 1997 FORD RANGER
  • 127,345 MILES
Taillights keep blowing fuses.
Was this
answer
helpful?
Yes
No
Wednesday, June 2nd, 2021 AT 1:34 PM (Merged)
Tiny
SCGRANTURISMO
  • MECHANIC
  • 4,897 POSTS
Hello,

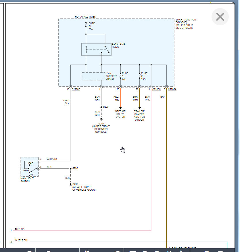
The taillight fuse keeps blowing because you have a short to ground in the circuit(s) that the fuse is protecting. In the diagrams down below I have included a diagram of your vehicle's Instrument Panel Fuse Box and callout as well as the Exterior Lighting wiring diagram for your vehicle and a guide for how to find short to grounds in an automotive electrical circuit. You will need to use a Digital Multi-meter (DMM) to do this, so here is a link for you to go to if you happen to be unfamiliar with how to use one:

https://www.2carpros.com/articles/how-to-use-a-voltmeter

Please go through these guides, if needed, and get back to us with what you are able to find out.

Thanks,
Alex
2CarPros
Was this
answer
helpful?
Yes
No
Wednesday, June 2nd, 2021 AT 1:34 PM (Merged)
Tiny
JEREMY CATO
  • MEMBER
  • 1 POST
  • 1996 FORD RANGER
  • 4.0L
  • V6
  • 2WD
  • AUTOMATIC
  • 200 MILES
Well, I have turn lights and brake lights but no tail lights. The cluster lights aren't working either. What I did was I hooked up some fog lights on the front of my truck and had it on a switch inside the truck. The switch arced on a metal plate under the dash, no I have no tail lights or cluster lights.
What did I fry?
Was this
answer
helpful?
Yes
No
Wednesday, June 2nd, 2021 AT 1:34 PM (Merged)
Tiny
CARADIODOC
  • MECHANIC
  • 34,489 POSTS
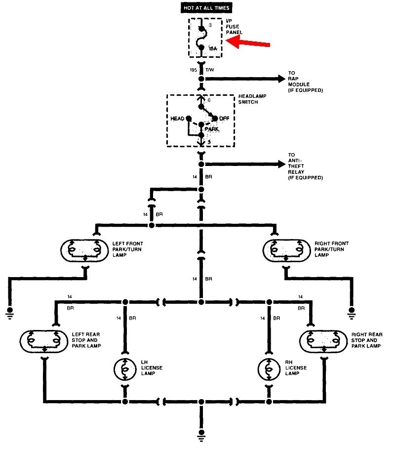
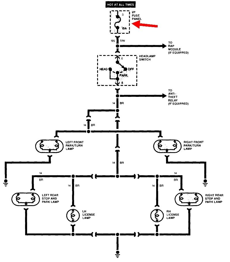
Most likely fuse # 3 is blown. It is shown with the arrows pointing to it. The fastest way to verify just one fuse is blown is to pull it out and inspect it. When you don't know which fuse to check, so you need to quickly check all of them, a test light works best and is faster than using a digital voltmeter. Here's a link to an article on how to do that:

https://www.2carpros.com/articles/how-to-check-a-car-fuse

Turn the head lights on when doing this test. Each of these fuses has two tiny test points on top. If you find 12 volts on both of them for one fuse, that fuse is okay. If you find 0 volts on both points, that circuit is not currently turned on. You're looking for any fuse that has 12 volts on one test point and 0 volts on the other one.
Was this
answer
helpful?
Yes
No
Wednesday, June 2nd, 2021 AT 1:34 PM (Merged)
Tiny
PRAPPL93
  • MEMBER
  • 3 POSTS
  • 1996 FORD RANGER
  • 6 CYL
  • 2WD
  • MANUAL
  • 212,000 MILES
My tail lights have stopped working a couple of months ago, and I have just recently tried replacing them with new bulbs, but that didn't fix it. Not only did the tail lights go out, but the license plate lights are also not working. Both turn signals, backing-up lights, and brake lights are receiving electricity and functioning properly, but the tail lights and license plate lights aren't working. I have also checked the front lights, and the parking lights, low and high-beams are working. What could be the problem, and how could I fix it?
Was this
answer
helpful?
Yes
No
-1
Wednesday, June 2nd, 2021 AT 1:34 PM (Merged)
Tiny
PROTECH1980
  • MEMBER
  • 901 POSTS
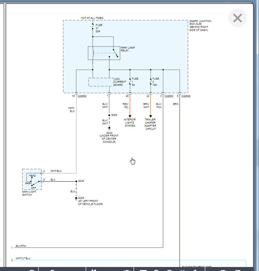
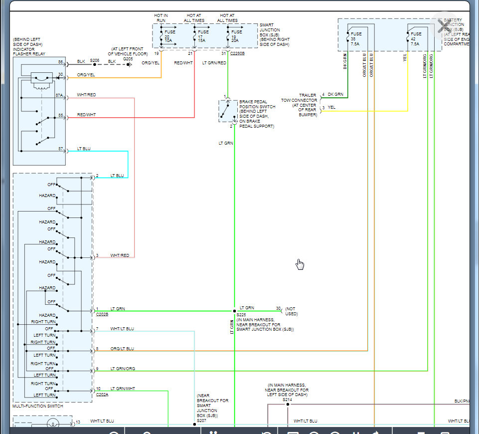
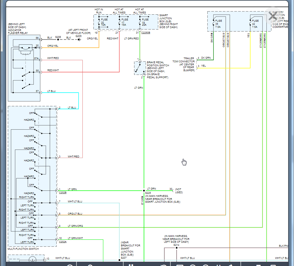
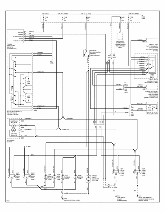
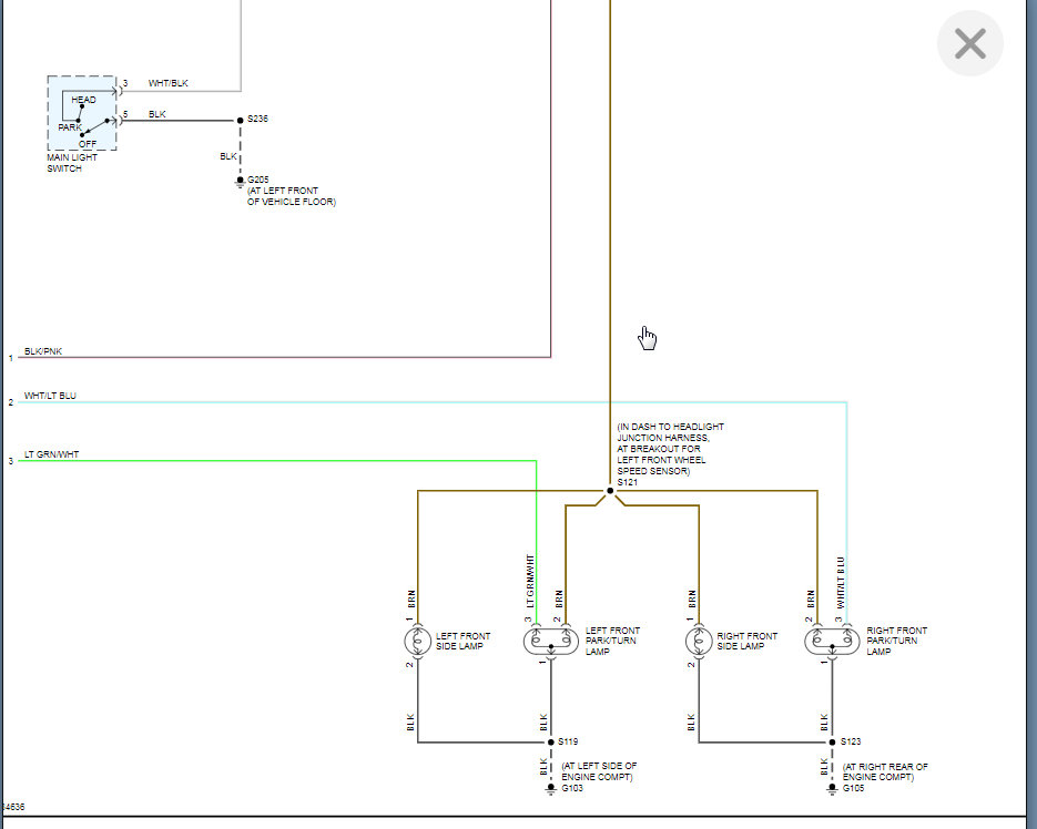
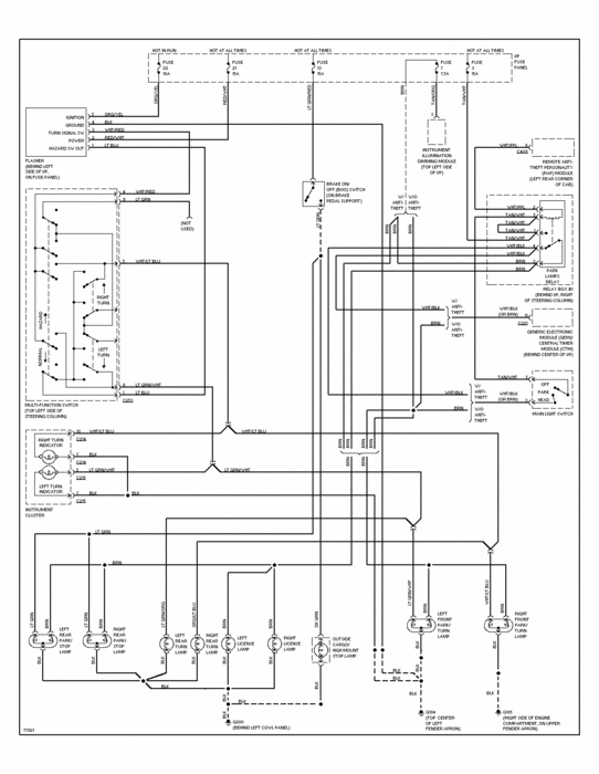
Do the dash illumination lights work? If so I suspect you have a broken wire somewhere underneath the truck, If you could I would get under the back and start checking for a break or rub thru in the harness, I can post a wiring diagram if you want to try and track it down.
Was this
answer
helpful?
Yes
No
+4
Wednesday, June 2nd, 2021 AT 1:34 PM (Merged)
Tiny
PRAPPL93
  • MEMBER
  • 3 POSTS
The dash illumination lights do work. I would greatly appreciate the wiring diagram so that I can check it out.
Was this
answer
helpful?
Yes
No
+2
Wednesday, June 2nd, 2021 AT 1:34 PM (Merged)
Tiny
PROTECH1980
  • MEMBER
  • 901 POSTS
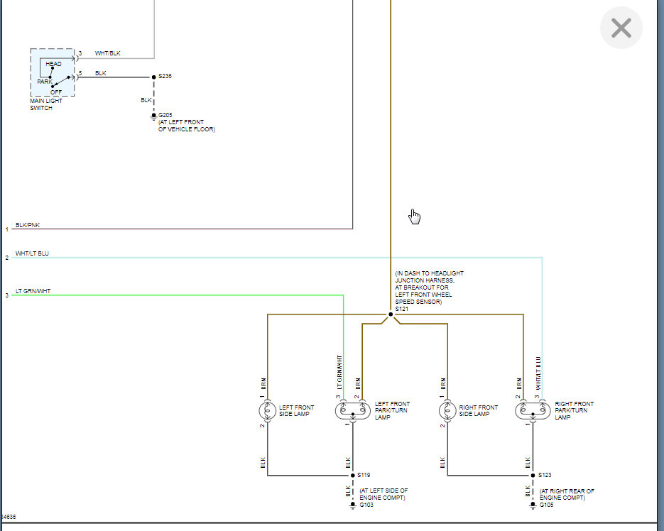
See diagram:
Was this
answer
helpful?
Yes
No
+2
Wednesday, June 2nd, 2021 AT 1:34 PM (Merged)
Tiny
PRAPPL93
  • MEMBER
  • 3 POSTS
It was the fuse thank you.
Was this
answer
helpful?
Yes
No
Wednesday, June 2nd, 2021 AT 1:34 PM (Merged)
Tiny
MURDOCK 1
  • MEMBER
  • 3 POSTS
  • 1995 FORD RANGER
  • 4 CYL
  • 100 MILES
Changed headlights last weekend, then the dashboard cluster and tail lights went out including the amber running lights. I've checked the fuses and bulbs.
Was this
answer
helpful?
Yes
No
Wednesday, June 2nd, 2021 AT 1:34 PM (Merged)
Tiny
KEN L
  • MASTER CERTIFIED MECHANIC
  • 55,481 POSTS
Hello,

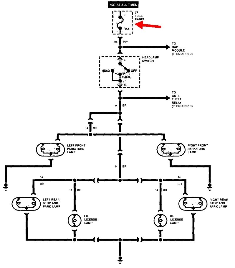
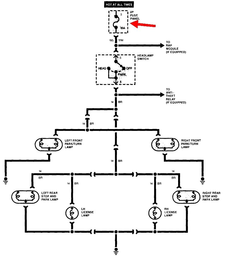
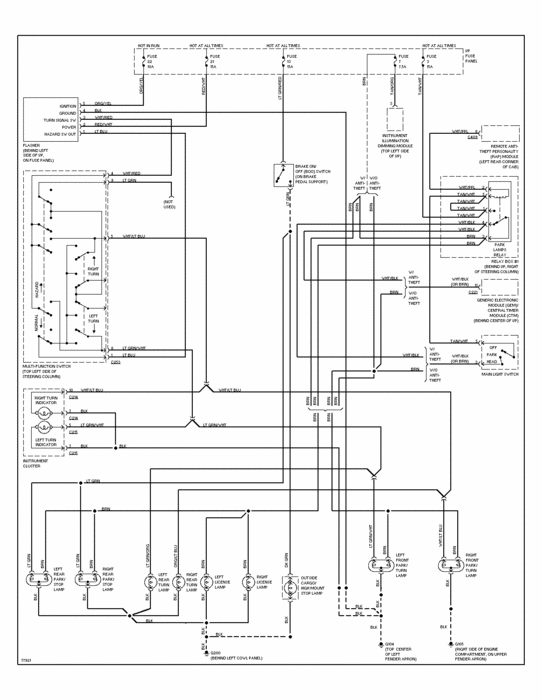
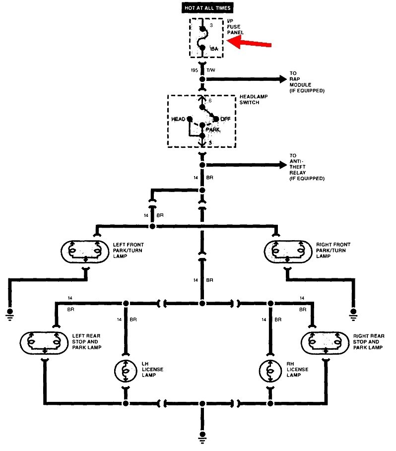
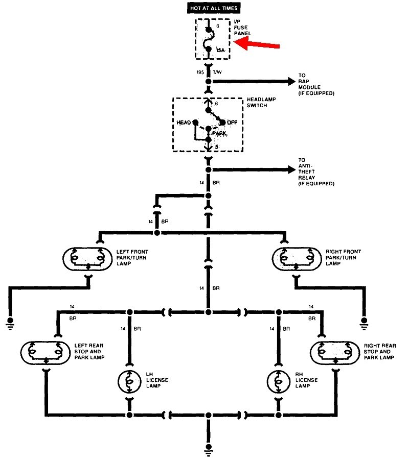
There is a parking lamp relay that is not working right. here is a guide to help confirm the issue by test and the location of the relay below in the fuse panels:

https://www.2carpros.com/articles/how-to-check-an-electrical-relay-and-wiring-control-circuit

Check out the diagrams (below). Please let us know what you find.
Was this
answer
helpful?
Yes
No
Wednesday, June 2nd, 2021 AT 1:34 PM (Merged)
Tiny
DANNY L
  • MECHANIC
  • 5,648 POSTS
Hell, I'm Danny
Glad to hear you found and fixed the problem. Thanks for using 2CarPros and we hope you will use our site again in the future when needed.
Was this
answer
helpful?
Yes
No
Wednesday, June 2nd, 2021 AT 1:34 PM (Merged)
Tiny
MURDOCK 1
  • MEMBER
  • 3 POSTS
One of the headlights was out so I changed my bulbs. Ended up finding a 20 amp fuse blown. Traced the wire to a spot the wire was shorting against the frame. Repaired the wire and replaced the fuse and this solved the issue.
Was this
answer
helpful?
Yes
No
-1
Wednesday, June 2nd, 2021 AT 1:34 PM (Merged)
Tiny
MURDOCK 1
  • MEMBER
  • 3 POSTS
Thanks for the help. The forum definitely led me on the right track.
Was this
answer
helpful?
Yes
No
-1
Wednesday, June 2nd, 2021 AT 1:34 PM (Merged)
Tiny
KEN L
  • MASTER CERTIFIED MECHANIC
  • 55,481 POSTS
Good to hear, please use 2CarPros anytime we are here to help.
Was this
answer
helpful?
Yes
No
Wednesday, June 2nd, 2021 AT 1:34 PM (Merged)
Tiny
NICK MCGESHICK
  • MEMBER
  • 2 POSTS
  • 1993 FORD RANGER
  • 2.3L
  • 4 CYL
  • 2WD
  • MANUAL
  • 150,000 MILES
Both of my tail lights are not working. Brake lights turn signals reverse lights all work, dash lights up high beams and low beams work. One filament is burned out. Fuses seem to be fine. I have not noticed any cuts in harnesses have been pushed in to make sure they are tight. Any ideas?
Was this
answer
helpful?
Yes
No
Wednesday, June 2nd, 2021 AT 1:34 PM (Merged)
Tiny
MHPAUTOS
  • MECHANIC
  • 31,937 POSTS
Check for power at the light globe socket pin with a test light and also test the earth, globes can look okay, but be blown so do not over look this as well.
Was this
answer
helpful?
Yes
No
+1
Wednesday, June 2nd, 2021 AT 1:34 PM (Merged)

Please login or register to post a reply.