Power windows

Tiny
PRABH
  • MEMBER
  • 2005 FORD EXPLORER
I have Ford Explorer Advance Trac. Power windows are not working, it does not go down or up, but the sunroof is working. Please tell me is it fuse or what. I checked the fuse #16 it seems okay. What could be the problem?
Friday, April 16th, 2010 AT 5:43 PM

1 Reply

Tiny
KASEKENNY
  • MECHANIC
  • 18,907 POSTS
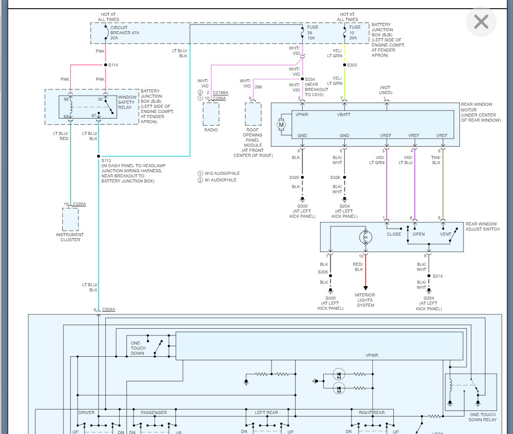
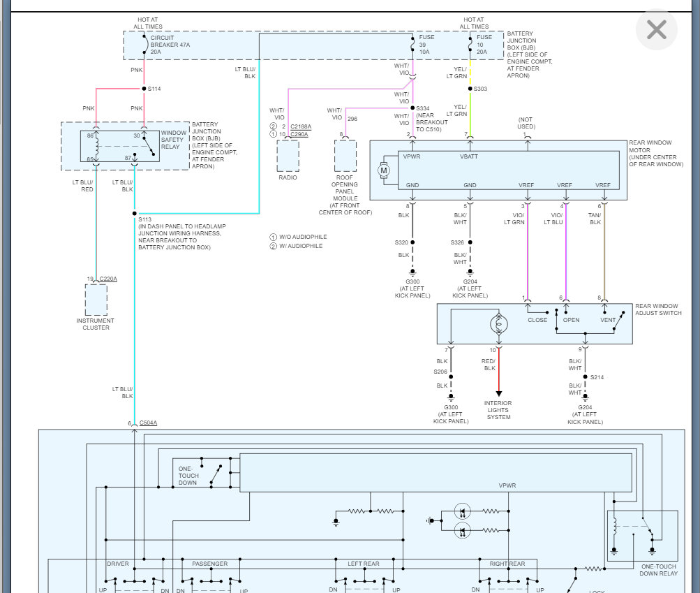
There are a couple things to check and that is fuse 10,39, and the circuit breaker 47A.

Please see the wiring diagram below that will show this detail.

However, if the fuses tests okay, then we are going to have to go to the master window switch and check to see if we have power coming out when you are pressing the window open or closed.

Here are a couple guides that will help with this:

https://youtu.be/HBFBcJrdym4

https://www.2carpros.com/articles/how-to-check-a-car-fuse

Please see the wiring diagram below but I suspect if the fuses are ok then we are going to have a master window switch issue. So, let's run through this and let me know what you find. Thanks
Was this
answer
helpful?
Yes
No
-1
Sunday, March 13th, 2022 AT 2:39 PM

Please login or register to post a reply.