Car turns over but won't start?

Tiny
GUZALU
  • MEMBER
  • 2001 FORD ESCAPE
  • 6 CYL
  • 4WD
  • AUTOMATIC
  • 65,000 MILES
After I got home from the store today, I later went to move my car and it acted like it wanted to start but couldn't, like no fuel was getting to the engine. I've never had a single problem before with my 2001 Ford escape, so I called the dealership to come and tow it there. My question, is it the fuel pump, and if so, how much does it usually cost to replace one with labor? I also need to add that at the store I brought home 800 lbs of mulch in the car. Did this contribute to the problem or not?
Wednesday, April 23rd, 2008 AT 5:29 PM

40 Replies

Tiny
BLACKOP555
  • MECHANIC
  • 10,386 POSTS
Hello,

It does sounds like the fuel pump when out can you hear it running in the tank with the key on?

Here is a guide to help you see what you are in for when changing the pump out.

https://www.2carpros.com/articles/how-to-replace-an-electric-fuel-pump

Here is how it will be for your car (below) you can find the pump on Amazon for about $140.00 so the rest will be labor.

Check out the diagrams (Below)

Please let us know if you need anything else to get the problem fixed.

Cheers
Was this
answer
helpful?
Yes
No
Wednesday, April 23rd, 2008 AT 7:59 PM
Tiny
BIGLEN40
  • MEMBER
  • 2 POSTS
  • 2001 FORD ESCAPE
  • 99,999 MILES
Was doing some service on veh. Removed mass air flow, replace air cleaner, sprayed mass air flow with proper cleaner, at that time, noticed throttle body dirty. Sprayed throttle body out, reassy parts. Veh will not start, All items are pluged in and tighten. Veh was running ok before this. Put tester on veh, getting code p0232 now, did not have it before. Please help. Thank you len
Was this
answer
helpful?
Yes
No
Wednesday, August 12th, 2020 AT 1:43 PM (Merged)
Tiny
JACOBANDNICKOLAS
  • MECHANIC
  • 110,192 POSTS
That code deals with the fuel system circuit. Can you hear the fuel pump prime when you first turn the key? Have you checked fuel pump pressure? I have no idea why that would come up based on what you did. Try switch the fuel pump relay with another one with the same part number. Also, let me know if both fuel and spark are missing to the engine. When you turn the key to the on position without cranking the engine over can you hear the fuel pump run in the tank for 5 seconds?

https://www.2carpros.com/articles/car-cranks-but-wont-start

Please run down this guide and report back.
Was this
answer
helpful?
Yes
No
Wednesday, August 12th, 2020 AT 1:43 PM (Merged)
Tiny
BIGLEN40
  • MEMBER
  • 2 POSTS
Veh will start with starting fluid, found the fuel rail sharder valve, no pressure when key is on. Checked fuses and switched relays, still no pressure.
Was this
answer
helpful?
Yes
No
+1
Wednesday, August 12th, 2020 AT 1:43 PM (Merged)
Tiny
JACOBANDNICKOLAS
  • MECHANIC
  • 110,192 POSTS
There is a list of things this code relates to. All of them point to no power to the fuel pump.

Here is what I need you to do. Remove the fuel pump relay from the relay box and disconnect the PCM wiring harness. Check for corrosion on PCM connection. If nothing is found, check the resistance between PCM harness and relay harness. If there is less than 5 ohms, special test equipment is needed to continue the circuit. There is an open circuit on the system. If there is more repair wiring or pins.

Here is a list of possible causes for this code:

Open circuit between fuel pump and fuel pump power circuit
Poor fuel pump ground
Fuel pump internal open
Fuel pump secondary circuit shorted.
Fuel pump relay contacts always closed
Open between PCM and fuel pump circuit

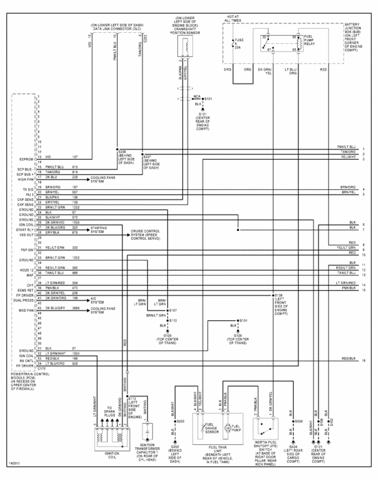
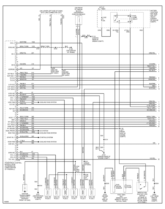
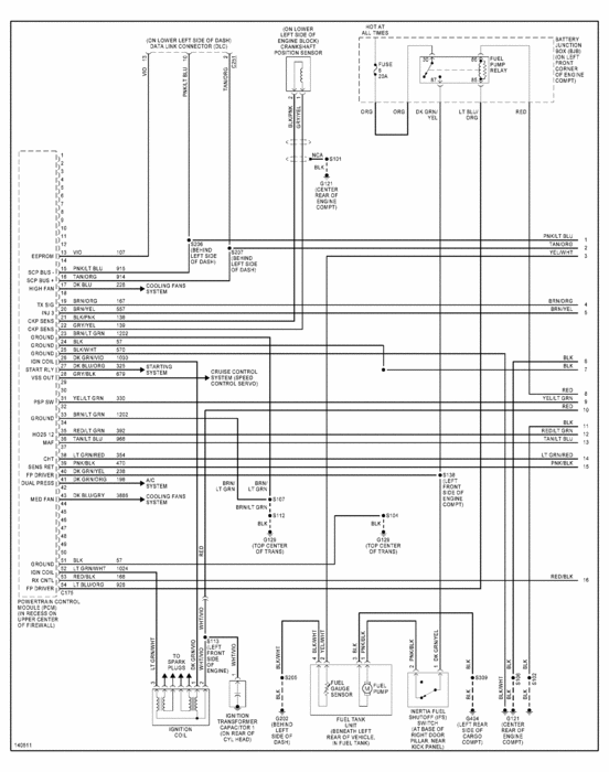
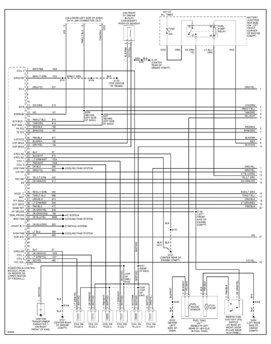
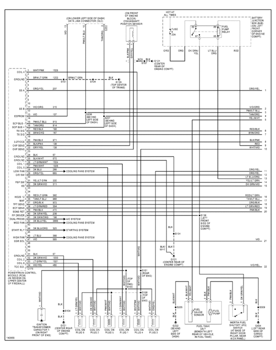
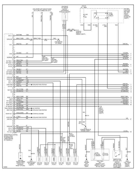
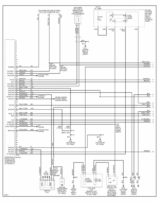
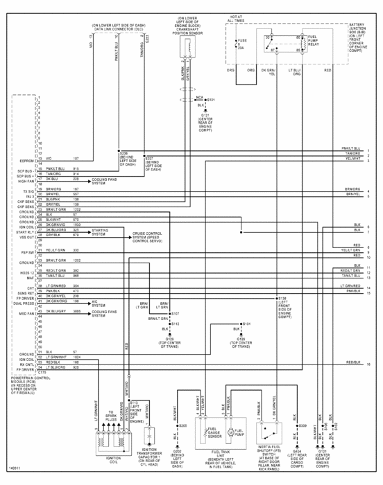
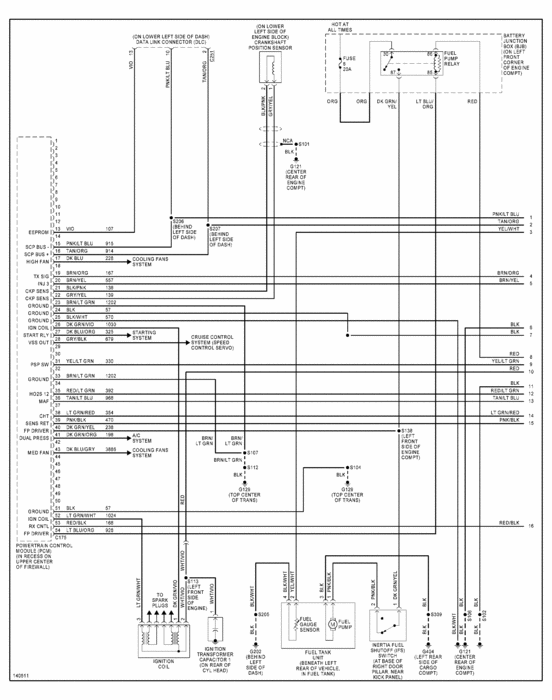
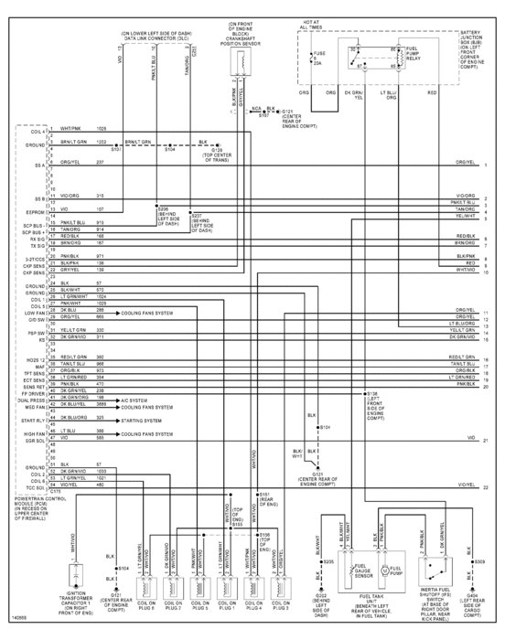
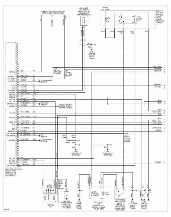
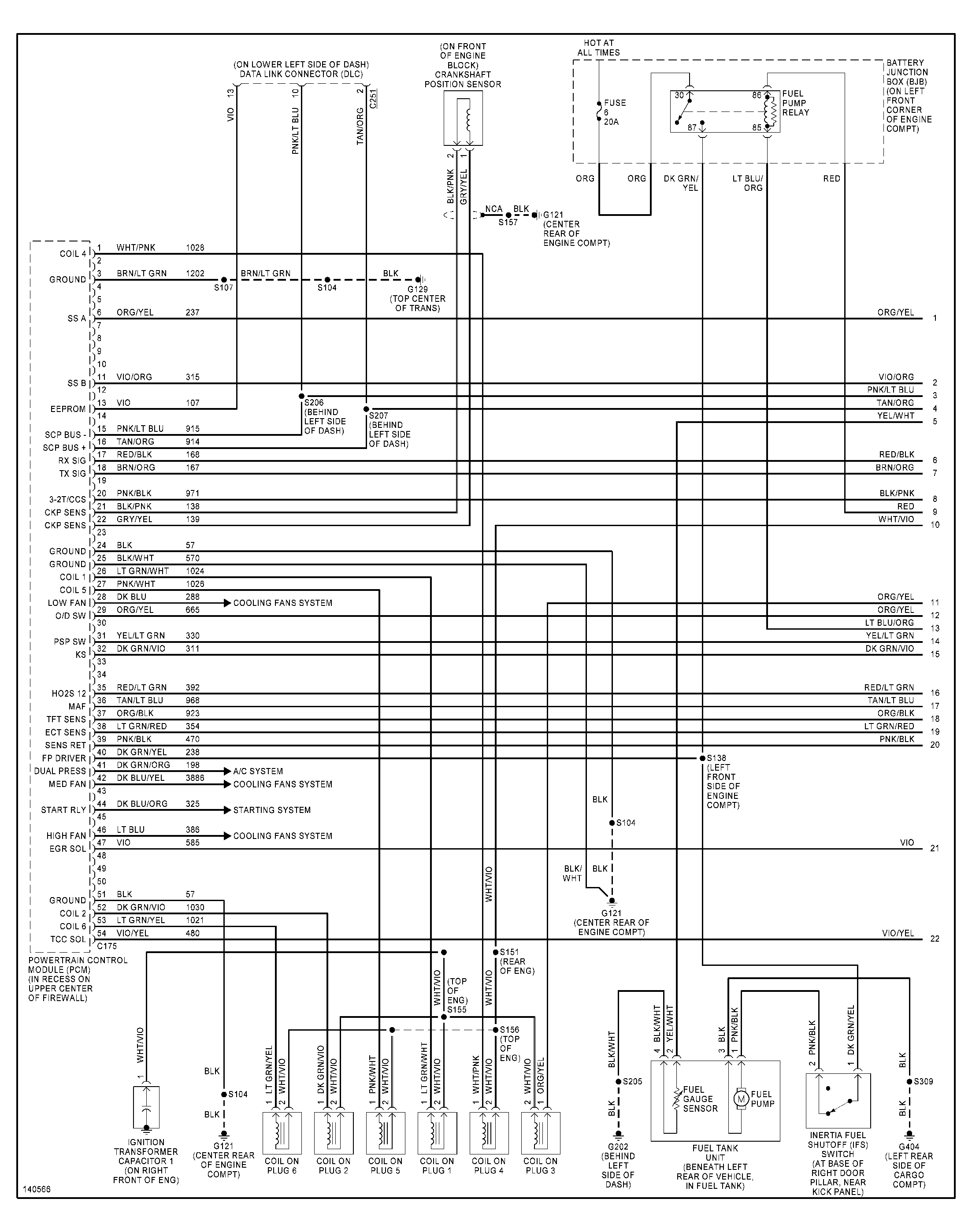
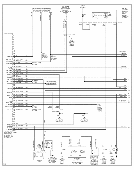
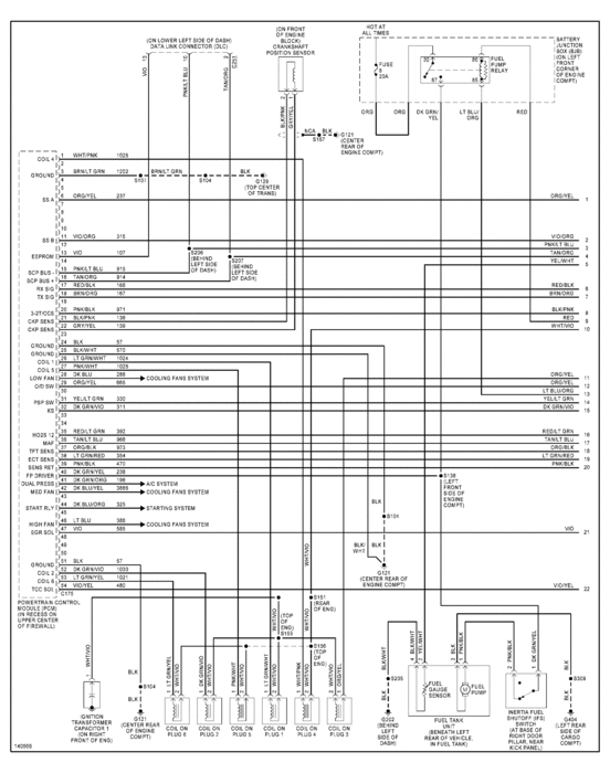
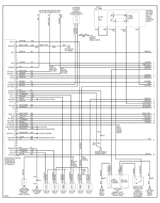
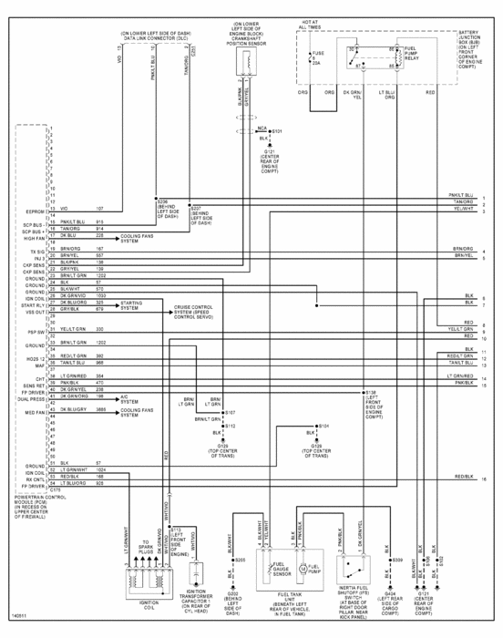
I attached wiring schematics for both the 2.0L and the 3.0L. NOTE: The first one is the 2.0

Let me know what you find. Sorry it took long to get back to you. I had to do a lot of reading on this one.
Was this
answer
helpful?
Yes
No
Wednesday, August 12th, 2020 AT 1:43 PM (Merged)
Tiny
JIMROONEY
  • MEMBER
  • 2 POSTS
  • 2001 FORD ESCAPE
  • 6 CYL
  • FWD
  • AUTOMATIC
  • 38,000 MILES
Hi. This Escape won't start. I put my scanner on it and received the following error codes:

FORD. ENGINE. FUELSYS Fuel System Status

(Open/Closed Loop) Open Loop

And also:

P0232 - Fuel Pump Secondary Circuit High

I checked the fuse and it is OK. I don't know how to check the relay. I also don't know where the fuel pump is (Under the front passenger seat?) To check it. What do you think?

Thanks,

Jim Rooney
Was this
answer
helpful?
Yes
No
Wednesday, August 12th, 2020 AT 1:43 PM (Merged)
Tiny
RASMATAZ
  • MECHANIC
  • 75,992 POSTS
Check the fuel pressure with a fuel pressure gauge designed for your fuel system and comeback with the readings this is where we start-

Or do below and tell me what happened-let me know asap

Get a starting fluid or ether and spray into the carb or the throttle body on an EFI. Did it start and die? If not disconnect a sparkplug wire or 2 and ground it to the engine -have helper crank engine over-do you have a snapping blue spark? If so-you have a fuel related problem, check the fuel pressure to rule out the fuel filter/fuel pump/pressure regulator and listen to the injector/s are they pulsing or hook up a noid light. No snapping blue spark continue to troubleshoot the ignition system-power input to the coil/coil packs, distributor pick-up coil, ignition control module, cam and crank sensors- Note: If it doesn't apply disregard it

P0232 Engine Fuel Pump ckt

The fuel pump secondary control circuit deals with the fuel pump driver module (another word for computer) which is use to regulate the fuel pump pressure. By using a fuel sensor located in the fuel rail, the engine computer can regulate the fuel pump pressure by monitoring the fuel pump duty cycle. Using this duty cycle range, the computer can determine when to shut off or increase the fuel pressure for optimum engine performance. Therefore, if the duty cycle is below or higher than the targetted range, it will set a code like the above or a code related to the fuel pump secondary control circuit which could have an errant reading. When this happens, the fuel pump driver module will set at a default usually set at 100 % duty cycle. For basic test, check connections of the wirings/grounds related to this circuit by using ATS wiring diagram.

Notes about your fuel injector circuits compared to your fuel pump:

When injectors operate, it pulse or open/close quickly and are monitored in terms of milliseconds beside having a changeable duty cycle. The flow rates for injectors are calculated when they are in a stationary condition which means the injectors are held open all the time. (This is condition is called as a 100% duty cycle). When checking high performance engines, most injectors works best when they are flowing at a 70% to 90% duty cycle. This means that they run 70% to 90% of the static flow rating as specified. In essence, using an injector with this parameter can help decrease heat generated within the motor windings of the injector which lead to premature failure.

NOTE: duty cycle means how much fuel is delivered and also by how long the injector is energized by the computer driver circuit inside the engine computer.

Finally, injectors can also be categorized by their resistance to the electromagnetic force which opens the coil inside the injector body. Such resistance (in ohms) is also called impedance. If you have high impedance injectors, it rates at 12 to 16 ohms while low impedance injectors rates at 2 to 5 ohms. If your injector resistance is not vwithin this range, the injector is defective.
Was this
answer
helpful?
Yes
No
-2
Wednesday, August 12th, 2020 AT 1:43 PM (Merged)
Tiny
JIMROONEY
  • MEMBER
  • 2 POSTS
Hi. The information in your response gives a lot of information but none that I can really use. I don't have a helper.

I asked for the location of the fuel pump and you didn't tell me that.

I also asked about the open/closed loop and you didn't address that either. Please address my questions.
Was this
answer
helpful?
Yes
No
Wednesday, August 12th, 2020 AT 1:43 PM (Merged)
Tiny
RASMATAZ
  • MECHANIC
  • 75,992 POSTS
I asked for the location of the fuel pump and you didn't tell me that.

1. The fuel pump is in the fuel tank

I also asked about the open/closed loop and you didn't address that eit

2. The coolant temperature and the oxygen sensors controls the closed and open loop-when the engine is cold the CTS controls fuel demand till it reaches a given temperature and switches to closed loop at which time O2 sensor controls the fuel demand. Have these sensors checked out

Possible causes include a bad O2 sensor, excessive fuel pressure (bad fuel pressure regulator or plugged return line), leaky fuel injectors, dirty air filter or restricted air inlet, or a defective coolant sensor that prevents the engine management system from going into closed loop mode
Was this
answer
helpful?
Yes
No
-1
Wednesday, August 12th, 2020 AT 1:43 PM (Merged)
Tiny
LA1528
  • MEMBER
  • 3 POSTS
  • 2001 FORD ESCAPE
  • 4 CYL
  • 2WD
  • MANUAL
  • 184,000 MILES
Just today my car was running fine then an hour later I was going to leave and the car would not start it cranks but it sounds slower then usual. The battery is good there is spark and fuel but it sounds like it cranks fast then it slows down right away. I checked the plugs coil and wires and I see sparks and the plugs are still clean.
Was this
answer
helpful?
Yes
No
Wednesday, August 12th, 2020 AT 1:44 PM (Merged)
Tiny
RASMATAZ
  • MECHANIC
  • 75,992 POSTS
Hi la1528 and TY for the donation

Double check the battery and connection if okay. Check the starter could be the overrunning clutch slipping if not check the fuel pressure to make sure its within specs and for injection pulses.

There is spark and fuel: what's left here now is verify that the valve and ignition timing is correct. You can have fuel and spark if the valve and ignition timing is off she won't start, wrong firing sequence.
Was this
answer
helpful?
Yes
No
Wednesday, August 12th, 2020 AT 1:44 PM (Merged)
Tiny
LA1528
  • MEMBER
  • 3 POSTS
What is (starter could be the overrunning clutch slipping) and how could timing be off? Bad tps?
Was this
answer
helpful?
Yes
No
Wednesday, August 12th, 2020 AT 1:45 PM (Merged)
Tiny
RASMATAZ
  • MECHANIC
  • 75,992 POSTS
How could timing be off? Bad tps? This has nothing to do with your problem -The problem is cranking

If you're so sure that the battery and connectiions are good -Drop the starter and get it load tested.
Was this
answer
helpful?
Yes
No
Wednesday, August 12th, 2020 AT 1:45 PM (Merged)
Tiny
LA1528
  • MEMBER
  • 3 POSTS
The starter checked out good the cams ain't spinning and the next day I cranked they spun then today I checked and they ain't spinnin. Possibly timing belt?
Was this
answer
helpful?
Yes
No
Wednesday, August 12th, 2020 AT 1:45 PM (Merged)
Tiny
RASMATAZ
  • MECHANIC
  • 75,992 POSTS
Camshaft/s not turning sound like the timing belt is stripped doing that
Was this
answer
helpful?
Yes
No
Wednesday, August 12th, 2020 AT 1:45 PM (Merged)
Tiny
MICKYLONG
  • MEMBER
  • 2 POSTS
  • 2001 FORD ESCAPE
Engine Mechanical problem
2001 Ford Escape Two Wheel Drive Automatic 52000 miles

Did something dumb and washed my wife's Escape and cleaned the engine bay. When I first tried to start it after the cleaning I heard a loud "pop" and from that point on the engine would not start. It sounds like it's trying but won't catch. I checked the fuel pump reset button and it seemed OK. I've also used my air compressor to blow any visible water out of the way. I pulled the PCM connector off and it didn't seem wet inside.

I have WD40 but before I start spraying that I thought I'd check someone to see if it's likely something else. I also pulled one of the spark plug coils off and it didn't look wet.

At a loss to even know what to try next.
Was this
answer
helpful?
Yes
No
Wednesday, August 12th, 2020 AT 1:45 PM (Merged)
Tiny
MHPAUTOS
  • MECHANIC
  • 31,937 POSTS
Hi there,

Thank you for the donation,

modern electronics and water just do not mix, I feel that you will have to get a diagnostic scan done to see what has not reacted well with getting wet, do you have spark? Can you feel the injectors clicking? Do you have fuel pressure? All these will have to be checked first, a scan will be your best first option.

Mark (mhpautos)
Was this
answer
helpful?
Yes
No
Wednesday, August 12th, 2020 AT 1:45 PM (Merged)
Tiny
MICKYLONG
  • MEMBER
  • 2 POSTS
OK, so after drying out a few more hours I finally got the Escape started. But discovered a different (not sure if related) issue. Idle seems fine until 4,000 RPM when there is a SEVERE miss or stutter. Can this be an electrical issue brought on by getting wet?
Was this
answer
helpful?
Yes
No
Wednesday, August 12th, 2020 AT 1:45 PM (Merged)
Tiny
MHPAUTOS
  • MECHANIC
  • 31,937 POSTS
Yes, I woulds remove spark plugs and clean as they may be fuel fouled and remove all leads and dry ends, try this.

Mark (MHPAUTOS)
Was this
answer
helpful?
Yes
No
Wednesday, August 12th, 2020 AT 1:45 PM (Merged)
Tiny
JOSHUAFENDER755
  • MEMBER
  • 34 POSTS
  • 2001 FORD ESCAPE
  • 6 CYL
  • 4WD
  • AUTOMATIC
  • 150,000 MILES
I have a problem starting the vehicle. Turning the key to start causes the vehicle to attempt to start only to fail. If I turn the key to on and wait a few seconds and do this again the vehicle will start with no problem. If for some reason it does start on the first try it sputters and then comes to life. After it is started it runs perfect. I have replaced the starter and done a complete tuneup with no success. Please help, how do I fix it without putting it into the shop
Was this
answer
helpful?
Yes
No
-1
Wednesday, August 12th, 2020 AT 1:46 PM (Merged)

Please login or register to post a reply.