Error shows on odometer, no start

Tiny
ALEJANDRISSIMO MORGADO
  • MEMBER
  • 2007 PONTIAC G6
  • 3.9L
  • 6 CYL
  • 2WD
  • AUTOMATIC
  • 125,000 MILES
I bought it like that. Error shows on odometer, no start. I checked every wire from pcm and TCM under the hood to the connector that goes to the ABS computer and the inside of the car (show in picture, is the one hanged over the wipers washer fluid), everything looks good on on that side, but now I don't know where these wires are going on the inside. What do you suggest me to check? I know maybe the PCM or BCM are bad but I want to be sure the wiring is good before order any of these parts.
Friday, April 9th, 2021 AT 8:57 PM

20 Replies

Tiny
KASEKENNY
  • MECHANIC
  • 18,907 POSTS
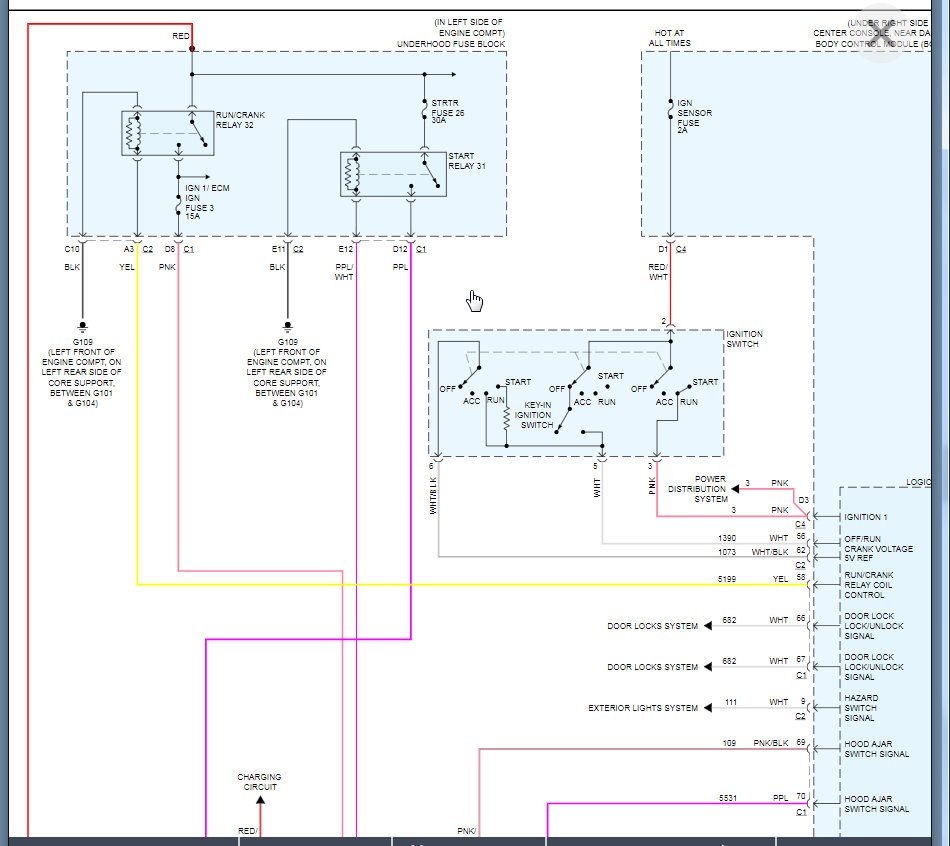
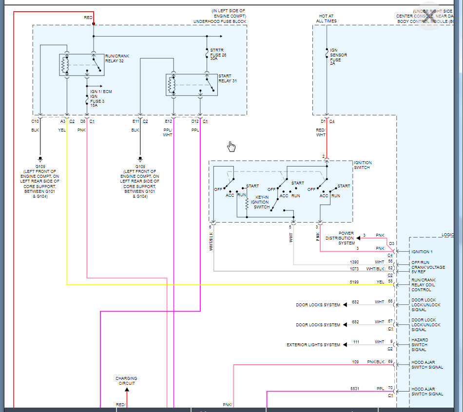
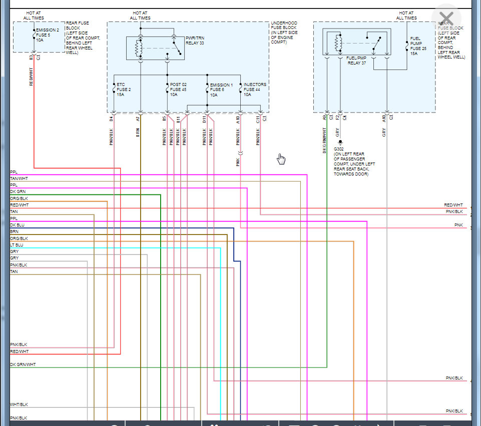
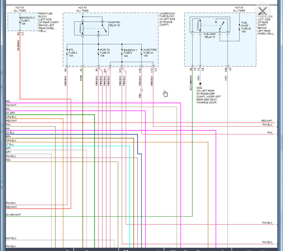
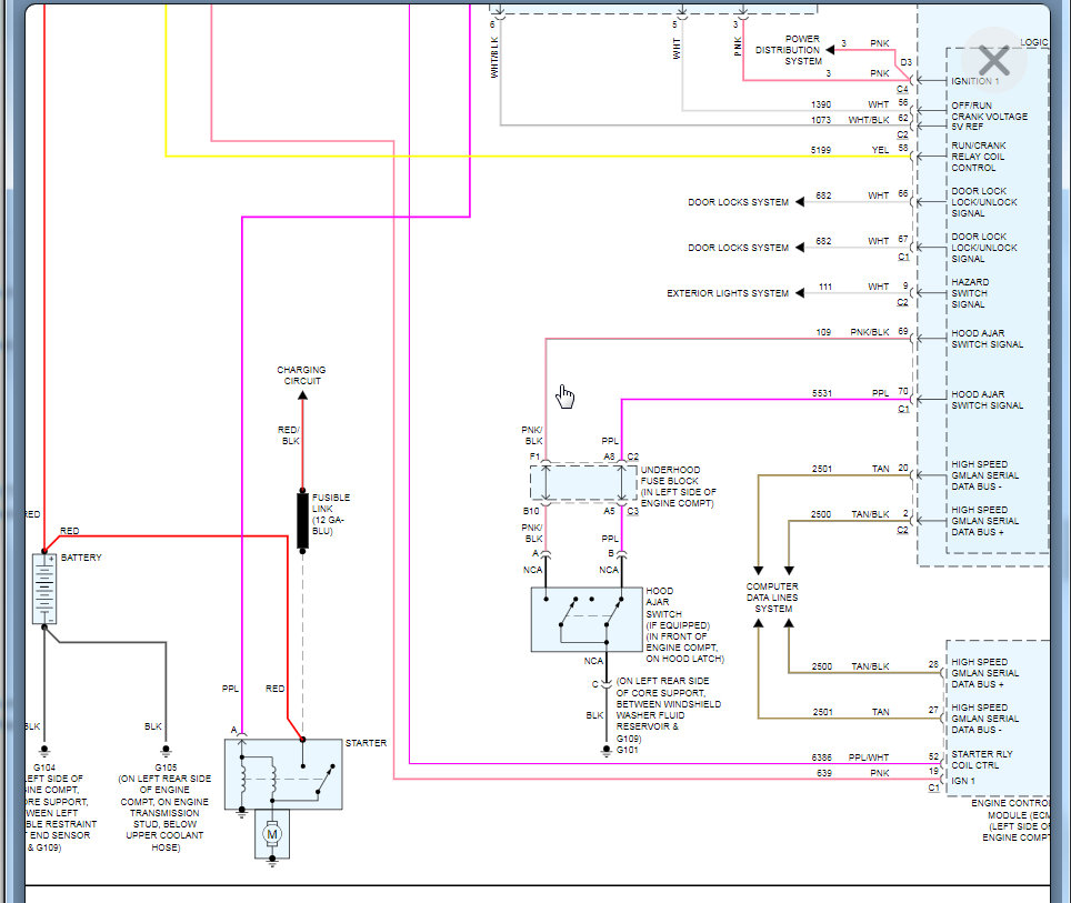
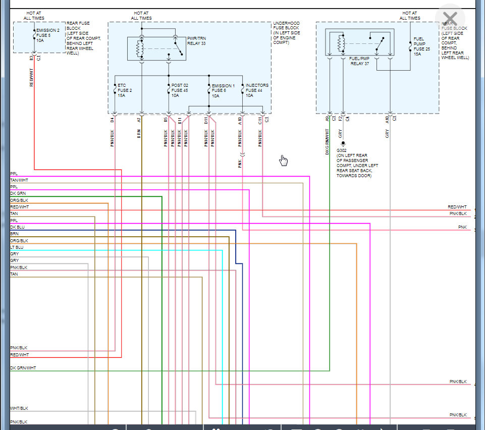
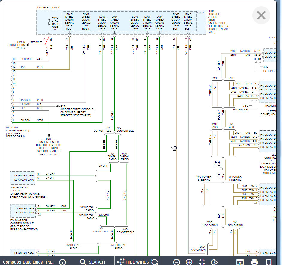
I provided the complete wiring diagram below but I would suggest a different plan of attack. Inspecting the wiring that you can see is not a bad idea but there is a ton of wiring that you will not have access to so I would just test the wiring from end to end. Meaning unhook the connector on a component like the Ignition Control Module and then the connector on the PCM and test for resistance and shorts to power and ground. Here is a guide that will help with this testing:

https://www.2carpros.com/articles/how-to-check-wiring

Doing it this way you are ensuring there are no issues with the wiring and it is finished in a matter of minutes. Plus it is more definitive because you may inspect all the wiring but not see the pin hole rub through that is there. However, if it is touching a piece of metal it will show when you check for ground.

Then we need to check for codes. I suspect you will not be able to communicate with the PCM which means it is either failed or the BCM is failed as you suggested.

https://www.2carpros.com/articles/checking-a-service-engine-soon-or-check-engine-light-on-or-flashing

So if you cannot communicate with any module then I would shift to the BCM and test the wiring from the DLC to the BCM. This is the last wiring diagram that I attached. Again, test for shorts and open circuits. Then make sure the BCM has power and ground itself just to make sure there is not a fuse issue, and it is has all this then I would replace the BCM.

Let me know if you have questions on any of this and we can walk through it. Thanks
Was this
answer
helpful?
Yes
No
Saturday, April 10th, 2021 AT 9:41 AM
Tiny
ALEJANDRISSIMO MORGADO
  • MEMBER
  • 17 POSTS
Thank you Kasekenny. I will be checking the entire path for every wire. Also, I went to an automotive electronics repair shop with my PCM and BCM, seems the PCM was faulty but can be repaired. I will test if that fixes the problem when I get it back in a few hours.

Let you know if I got lucky.
Was this
answer
helpful?
Yes
No
Saturday, April 10th, 2021 AT 10:36 AM
Tiny
ALEJANDRISSIMO MORGADO
  • MEMBER
  • 17 POSTS
Hey guys. An update:

After repair damaged wiring and repair the PCM, there is no error anymore and I have communication with the computer with my cheap obd2 reader, communication is rock solid and I can see the live data from the car. Now the remaining problem is that there is no crank when I try to turn the car on.

What should I check about this?

BTW, there is only one code pending, P0452.
Was this
answer
helpful?
Yes
No
Sunday, April 11th, 2021 AT 1:32 PM
Tiny
ALEJANDRISSIMO MORGADO
  • MEMBER
  • 17 POSTS
I checked the starter relays and everything. By itself car refuses to crank the starter, but if I put the key on and jump the starter relay it does crank but no start. Do you think this can be related to a fuel system problem? Maybe bad fuel pump?

Edit: I hear a sound from the fuel tank when I put the key on the ON position. Still no start.

Thanks
Was this
answer
helpful?
Yes
No
Sunday, April 11th, 2021 AT 3:00 PM
Tiny
KASEKENNY
  • MECHANIC
  • 18,907 POSTS
That is great progress. Let's start with this video that covers this issue in more general terms:

https://youtu.be/dCjmRL3p4Cs

I would suggest checking the fuel pressure when the engine is cranking.

https://www.2carpros.com/articles/how-to-check-fuel-system-pressure-and-regulator

However, did they say what was wrong with the ECM? The only reason is it sounds like it is not allowing the starter to engage and when you jump the relay, you are taking place of the ECM but the ECM still will not energize the injectors or coils.

Let's check the info above and then check voltage at the starter on both wires when cranking the engine and go from there. Thanks
Was this
answer
helpful?
Yes
No
Sunday, April 11th, 2021 AT 8:12 PM
Tiny
ALEJANDRISSIMO MORGADO
  • MEMBER
  • 17 POSTS
They said there was a problem in a voltage regulator, common problem on these GM computers after a bad jumping or short circuits. Also I feel the starter relay clicking but there is no crank so maybe the relay (or relays because I swap it with others on the same box) are damaged. I will check each and everyone of them just to be sure.
Was this
answer
helpful?
Yes
No
Sunday, April 11th, 2021 AT 9:14 PM
Tiny
ALEJANDRISSIMO MORGADO
  • MEMBER
  • 17 POSTS
Update: I did a relearn (10 minutes key On, 3 times) and I got a few different codes. P0700, P2764, also I did a fuel pressure test and I only got 10 PSI.

What do you think guys, can this be related to the wiring? In that case how do you suggest me to check it? Or what should be the next step?
Was this
answer
helpful?
Yes
No
Monday, April 12th, 2021 AT 5:54 PM
Tiny
KASEKENNY
  • MECHANIC
  • 18,907 POSTS
Let's take a step back because I think we have a couple issues going on here.

Does the vehicle crank at this point or are you still jumping the relay? When you tested that fuel pressure was that just with the key in the on position?

If the engine does not crank then we don't need to worry about fuel pressure or those transmission codes yet. I attached the detail on them below just so you have it but again, we need to start with a no crank issue if this vehicle is doing this.

When they say it was a voltage regulator, what was that going to address?
Was this
answer
helpful?
Yes
No
Tuesday, April 13th, 2021 AT 7:35 PM
Tiny
ALEJANDRISSIMO MORGADO
  • MEMBER
  • 17 POSTS
Yes. You are right. I was noticing today the the relays are in good condition, so there is a no crank.

Basically they said just that. The TCM was dead, then after they did that fix the computer is back to life and at least there is communication. What do you suggest me to do in order to check the crank issue?

Thanks
Was this
answer
helpful?
Yes
No
Tuesday, April 13th, 2021 AT 8:22 PM
Tiny
ALEJANDRISSIMO MORGADO
  • MEMBER
  • 17 POSTS
Hello,

Can you guys tell me what conditions needs to accomplish in order the bcm execute the ignition command?

If I understand the ignition relay is totally controller by the BCM.

Thanks.
Was this
answer
helpful?
Yes
No
Wednesday, April 14th, 2021 AT 5:48 PM
Tiny
KASEKENNY
  • MECHANIC
  • 18,907 POSTS
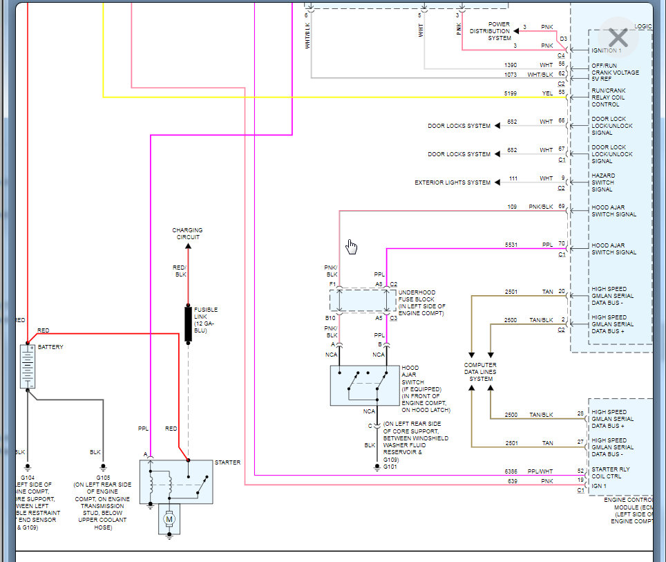
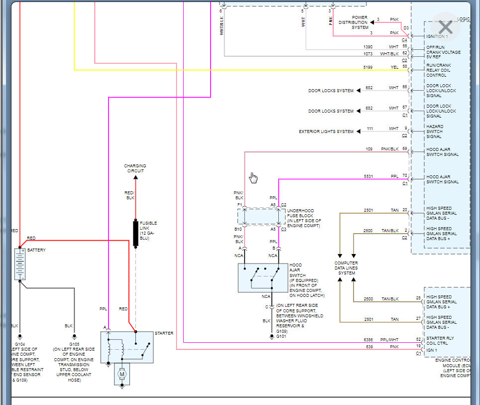
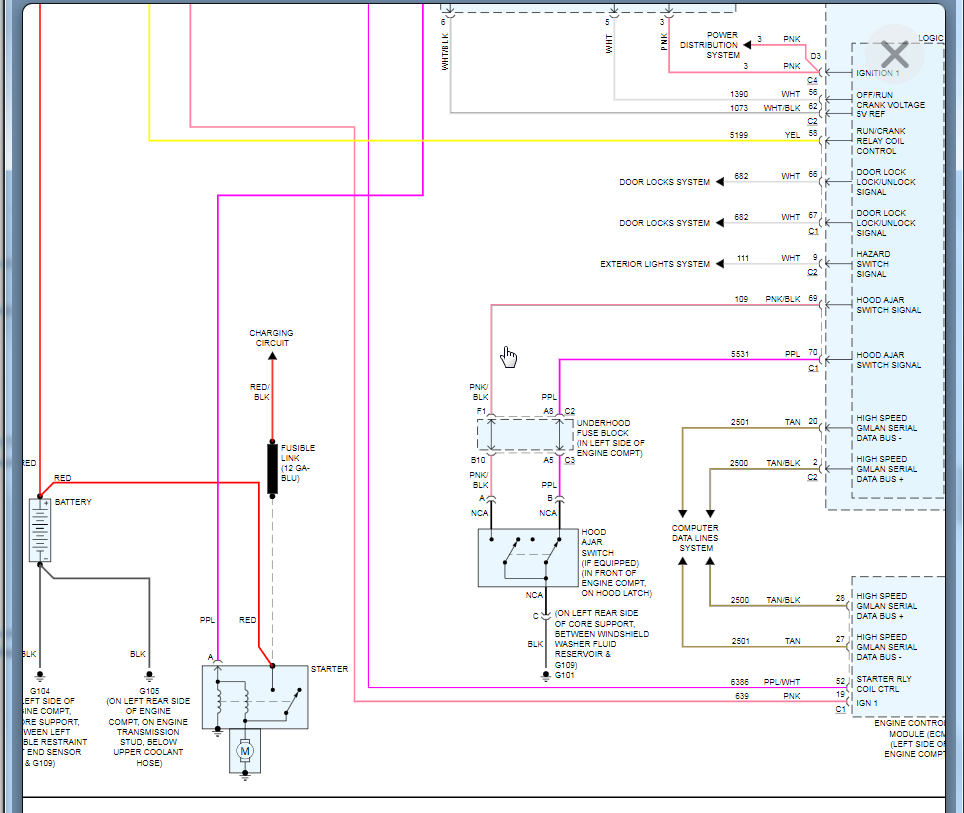
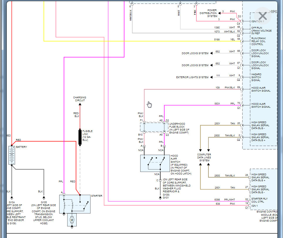
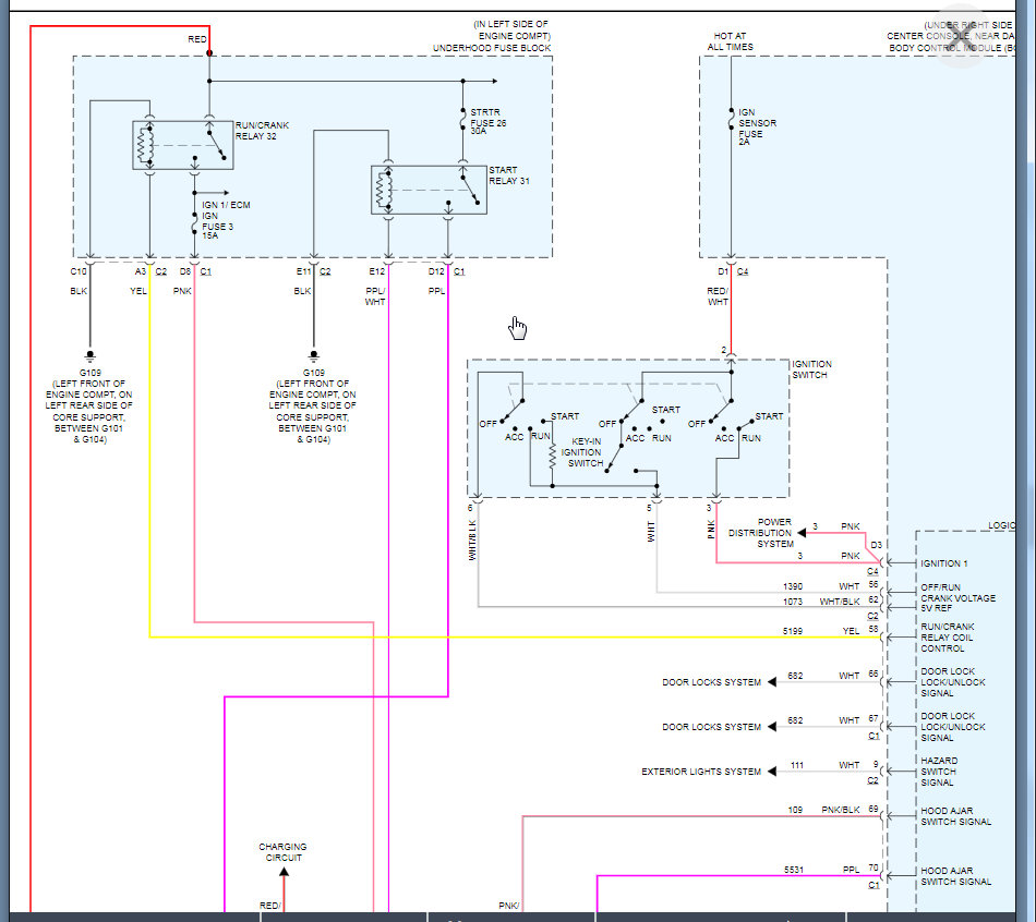
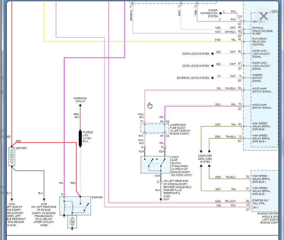
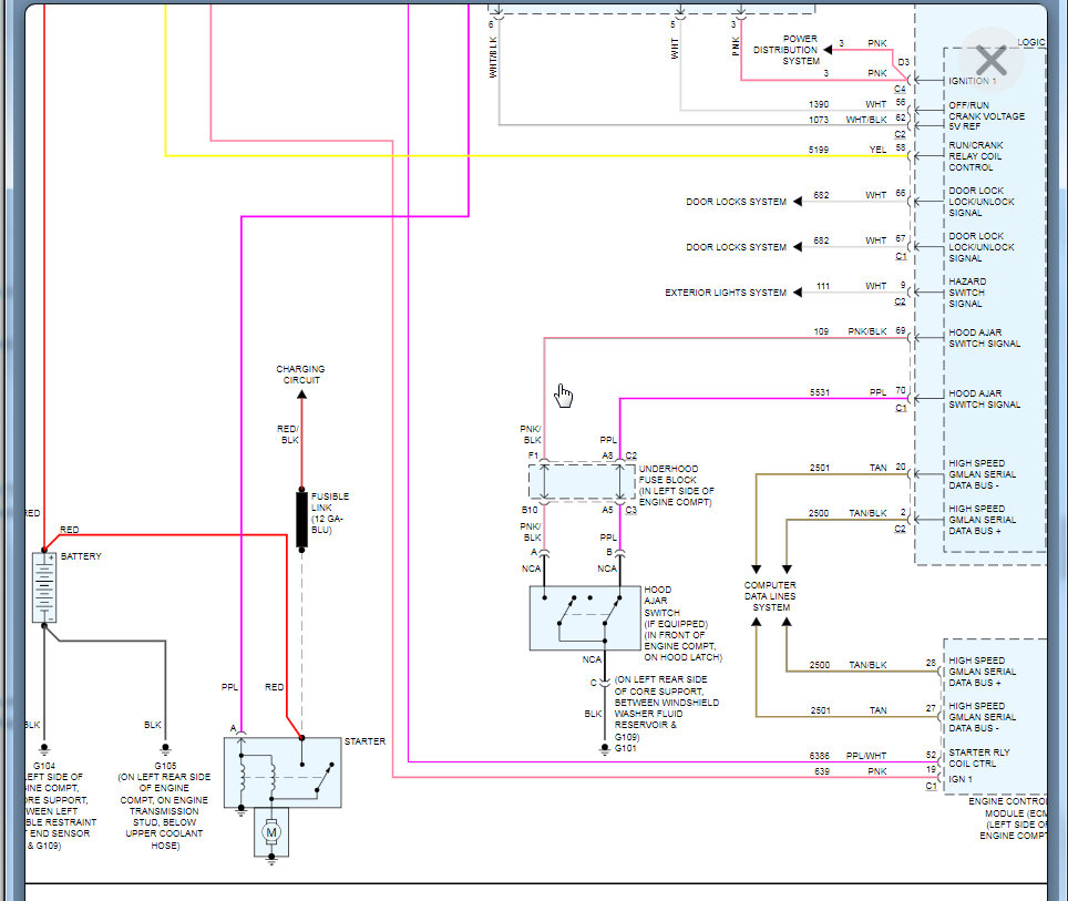
Okay. If there is a no crank then we need to check voltage on both wires at the starter.

The purple wire is the control wire and needs to have 12 volts when you are cranking the engine.

https://www.2carpros.com/articles/how-to-check-wiring

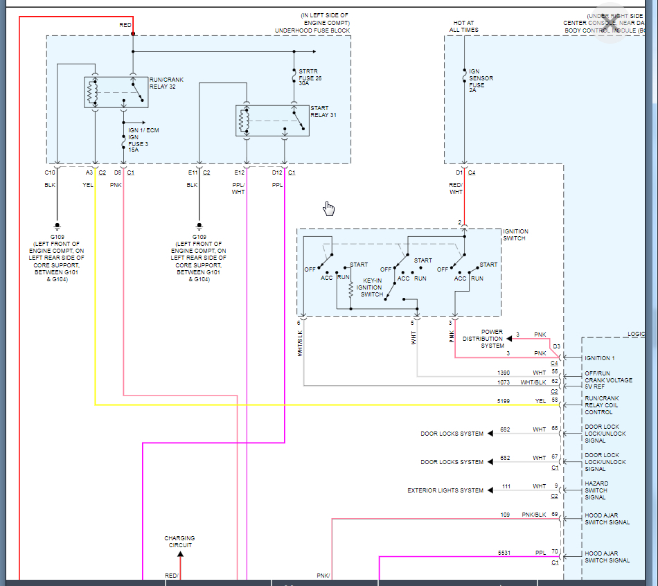
If you don't have voltage on this wire then we need to check the start relay 31. If that is ok then we need to check for power coming from the PCM on the purple and white wire.

Basically the way this works is the key sends a signal to the BCM. The BCM sends the signal to the PCM to send power to the relays. When the relay closes it sends power to the starter.

Please run through this wiring diagram and let us know what you find.
Was this
answer
helpful?
Yes
No
Thursday, April 15th, 2021 AT 7:01 PM
Tiny
ALEJANDRISSIMO MORGADO
  • MEMBER
  • 17 POSTS
Hi, weekend finally, more time to work on my learning project.

Today, I will be checking all the points you mentioned above, but it just comes to my mind if for some reason the park neutral switch can be related to the problem.

When the car is put in park, the locks pop by themselves, can this be taken as a working park neutral switch? Or do I need to run any other test?
Was this
answer
helpful?
Yes
No
Friday, April 16th, 2021 AT 3:06 PM
Tiny
KASEKENNY
  • MECHANIC
  • 18,907 POSTS
More then likely you are correct. The Body controller gets the signal and cycles the locks so I would just verify the voltage at the starter when cranking and then we can go back through the system.

Let us know what you find and we can go from there.
Was this
answer
helpful?
Yes
No
Friday, April 16th, 2021 AT 3:23 PM
Tiny
ALEJANDRISSIMO MORGADO
  • MEMBER
  • 17 POSTS
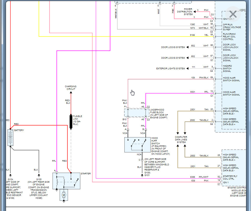
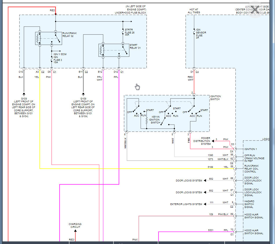
Okay. I checked relay 31 and 32. They seem to click when I turn the key to on position.

The relay 31 does have power all the time with the key on.

I checked the voltage an these are the result for relay 31.

Pin 86 ppl/WHT. = 12v with key On, 12v during crank
Pin 85 = ground (seems to have some resistance on the connector with the relay, about 30 Ohms)
Pin 87 purple wire to starter.
Pin 30 12v from battery at all times.

It doesn't make sense it has 12v on the ppl/wht at all times with key On. Also. What can be the reason for when I jump 30 and 87 the starter cranks. But if the relay coil is energized at all times with key On it should crank the motor because is closing the circuit but it is not.

Can this be related to the relay socket and that resistance I mentioned above? Can the fuse sockets be disassembled to check if there is some corrosion or other problems?
Was this
answer
helpful?
Yes
No
Friday, April 16th, 2021 AT 6:55 PM
Tiny
ALEJANDRISSIMO MORGADO
  • MEMBER
  • 17 POSTS
Okay. I figured out. Yes, that weak ground is at least one of the problems.

I opened the relay to see if it was working mechanically. And surprise it wasn't. But because the coil was not getting ground.

According to the diagram. This ground for relay 31 is coming from G109. Just to be sure where is exactly located the G109?

Anyway. With the multimeter probe and a paper clip I can touch the ground pin on the relay 31 socket. But the relay seems to be not long enough to reach it. Because with the relay disassembled, there is no ground on the other side of the relay leg.

As a testing. I jumped the relay 31 coil pin directly to battery ground with a spare wire and the car was to crank (but at this point of testing the battery is lower than 10v so I will recharge it.

I think the problem is on the socket, can this fuse socket be disassembled? If yes how? Because I tried and it seems the center bolts are holding the two pieces together.

Thanks
Was this
answer
helpful?
Yes
No
Friday, April 16th, 2021 AT 7:15 PM
Tiny
ALEJANDRISSIMO MORGADO
  • MEMBER
  • 17 POSTS
Update: It seems the fuse box is not made to be taken apart, so I inspected the ground pin socket on relay 31 and it seems to be moved to the right, to compensate for that I bent a little bit the leg of the relay to the right as well and now I have a pretty solid connection to ground.

Now it's a bit late over here, but tomorrow morning I will put it back together and I expect to at least have cranking.

Also, I have ready the fuel pressure tester, cylinder compression tester, and spark tester just in case.

I will update with the results of those test tomorrow.

Thank you for your help.
Was this
answer
helpful?
Yes
No
Friday, April 16th, 2021 AT 9:42 PM
Tiny
ALEJANDRISSIMO MORGADO
  • MEMBER
  • 17 POSTS
Update.

Yes, the car started!

But I had to bend a little the positive leg of the relay31, and it seems other pins on different relays can have the same problem, so I was thinking of replacing the fuse box to avoid random electric problems, for example, the fan is not turning ON, even with the engine hot or the AC at max. At least at this point, I know the engine works.

Now, the codes with the engine on :)

P0036
P0141
P0700
P2764

Can any of this be related to possibly faulty connections in the fuse box? Or affect the car driveability.

Before trying to move the car I will do an oil change and check the spark plugs.

Thanks
Was this
answer
helpful?
Yes
No
Saturday, April 17th, 2021 AT 12:55 PM
Tiny
KASEKENNY
  • MECHANIC
  • 18,907 POSTS
Wow. That is great updates and progression. Others will benefit from this in the future.

I attached a list of these codes. In short, they will not effect the running of the vehicle immediately. The o2 codes will effect it in the long run but let's get a new post started for these as they will not be related to this one and we need to keep each to one issue so that others can find the solution if they have the same thing.

As for the P0700 that is just telling you that you have a transmission code and that code is the TCC circuit low code. If you need help with that one as well, let's get a post started there as well. However, I suspect that will go away once you get the vehicle running.

That is great that you got it started and thanks again for the update.
Was this
answer
helpful?
Yes
No
Saturday, April 17th, 2021 AT 6:12 PM
Tiny
ALEJANDRISSIMO MORGADO
  • MEMBER
  • 17 POSTS
Thanks for your help and with those valuable wiring diagrams.

A review of this thread:

1. Car was bought not running, not even crank and "error" on odometer. Wiring was a mess and cables was exposed to the engine heat. Also I was not able to read the DTC codes via obd2 reader.

2. Wiring was checked and repaired but the problem with "error" on odometer remained present.

3. PCM and BCM were inspected by an automotive repair shop and they found the Pcm was not being powered. So they replaced a voltage regulator and told me to connect everything back and execute a relearn procedure. Which is put the key in "on" position 10 minutes. Remove the key for 5 seconds and repeat the process 3 times.

4. After connect everything back the "error" message disappeared and I was able to communicate with the PCM and read codes and check live data from the computer, but there was no crank or start.

5. After checking the ignition wiring diagram and track the voltages and check the park neutral switch, I find there was a bad connection between the coil pins on the relay 31. I helped the relay by forcing the legs to touch the socket pins. And the car started. For the first time since who knows when.

6. Some new codes showed up in the scanner. And I was suspicious about if more relays and fuses would have the same problem as the relay 31. So I decided to get another fuse box at the junkyard and installed it on the car.

7. Several codes and functions disappear after installing the new fuse box and the car run smoothly.

8. Few codes remained but they are related to the fact that there is no catalytic converter Installed.

If you faced a problem like this, don't doubt to ask. Patience and perseverance is the key to fix a problem like this on your car.

Thank you KASEKENNY1
Was this
answer
helpful?
Yes
No
Saturday, April 17th, 2021 AT 7:48 PM
Tiny
KASEKENNY
  • MECHANIC
  • 18,907 POSTS
Thank you so much for summing that up. That is great info and again that will surely help someone else. Thanks again for using 2CarPros. Talk to you next time.
Was this
answer
helpful?
Yes
No
+1
Sunday, April 18th, 2021 AT 6:11 PM

Please login or register to post a reply.