Engine cuts out

Tiny
SAMEASEVER
  • MEMBER
  • 2004 FORD F-250
  • 6.0L
  • V8
  • 4WD
  • AUTOMATIC
  • 79,000 MILES
Driving my truck is like I random turn off the switch key and right back on. At this time if I try to accelerate it will not no power but if I decelerate for a couple of seconds I have full power. The fuel light is the only one that comes on and only at the moment it cuts off. I have changed both fuel filters and the truck runs beautiful until this happens. Any ideas?

Thanks Bob
Wednesday, October 31st, 2018 AT 11:21 AM

14 Replies

Tiny
JONNYB1963
  • MECHANIC
  • 260 POSTS
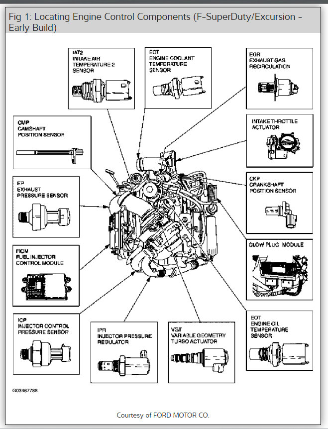
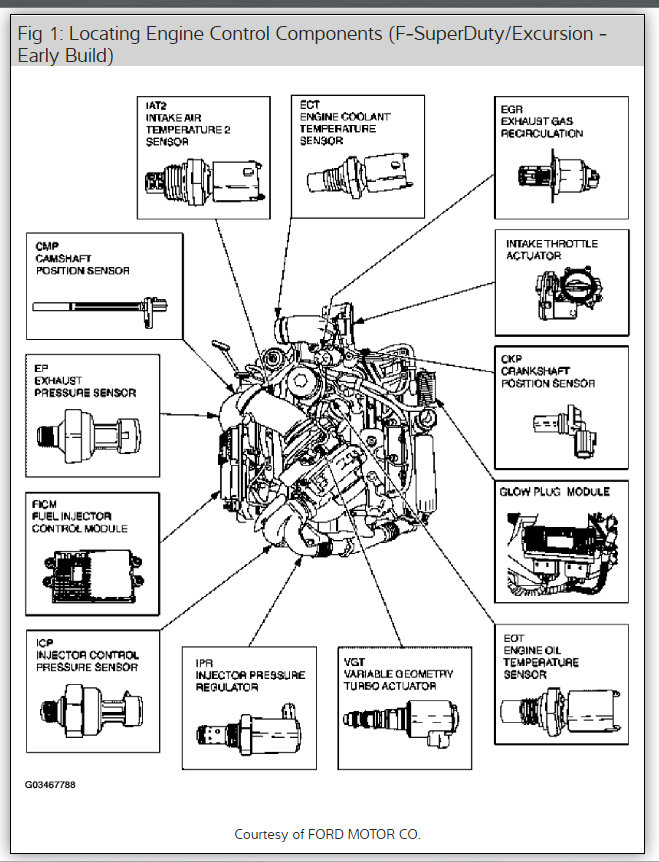
The first thing I would check is the Injection Control Pressure (ICP) sensor or the wire harness and connector to the ICP sensor. The last one of these I did, I had to replace the connector because it was damaged and corroded. The sensor is located on the right (passenger side) valve cover next near the oil fill neck. These sensors have a tendency to leak and cause problems but if I were a betting man, I would lean more towards the wiring or connector.

The 6.0 Power-stroke uses high pressure oil to operate the fuel injectors. The ICP monitors the oil pressure supplied to the fuel injectors. If it sees no pressure, the controller will shut down the injectors electrically. There are tools you can buy that will allow you to monitor critical engine parameters while driving. This might help you get a clearer picture of what is going on.

Since the problem is intermittent, I suspect the wiring but start with the ICP, then the next thing I would check is the cam position sensor (CPS) and it is associated wires and connector. The CPS sensor is located on the front of the engine at about the 11-o'clock position from the crank pulley. Let me know what you find.

Jon
Was this
answer
helpful?
Yes
No
Thursday, November 1st, 2018 AT 6:40 AM
Tiny
SAMEASEVER
  • MEMBER
  • 25 POSTS
I check the ICP Sensor nice and clean and dry. The IPR 14.9 koeo 32.5 engine running, ICP 885, FPL11.5, FMP 48.5 giggled the wires nothing happen.
Was this
answer
helpful?
Yes
No
Thursday, November 1st, 2018 AT 7:59 AM
Tiny
SAMEASEVER
  • MEMBER
  • 25 POSTS
Did not remove ICP sensor.
Was this
answer
helpful?
Yes
No
Thursday, November 1st, 2018 AT 8:05 AM
Tiny
JONNYB1963
  • MECHANIC
  • 260 POSTS
Are you getting any codes on the scan tool?
Was this
answer
helpful?
Yes
No
Thursday, November 1st, 2018 AT 10:33 AM
Tiny
SAMEASEVER
  • MEMBER
  • 25 POSTS
None ! Only fuel light comes on!
Was this
answer
helpful?
Yes
No
Thursday, November 1st, 2018 AT 3:39 PM
Tiny
KEN L
  • MASTER CERTIFIED MECHANIC
  • 53,733 POSTS
Hello,

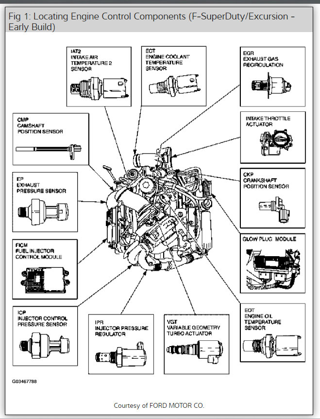
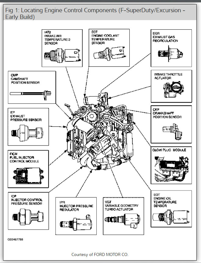
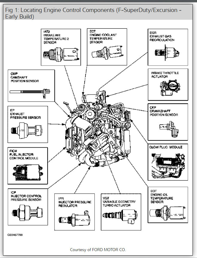
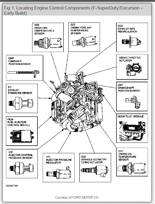
I have seen the injector control module relay go bad and the crankshaft angle sensor cause this problem neither will leave a code. Here are engine wiring diagrams so you can see how the system works and the location of the relay and crankshaft sensor:

https://www.2carpros.com/articles/how-to-check-an-electrical-relay-and-wiring-control-circuit

Check out the diagrams (below). Please let us know what you find.

Cheers, Ken

Was this
answer
helpful?
Yes
No
Friday, November 2nd, 2018 AT 3:40 PM
Tiny
SAMEASEVER
  • MEMBER
  • 25 POSTS
If the Ficm was bad or going bad would the problem not be constant? Is there a test one can perform on it? From my understanding the crank sensor rarely goes out am I wrong?
Was this
answer
helpful?
Yes
No
Wednesday, November 7th, 2018 AT 6:21 AM
Tiny
KEN L
  • MASTER CERTIFIED MECHANIC
  • 53,733 POSTS
Crank sensors go out all the time, when it comes to electronics they can be tested and be deemed okay, but when they are loaded in use they can stop working. You can set up a test but it is cumbersome.
Was this
answer
helpful?
Yes
No
Wednesday, November 7th, 2018 AT 10:32 AM
Tiny
SAMEASEVER
  • MEMBER
  • 25 POSTS
How would one test it?
Was this
answer
helpful?
Yes
No
Friday, November 9th, 2018 AT 6:31 AM
Tiny
KEN L
  • MASTER CERTIFIED MECHANIC
  • 53,733 POSTS
I would use a voltmeter on AC then crank it over you sounds see between 1.5 and 3 volts.

https://www.2carpros.com/articles/how-to-use-a-voltmeter

The problem is even if it tests good it can still be bad under load.
Was this
answer
helpful?
Yes
No
Friday, November 9th, 2018 AT 11:36 AM
Tiny
SAMEASEVER
  • MEMBER
  • 25 POSTS
Ken, one thing I did find out was the fuel light that did come on was my fuel/water light not the regular fuel light. But again only when the engine cuts out. Gremlins or what!
Was this
answer
helpful?
Yes
No
Saturday, November 10th, 2018 AT 10:22 AM
Tiny
KEN L
  • MASTER CERTIFIED MECHANIC
  • 53,733 POSTS
Have you changed the filter? Here are diagrams to help. It could be water in the fuel causing the issues. Here are the instructions on how to change the fuel filter and drain the water. Check out the diagrams (below). Please let us know what you find.
Was this
answer
helpful?
Yes
No
Monday, November 12th, 2018 AT 9:23 AM
Tiny
SAMEASEVER
  • MEMBER
  • 25 POSTS
Changed both filters. However, I did find codes on my truck. Hose on the turbo blew off gave me codes P0299 EGR, P0404 and P1335 and cam/crank P2614, 2617 and I think that might be from the EGR, hope I am right. I do not think it has anything to do with the truck cutting out and the fuel separator light coming on.
Was this
answer
helpful?
Yes
No
Tuesday, November 13th, 2018 AT 1:28 PM
Tiny
KEN L
  • MASTER CERTIFIED MECHANIC
  • 53,733 POSTS
Yep the crankshaft sensor will cause the engine to stall. I would try a new sensor first. This guide will walk you through the steps with diagrams below to show you on your engine.

https://www.2carpros.com/articles/crankshaft-angle-sensor-replacement

Check out the diagrams (below). Please let us know what happens.
Was this
answer
helpful?
Yes
No
Wednesday, November 14th, 2018 AT 10:05 AM

Please login or register to post a reply.

Related Engine Stall While Driving Content