Engine cranks over but will not start

Tiny
MARKLS824
  • MEMBER
  • 2004 DODGE RAM
  • 5.9L
  • 6 CYL
  • TURBO
  • 4WD
  • AUTOMATIC
  • 250,000 MILES
My battery(s) died Friday. I tried jumping it with another Dodge truck and it wouldn't start. I bought 2 new batteries from interstate and installed them. My truck turned over and started right up. I parked my father's truck and went my truck and it had died in the space of 45 seconds or so while I parked my father's truck. I couldn't hear my truck during this time so I had no idea if it had started to choke and cough or if it had just suddenly stopped running. My over head computer says I have 50 miles until empty, my fuel gauge reads an 1/8th of a tank left. I just put in 2 gallons of diesel (encase that may be the issue), but it will not start. Turns over just fine. Lots of cranking power. It just won't run. At all.
Sunday, November 17th, 2019 AT 11:27 AM

3 Replies

Tiny
MOTOR MASTER
  • MECHANIC
  • 279 POSTS
Hello my name is Dave.

First thing I would recommend would be to check for codes. here is a link to our tutorial on how to do this:

https://www.2carpros.com/articles/checking-a-service-engine-soon-or-check-engine-light-on-or-flashing

Please keep in mind that just because your check engine light comes on doesn't exclude there being a code, especially with a no start condition like yours. If you can do that and get back to us it would help us guide you in the right direction, if there are no codes that would be more likely to be a fuel delivery problem and if there codes that would steer us in a different direction. Let us know the results and we will be glad to help you figure it out from there and thank you for using 2CarPros!
Was this
answer
helpful?
Yes
No
Monday, November 18th, 2019 AT 3:49 AM
Tiny
MARKLS824
  • MEMBER
  • 2 POSTS
The only code is P2509.

I've changed the fuel filter (it needed it) and while the filter was out I turned the key to fill up the canister and there was no fuel being delivered to the canister. So, I filled the canister with fuel, put in the new filter and o-ring, tightened it up and cleaned up my mess. The truck has been sitting still since then.
Was this
answer
helpful?
Yes
No
Tuesday, November 19th, 2019 AT 10:43 PM
Tiny
MOTOR MASTER
  • MECHANIC
  • 279 POSTS
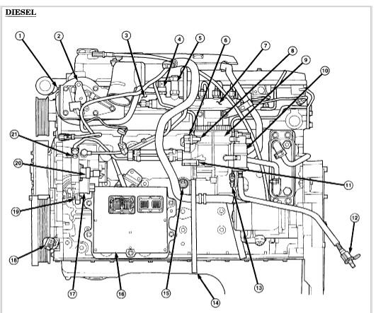
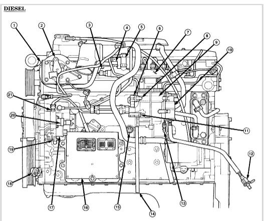
Okay, as I suspected it sounds like you have an issue with the lift pump. I have attached a diagram showing the fuel system. The other issue you are likely to run into is very poor fuel quality proportionate to how long it has been sitting. I would recommend using cetane booster and diesel dry to help revitalize the fuel, and depending on your fuel level adding fresh fuel to dilute the bad fuel. As you can see in the diagram the lift pump is at the back of the fuel filter housing however before condemning the lift pump I would recommend getting a small container of fuel and disconnect the line coming from the tank and put that in the fuel then turn the engine over with the fuel filter out and top off of the filter housing and see if you get any fuel being pumped into the housing. If you don't this will confirm the lift pump is not working. And a quick note about the diagram the feed line ( from the tank ) is mislabeled in the diagram, it will be the line going from the pump to the frame rail. The next thing I would do is check for power to the pump when cranking, a simple test light will do this just fine. If you unplug the pump and check for power while cranking the engine and also reverse the test light by connecting the grounding clamp to the positive post of your battery and see if it lights up brightly on the ground side of the circuit to confirm it has a good ground.
I have attached a diagram of the wiring to help you with the test. I am also including a link to our tutorial on testing wiring here:

https://www.2carpros.com/articles/how-to-check-wiring

If you have good power and ground to the pump and the fuel filter housing doesn't fill then the pump is faulty and needs to be replaced. Please keep us up to date on your progress.
Was this
answer
helpful?
Yes
No
+1
Wednesday, November 20th, 2019 AT 4:18 AM

Please login or register to post a reply.