Engine cranks but will not start

Tiny
RONALD DEVOLD
  • MEMBER
  • 2006 CHEVROLET MONTE CARLO
  • 5.3L
  • V8
  • 2WD
  • AUTOMATIC
  • 200,000 MILES
The car listed above is an SS model.
The engine will crank but will not start. Fuel pressure reads 56PSI.
Monday, February 7th, 2022 AT 11:56 AM

30 Replies

Tiny
AL514
  • MECHANIC
  • 5,598 POSTS
Hello, have you checked to see if you have spark? Does the Check Engine Light come on while cranking?

https://www.2carpros.com/articles/how-to-test-an-ignition-system

https://www.2carpros.com/articles/how-to-test-a-fuel-injector
Was this
answer
helpful?
Yes
No
Monday, February 7th, 2022 AT 12:21 PM
Tiny
RONALD DEVOLD
  • MEMBER
  • 134 POSTS
I was going to check for spark, but now it will not crank.
Was this
answer
helpful?
Yes
No
Monday, February 7th, 2022 AT 12:38 PM
Tiny
AL514
  • MECHANIC
  • 5,598 POSTS
Oh okay, do you need the starting circuit diagrams? The starter circuit goes from the Ignition Switch to the Body Control Module to the Engine Control module to the Starter Relay. Not sure why they need to make a starter circuit so complicated, either a BCM or ECM failure will cause a not start, or even just a bad ground on either of those modules will cause the same thing.
Was this
answer
helpful?
Yes
No
Monday, February 7th, 2022 AT 12:43 PM
Tiny
RONALD DEVOLD
  • MEMBER
  • 134 POSTS
Also, P0315 DTC (Crankshaft Position System Variation Not Learned).
U0100 (Lost Communication with ECM).
Was this
answer
helpful?
Yes
No
Monday, February 7th, 2022 AT 12:55 PM
Tiny
AL514
  • MECHANIC
  • 5,598 POSTS
Ahh, I see. Well, I would go after the No Communication code first. If the ECM is not powering up or part of it has failed it won't be able to read a Crank sensor signal. I was surprised you were able to even get that code out of it. Were you able to see the ECM in your scan tool? Can you read any live data from the ECM?

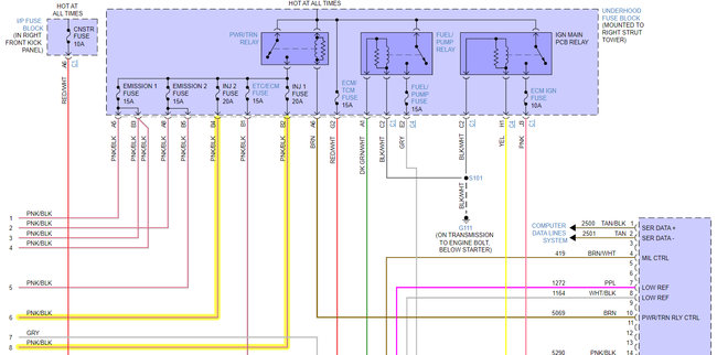
Here's all the fuses I would check first. The Body Control module controls all the starting commands in this vehicle. So that's going to be the first thing to check, also because it powers up the ECM. On the second diagram the ground connection G111 circled in blue needs to be checked also.
Was this
answer
helpful?
Yes
No
Monday, February 7th, 2022 AT 1:00 PM
Tiny
RONALD DEVOLD
  • MEMBER
  • 134 POSTS
Okay. So, now I can crank it. I put a spark tester on the #1 plug and coil and plug. Tester does not light up.
Was this
answer
helpful?
Yes
No
Wednesday, February 9th, 2022 AT 3:30 PM
Tiny
AL514
  • MECHANIC
  • 5,598 POSTS
Did you do anything to get the starter to crank? If not and it started cranking without repairing anything, I would check the ECM main connector, The ECM is inside the Air Filter box. You should check that there isnt any corrosion on the ECM connector or if any rodents got into the box and chewed on the wires. Since you had a no crank condition to begin with, I think this issue might be more than just a crankshaft position sensor fault or camshaft sensor.
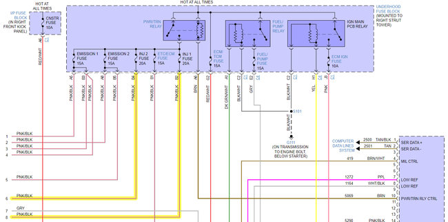
The 1st diagram below is the 12volt feed to each Ignition Coil.
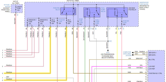
The 2nd is the Power Feed for the Ignition Coils and the Fuel Injectors.
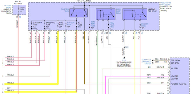
And the 3rd diagram is the control wire for each ignition coil. These are what they call "Smart Ignition Coils". They have an ignition module inside each coil. The highlighted control wires are usually a 0-5 volt square wave that controls the coil on and off time. But check the engine computer wiring harness in the air filter box and make sure theres no harness damage. And does the Check Engine light come on while cranking the vehicle? It should, if it doesnt that means the ECM is not being powered up.

https://www.2carpros.com/articles/how-a-car-computer-works-pcm-ecm-bcm
Was this
answer
helpful?
Yes
No
Wednesday, February 9th, 2022 AT 7:11 PM
Tiny
RONALD DEVOLD
  • MEMBER
  • 134 POSTS
I swapped out the main fuse box assembly. The one under the hood by battery.
Was this
answer
helpful?
Yes
No
Thursday, February 10th, 2022 AT 7:50 AM
Tiny
AL514
  • MECHANIC
  • 5,598 POSTS
Does the check engine light come on while cranking the vehicle over?
Was this
answer
helpful?
Yes
No
Thursday, February 10th, 2022 AT 11:29 AM
Tiny
RONALD DEVOLD
  • MEMBER
  • 134 POSTS
Yes.
Was this
answer
helpful?
Yes
No
Friday, February 11th, 2022 AT 8:33 AM
Tiny
AL514
  • MECHANIC
  • 5,598 POSTS
Okay, do you still have the P0100 code for no communication with the ECM? If so, we need to check the Power and Ground feeds to the ECM, and you didn't find any issues with the wiring harness in the air filter box? One other quick check you can do is to check any 3-wire sensor for a Reference Voltage. The MAP sensor is probably the easiest to check. It's located on the Throttle Body; you can find it by wire coloring. The Grey wire on the MAP sensor is the 5-volt Reference. You should check this sensor while plugged in by back probing the connector with the Key in the On Position, engine off.
If this vehicle doesn't have a MAP sensor, then it has a Mass Air Flow sensor, the diagrams are unclear which one the 5.3-liter engine has. But for the Mass Air Flow sensor needs to be unplugged to check the 5-volt Reference circuit. It will be a tan colored wire. The Mass Air Flow sensor is on the Intake Air Tube going to the Throttle body.
Checking for the 5-volt Reference is a good way to tell if the engine computer is powered up. Sometimes a sensor will short out and pull the 5-volt Reference down to Ground (0 volts) and cause a no start condition. So, it's an easy quick check to do.
The last diagram is how to back probe a connector.
Was this
answer
helpful?
Yes
No
Friday, February 11th, 2022 AT 1:41 PM
Tiny
RONALD DEVOLD
  • MEMBER
  • 134 POSTS
Okay, I will do that. Just so you know, after I checked for spark. I have voltage at every coil pack and injectors. On the coil pack, I don't know what I should be reading on the purple and brown wire. I know the black is ground and the pink is from the fuse/relay (12v).
Was this
answer
helpful?
Yes
No
Friday, February 11th, 2022 AT 5:38 PM
Tiny
AL514
  • MECHANIC
  • 5,598 POSTS
If you notice, each Ignition Coil has 3 wires that are the same colors as the other coils. You are correct on the pink wire is 12-volt feed, Black is chassis Ground. The brown wire is "Low Reference" or ECM Ground. The one wire on each Coil that has a different color, so purple, light blue, dark green, etc, is the Signal wire from the ECM to each Ignition module inside each Coil, it will be a 0-to-5-volt square wave voltage signal. The Ignition module inside each Ignition Coil would use this signal to fire the coil. I put a small waveform below to show you the idea of how it works. Most likely this signal is missing right now because you don't have spark. Another test you can do is with your scan tool, try to look at live data from the ECM, it may read No Communication, and that's why you're getting the P0100. Another reason you may be getting that code (P0100) is that another module may not be able to communicate with the ECM. Like a module that is a Gateway, and all communications goes through the Gateway. But before when it wasn't able to crank over, and can now, I would like to see if you have any different codes now.
Was this
answer
helpful?
Yes
No
Friday, February 11th, 2022 AT 6:07 PM
Tiny
RONALD DEVOLD
  • MEMBER
  • 134 POSTS
I am getting the following codes:

P0118 (Engine Coolant Temperature Circuit †High Input malfunction)
P0107 (Manifold Absolute Pressure/Barometric Pressure Circuit Low Input)
P0335 (Crankshaft Position Sensor A Circuit Malfunction)
Was this
answer
helpful?
Yes
No
Sunday, February 13th, 2022 AT 10:48 AM
Tiny
RONALD DEVOLD
  • MEMBER
  • 134 POSTS
I back probed the IC1 (purple wire) from the ECU. While in start position, its reading 2.4v. While cranking, it jumps to 3.4v only once and back to 2.4v.
Was this
answer
helpful?
Yes
No
Sunday, February 13th, 2022 AT 11:40 AM
Tiny
RONALD DEVOLD
  • MEMBER
  • 134 POSTS
But from the ignition coil, I'm getting a constant ground.
Was this
answer
helpful?
Yes
No
Sunday, February 13th, 2022 AT 11:53 AM
Tiny
AL514
  • MECHANIC
  • 5,598 POSTS
Okay, are you getting a constant Ground on all the Ignition Coils on the Odd colored wire? What you're reading at the ECM (2.4v) is your multimeter is averaging out the 5-v signal, but the 0 volts at the coil is a problem, and considering the other three codes, I would say you have a bulk connector that is corroded inside. I would think that the ECM has some protection inside for a short circuit on that signal control wire for the coils, I'm going to go through the diagrams and see if there's any location where those three sensors share a Ground or a connector together. With the MAP sensor reading Circuit Low Input, back probe that sensor and check the 5-volt Reference grey wire. If the wire is reading anything but 5 volts, unplug it and check it again, I will check these connectors to see if there's a location where they run together threw a connector, I just want to see if the MAP is shorted out and pulling the reference circuit low. It seems like the ECM is putting out the correct signal, but if it has got a crank sensor code, it may stop firing any injectors or coils.
Since you're already at the ECM, and I'm glad you are. You can check the output to the sensor from there. So, the light green wire is a 12-volt feed, dark blue/white wire is the signal coming back to the ECM, and the yellow/black is the sensors Ground. Your test light should flash on the signal wire while cranking.
While you at the ECM, (in red, third diagram) check all these Reference circuits, there are four 5-volts Refs, and two 12-volt Refs. Make sure they're all there with the Key On. Diagram 2 is that C2 connector at the ECM.
Was this
answer
helpful?
Yes
No
Sunday, February 13th, 2022 AT 2:10 PM
Tiny
RONALD DEVOLD
  • MEMBER
  • 134 POSTS
I am getting a constant Ground on all ignition coils. I am getting voltage on the MAP sensor gray wire (4.9v). 5V REF1 35 getting constant ground. 5V REF1 37 getting nothing. 5V REF1 40 getting 5v. 5V REF2 41 getting 5v. 12V REF 43 and 44 getting 11.4v. While cranking the engine with test light on DK BLU/WHT 62 I'm getting nothing. Ground on YEL/BLK good.
Was this
answer
helpful?
Yes
No
Monday, February 14th, 2022 AT 12:47 PM
Tiny
AL514
  • MECHANIC
  • 5,598 POSTS
Okay, well we've found some problems then, 5-volt Ref 1 (Pin 37 Grey wire is that Map sensor Reference voltage) so it's not making it from the ECM to the map sensor,
5-volt Ref 1 (pin 35 is the Reference voltage for the Oil Pressure Sensor.
Pins 40 and 41 may be a 5-volt Ref shared internally inside the ECM.
Pins 43 and 44 I'm not super worried about your reading battery voltage there, it just be might a little low because of the key being on during testing.
So, first thing, with the key off, unplug the oil pressure sensor and MAP sensor let's see if either one of them is pulling the Reference voltage down, any sensor that's uses a 5-volt Ref can short out and pull the whole circuit to ground.
1st diagram is the Oil Pressure sensor it looks like it's under the throttle body, unplug that and the MAP sensor, turn the key back on and see if you have 5 volts at both sensors and at the ECM pins 37 and 35, they may be a shared Ref voltage inside the ECM as well. If the 5 volts come back, turn the key off, and plug one sensor back in at a time and see which one is shorted out, because the 5 volts will disappear again.

Also, just FYI, when a sensor shorts out and pulls the circuit down, it can disable the ECM completely.
Was this
answer
helpful?
Yes
No
Monday, February 14th, 2022 AT 1:29 PM
Tiny
RONALD DEVOLD
  • MEMBER
  • 134 POSTS
Okay, I will get back.
Was this
answer
helpful?
Yes
No
Monday, February 14th, 2022 AT 2:46 PM

Please login or register to post a reply.

Related Engine Not Running Content