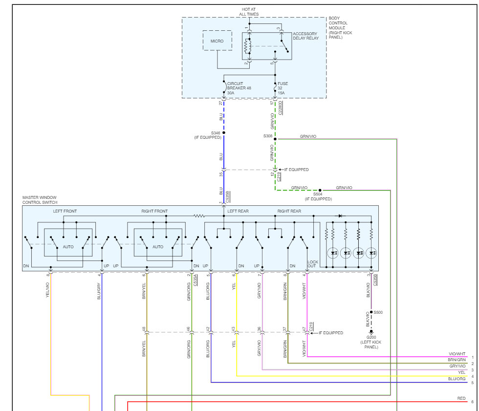
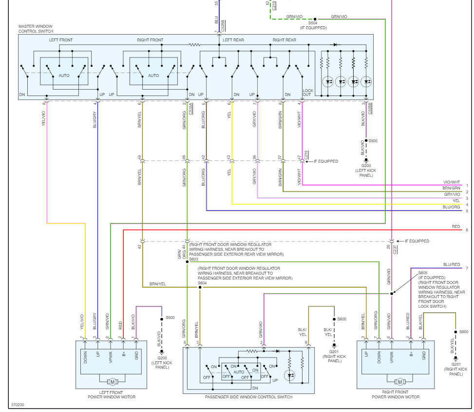
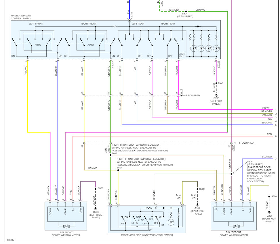
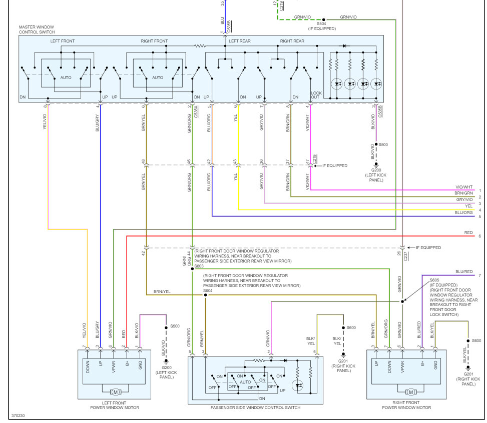
Wednesday, April 5th, 2023 AT 12:21 PM
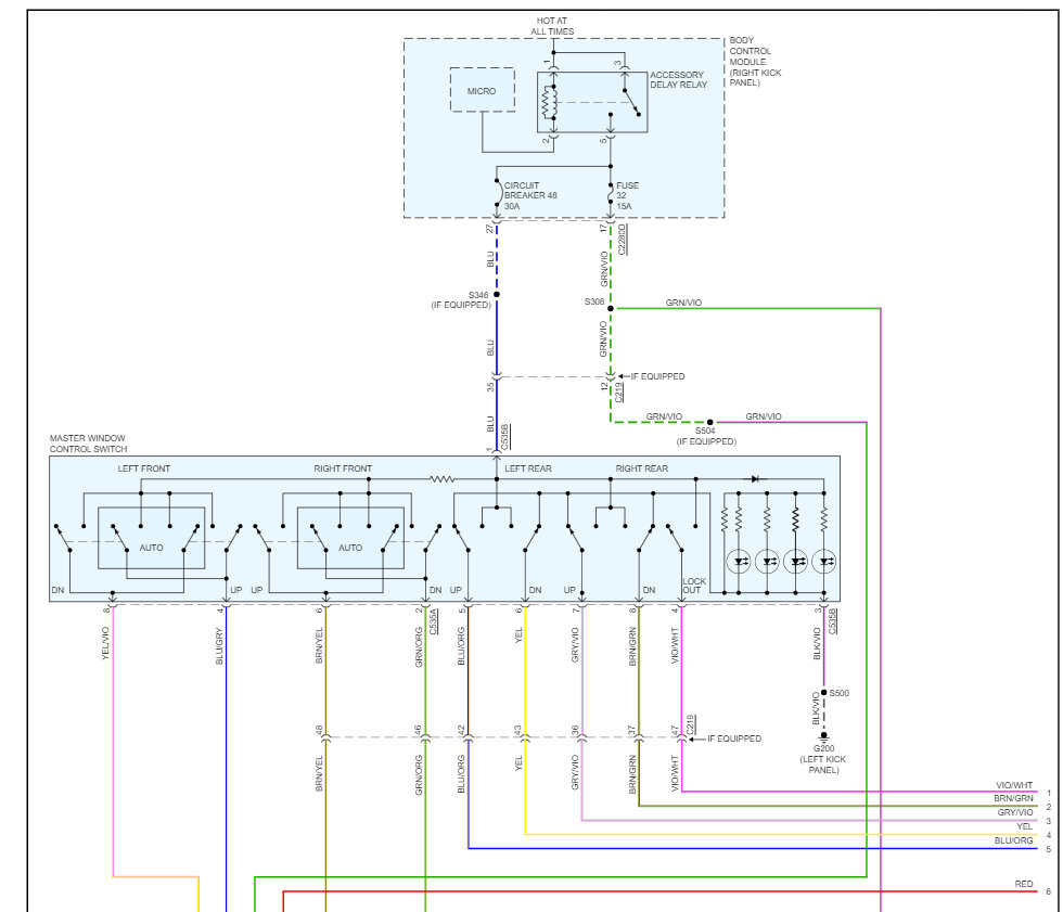
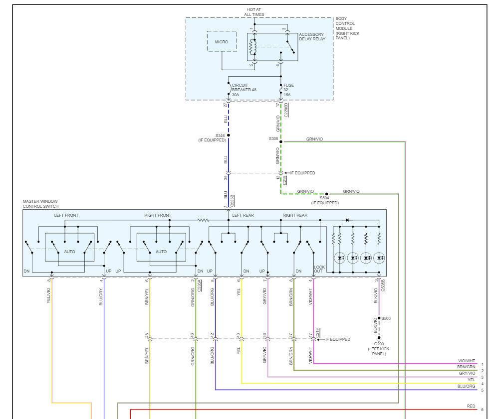
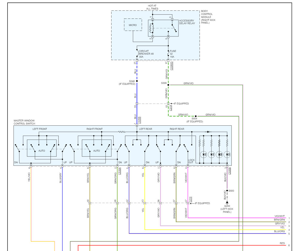
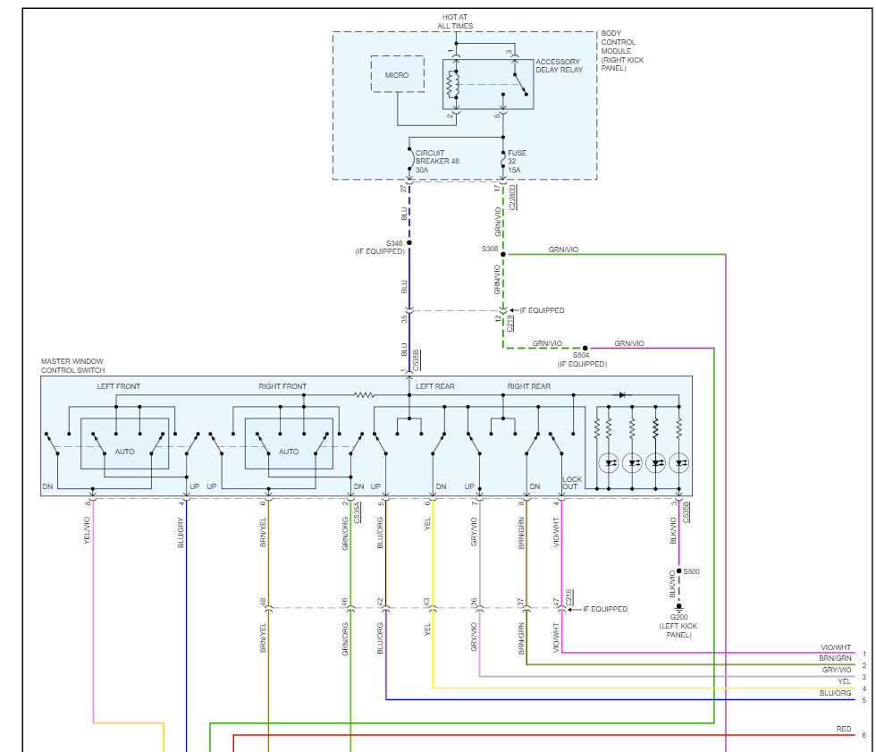
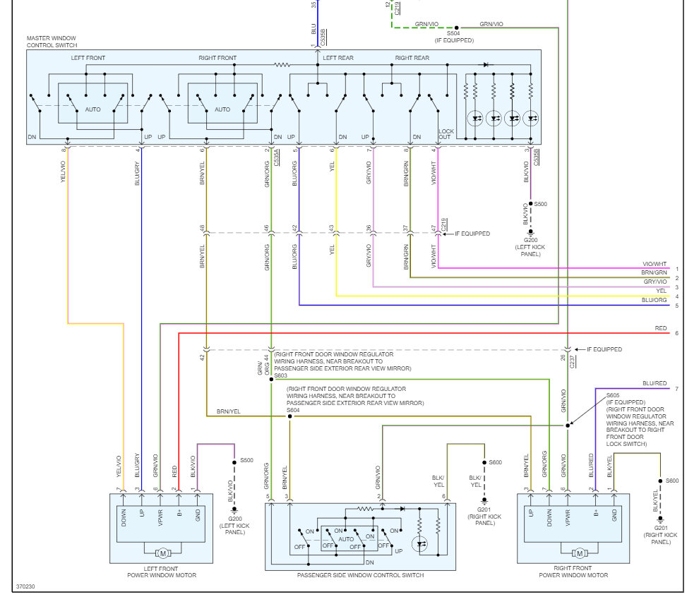
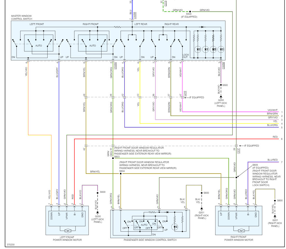
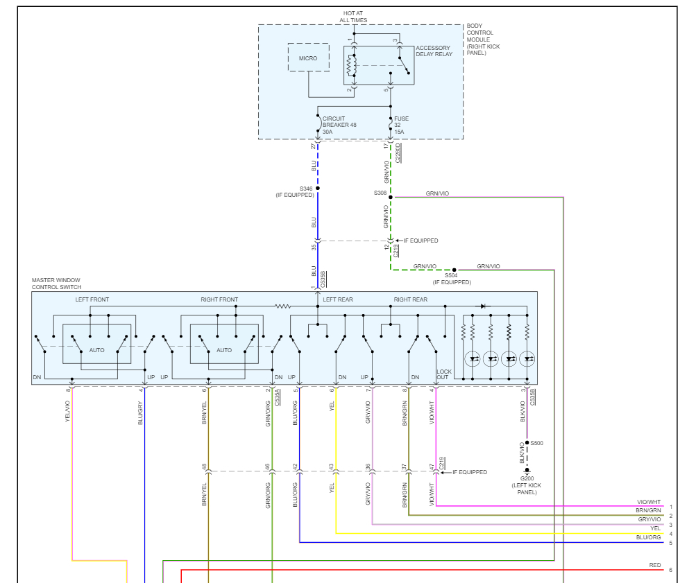
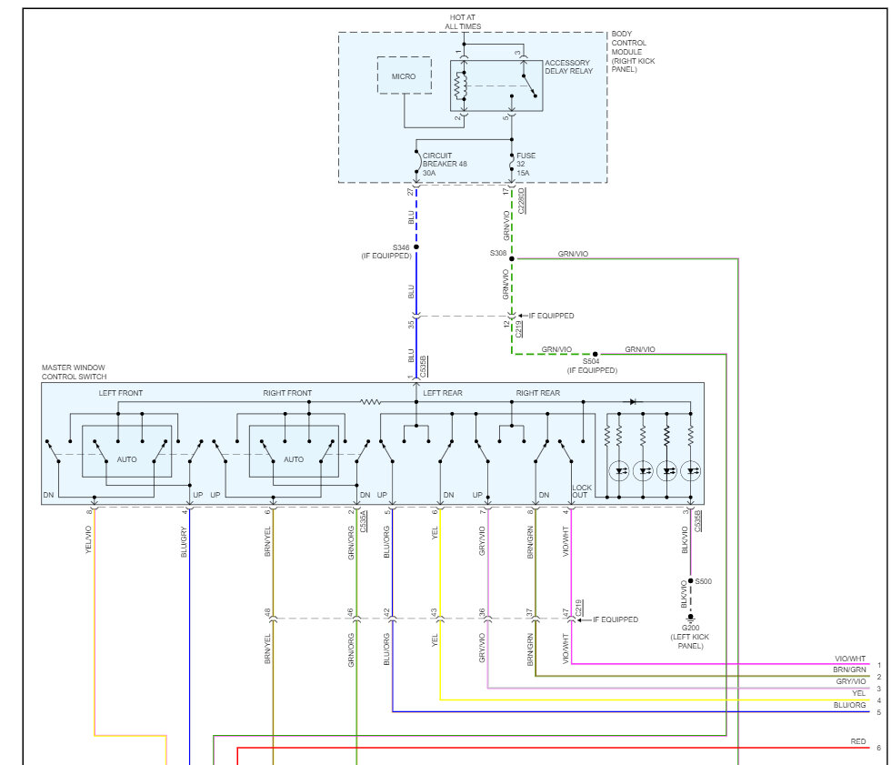
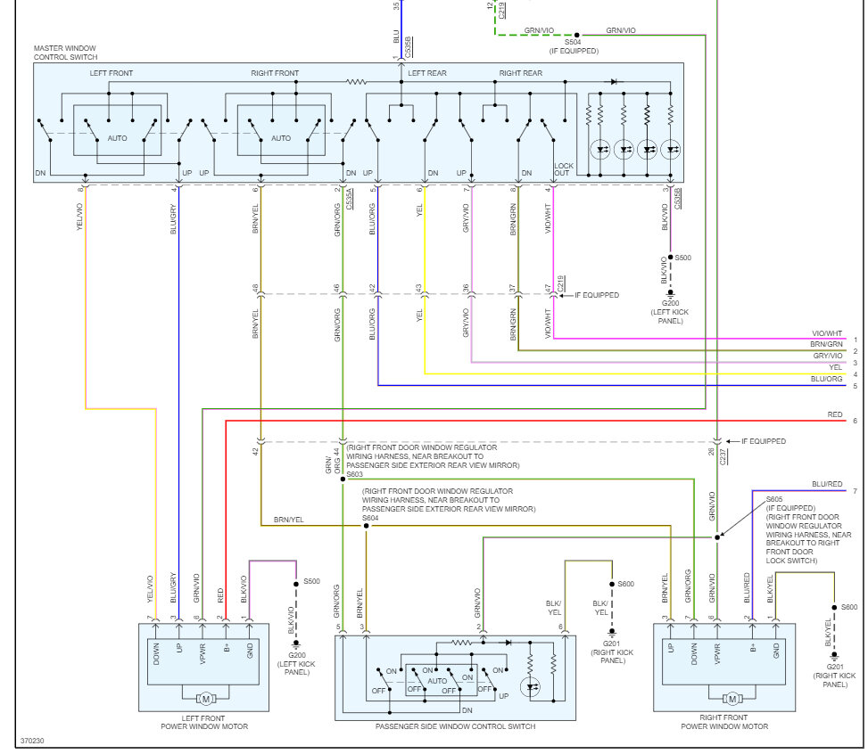
My truck I think has electrical Gremlins the power windows stopped working. I have power to regulator, but nothing. All 4 windows are in the up position. Prior to this I lost the radio and directional and the clock flashes once in a great. While I’m at a loss as to what’s happening, I’m also having intermittent drivability issues. Any help would be greatly appreciated.










