Will not start

Tiny
DJMU8749
  • MEMBER
  • 2000 DODGE DAKOTA
  • 4.7L
  • V8
  • 2WD
  • AUTOMATIC
  • 155,000 MILES
Truck wouldn't start. Later in day started. Stalled while driving. Wouldn't start. One hour later started. Drove home. Replaced Fuel Pump. Drove truck and it stalled. One hour later it started. Got it home. Now it won't start at all. Replaced MAP, TPS, Crank and Cam Sensors. Fuse #9 inside cab has no power-fuse is good. I don't like being a parts swapper looking blindly. Today I will bench test my under-hood relays. Worried it may be my PCM.
Friday, October 15th, 2021 AT 8:57 AM

1 Reply

Tiny
AL514
  • MECHANIC
  • 5,595 POSTS
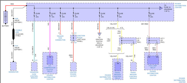
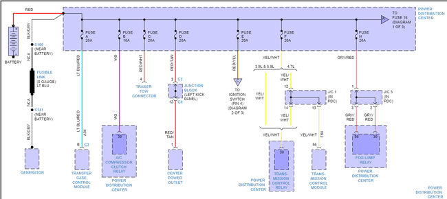
Hello, sorry to hear about your issue here. Electrical problems can be very frustrating. You have done well so far though. Posting a diagram with fuse #9 in it, I'm just wondering is any of these other fuses have power? and it this and extra cab?
Fuse #9 is in the third diagram, this whole fuse panel is powered right back to the battery from the looks of the diagrams, so I would suspect a corroded wire or connector somewhere. And possibly pull this fuse panel out enough to take a look at the back of it, a lot of times that's where we find a lot of corroded wires, some just hanging by a single strain of wire, not enough to carry an amperage load,

Also look along the wiring harness at any contact points that the harness touches the engine block or frame of any kind, Due to engine vibrations that's where you'll get a harness that's rubbed through its protective plastic shielding.
Contact points are the most common place to find shorts or broken wires. If you do find any corrosion, make sure to cut some of the wire back, because once corroded inside it travels up inside the wiring insolation.
Double check your fuses too, with a meter, if possible, Fuses can look okay, but you would be surprised sometimes at the things we find.
When you're checking for power always try to use battery negative if possible.

Also look where the harness may be touching the exhaust.
Picture 5 is a Fusible link to the alternator, check that as well.

https://www.2carpros.com/articles/how-to-check-wiring

https://www.2carpros.com/articles/how-to-use-a-voltmeter

https://www.2carpros.com/articles/how-to-use-a-test-light-circuit-tester

https://www.2carpros.com/articles/how-to-check-an-electrical-relay-and-wiring-control-circuit
Was this
answer
helpful?
Yes
No
Friday, October 15th, 2021 AT 11:00 AM

Please login or register to post a reply.