Drivers side rear door not working (powerless)

Tiny
BOB LEFFLER
  • MEMBER
  • 2005 CADILLAC DEVILLE
  • 4.6L
  • V8
  • 2WD
  • AUTOMATIC
  • 54,000 MILES
Left rear door lock, window, and lighter do not work, from either the front or rear control switches.
Saturday, July 31st, 2021 AT 3:02 PM

1 Reply

Tiny
JACOBANDNICKOLAS
  • MECHANIC
  • 110,194 POSTS
Hi,

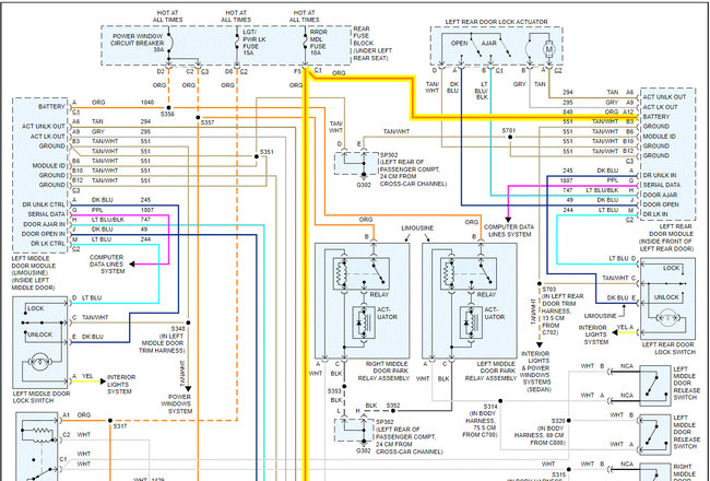
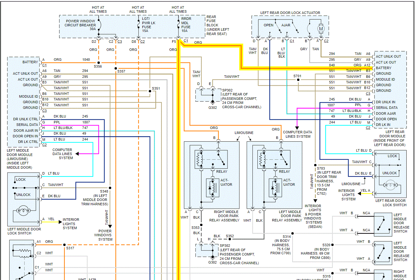
Since nothing is working on the left rear door, we need to confirm there is power getting to the left rear door module. First, if the right rear door is working, then it isn't a fuse because both doors get power from the same fuse. So, remove the door panel and locate the door module. Disconnect the door module and locate the orange wire to it. That wire should have power.

Check that first. If there is no power, we will need to trace that wire back to fuse which is in the fuse box under the left rear seat.

Here is a link you may find helpful.

https://www.2carpros.com/articles/how-to-check-wiring

I attached the schematics for the lock system. Power for the door module is for both the locks and window.

Let me know what you find.

Joe

See pics below I highlighted the wire from the fuse to the module.
Was this
answer
helpful?
Yes
No
Saturday, July 31st, 2021 AT 9:58 PM

Please login or register to post a reply.