Driver door window switch/heated seat switch do not illuminate

Tiny
MUNDO9287
  • MEMBER
  • 2008 BUICK LUCERNE
  • V6
  • 2WD
  • AUTOMATIC
  • 120,000 MILES
Hello,

The switches on my driver side door are functional, they just don't illuminate. I've replaced the window harness, but that didn't fix the problem. Any help is appreciated.

Thanks!
Saturday, January 16th, 2021 AT 3:11 PM

12 Replies

Tiny
KEN L
  • MASTER CERTIFIED MECHANIC
  • 55,297 POSTS
We need to test the STGILLUM #8 fuse in the interior fuse panel. here is a guide to help with the fuse locations below:

https://www.2carpros.com/articles/how-to-check-a-car-fuse

Check out the diagrams (below). Let us know what happens and please upload pictures or videos of the problem.
Was this
answer
helpful?
Yes
No
Sunday, January 17th, 2021 AT 6:25 PM
Tiny
MUNDO9287
  • MEMBER
  • 7 POSTS
Thank you. I will report back in the morning with video.
Was this
answer
helpful?
Yes
No
Sunday, January 17th, 2021 AT 6:28 PM
Tiny
MUNDO9287
  • MEMBER
  • 7 POSTS
Hello. I attached a video to explain better.

Thank you again.
Was this
answer
helpful?
Yes
No
Monday, January 18th, 2021 AT 10:00 AM
Tiny
KEN L
  • MASTER CERTIFIED MECHANIC
  • 55,297 POSTS
Thanks for the video. It is suppose to light up on both sides please replace the fuse lets see what happens.
Was this
answer
helpful?
Yes
No
Monday, January 18th, 2021 AT 6:31 PM
Tiny
MUNDO9287
  • MEMBER
  • 7 POSTS
I replaced the fuse, no luck.
Was this
answer
helpful?
Yes
No
Tuesday, January 19th, 2021 AT 4:06 PM
Tiny
KEN L
  • MASTER CERTIFIED MECHANIC
  • 55,297 POSTS
Okay, it looks like the BCM is going out. to be sure lets do a CAN scan which is the future of automotive repair. you can get a CAN scanner from Amazon for about $50.00. here is a video to show you how:

https://youtu.be/InIlnsjOVFA

Here is how you can replace the BCM. Check out the diagrams (below). Please let us know what happens.
Was this
answer
helpful?
Yes
No
Wednesday, January 20th, 2021 AT 5:05 PM
Tiny
MUNDO9287
  • MEMBER
  • 7 POSTS
Hello, I replaced my BCM and that's didn't fix the issue. What else could it be?
Was this
answer
helpful?
Yes
No
Thursday, March 4th, 2021 AT 11:23 AM
Tiny
JACOBANDNICKOLAS
  • MECHANIC
  • 110,192 POSTS
Hi,

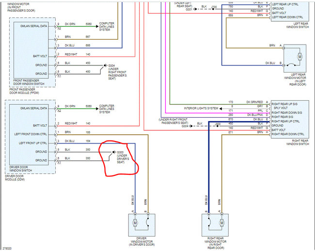
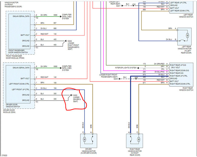
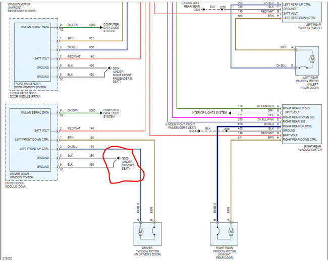
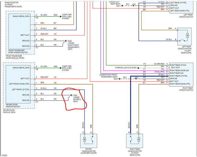
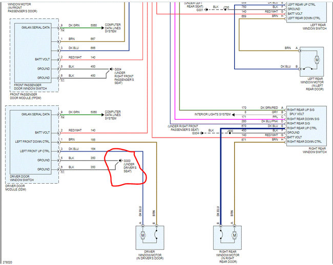
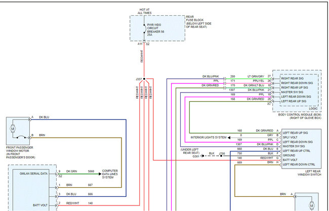
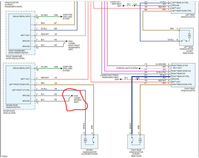
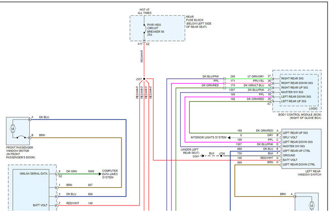
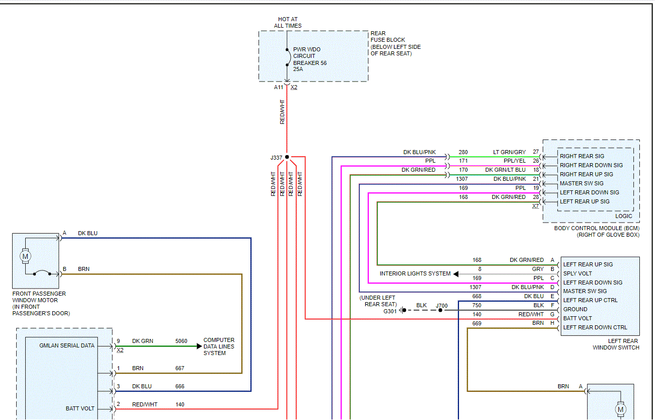
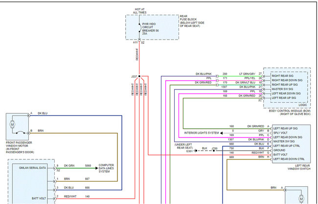
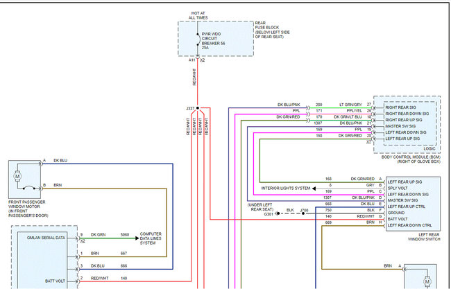
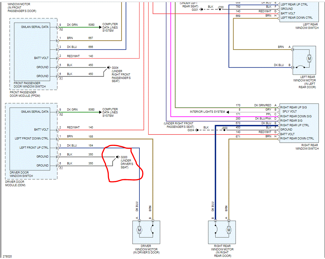
I attached the wiring schematic for the power windows so I could get a good look at the driver's switch. Here is what I want you to try:

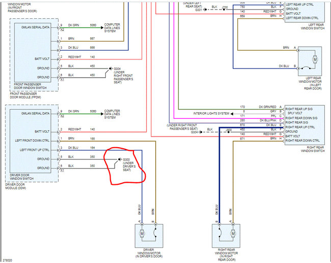
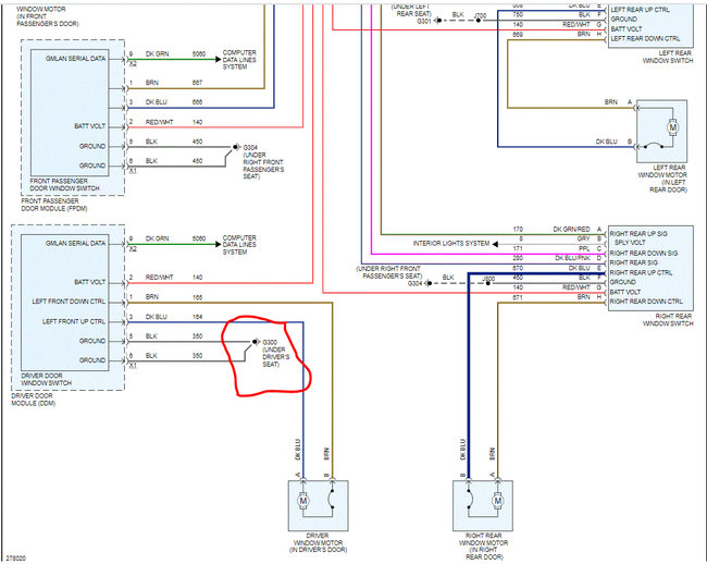
First, I need you to check the ground for the door module. If you look at pic 2 below, I circled it and its location. Confirm there is continuity to ground via the two black wires.

Here is a link you may find helpful:

https://www.2carpros.com/articles/how-to-check-wiring

Let me know what you find or if you have other questions.

Take care and God Bless,

Joe

Was this
answer
helpful?
Yes
No
Monday, March 8th, 2021 AT 6:57 PM
Tiny
MUNDO9287
  • MEMBER
  • 7 POSTS
Thank you! I will try this tomorrow and report back.
Was this
answer
helpful?
Yes
No
Monday, March 8th, 2021 AT 7:07 PM
Tiny
JACOBANDNICKOLAS
  • MECHANIC
  • 110,192 POSTS
You are very welcome. Let me know what you find or if you have other questions.

Take care,
Joe
Was this
answer
helpful?
Yes
No
Tuesday, March 9th, 2021 AT 4:41 PM
Tiny
MUNDO9287
  • MEMBER
  • 7 POSTS
I wasn't able to locate the ground wires unfortunately, too many blocking my view. I will try again tomorrow.
Was this
answer
helpful?
Yes
No
Tuesday, March 9th, 2021 AT 5:28 PM
Tiny
JACOBANDNICKOLAS
  • MECHANIC
  • 110,192 POSTS
Hi,

No problem. Let me know what you find or if you have other questions.

Take care,
Joe
Was this
answer
helpful?
Yes
No
Wednesday, March 10th, 2021 AT 4:33 PM

Please login or register to post a reply.