Tuesday, April 10th, 2007 AT 2:57 PM
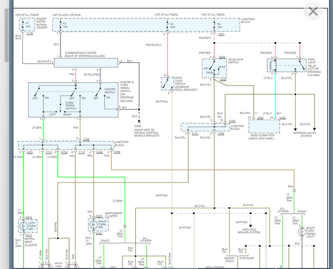
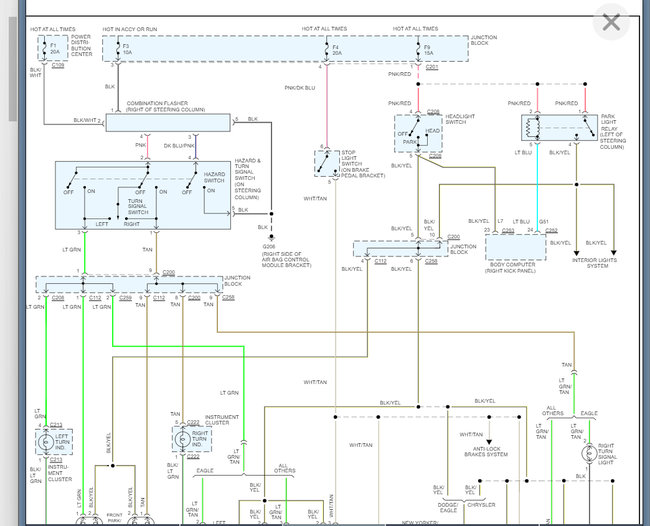
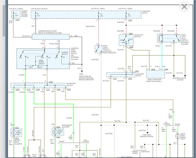
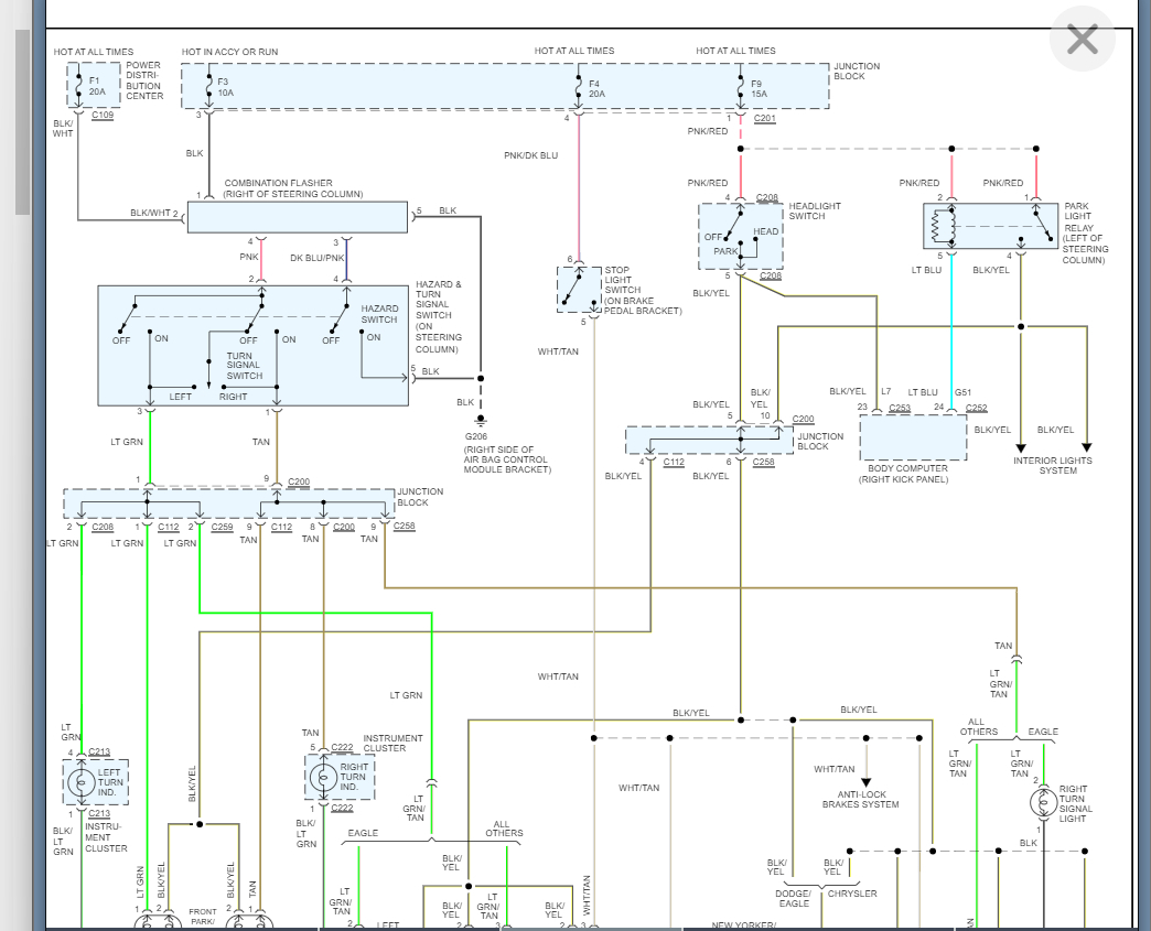
Brake lights, Hi-beam switch, wiper (including intermittent), and washer all function, but turn and hazard lights do not. I have replaced the flasher, but this does not fix the problem. Could the problem be in the combination switch (controls Hi-beam, wipers washer, turn signal and hazard lights) when all other functions of it work, or is the problem to be found someplace else, and if so, WHERE?







