Hello sebastian_personal
I believe Auto zone do have this part($133.99),also dodge dealer or a junk yard .
I advice dealer or auto zone because with junkyard, you do not know what you get.
When working in the vicinity of the air bag,it is important to be careful depending on your mechanical skills.
combination switch removal
The Air Bag system must be disarmed before repair and/or removal of any component in its immediate area including the air bag itself. Failure to do so may cause accidental deployment of the air bag, resulting in unnecessary system repairs and/or personal injury or death.
Disconnect the negative battery cable and isolate the cable using an appropriate insulator (wrap with quality electrical tape).
Allow the system capacitor to discharge for 2 minutes before starting any repair on any air bag system or related components. This will disable the air bag system.
# position the front wheels straight-ahead.
# Fully extend or pull out adjustable steering column.
# Remove the airbag
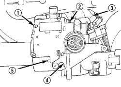
# Remove the three clockspring screws.
Carefully pull straight up on clockspring to remove.
After the clockspring is removed, there is only one more screw on the top side of the SCCM that needs to be removed and is located at approximately the six o'clock position on the SCCM. It holds the lower side of the steering angle sensor, the lower side of the electric tilt lever assembly, or the strengthening strut if not equipped with electric tilt.
# If equipped with ESP, remove the steering angle sensor screw located at the six o'clock position on the SCCM and remove the steering angle sensor from the SCCM. If not equipped with ESP, there will be a plastic insert there for strengthening of the SCCM that will lift right out.
# If equipped with manual telescoping column, remove the strut screw, located at the six o'clock position, and strut.
# If equipped with electronic telescoping column, remove the one remaining screw to electric tilt located at the six o'clock position, and remove stalk and switch.
# Remove the speed control switch.
# Remove the steering column tilt/telescoping lever screw located at the six o'clock position.
# Remove the three screws from the bottom of the SCCM for the multi-function switch and Steering Control Module (SCM).
# Separate the multi-function switch from the SCM.

To install:
1. Position the Steering Control Module (SCM) onto the multi-function switch.
2. Install the multi-function switch and SCM and tighten the three screws from the bottom of the SCCM.
3. Install the steering column telescoping lever.
4. Install the speed control switch.
5. If equipped with manual telescoping column, install the strut.
6. If equipped with electronic telescoping column, install the electric tilt lever and switch.
7. If equipped wit ESP, install the steering angle sensor and screw located at the six o'clock position.
8. Install the clockspring and screws.
9. Install the SCCM onto the steering column.
10. Tighten the set screw securing the SCCM.
11. Tighten clockspring screws.
12. Align the spline on the steering wheel hub to shaft.
13. Then install the steering wheel and install a NEW retainer bolt.
14. Tighten the bolt to 52 ft. lbs. (70 Nm).
15. Install the airbag
16. Connect the battery negative cable. If equipped with Electronic Stability Program (ESP), the steering angle sensor must be calibrated
All fasteners must be torqued to specification to ensure proper operation of the steering column.
Install the negative battery terminal on the battery.
Test the operation of the horn, lights and any other functions that are steering column operated.
Monday, February 8th, 2010 AT 1:03 PM