2001 Dodge Intrepid TURN SIGNALS DON'T WORK

Tiny
WAYNE NELSON
  • MEMBER
  • 2001 DODGE INTREPID
  • 6 CYL
  • FWD
  • AUTOMATIC
  • 90,000 MILES
DEAR SIRS; MY SINALS DON'T WORK. SOMETIMES THEY DO, BUT NOT REALLY. I ALREADY CHANGED BULBS AND FUSES.
Sunday, June 22nd, 2008 AT 12:06 AM

3 Replies

Tiny
AIRSOFTSOLDRECN9
  • MEMBER
  • 348 POSTS
Is this a problem on all turn signal lamps on the car or just some? Do the problem lamps flash rapidly or not at all (or do they differ)?
Was this
answer
helpful?
Yes
No
+1
Sunday, June 22nd, 2008 AT 12:55 AM
Tiny
WAYNE NELSON
  • MEMBER
  • 3 POSTS
THEY DON'T FLASH AT ALL.
Was this
answer
helpful?
Yes
No
+1
Sunday, June 22nd, 2008 AT 1:31 AM
Tiny
AIRSOFTSOLDRECN9
  • MEMBER
  • 348 POSTS
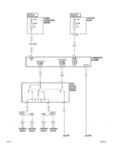
Do they come on steady with the lights on? If so then the turn signal switch in your steering column needs to be replaced. This is the wiring schematic for the turn signals. This should be the correct one but let me know if there are any discrepancies.


https://www.2carpros.com/forum/automotive_pictures/187088_0900c1528003f686_1.jpg

Was this
answer
helpful?
Yes
No
Sunday, June 22nd, 2008 AT 2:04 PM

Please login or register to post a reply.