Starter not working

Tiny
AXELSEN
  • MEMBER
  • 1998 DODGE CARAVAN
  • 6 CYL
  • FWD
  • AUTOMATIC
  • 174,000 MILES
I need to know where the starter is located in this vehicle. I am having a problem with it starting intermittently and I need to check to make sure that the wiring is tight.

Had a similar problem last year and had someone tighted the wires and it has worked fine since then until now.

It will start sometimes very consistently and other times not.

Nothing in my owners manual shows me where the starter is located so that I may check the connections.
Wednesday, August 6th, 2008 AT 5:52 PM

22 Replies

Tiny
BMRFIXIT
  • MECHANIC
  • 19,053 POSTS
Hello,

This guide should help

https://www.2carpros.com/articles/starter-not-working-repair


https://www.2carpros.com/forum/automotive_pictures/99387_plymouth_tcc_3.jpg



Please run down this guide and report back.
Was this
answer
helpful?
Yes
No
Wednesday, August 6th, 2008 AT 9:19 PM
Tiny
NUTS4BOLTS
  • MEMBER
  • 7 POSTS
  • 1998 DODGE CARAVAN
Electrical problem
1998 Dodge Caravan 6 cyl Front Wheel Drive Automatic

Will not turn over. None of the gauges work nor the odometer and gear range display. Starter relay underhood good and I can jump between B+ and output wire to solenoid and it cranks but still doesn't start. Relays were going crazy underhood. So, I decided to change PCM(USED), it cranked and died 3 times and now I'm back to NOTHING. When I hooked up PCM the battery was disconnect. HELP
Was this
answer
helpful?
Yes
No
Tuesday, August 20th, 2019 AT 12:47 PM (Merged)
Tiny
JDL
  • MECHANIC
  • 16,098 POSTS
Hello, I'd make sure the battery has a full charge and the connections are all clean and tight. Any codes?

Did you check for voltage at the starter relay circuits? The voltage for the load side of relay is probably hot all the time. The voltage for the control side of relay goes hot with the key in the crank position. The control side of relay has to have voltage and ground or the relay won't energize. Low voltage will cause relays to click.
Was this
answer
helpful?
Yes
No
Tuesday, August 20th, 2019 AT 12:47 PM (Merged)
Tiny
DANAUTHIER
  • MECHANIC
  • 156 POSTS
In Chrysler vans with multible unrelated system failures in a relitively short period of time, be sure to check the bottom side of the Power Distribution Module (fuse box) under the hood for signs of corrosion, heat damage, etc. I have never seen a TSB on this but have run into it on many occasions, as well as have two chrysler dealer service mangers that I work with regularly.
In every case I have had (after proper diagnosis) replacing the PDM with a new unit has corrcted the problem.
The symptom of the randomly firing relays is what makes me think this may be your problem, but be sure to check all your wiring(primarily to the PDM & PCM) and the ignition switch as well. A new PDM is not in the price range that I would recommend putting it in just to see.
Hpe this helps, let me know.
Dan
Was this
answer
helpful?
Yes
No
Tuesday, August 20th, 2019 AT 12:47 PM (Merged)
Tiny
OZZMAN
  • MEMBER
  • 4 POSTS
  • 1998 DODGE CARAVAN
Engine Mechanical problem
1998 Dodge Caravan 6 cyl Two Wheel Drive Automatic

We were driving on the interstate and something fell off the back of a trailer. It went under our Caravan and hit the bottom of the van hard. Is there a safety switch somewhere that tripped or could there be something else?
Was this
answer
helpful?
Yes
No
Tuesday, August 20th, 2019 AT 12:47 PM (Merged)
Tiny
BMRFIXIT
  • MECHANIC
  • 19,053 POSTS
No safety switch?
Was this
answer
helpful?
Yes
No
Tuesday, August 20th, 2019 AT 12:47 PM (Merged)
Tiny
OZZMAN
  • MEMBER
  • 4 POSTS
Sorry it took so long to respond. Just got the internet back. When whatever it was hit the bottom of the van, my wife pressed the gas pedal while we were still going down the road and nothing happened. She pulled over and turned the ignition off and it won't even turn over. I've tried to change out some relay switches to see if that was the problem but it didn't work. I've looked under the van. No broken wires or visible damage. Any help would be appreciated.
Was this
answer
helpful?
Yes
No
Tuesday, August 20th, 2019 AT 12:47 PM (Merged)
Tiny
BMRFIXIT
  • MECHANIC
  • 19,053 POSTS
Use a test light and check all fuses
check battery and terminals
when key on do you have a check engine light on (you should )
lets cycle key on off on off on off on read codes if any in the odometer area
check oil and if any leaking
Was this
answer
helpful?
Yes
No
Tuesday, August 20th, 2019 AT 12:47 PM (Merged)
Tiny
OZZMAN
  • MEMBER
  • 4 POSTS
When I cycle the key it gives me the code 1255. The battery keeps dying but when I charge the battery the van still wont start. The fuses are fine. And the oil is fine.
Was this
answer
helpful?
Yes
No
Tuesday, August 20th, 2019 AT 12:47 PM (Merged)
Tiny
BALEAHAY
  • MEMBER
  • 2 POSTS
  • 1998 DODGE CARAVAN
Electrical problem
1998 Dodge Caravan 6 cyl Front Wheel Drive Automatic 121K miles

I have a 1998 Dodge Caravan and at times after i've driven it for awhile, and stop and shut it off, when I get back in to restart it, it will not turn over. All the dash lights go on except the Mileage and gear postion lights. And the van will start, but quit right away. This will happen a couple of times, then nothing. But if I let it sit approx an hour and a half. Everything works, and it starts right up. This has happened twice now. Any ideas. Thanks
Was this
answer
helpful?
Yes
No
Tuesday, August 20th, 2019 AT 12:47 PM (Merged)
Tiny
RASMATAZ
  • MECHANIC
  • 75,992 POSTS
Check and test the auto shutdown relay/ ASD relay and the fuel pressure.

This relay can give a terrible headache-it powers the coil/fuel pump thru the fuel pump relay/injector all at once when the computer energizes it.
Was this
answer
helpful?
Yes
No
Tuesday, August 20th, 2019 AT 12:47 PM (Merged)
Tiny
BMRFIXIT
  • MECHANIC
  • 19,053 POSTS
Code P1255
sorry not familiar with this code
need to get a test light and check for power at the starter and look for any broken wires
good luck
Was this
answer
helpful?
Yes
No
Tuesday, August 20th, 2019 AT 12:47 PM (Merged)
Tiny
OZZMAN
  • MEMBER
  • 4 POSTS
I found a cut wire to the neutral saftey switch. Fixed it and van running but over heating. I figure it's the thermostat or water pump.
Was this
answer
helpful?
Yes
No
Tuesday, August 20th, 2019 AT 12:47 PM (Merged)
Tiny
BMRFIXIT
  • MECHANIC
  • 19,053 POSTS
Fan realy and wiring at the same side
give it a good look too
good luck
Was this
answer
helpful?
Yes
No
Tuesday, August 20th, 2019 AT 12:47 PM (Merged)
Tiny
CARADIODOC
  • MECHANIC
  • 34,449 POSTS
Lots of defective logic. Relays and thermostat are up high and will not be affected by running over something. Water pump won't be damaged either. When you start throwing a bunch of parts at it without a proper diagnosis, you introduce a lot of new variables. BMRFIXIT suggested fan wiring. That makes the most sense. If he is right, it will not overheat on the highway when the wind is blowing through the radiator. If it does overheat, coolant is not circulating. Check for a crushed or pinched lower radiator hose, or a serpentine belt knocked off the pulleys. With the belt off, you won't have power steering either.

The codes you read are 12 and 55. 12 just means the ignition switch was turned off. 55 is the end of the message. Both of these are normal.

Caradiodoc
Was this
answer
helpful?
Yes
No
Tuesday, August 20th, 2019 AT 12:47 PM (Merged)
Tiny
REMARINO
  • MEMBER
  • 1 POST
  • 1998 DODGE CARAVAN
  • 6 CYL
  • 2WD
  • AUTOMATIC
  • 164,000 MILES
Last night I pulled into a gas station and did not see the curb and went up the curb at about 10 mph I then backed off and proceeded to get gas. I shut my vehicle off to gfet gas and then it will not start up or even crank over. Everything works radio horn lights etc. Please advise
Was this
answer
helpful?
Yes
No
Tuesday, August 20th, 2019 AT 12:47 PM (Merged)
Tiny
SSRS1978
  • MEMBER
  • 1 POST
  • 1998 DODGE CARAVAN
  • 6 CYL
  • FWD
  • AUTOMATIC
  • 85,000 MILES
Have power but wont turn over
Was this
answer
helpful?
Yes
No
Tuesday, August 20th, 2019 AT 12:47 PM (Merged)
Tiny
BMRFIXIT
  • MECHANIC
  • 19,053 POSTS
Check replace starter
check fuses and relays
Was this
answer
helpful?
Yes
No
Tuesday, August 20th, 2019 AT 12:47 PM (Merged)
Tiny
PAMMYCHEF
  • MEMBER
  • 1 POST
  • 1995 DODGE CARAVAN
I have a 1995 Dodge caravan shut it off and suddenly it won't crank over. Has a 6 cyl engine 185,000 mi. I have checked the fuses and the battery. Lights and horn and information lights in the dash work. Starter does not seem to engage and i'm not sure where the starter is to check the wiring. I'm not sure what else to check. Can you help me?
Was this
answer
helpful?
Yes
No
Tuesday, August 20th, 2019 AT 12:49 PM (Merged)
Tiny
RASMATAZ
  • MECHANIC
  • 75,992 POSTS
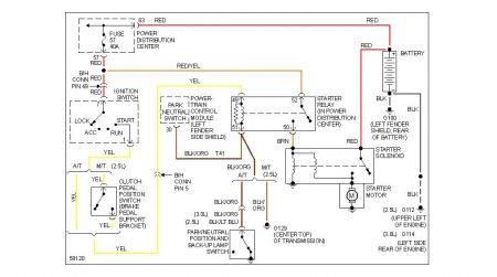
Find the starter its in between the engine and transmission. At solenoid brown wire-look for power there while key is at starting positon-Power present, replace the starter. No power see below


https://www.2carpros.com/forum/automotive_pictures/12900_1994_dosge_caravan_starting_circuit_1.jpg



www. .com
Was this
answer
helpful?
Yes
No
Tuesday, August 20th, 2019 AT 12:49 PM (Merged)

Please login or register to post a reply.