Engine stalls during excessive heat?

Tiny
LEGITIMATE007
  • MECHANIC
  • 5,121 POSTS
https://www.2carpros.com/how_to/how_to_check_fuel_pressure.htm
Was this
answer
helpful?
Yes
No
Monday, September 21st, 2020 AT 6:53 PM (Merged)
Tiny
MARIN
  • MEMBER
  • 7 POSTS
  • 1993 DODGE CARAVAN
  • 3.0L
  • 6 CYL
  • 2WD
  • AUTOMATIC
  • 135,000 MILES
Just quit running, and I tested and found that no current to the coil and no fuel pressure. I replaced the sbec computer, nothing change. Can any body help me?
Was this
answer
helpful?
Yes
No
Monday, September 21st, 2020 AT 6:53 PM (Merged)
Tiny
KASEKENNY
  • MECHANIC
  • 18,907 POSTS
Hi Marin,

Have you checked the Auto Shut Down relay? This relay is controlled by the PCM and will cut power to the injectors and ignition coil if the PCM sees an issue. However, the relay itself can fail and you will lose power to the fuel system and ignition system.

Here is a little more detail about it. Please let me know if this is not it and we can go from there. Thanks
Was this
answer
helpful?
Yes
No
+1
Monday, September 21st, 2020 AT 6:53 PM (Merged)
Tiny
MARIN
  • MEMBER
  • 7 POSTS
I have replaced the auto shut down relay in my van and it does the same. Just cranks normal but does not start. I am thinking, but not sure if replacing the pick up coil in the distributor would solve the problem?
Was this
answer
helpful?
Yes
No
Monday, September 21st, 2020 AT 6:53 PM (Merged)
Tiny
MARIN
  • MEMBER
  • 7 POSTS
Thanks, and I would appreciate your help.
Was this
answer
helpful?
Yes
No
Monday, September 21st, 2020 AT 6:53 PM (Merged)
Tiny
KASEKENNY
  • MECHANIC
  • 18,907 POSTS
Can you give more detail about what module you replaced? You said the SBEC module but I am not familiar with what that is.

If you don't have power to the fuel pump or the ignition coils, I suspect you have a PCM issue. The PCM controls the ground for each of these systems.

Let me know what is meant by the SBEC Module and we can go from there.
Was this
answer
helpful?
Yes
No
Monday, September 21st, 2020 AT 6:53 PM (Merged)
Tiny
MARIN
  • MEMBER
  • 7 POSTS
Single board engine controller sbec.
Was this
answer
helpful?
Yes
No
Monday, September 21st, 2020 AT 6:53 PM (Merged)
Tiny
KASEKENNY
  • MECHANIC
  • 18,907 POSTS
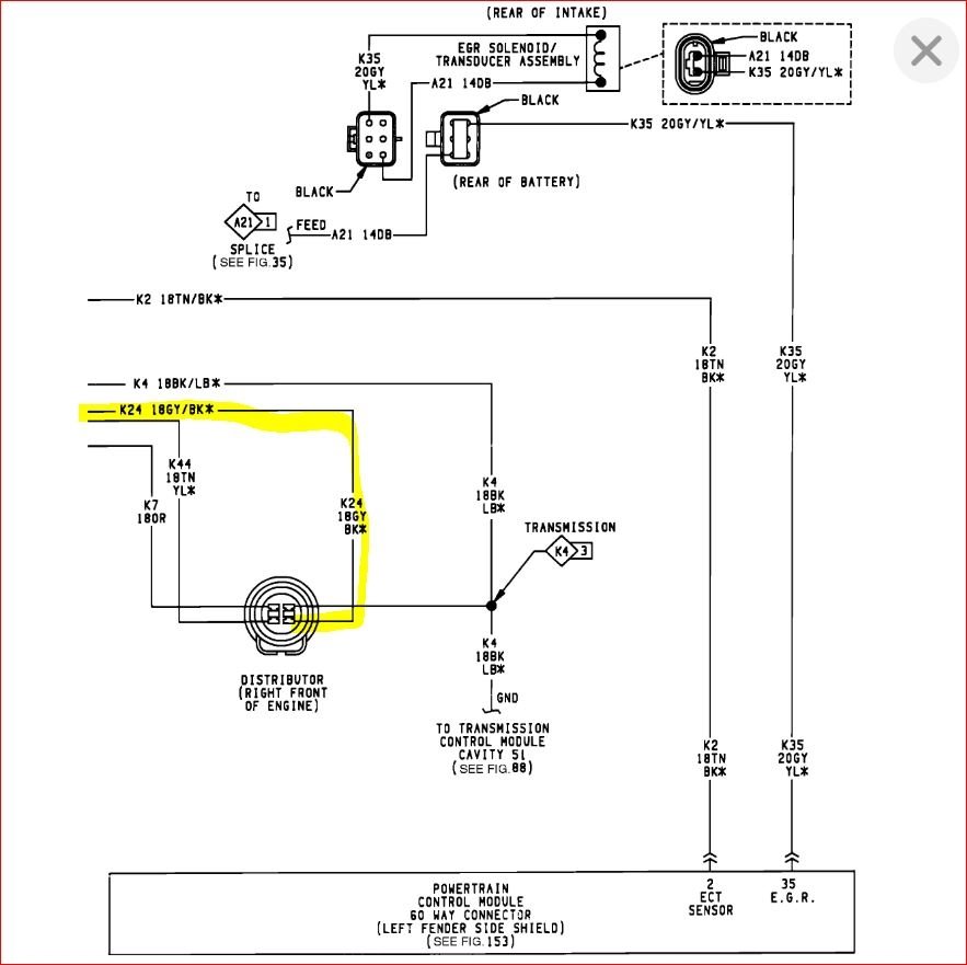
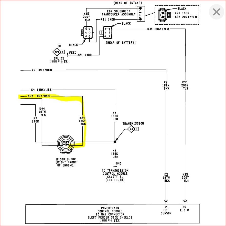
Okay. I am not sure why I didn't pick up on this earlier when you mentioned it. The pickup in the distributor is used to determine crankshaft position. If the PCM is not getting this signal it will shut down the ASD, fuel pump relay, and ignition.

I am pretty confident that this is your issue. Here is the procedure to replace it in case you need it.

Please let me know how this turns out. Please notice the highlighted portion of the first attachment that will pretty much confirm this.

Sorry, I am not sure why I overlooked this earlier.
Was this
answer
helpful?
Yes
No
+1
Monday, September 21st, 2020 AT 6:53 PM (Merged)
Tiny
MARIN
  • MEMBER
  • 7 POSTS
I dont have any voltage to the distribuitor, with my light tester connected to batt. Ground, looking for any current, nothing.
At all.
Was this
answer
helpful?
Yes
No
Monday, September 21st, 2020 AT 6:53 PM (Merged)
Tiny
KASEKENNY
  • MECHANIC
  • 18,907 POSTS
If you have no voltage on any of the circuits then have you checked the inline connector from the PCM to the distributor/coil? Each of these circuits run through the inline connector that is at the rear of the battery.

I highlighted a few of the circuits. Specifically the coil driver circuit (this delivers the voltage for the primary side of the coil), the 9 volt supply circuit for the distributor, and the signal return which is what the PCM needs to fire the injectors and coil.

Take the connector apart and see if there is any water intrusion or burn marks that indicate a short circuit.

Worst case, I would measure voltage coming out of the PCM for the 9 volt supply and driver circuit and see if you have voltage coming out. I suspect you will and if so, just cut the wire and run your own wire directly to the distributor. Do this for each wire and that will ensure you have power and return.

Let me know what you find.
Was this
answer
helpful?
Yes
No
Monday, September 21st, 2020 AT 6:53 PM (Merged)
Tiny
MARIN
  • MEMBER
  • 7 POSTS
I set my multi-meter in volts(v) and the reading is -12.3 volts black and gray wire to the coil, and -12.3 in the green and orange wire to the coil, then I connect back the coil and tested the connector to the distributor, the four wires give me a reading - 0.1 volts. So I am not very familiar with the multi-meter, I may not read correct, that's what I try my best. Thanks amigo for be patient with me.
Was this
answer
helpful?
Yes
No
Monday, September 21st, 2020 AT 6:53 PM (Merged)
Tiny
KASEKENNY
  • MECHANIC
  • 18,907 POSTS
Is there a way that you can get a quick video showing how you have the meter hooked up because I think I am missing something? If you have power to the coil, which it sounds like you do, then you just don't have the signal to deliver the spark which would be the distributor. It is actually the pick up inside the distributor but I would expect you to at least have your supply power which is why I want to see how you have it hooked up.

Thanks
Was this
answer
helpful?
Yes
No
Monday, September 21st, 2020 AT 6:53 PM (Merged)
Tiny
DIESELVIN
  • MEMBER
  • 2 POSTS
  • 1994 DODGE CARAVAN
I have a Caravan 94 3.3 200,000 miles it starts fine but when start in mornings and engage D or R it stalls I have to let engine get warm then when I engage D or R RPM slow to 500 it seems it going to stall but then return to 900 rpm about three or four times then it works fine just an A/T "brrrzzz" noise each time transmission do a speed change. It´s something with the engine temperature, only do this when cold. Any ideas. Please Help me.
Regards from Mexico City
Was this
answer
helpful?
Yes
No
Monday, September 21st, 2020 AT 6:53 PM (Merged)
Tiny
PEPPERMRJ
  • MECHANIC
  • 1,158 POSTS
Could be tune uo time. Plugs, wires, etc. Problems seem to show up when cold. Also try a new fuel filter and some fuel injector cleaner.

Good luc and let us know. :)

What exactly is cold in Mexico City?
Was this
answer
helpful?
Yes
No
Monday, September 21st, 2020 AT 6:53 PM (Merged)
Tiny
DIESELVIN
  • MEMBER
  • 2 POSTS
Well in mornings is between 5 an 10°C (a dont have a conversion table to °F at hand)

I gonna change the wires (already change the fuel filter and spark plugs)

I´m going to change the fuel pump and gas "floater" ´cause the gas gauge is not working properly, it fluctuates and receive a CHECK GAGES message, and I found that is the floater on tank, but only sell as a kit along with the fuel pump, Could it be that pump pressure tends to fail in cold mornings? If so I can "kill two birds with one stone"

THanks a lot

Regards from Mexico City (Its pretty warm at noons)
Was this
answer
helpful?
Yes
No
Monday, September 21st, 2020 AT 6:53 PM (Merged)
Tiny
SCVANGUARD86
  • MEMBER
  • 1 POST
  • 1994 DODGE CARAVAN
1994 Dodge Caravan 6 cyl Two Wheel Drive

Ususally when I start the van, it has to run a while before it will stay idling on it's own. Now it will not even stay idled enough to stay running. It dies when you begin to come to a stop. It does not idle enough to stay running
Was this
answer
helpful?
Yes
No
Monday, September 21st, 2020 AT 6:53 PM (Merged)
Tiny
OBXAUTOMEDIC
  • MECHANIC
  • 3,711 POSTS
OK, Is your check engine light on? If so pull codes.

It could possible be the MAP Sensor(Manifold Absolute Pressure Sensor)
Was this
answer
helpful?
Yes
No
Monday, September 21st, 2020 AT 6:53 PM (Merged)

Please login or register to post a reply.