DOD, AFM not working

Tiny
STEVE W.
  • MECHANIC
  • 15,610 POSTS
Thank you. The VIN made it clear as mud. LOL. It shows you have the LM4 but doesn't list it as having AFM.
About the only option at this point is to use a good scan tool and see if there is anything hidden code wise and use the tool to test for the AFM controls and verify they work. Then check the wiring and parts to be sure nothing is wrong.
Was this
answer
helpful?
Yes
No
Tuesday, January 28th, 2020 AT 8:51 AM
Tiny
KEN L
  • MASTER CERTIFIED MECHANIC
  • 55,077 POSTS
In the video I noticed the cluster not working which could be the problem because the CAN system runs through the circuit of the cluster. Did the gauges stop working after you cleaned the engine?
Was this
answer
helpful?
Yes
No
Tuesday, January 28th, 2020 AT 10:59 AM
Tiny
PAUL KREMER
  • MEMBER
  • 47 POSTS
Hi Ken, happy new year.
Your last question I do not understand? Cluster?
I add pictures maybe on picture you can show me?
If not possible on picture tell me please on video, on what time (seconds)
does it starts.
Pictures from last work, replacing knock sensors with wire.
Was this
answer
helpful?
Yes
No
Saturday, January 23rd, 2021 AT 11:30 AM
Tiny
STEVE W.
  • MECHANIC
  • 15,610 POSTS
I believe Ken was referring to the instrument cluster inside the car. It looks like there is an issue with at least the temperature gauge. If that is due to a short in a sensor it could stop the DOD from working. However the more common issue with those is the stepper motor that moves the needle.
As the DOD stopped working after the wash I would suspect a bad connector that got water in it and now it is sending a bad signal. However those can be difficult to find as it could be almost any sensor or connector on the engine. The P0332 code alone would stop it from working, but if that code isn't being set now that the sensors have been replaced (nice work there) then the next step would be to connect a scan tool and watch the various sensor signals to find the one that isn't reading where it should be. The list I posted earlier are the signals the system uses to operate, any of them could be the reason.
Was this
answer
helpful?
Yes
No
Sunday, January 24th, 2021 AT 7:39 PM
Tiny
PAUL KREMER
  • MEMBER
  • 47 POSTS
Hello, I checked knock sensors, rear is not showing function. I have to remove again all that stuff. Why oil pressure sensor showing maximum? Engine noise?
Thanks.
Was this
answer
helpful?
Yes
No
Saturday, April 3rd, 2021 AT 8:28 AM
Tiny
PAUL KREMER
  • MEMBER
  • 47 POSTS
Info video.
Was this
answer
helpful?
Yes
No
Saturday, April 3rd, 2021 AT 10:00 AM
Tiny
STEVE W.
  • MECHANIC
  • 15,610 POSTS
How did you test the sensor? I would test it at the wiring harness outside the engine as it's more likely a wiring issue if you replaced the sensors already. The oil pressure could be a bad sending unit, or a short in the wiring.
Was this
answer
helpful?
Yes
No
Saturday, April 3rd, 2021 AT 6:37 PM
Tiny
PAUL KREMER
  • MEMBER
  • 47 POSTS
On video you can see how I did. To find right wire in wiring harness is not easy, especially when I don't know where to look. Should I check at ECM? Or you have wire diagram?
Thanks. Paul
Was this
answer
helpful?
Yes
No
Sunday, April 11th, 2021 AT 1:16 AM
Tiny
STEVE W.
  • MECHANIC
  • 15,610 POSTS
Okay, so you still have the P0332 code then but it seems the sensor itself works from your test. This started after washing the engine and there are a dew places water could get in. I believe you were testing in C115 which is the harness connector. As such you shouldn't need to take it apart again. Instead I would go to the PCM and test there. You should get the same results when you hit the block. Another test just to be sure would be to use a couple jumper wires and reverse the connections at connector C115, so that the rear sensor connects to the front wiring and the front sensor connects to the rear. If you still get the same P0332 then you know it isn't the sensor or from that connector to it.
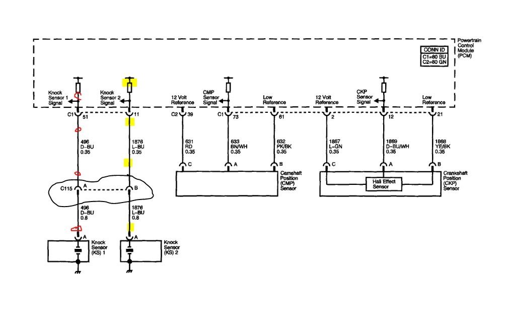
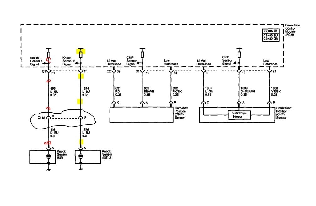
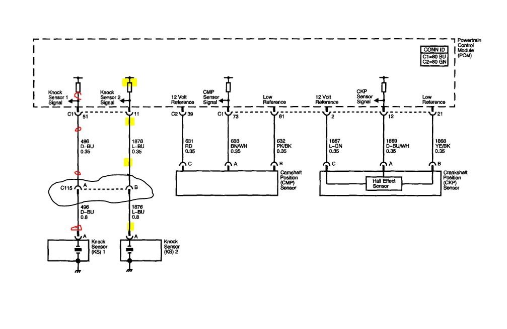
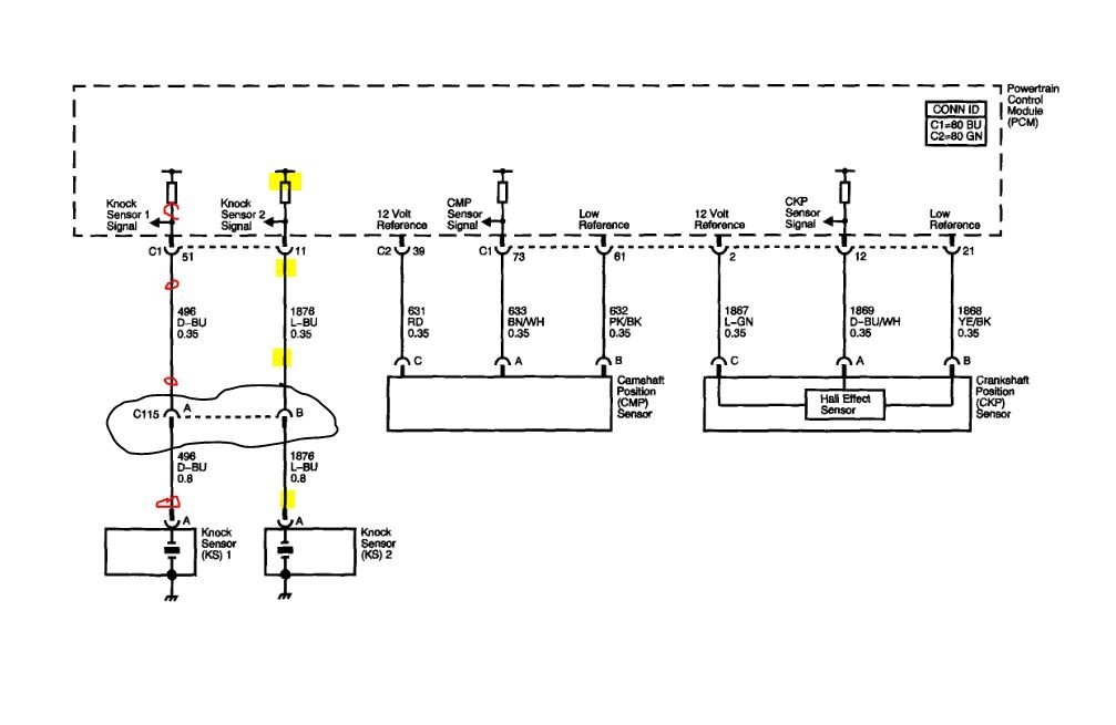
At the PCM the knock sensors are both in connector 1 at pins 11 (light blue sensor 2) and 51 (dark blue sensor 1) Being you have an issue with sensor 2 I would try to use a needle to back probe that pin on the connector without disconnecting it. Then see if you show the same change there when you tap, if you do then remove the connector and check it for corrosion/bad pins. If you don't have the same change as you did then you will need to inspect that harness to see if it has any damage between the knock sensor harness where you were testing and the PCM. If you have the same numbers at the PCM connector and removing the connector doesn't show any corrosion and testing right there still shows the changing data then something happened internal to the PCM.
Was this
answer
helpful?
Yes
No
Monday, April 12th, 2021 AT 6:48 AM
Tiny
PAUL KREMER
  • MEMBER
  • 47 POSTS
Hi, I did all above but still light is on. I bought new knock sensors and build it in, now with right torque and light is off now. After replacing Knock Sensors Bordcomputer shows me crazy fuel mileage (opposite, Video). What cause that problem? Thanks. Wbw.
Was this
answer
helpful?
Yes
No
Monday, May 24th, 2021 AT 9:14 AM
Tiny
STEVE W.
  • MECHANIC
  • 15,610 POSTS
Sounds like at least one of the sensors was a bit out of spec then, but the light is off and codes are gone so great.

Odd, but I think it's probably because the system uses the fuel level in the tank along with the other inputs. The other inputs are somewhat stable while driving while the fuel is moving around a lot in the tank. Try filling the tank all the way to eliminate most of the motion and see what it shows then, with a full tank the sensor should stay close to stationary regardless of vehicle position and it shouldn't cause it to change that much.
Another thing that changes it would be the engine load, going uphill places a higher load on the engine which uses more fuel while going downhill takes most of that load away so you get better mileage. Both of those will cause the instant mileage to bounce around a lot.
Was this
answer
helpful?
Yes
No
Monday, May 24th, 2021 AT 10:18 AM
Tiny
PAUL KREMER
  • MEMBER
  • 47 POSTS
Hi guys, I'm back, will try again to fix my AFM because since September the 95 gas price riced up to $2.00. Engine code LM4 normally doesn't have AFM but it was working before I washed my engine space. After washing the engine space scan tool showed code for Mass Air Flow (MAF) Sensor, I bought a new one and replaced. Same time I cleaned throttle body and moved butterfly; mechanic told me I shouldn't move it because now I have to adjust it somehow? Now engine light is off, no code.
Was this
answer
helpful?
Yes
No
Wednesday, November 3rd, 2021 AT 2:54 PM
Tiny
PAUL KREMER
  • MEMBER
  • 47 POSTS
Today I checked with scan tool and have 2 codes.
Was this
answer
helpful?
Yes
No
Friday, November 5th, 2021 AT 10:53 AM
Tiny
STEVE W.
  • MECHANIC
  • 15,610 POSTS
The way those read they are not active codes. Note how they say the tests have not been run yet. I would clear the codes it shows and see if they return.
Was this
answer
helpful?
Yes
No
Friday, November 5th, 2021 AT 5:46 PM
Tiny
PAUL KREMER
  • MEMBER
  • 47 POSTS
Hi guys, after washing the engine space scan tool showed code for Mass Air Flow (MAF) Sensor, I bought a new one and replaced. Same time I cleaned throttle body and moved butterfly; mechanic told me I shouldn't move it because now I have to adjust it somehow? Now engine light is off, no code.
Was this
answer
helpful?
Yes
No
Friday, November 5th, 2021 AT 11:45 PM
Tiny
JACOBANDNICKOLAS
  • MECHANIC
  • 110,192 POSTS
Hi,

If you moved the throttle actuator, that shouldn't be an issue. It is recommended not to insert anything in it to move it because it can damage it. Also, if your fingers are in it and it actuates, that could cause personal issues.

However, the directions specifically indicate that you must move it to access the entire throttle plate. See pic below.

I hope this helps. Let me know if you are still having trouble.

Joe
Was this
answer
helpful?
Yes
No
Monday, November 8th, 2021 AT 6:04 PM
Tiny
PAUL KREMER
  • MEMBER
  • 47 POSTS
Hi guys, still looking way AFM/DOD not working?
Uploaded video, maybe you can see what is wrong?
Uploaded picture, same, can you check it?
1 and 2 picture, is that right location for checking AFM?
3 picture, AFM is disabled?
4 picture, engine Oil LOW? I checked oil, is on top mark. Maybe sensor is bad? Where is he located? Hot to check it for fault?
Thanks,
Paul
Was this
answer
helpful?
Yes
No
Tuesday, November 16th, 2021 AT 8:27 AM
Tiny
STEVE W.
  • MECHANIC
  • 15,610 POSTS
First you need to verify if it even has DOD, here is a real quick way, Look down under the intake at the valley cover. Is it smooth or does it have ribs and channels like the ones shown? If it's smooth it doesn't have AFM. If it is ridged it should have it. The electrical connector on the cover is what controls the oil. The low oil switch will read low or high. Low is off, high is on. So, yours is working. None of those PIDs are for the DOD, it may show in active tests, been a while since I've used a Snap-On scan tool. Personally, I've removed DOD from just about every vehicle because it has a very bad habit of damaging the camshafts and lifters. GM even knows how bad it is because they are offering DOD delete parts themselves.
Displacement on demand (DoD) is disabled for the following faults:
- Manifold Absolute Pressure Sensor
- Brake Booster Vacuum Sensor
- Engine Oil Pressure Sensor
- Engine Coolant Temperature Sensor
- Vehicle Speed Sensor
- Crankshaft Position Sensor
- Engine Misfire Detected
- Displacement On Demand Solenoid Driver Circuit Failure

So, check all of those to be sure they are connected and clean.
Was this
answer
helpful?
Yes
No
+1
Tuesday, November 16th, 2021 AT 12:01 PM

Please login or register to post a reply.