HOME
ASK A QUESTION
REPAIR GUIDES
BECOME A MEMBER
LOG IN
Login with Facebook
OR
Remember me
NOT A MEMBER?
FORGOT PASSWORD?
CONTACT US
PRIVACY POLICY
TERMS AND CONDITIONS
☰
Home
Ford
Mustang
Drivetrain
Transmission
Clutch
Pressure Plate
What is the clutch plate order on the axle gear?
BRIAN CHILDRESS
MEMBER
2000 FORD MUSTANG
4.6L
V8
2WD
AUTOMATIC
98,000 MILES
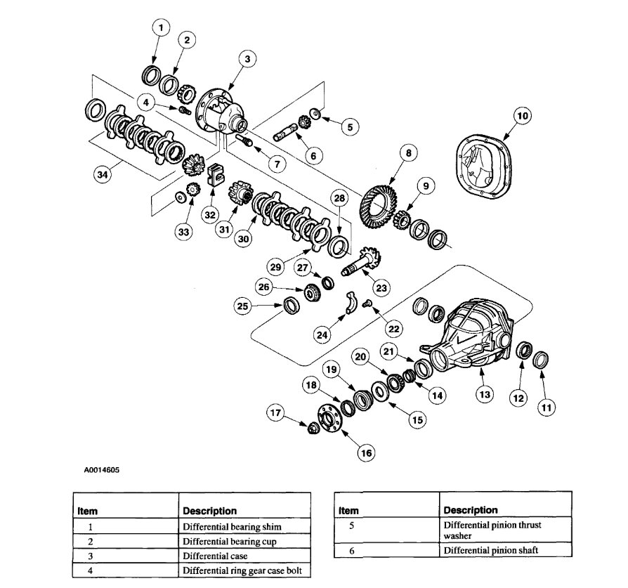
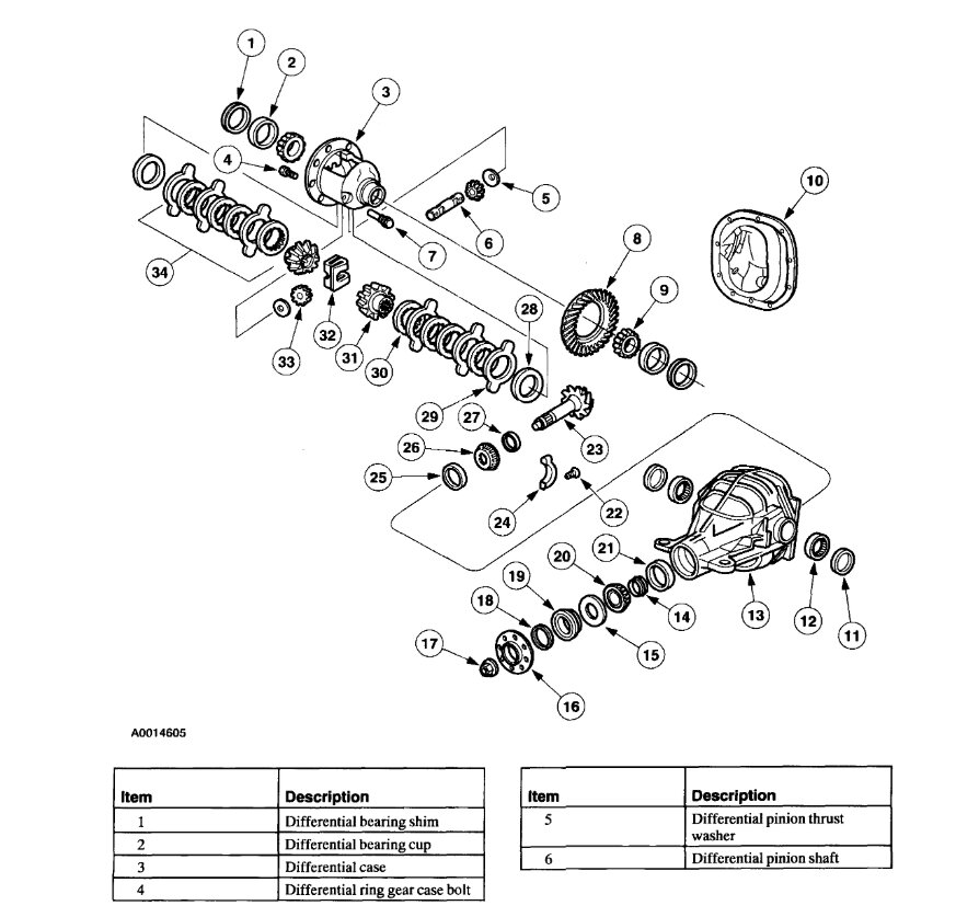
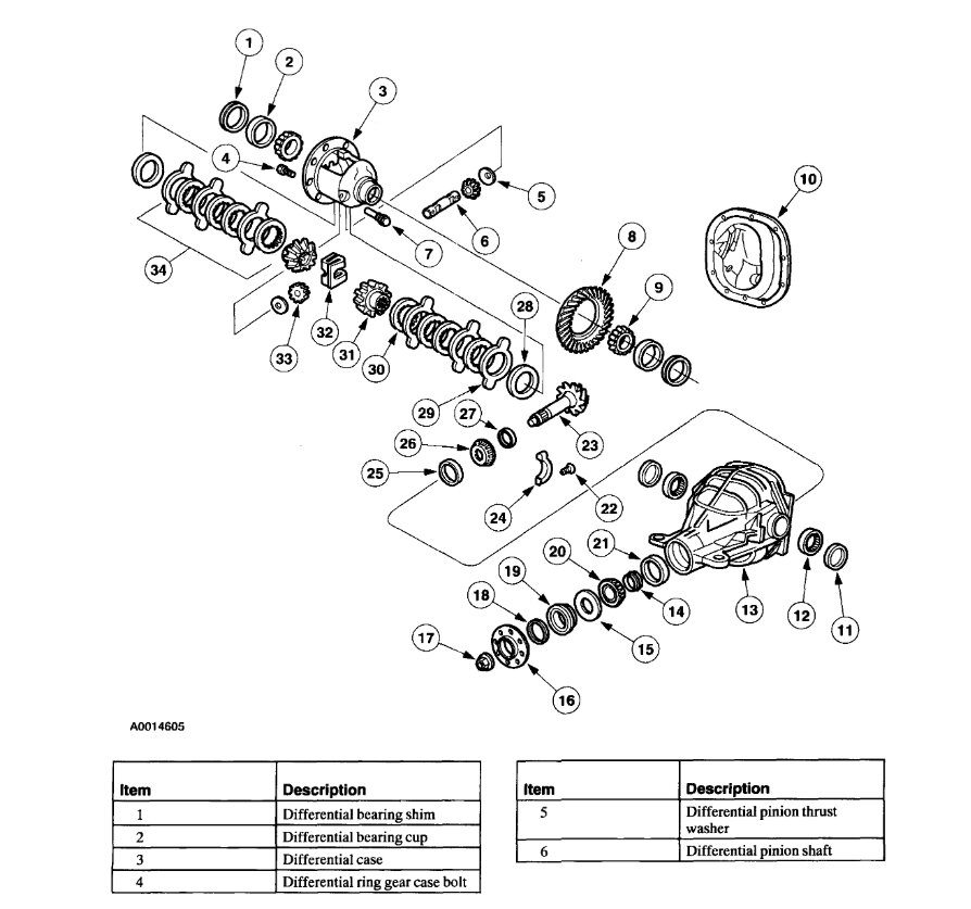
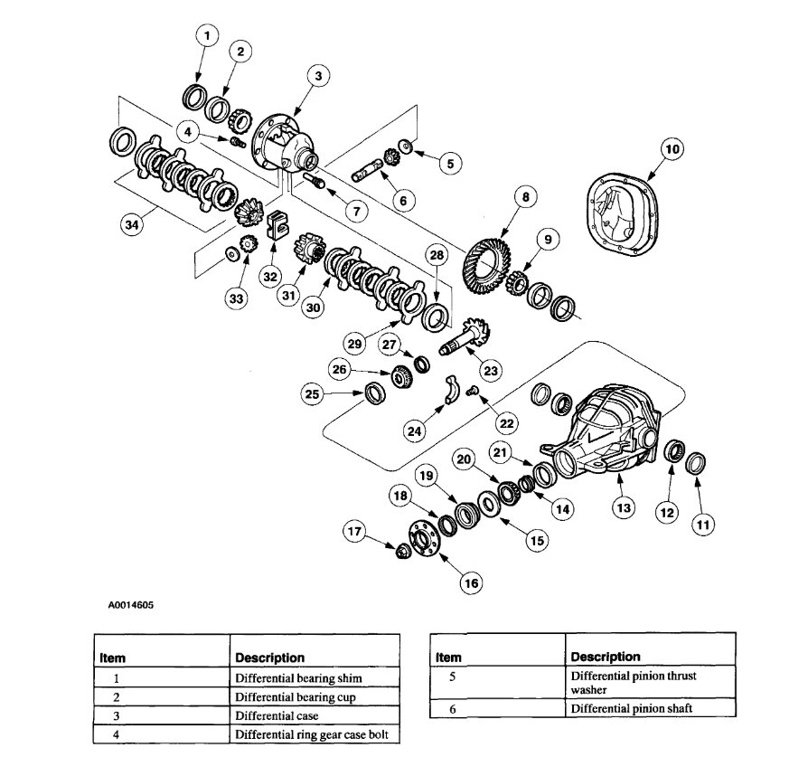
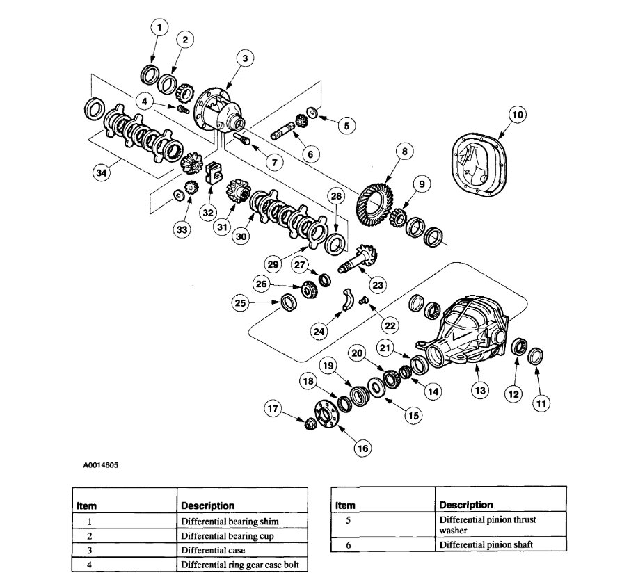
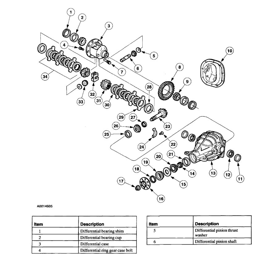
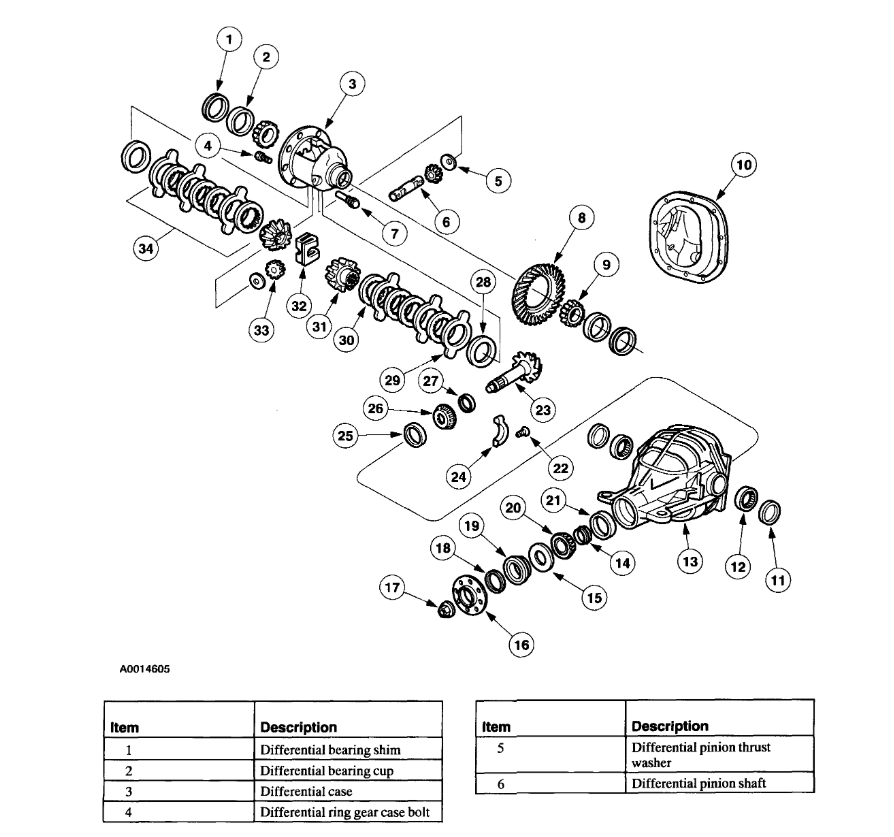
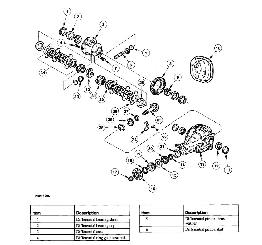
Differential clutch plates.
Wednesday, January 1st, 2025 AT 8:33 PM
1 Reply
KEN L
MASTER CERTIFIED MECHANIC
55,488 POSTS
Hi Brian,
Here is the clutch order for your posi-traction rear differential. Check out the images (below). Let us know if you need anything else.
Image (Click to make bigger)
Was this
answer
helpful?
Yes
No
Thursday, January 2nd, 2025 AT 10:59 AM
Please
login
or
register
to post a reply.
Related Transmission Clutch Pressure Plate Content
Clutch Pedal Has Very Little Resistance
2000 Mustang V6 Manual. When I First Get In The Car The Clutch Pedal Has Very Little Resistance After I Start It The Car Makes Loud...
Asked by
johnson2283
·
1 ANSWER
1 IMAGE
2000
FORD MUSTANG
What's Causing My Gt Mustang To Cut Back During...
I Have A 2000 Gt. When I Accelerate, The Car Wants To Cut Back And Make A Muffled Noise. It Mainly Happens In 3rd, 4th, And 5th. The...
Asked by
mustang67302
·
3 ANSWERS
1 IMAGE
2000
FORD MUSTANG
2000 Mustang Gt 4.6 Clutch Out
I Need Help Or Advice. I Have The Above Vehicle, A 2000 Ford Mustang Gt Convertible 4.6 Liter Motor, 5 Spd Trans. Just Turned 33,000 Miles...
Asked by
Gandalf
·
2 ANSWERS
2000
FORD MUSTANG
2008 Ford Mustang Ac Idle And Clutch Pedal
Rough Idle With Ac On. Engine Seems To Shake/ Shutter Then Return To Normal Also My Clutch Pedal Stays In 2 Inches Its A New Clutch And...
Asked by
delajame
·
1 ANSWER
1 IMAGE
2008
FORD MUSTANG
1993 Ford Mustang Clutch Cable
1993 Mustang With 2.3l And A 5 Speed. Just Recently I Replaced The Intermediate Clutch Cable, But Now I'm Trying To Replace The Cable From...
Asked by
lilrif
·
1 ANSWER
1993
FORD MUSTANG
VIEW MORE
Ask a Car Question. It's Free!
Clutch Not Working
Pilot Bearing Replacement
Throwout Bearing - Secondary Cylinder Replacement