Dashboard electrical issue

Tiny
JOEYRINALDI11
  • MEMBER
  • 2006 CADILLAC STS
  • 4.6L
  • V8
  • 2WD
  • AUTOMATIC
  • 151,000 MILES
Hello. I have the car listed above the 4.6l NorthStar. I'm having a very weird issue. Start the car, the dash comes on, then loses power, then comes back on, then loses power. This will keep happening repeatedly. Can drive the car while it does this up until recently, now whenever I drive the car sometimes it will die completely. Have to pull over and restart the car. Sometimes it will be fine, sometimes it will do this twenty more times. I'm thinking it's some sort of bad ground. I'm at a loss. I've never seen something like this before. Any info helps!

Thanks a ton.
-Joey
Tuesday, October 12th, 2021 AT 10:57 AM

3 Replies

Tiny
JACOBANDNICKOLAS
  • MECHANIC
  • 110,194 POSTS
Hi,

The first thing to check is the connector on the rear of the instrument panel cluster (IPC). Make sure it is tight, not corroded, and has no damage. If that is good, then I want you to check two fuses in the under-hood fuse box. I don't think they are bad; I need you to simply make sure they are tight and there is nothing causing a bad contact. Pull the fuse and inspect where it goes into the box.

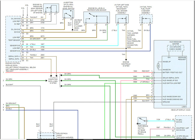
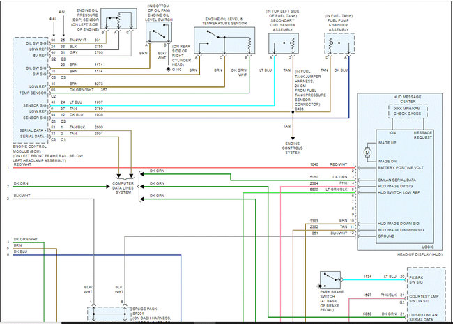
You mentioned a possible ground issue. That is a possibility as well. If you look at the attached pics below, I included the wiring schematic for the instrument panel. I highlighted the fuses to check, the wires related to the ground. Note, the ground location is behind the left kick panel. That is where your left foot would rest while driving. Also, there is a splice pack that will be attached to the harness going to the IPC. It should be close to the firewall under the dash and the wires will be black with a white tracer. If there is a ground issue, that is where I would suspect it could be. Something may have corroded at the splice causing issues. The last pic below shows the ground.

If you look at the last picture, I highlighted the two fuses I would like you to check.

Here are two links you may find helpful when testing / inspecting:

https://www.2carpros.com/articles/how-to-check-wiring

https://www.2carpros.com/articles/how-to-check-a-car-fuse

Let me know what you find or if you have other questions.

Take care,

Joe

See pics below. Note: The schematic was two pages in length. I had to cut each one in half to make them readable for you. I did overlap them for you so you can follow from one to the next.

Was this
answer
helpful?
Yes
No
Tuesday, October 12th, 2021 AT 6:49 PM
Tiny
JOEYRINALDI11
  • MEMBER
  • 2 POSTS
When I purchased the car, the radio did not work. I took a shot in the dark and ended up taking the radio out after doing a ton of digging and saw someone else had the same issue and their radio didn’t work as well. Turns out the radio was shorting out, causing the dash to lose power and sometimes shuts down the car. Thank you for the advice, I hope this helps anyone else who has this issue!
Was this
answer
helpful?
Yes
No
Tuesday, October 12th, 2021 AT 7:55 PM
Tiny
JACOBANDNICKOLAS
  • MECHANIC
  • 110,194 POSTS
Hi,

Wow, is that what the problem was for you? If so, thanks for the update. I know for sure that will help others.

Let me know.

Joe
Was this
answer
helpful?
Yes
No
+1
Tuesday, October 12th, 2021 AT 8:35 PM

Please login or register to post a reply.