Dash lights and running lights stopped working

Tiny
SMITHGRIND
  • MEMBER
  • 1999 CHEVROLET TAHOE
  • 5.7L
  • V8
  • 4WD
  • AUTOMATIC
  • 274,000 MILES
My headlights turn off when adjusting the steering column. Now nothing is working.
Sunday, October 4th, 2020 AT 5:52 PM

1 Reply

Tiny
JACOBANDNICKOLAS
  • MECHANIC
  • 110,192 POSTS
Hi,

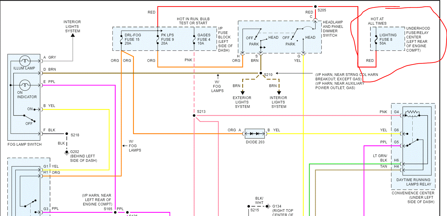
If moving the column was causing them to turn off and now nothing works, chances are you have a short in the column and have blown the primary lighting fuse. The fuse is located under the hood in he fuse box. (Lighting fuse 8)

See the attached wiring schematic (pic 1).

Let me know.
Joe
Was this
answer
helpful?
Yes
No
Sunday, October 4th, 2020 AT 7:22 PM

Please login or register to post a reply.