Friday, May 27th, 2016 AT 8:14 PM
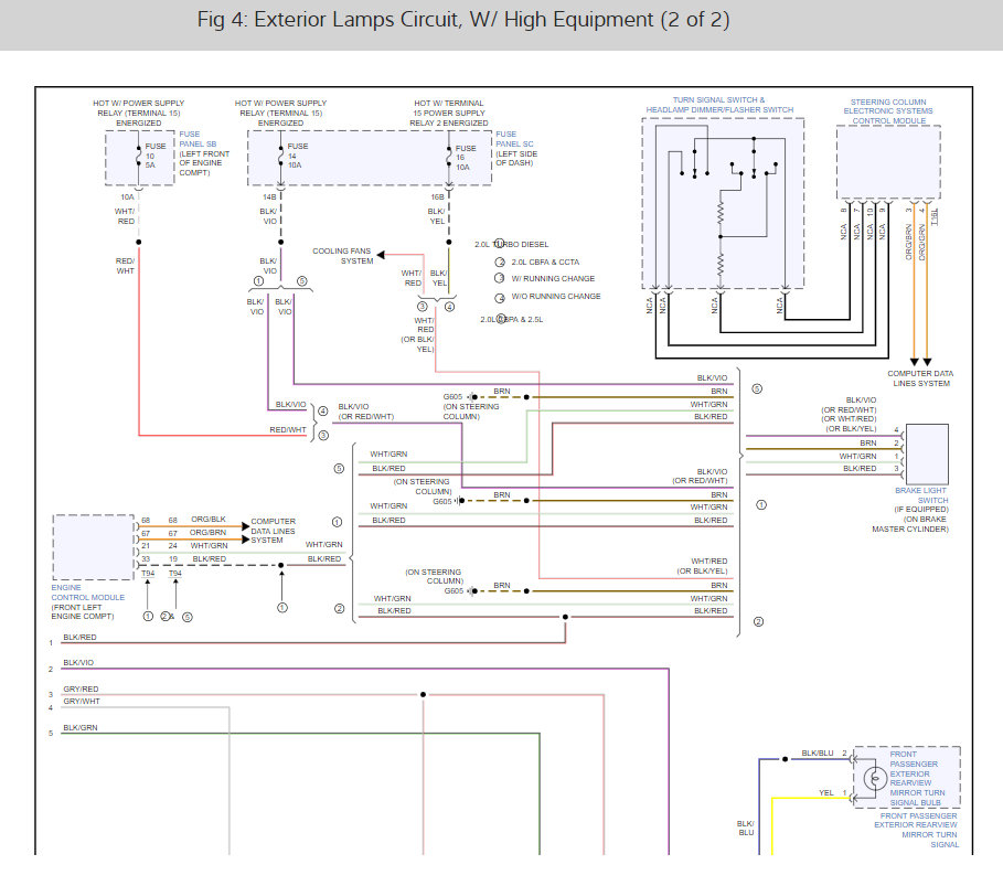
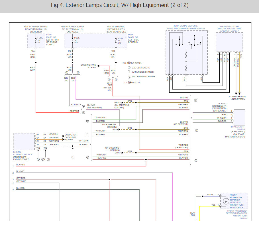
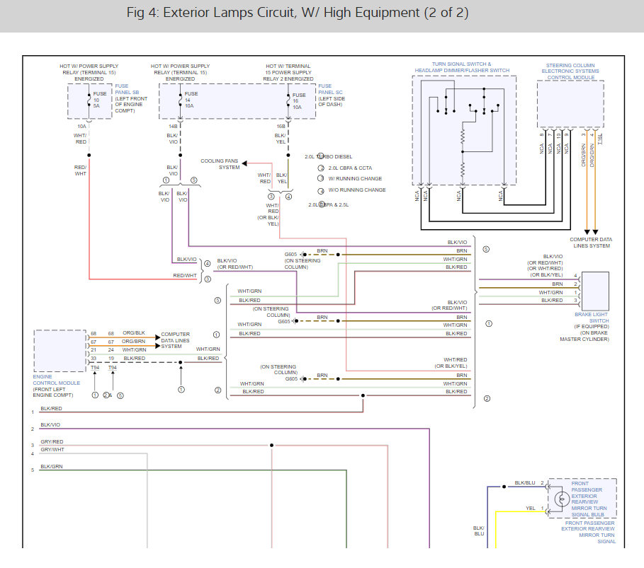
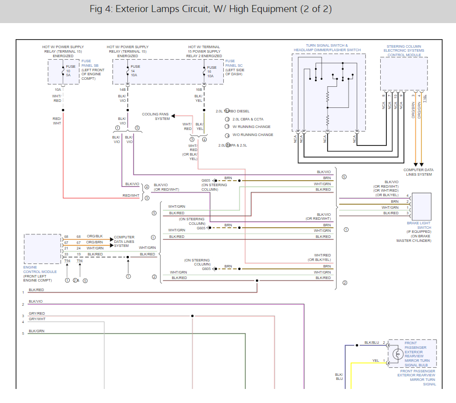
Where can I tell which fuse is for what. In the fuse box? There is nothing saying what fuse is for the radio, or the tail lights or the instrument cluster.














