Dash lights not working

Tiny
MICHELLE NYLEN
  • MEMBER
  • 2001 BUICK CENTURY
  • 3.1L
  • V6
  • 2WD
  • 165,000 MILES
I have lights for prnd etc. Have some light, headlights and running lights all work. Says low tire on dash, it lights up. I just had a new instrument panel cluster put in but still no lights on dash. It's not the fuse. Help can't see at light how fast I'm going. Now with a brand-new instrument cluster put in would that low tire that's lit up still be there? But why no dash lights still? Gas gauge shows full but when I first start it in morning it is on empty, temperature gauge seems to be working also.
Tuesday, March 8th, 2022 AT 9:15 PM

1 Reply

Tiny
JACOBANDNICKOLAS
  • MECHANIC
  • 110,194 POSTS
Hi,

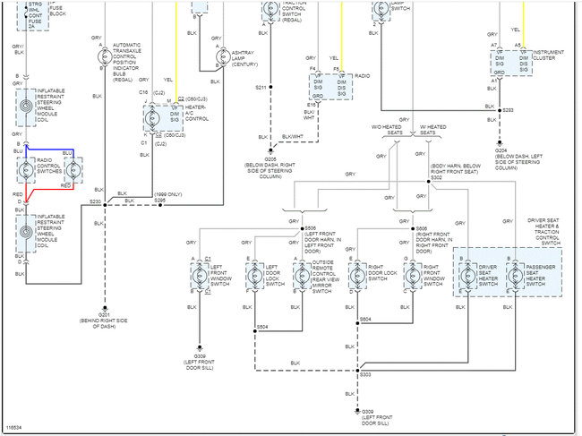
Power to the instrument panel lights is provided via the dimmer switch. Are the interior lamps working? Also, are other components such as the ashtray lamp, heater control lamps, and other things as such working?

If they are, then power is available to the cluster lights. If they don't work, check the 7.5-amp panel dimming fuse in the under-dash fuse panel. If they are working, I need you to disconnect the wiring from the cluster.

Next, check the gray wire indicated below for power with the lights on. This wire should show variable voltages based on dimmer switch positioning.

Also, check the yellow wire for power.

If you have no power and the fuse appears good, then I need you to confirm there is power to and from it.

Here are two links you may find helpful:

https://www.2carpros.com/articles/how-to-check-wiring

https://www.2carpros.com/articles/how-to-check-a-car-fuse

Note: If all other lights in the vehicle are working properly with the dimmer switch, chances are the splice in the gray wire (right side of the steering column) has failed.

I attached the wiring schematic below for your review. I had to cut it in half to make it readable for you, but I did overlap them so you can follow from one to the next.

Let me know what you find or if you have other questions.

Take care,

Joe

See pics below. Also, pic 3 indicates the fuse I'm referring to.

Was this
answer
helpful?
Yes
No
Wednesday, March 9th, 2022 AT 2:42 PM

Please login or register to post a reply.