Odometer and dashboard lights quit working why?

Tiny
JDARON57
  • MEMBER
  • 2003 BUICK CENTURY
  • 6 CYL
  • 2WD
  • AUTOMATIC
  • 105,200 MILES
The light on my odometer quit working about 3 weeks ago. Don't know why. Any help will be appreciated. Thanks
Thursday, September 3rd, 2009 AT 2:42 PM

23 Replies

Tiny
IMPALASS
  • MECHANIC
  • 3,112 POSTS
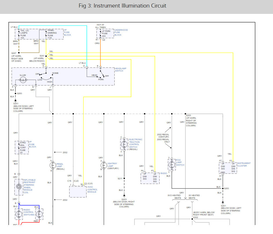
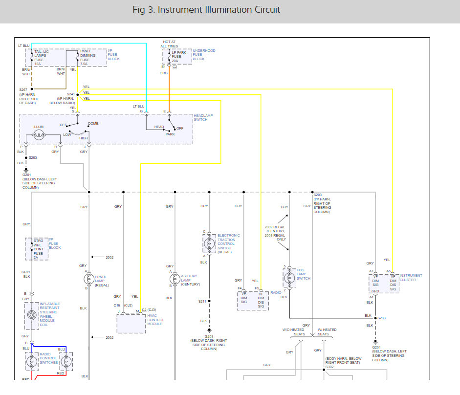
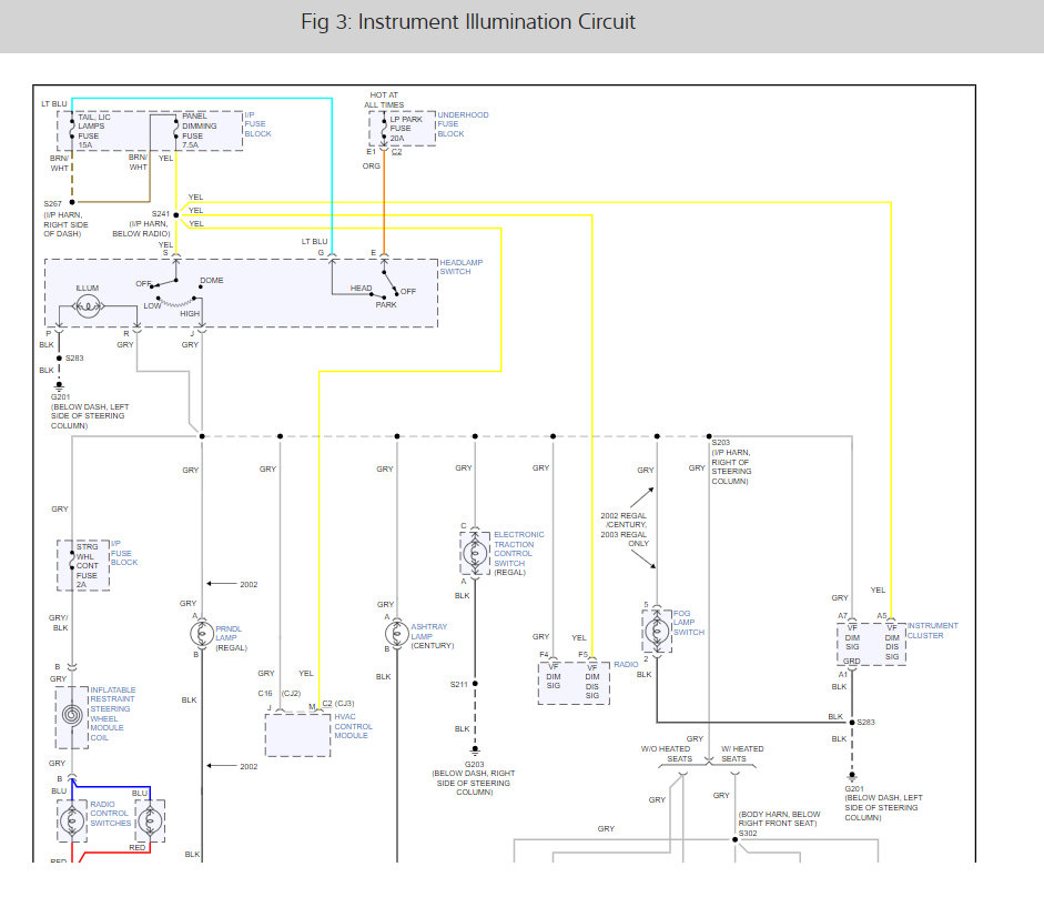
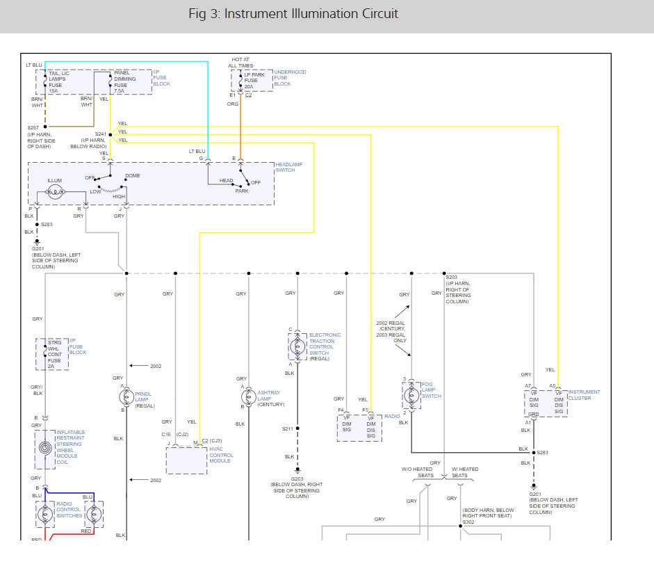
There is a panel dimmer fuse that needs to be check for power here is a guide t ehlp you with the fuse lotion in the diagrams below I also included the wiring diagrams so you can see how the system works.

https://www.2carpros.com/articles/how-to-check-a-car-fuse

Check out the diagrams (Below). Let us know what happens and please upload pictures or videos of the problem.
Was this
answer
helpful?
Yes
No
+3
Friday, September 4th, 2009 AT 2:04 PM
Tiny
JDARON57
  • MEMBER
  • 2 POSTS
The cluster was bad I got a new one it fixed it fyi.
Was this
answer
helpful?
Yes
No
+3
Tuesday, September 8th, 2009 AT 2:38 PM
Tiny
CSPENCR
  • MEMBER
  • 2 POSTS
  • 2003 BUICK CENTURY
  • 6 CYL
  • FWD
  • AUTOMATIC
  • 73,000 MILES
My odometer does not come on. My dashboard lights up but not the odometer. Could you tell me if it is a fuse problem?
Was this
answer
helpful?
Yes
No
+8
Monday, March 22nd, 2021 AT 6:30 PM (Merged)
Tiny
SCOTTM7635
  • MEMBER
  • 1 POST
I read your problem, and it's something I'm way too familiar with. My grandfather owns a fleet of taxis, all of them Buick Century's and Buick Regals. Out of all the cars he owns, two of them have a working odometer. It's just something that happens randomly to these cars. I've owned two Century's, myself, and the odometer worked in my '99, with 160,000 miles, and the odometer burnt out in my 2001 with less than 60,000 miles. It's not just a simple repair, you're gonna have no choice but to replace the instrument cluster. The CPU itself gets fried.
Was this
answer
helpful?
Yes
No
+5
Monday, March 22nd, 2021 AT 6:30 PM (Merged)
Tiny
JASHAR369
  • MEMBER
  • 5 POSTS
  • 2003 BUICK CENTURY
  • 6 CYL
  • 2WD
  • AUTOMATIC
  • 105,000 MILES
I would like to check the fuse but I don't know which one to check. Is there a way that I could get a wiring diagram for this car on line.
If it turned out that the bulb was burnt out, could you give me a short summary of steps needed to access the bulb or bulbs?
Thanks for any help you can provide. Jim Hardiman
Was this
answer
helpful?
Yes
No
+1
Monday, March 22nd, 2021 AT 6:30 PM (Merged)
Tiny
KHLOW2008
  • MECHANIC
  • 41,814 POSTS
Hi Jim,

Thank you for the donation.

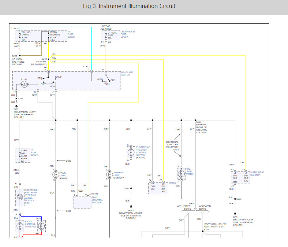
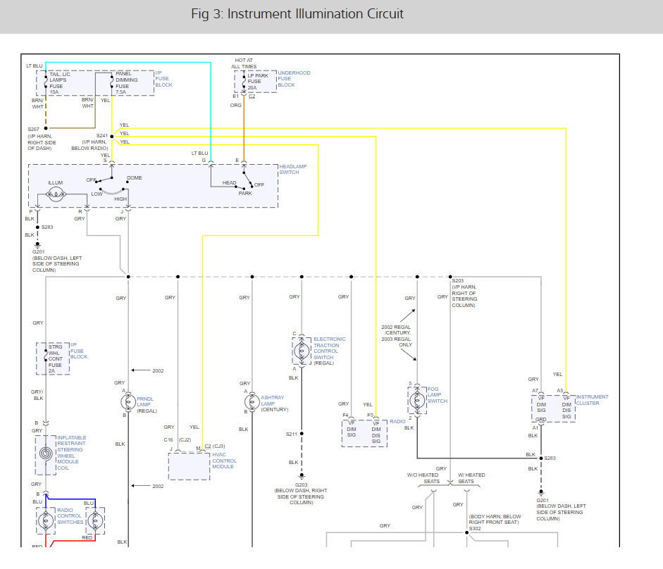
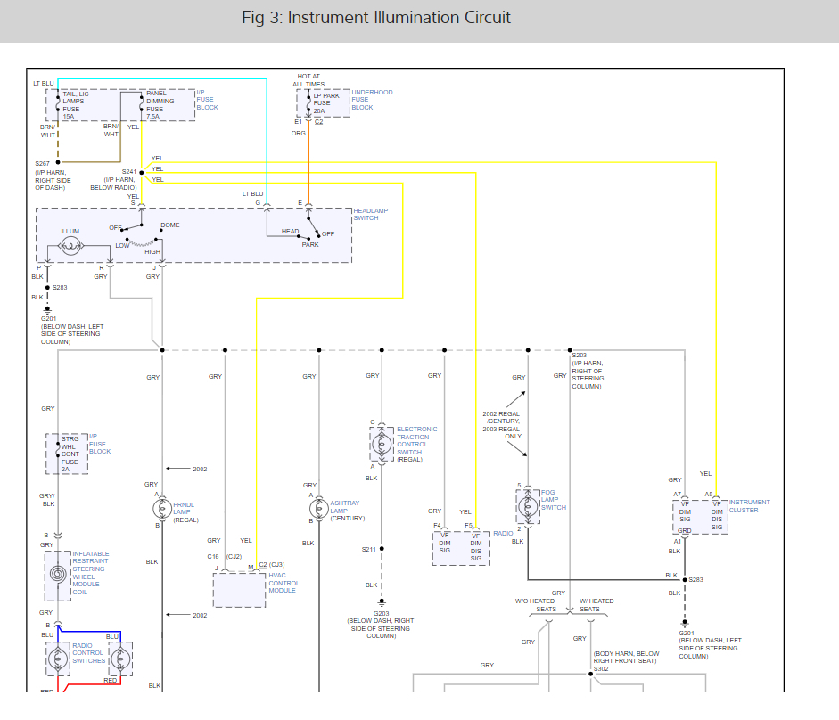
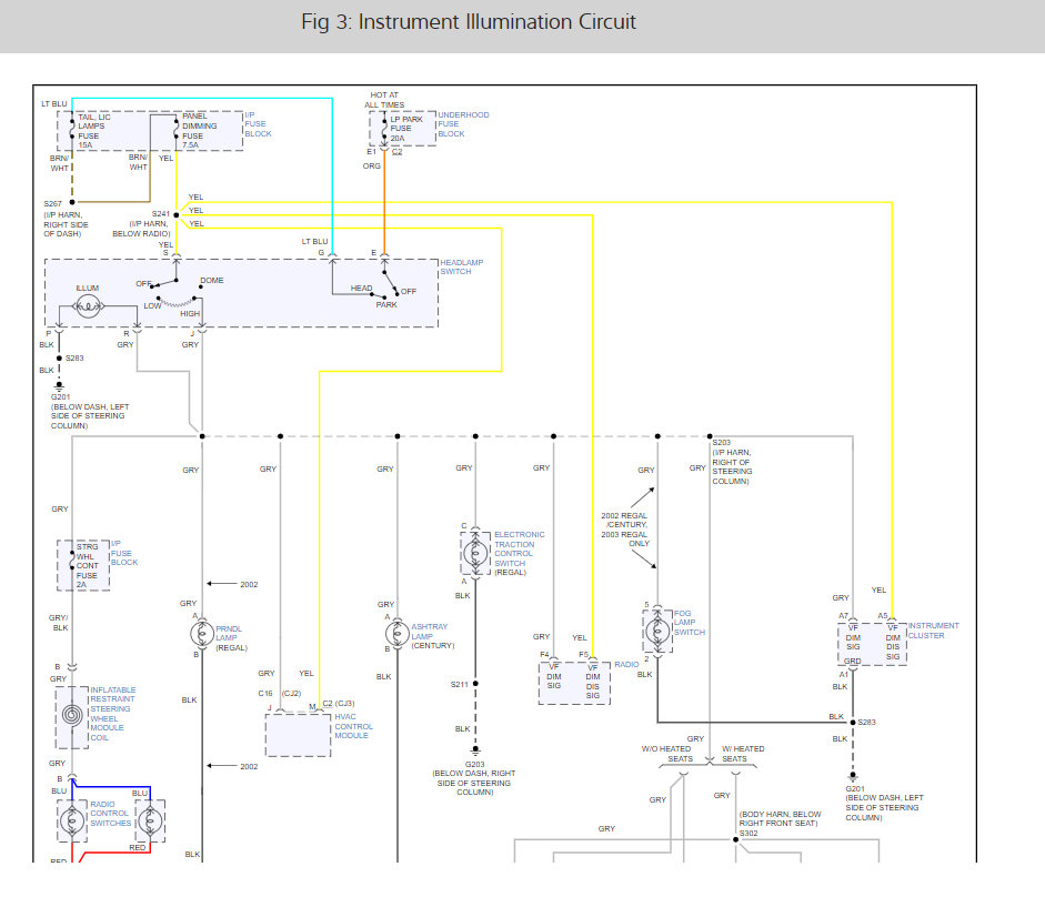
The fuse for the panel lights is the panel dimming fuse located in instrument panel fuse box.

Check the fuse first. To replace the bulbs requires a lot of data and if it is required, let me know and I wll get it for you.


https://www.2carpros.com/forum/automotive_pictures/192750_InstrumentClusterSchematic03Century01_1.jpg



https://www.2carpros.com/forum/automotive_pictures/192750_InstrumentClusterSchematic03Century02_1.jpg

Was this
answer
helpful?
Yes
No
+2
Monday, March 22nd, 2021 AT 6:30 PM (Merged)
Tiny
JASHAR369
  • MEMBER
  • 5 POSTS
You answered "on the end of right side dash" Is it close to the glove box? Passenger side? Or is it at the drivers side? I need more clues.
Was this
answer
helpful?
Yes
No
Monday, March 22nd, 2021 AT 6:30 PM (Merged)
Tiny
JASHAR369
  • MEMBER
  • 5 POSTS
I checked the 10A fuse in position Column 4 from left, Row 5 from bottom. The fuse is ok.
Was this
answer
helpful?
Yes
No
+1
Monday, March 22nd, 2021 AT 6:30 PM (Merged)
Tiny
KHLOW2008
  • MECHANIC
  • 41,814 POSTS
Guess the light bulbs are faulty. Here are the replacement procedures.


https://www.2carpros.com/forum/automotive_pictures/192750_InstrumentClusterLamp03Century01_1.jpg


[


https://www.2carpros.com/forum/automotive_pictures/192750_InstrumentClusterLamp03CenturyFig112_1.jpg



https://www.2carpros.com/forum/automotive_pictures/192750_InstrumentClusterLamp03CenturyFig113_1.jpg



https://www.2carpros.com/forum/automotive_pictures/192750_InstrumentClusterLamp03CenturyFig114_1.jpg




https://www.2carpros.com/forum/automotive_pictures/192750_IPCReplacement03Century0a1_1.jpg



https://www.2carpros.com/forum/automotive_pictures/192750_IPCReplacement03Century0a2_1.jpg



https://www.2carpros.com/forum/automotive_pictures/192750_IPCReplacement03Century01_1.jpg



https://www.2carpros.com/forum/automotive_pictures/192750_IPCReplacement03Century02_1.jpg



https://www.2carpros.com/forum/automotive_pictures/192750_IPCReplacement03CenturyFig108_1.jpg



https://www.2carpros.com/forum/automotive_pictures/192750_IPCReplacement03CenturyFig109_1.jpg

Was this
answer
helpful?
Yes
No
Monday, March 22nd, 2021 AT 6:30 PM (Merged)
Tiny
EWALTER
  • MEMBER
  • 1 POST
  • 2002 BUICK CENTURY
We recently purchased this car however the odometer light will not come on to see the mileage and to see what gear we are in. It does not have an inspection sticker and I cannot get it inspected without having the mileage on it. Can anyone please help me and tell me what my next step should be? Mom in distress!
Was this
answer
helpful?
Yes
No
-2
Monday, March 22nd, 2021 AT 6:31 PM (Merged)
Tiny
BDILLOW
  • MEMBER
  • 1 POST
I just opened up my 2001 Buick Century for the same problem. I think the 2002 is almost identical, so this probably applies to you. It turns out the instrument cluster is one large module. Most of the warning lights are LED's, the constant-on and dimming lights are incandescent bulbs, but the odometer and gear indicator display is an LCD. If it is not lighting up, it is a module. There is no back light to replace. When I got down to mine, I could see the location of a burn-out on the LCD. It is possible the same happened to yours. I was hoping to replace just some back light bulb but it is just not possible.

I have not found any reputable dealers with instrument clusters for sale, though there were a few on eBay. I do not know if I want to put those into my car though. I am just going to call up a dealer and see how much it will cost to have them install a new module. (Probably too much, but I am kind of over a barrel on this.)

Good luck
Was this
answer
helpful?
Yes
No
+1
Monday, March 22nd, 2021 AT 6:31 PM (Merged)
Tiny
FIELDSMD
  • MEMBER
  • 1 POST
Fortunately this gets better. A few resistors and some solder and bam! Wish I could claim credit for the fix. Check it out.

http://www.youtube.com/watch?v=84FAjLxoK00
Was this
answer
helpful?
Yes
No
+11
Monday, March 22nd, 2021 AT 6:31 PM (Merged)
Tiny
JEFFWHEE
  • MEMBER
  • 1 POST
Thanks fieldsmd. I have a 2003 Century and this fix worked great for me and even easier than I thought. You do not even need a solder sucker to clean out the old solder because the pins do not go through the board. Just curl the wire under, cut to right length and they sit right on top. Odometer bright again. Thanks again.
Was this
answer
helpful?
Yes
No
+10
Monday, March 22nd, 2021 AT 6:31 PM (Merged)
Tiny
JIM SMITH
  • MEMBER
  • 1 POST
  • 2001 BUICK CENTURY
  • 6 CYL
  • 2WD
  • AUTOMATIC
  • 182,000 MILES
Is the oddometer/gear indcator light serviceable and if so, how do you gain access to the circuit board where the replaceable bulb would be mounted?
Was this
answer
helpful?
Yes
No
Monday, March 22nd, 2021 AT 6:32 PM (Merged)
Tiny
IMPALASS
  • MECHANIC
  • 3,112 POSTS
Hello -

On the floor shift model the bulb is easy to get to and replace. If yours is in the cluster with the odometer, then you will have to remove the cluster to get to the back.

I don't show on this model. . .. . ..so you will have to look. Some are twist in bulbs and easier to remove and replace. Some are soldered into the board so you will have to look. Sorry. . ..

To remove the cluster, remove the bezel then the cluster and look the back.

You can also contact the parts department and they can check the item bulb number and be able to tell you. That way you can already have several bulbs on hand for when you pull the cluster out.


https://www.2carpros.com/forum/automotive_pictures/248015_Bezel_1.jpg

Was this
answer
helpful?
Yes
No
Monday, March 22nd, 2021 AT 6:32 PM (Merged)
Tiny
RAYALLISON
  • MEMBER
  • 10 POSTS
  • 2001 BUICK CENTURY
  • 6 CYL
  • FWD
  • AUTOMATIC
  • 95,000 MILES
The odometer and gear indicator lights, which sit just below the speedometer in the dash, suddenly stopped working. I can no longer see the odometer reading or the gear selection. All other dash lights are working fine. What may have caused this and what will it take to fix it? Thanks
Was this
answer
helpful?
Yes
No
+2
Monday, March 22nd, 2021 AT 6:32 PM (Merged)
Tiny
JACOBANDNICKOLAS
  • MECHANIC
  • 110,194 POSTS
It is a sensor on the trans.
Was this
answer
helpful?
Yes
No
+2
Monday, March 22nd, 2021 AT 6:32 PM (Merged)
Tiny
CHEVYFORLIFE
  • MECHANIC
  • 33 POSTS
You will need to get the cluster replaced and it will start working again. You can try and tap on the cluster and it might start working again but then will go out over time.
Was this
answer
helpful?
Yes
No
+3
Monday, March 22nd, 2021 AT 6:32 PM (Merged)
Tiny
SCHAFEJ1
  • MEMBER
  • 1 POST
  • 2000 BUICK CENTURY
The light that lights up the gearshift indicator and the odometer is completely out. If I hit the clear dashboard cover hard enough the light will come on for awhile and then fade away.

How do I fix this?
Was this
answer
helpful?
Yes
No
+1
Monday, March 22nd, 2021 AT 6:32 PM (Merged)
Tiny
EGUNS80
  • MEMBER
  • 92 POSTS
There's four resistors that need replaced, I have the same problem https://youtu.be/ebTS25sNOHQ
Was this
answer
helpful?
Yes
No
+4
Monday, March 22nd, 2021 AT 6:32 PM (Merged)

Please login or register to post a reply.