Cruise control not working

Tiny
YOLODENNIS70
  • MEMBER
  • 1998 TOYOTA 4RUNNER
  • 3.4L
  • 6 CYL
  • 4WD
  • AUTOMATIC
  • 153,000 MILES
The cruise light doesn’t appear on the dash. Every other dash light appears but the cruise control. The cruise control seems to get no response at all, and it doesn’t engage. Any ideas on how to fix this?
Saturday, May 7th, 2022 AT 4:14 PM

1 Reply

Tiny
KASEKENNY
  • MECHANIC
  • 18,907 POSTS
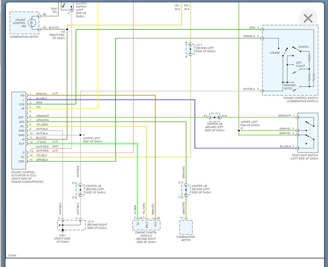
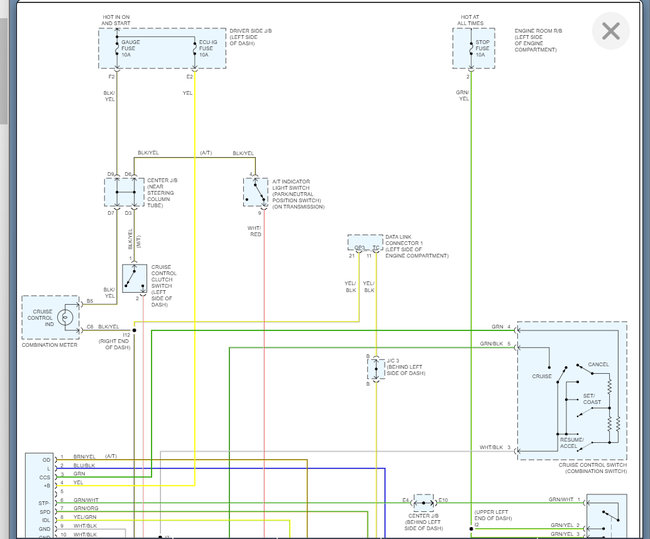
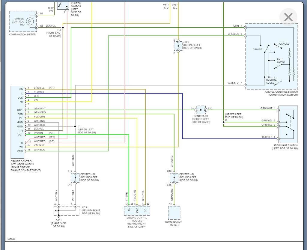
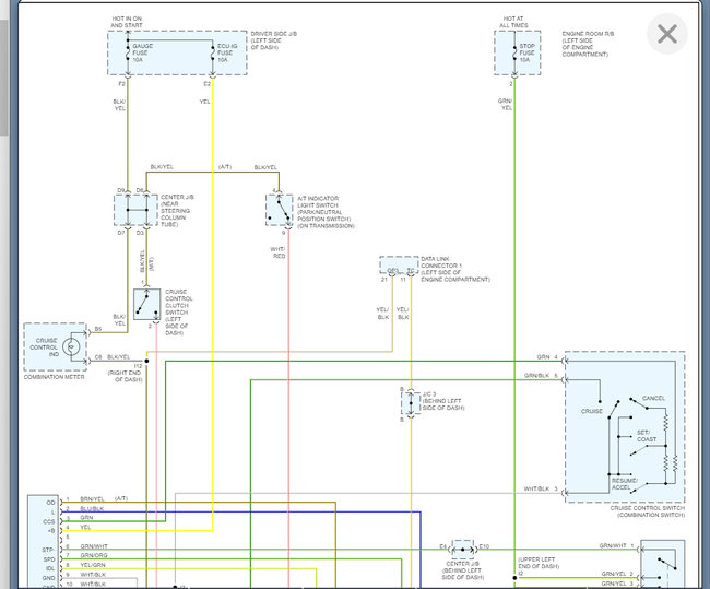
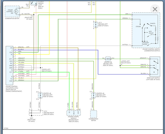
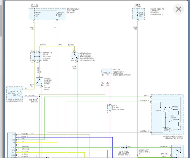
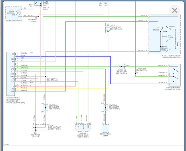
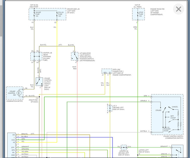
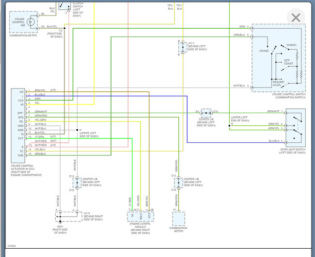
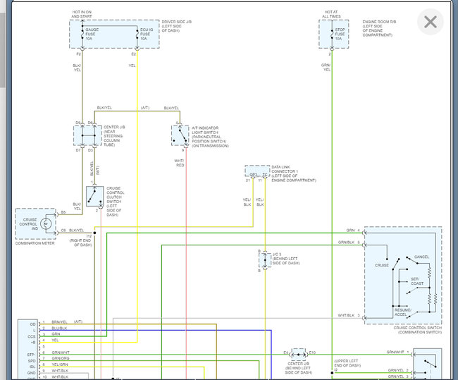
The indicator light on this vehicle is controlled by the actuator/ECU. So, this means we are either having an ECU issue or the ECU is never receiving the input from the button request which means we have a wiring or button issue.

The fact that the light is not working and the 4WD is not engaging confirms this is the side of the system that we are having an issue with. If the light was the only thing not working, then we could deal with just that, but the system is not engaging which means the ECU or the button/wiring is the issue.

The way to test this is to use a scan tool and monitor the button input at the ECU to find out if the ECU is seeing the button being pressed. However, we can also check for voltage at the ECU.

https://www.2carpros.com/articles/how-to-check-wiring

https://www.2carpros.com/articles/how-to-use-a-voltmeter

Basically, when you press the buttons on the steering wheel, the 12-volt signal is run through a resistor set that will change the voltage. This voltage will go to the ECU which tells the ECU which button is being pressed.

So, I would start with pressing the cruise button which appears to be close to 12 volts as it is not run through any resistors. If you are not getting this voltage at the ECU then the button is the issue. If you are and the light is not coming on to activate the system, then you have an ECU issue.

Let me know what questions you have with this and we can go from there.

Thanks
Was this
answer
helpful?
Yes
No
Sunday, May 8th, 2022 AT 6:17 AM

Please login or register to post a reply.