Crankshaft sensor broke in block

Tiny
AMANAMAN1
  • MEMBER
  • 2003 CHRYSLER TOWN AND COUNTRY
  • 3.3L
  • V6
  • 2WD
  • AUTOMATIC
  • 165,000 MILES
Crankshaft sensor broke off flush with block. I've read about folks drilling a hole and threading a screw or bolt into the sensor on different vehicles to try to extract it from the block, but I don't see any way to get a drill in that tiny space on this vehicle. I went in through the top/side by removing the battery, tray, and cruise control servo but I could barely even get my hand in there to take out the 10mm bolt. I can see no way to possibly even think about getting a drill in there. Can the sensor be knocked into the block and removed from the pan or will it bottom out against the flywheel teeth? Is that even feasible? Any tips? Don't know where to go from here. Thanks!
Friday, July 30th, 2021 AT 11:26 PM

14 Replies

Tiny
ASEMASTER6371
  • MECHANIC
  • 52,796 POSTS
Good morning,

No, you cannot knock it into the motor at all.

It will need to be extracted from there. Inserting a self-tapping screw is the most common repair. The issue is when you remove the hold-down bolt, you needed to twist it to release the o-ring. That is what is holding it attached solid.

You will need to make a hole in the center and install a screw for extraction.

Roy
Was this
answer
helpful?
Yes
No
Saturday, July 31st, 2021 AT 4:02 AM
Tiny
AMANAMAN1
  • MEMBER
  • 33 POSTS
Not sure there's an o-ring on this sensor, at least not on the replacements, maybe the factory one does? Anyway yeah, I was able to barely get it turning to break it loose (used PB Blaster first) and that's when it all went to crap. I just don't know how I'm going to get in there to make a hole or manipulate a screw. There's just no room. I will try a right angle adapter and/or flex cable for my Dremel but man this is going to be difficult. Thanks for the reply.
Was this
answer
helpful?
Yes
No
Saturday, July 31st, 2021 AT 7:42 AM
Tiny
ASEMASTER6371
  • MECHANIC
  • 52,796 POSTS
You are welcome.

Always glad to help.

Roy
Was this
answer
helpful?
Yes
No
+1
Saturday, July 31st, 2021 AT 9:42 AM
Tiny
AMANAMAN1
  • MEMBER
  • 33 POSTS
Okay, after spending the entire day, losing most of the skin on my right hand, and inventing several new cuss words, I somehow got the broken sensor out! I also replaced the camshaft sensor in addition to the crank sensor. But, still no spark. I swapped out the ASD relay with another known working relay and all the fuses are good. There is no 12V going to #3 brown/wht on the coil pack or any 12v pulses to the other three when the key is turned. There is 12V at the ASD fuse and at #85 and 86 at the ASD relay.

There are no mil codes on my reader but I did notice a random P1618 would pop up on the odometer sometimes when I would turn the key. It doesn't always show up. I understand this code indicates an issue with the 5v sensor signal in the PCM or perhaps a problem with the PCM itself?

With the ASD relay and fuse unplugged, I can still hear the fuel pump kick in when I turn the key on. I thought the ASD circuit also powered the fuel pump so not sure why?

Just for kicks, with the ASD relay unplugged, I jumped 12v to the ignition coil constant (#3 brn/wht) and turned the key and the van started right up. I thought the PCM also needed to be sending the 12v pulses to the other three wires at the coil to fire each pair? Maybe jumping power to the coil constant 12v wire fed power back to the PCM? I don't know. All I know is it fires right up with it jumped.

What does all this mean? I have no idea but does it sound like maybe a bad wire connection somewhere in the 5v sensor circuits or in the PCM not allowing the ASD circuit to power up? I think that would explain why no spark but should the engine still fire up like it does when I jump power to the coil pack?

Hopefully all this indicates what the problem might be. I just don't know where to go from here. Thanks
Was this
answer
helpful?
Yes
No
Saturday, July 31st, 2021 AT 3:25 PM
Tiny
ASEMASTER6371
  • MECHANIC
  • 52,796 POSTS
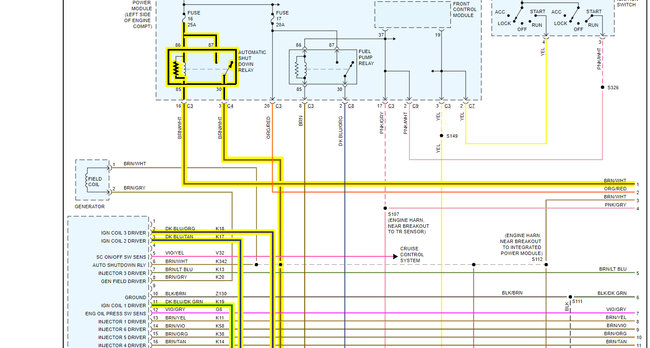
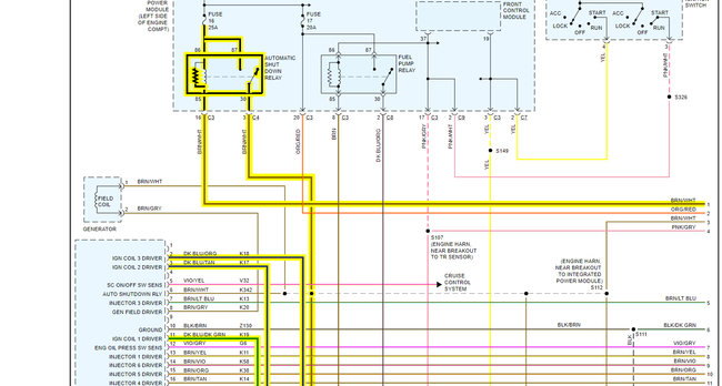
I attached a wiring diagram for you of the ignition system.

The brow/white wire should have 12 volts with the key on.

https://www.2carpros.com/articles/how-to-check-wiring

https://www.2carpros.com/articles/how-to-use-a-voltmeter

The auto shut down relay controls this power. The ECM grounds the control side to activate the load side.

https://www.2carpros.com/articles/how-to-check-an-electrical-relay-and-wiring-control-circuit

There is a very good chance you have a bad ECM as it is not grounding the control side. I highlighted the wire that goes to the ECM. You need to test that wire for power with the key on and the connector off.

Roy
Was this
answer
helpful?
Yes
No
Saturday, July 31st, 2021 AT 4:39 PM
Tiny
AMANAMAN1
  • MEMBER
  • 33 POSTS
Okay, I'll get back into it tomorrow. Yeah, the brown/white on the coil did not have 12v with the key on. So the PCM isn't sending + voltage to the coil pairs then, it's pulsing the negative to fire the plug pairs, assuming the 12v+ constant is already there, correct? So when I jumped 12v to the constant power to the coil and the van started, that had to mean the PCM was pulsing the negative to the coil pairs? I wonder if I've got a bad wire. I'll check the wires you highlighted.
Was this
answer
helpful?
Yes
No
Saturday, July 31st, 2021 AT 5:55 PM
Tiny
ASEMASTER6371
  • MECHANIC
  • 52,796 POSTS
Keep me updated.

You are welcome.

Roy
Was this
answer
helpful?
Yes
No
Saturday, July 31st, 2021 AT 6:32 PM
Tiny
AMANAMAN1
  • MEMBER
  • 33 POSTS
Well, I was going to start tracing wires down today but wouldn't you know it, the darn thing started right up before I even did anything! I went ahead and checked and cleaned up all the connections to the underside of the IPM (some were pretty corroded) and made sure the two big harnesses to the PCM were tight and no obvious loose wires. I think I found the right brn/wht wire to the PCM and it seems to be okay. I drove the van around for a couple hours and no fault codes.

However, there is still a problem but it is now reduced to only a "random" not starting/no spark problem. Now if I crank the engine a couple times it will eventually decide to start. Before, it wouldn't spark at all. I stopped and started the engine a couple dozen times today when I was out and it would not restart maybe 20% of the time. When it did this I had to pull the ASD relay and jump the power connections (87-30) with a wire and then it would start. Then I'd let it run for a minute and turn it off, put the relay back in and it then would either start okay, or start after a few tries. It did this several times. Once I got back home to where I could check things of course it wanted to start ok every time, but I am fully expecting it to act up again. Had other obligations so I couldn't mess with it any more today. At least I know I can jump the ASD relay if I need to.

I am at a loss at this point. I should probably go over all the ground connections too but that will have to wait for another day. By the way it never stalled when running and I've had no other issues with the van. You think maybe the ignition switch could be the culprit or still thinking something in the PCM?
Was this
answer
helpful?
Yes
No
Sunday, August 1st, 2021 AT 3:53 PM
Tiny
JACOBANDNICKOLAS
  • MECHANIC
  • 110,192 POSTS
Hi,

We haven't heard from you for a couple of days. Have you made progress? If you get it to work by jumping the ASD, have you checked the relay itself? Are the connectors loose or corroded?

Here is a link to check a relay:

https://www.2carpros.com/articles/how-to-check-an-electrical-relay-and-wiring-control-circuit

Let us know what we can do to help.

Joe
Was this
answer
helpful?
Yes
No
Tuesday, August 3rd, 2021 AT 10:50 PM
Tiny
ASEMASTER6371
  • MECHANIC
  • 52,796 POSTS
If you get normal running by bypassing the relay, there is a good chance the ECM is the issue. That is what grounds the control side of the relay for the ASD relay to work.

Roy
Was this
answer
helpful?
Yes
No
Wednesday, August 4th, 2021 AT 4:52 AM
Tiny
AMANAMAN1
  • MEMBER
  • 33 POSTS
Okay, and unfortunately, or fortunately, the van has started every time since my last post so I can't really diagnose it further. Like I said there were some corroded connections on the terminals on the underside of the IPM that I cleaned up and I did switch the ASD relay with another known working relay. I did inspect the relevant wiring connections to the IPM, PCM and ignition coil (thanks for the wiring diagram by the way) and everything else is now clean and secure and no loose connections. Since Monday, it's been starting fine now.

Let me ask this, are there any other critical sensors (besides the crank and cam I already replaced) that could interrupt the ASD control circuit? I know the ECM is a likely cause here, but I read somewhere that the oil pressure sensor or the O2 sensors could cause an issue if the 5v control circuit gets shorted or has an issue. I have no engine codes though and the engine runs smooth.
Was this
answer
helpful?
Yes
No
Wednesday, August 4th, 2021 AT 9:41 AM
Tiny
JACOBANDNICKOLAS
  • MECHANIC
  • 110,192 POSTS
Hi,

The only thing that could possibly cause it is if the oil pressure drops below 4 PSI. Have you ever noticed the light turn on?

As far as the relay, the PCM energizes the ASD relay.

I have a feeling that the corrosion you cleaned was the problem. If you run into more trouble, let me know and I'll do my best to help.

Also, please feel free to come back anytime in the future if you have questions. You are always welcome here.

Take care,

Joe
Was this
answer
helpful?
Yes
No
Wednesday, August 4th, 2021 AT 10:00 PM
Tiny
AMANAMAN1
  • MEMBER
  • 33 POSTS
Okay, thanks Joe. Right, the PCM energizes the ASD relay via ground but only if it is receiving the proper voltage back from the other critical sensors, correct? No oil light and level is good.

I'm a service tech by trade (appliances not automotive) but I fully understand the nature of bad connections and intermittent problems. If it starts doing it again I'll suspect the PCM as Roy indicated.

Thanks.
Brian
Was this
answer
helpful?
Yes
No
Thursday, August 5th, 2021 AT 7:55 AM
Tiny
ASEMASTER6371
  • MECHANIC
  • 52,796 POSTS
No, the ECM will control the ground side to the pin at the ECM.

Roy
Was this
answer
helpful?
Yes
No
Saturday, August 7th, 2021 AT 6:39 PM

Please login or register to post a reply.