HOME
ASK A QUESTION
REPAIR GUIDES
BECOME A MEMBER
LOG IN
Login with Facebook
OR
Remember me
NOT A MEMBER?
FORGOT PASSWORD?
CONTACT US
PRIVACY POLICY
TERMS AND CONDITIONS
☰
Home
Nissan
Hardbody
Engine
Crankshaft
Sensor
Replace/Remove
Still will not start after replacing crankshaft sensor
HANNAH RHOTEN
MEMBER
1997 NISSAN HARDBODY
2.4L
4 CYL
2WD
AUTOMATIC
180,000 MILES
I replaced the crankshaft sensor but it still won't start.
Wednesday, January 13th, 2021 AT 1:41 AM
1 Reply
ASEMASTER6371
MECHANIC
52,796 POSTS
Good morning,
I would check compression to be sure there is no internal timing issue.
https://www.2carpros.com/articles/how-to-test-engine-compression
https://www.2carpros.com/articles/car-cranks-but-wont-start
Can you hear the fuel pump run with the key on?
https://www.2carpros.com/articles/how-to-check-fuel-system-pressure-and-regulator
Do you have spark at the plugs when cranking?
https://www.2carpros.com/articles/how-to-test-an-ignition-system
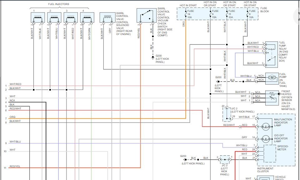
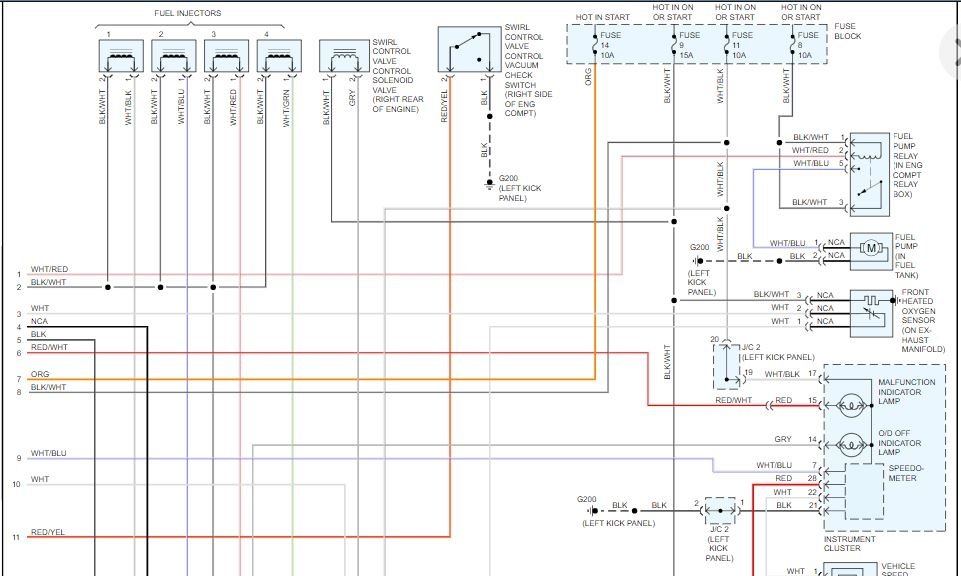
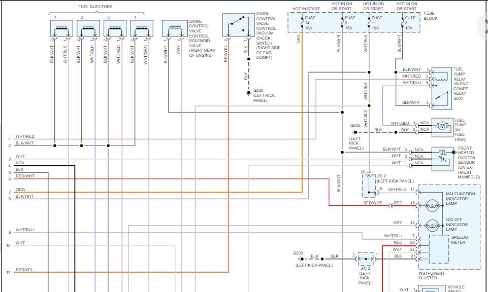
If you have a tachometer on the dash, check and see if the RPM shows a reading while cranking. That will tell us if the crank sensor is sending a signal to the ECM.
Roy
Images (Click to make bigger)
Was this
answer
helpful?
Yes
No
Wednesday, January 13th, 2021 AT 2:11 AM
Please
login
or
register
to post a reply.
Related Crankshaft Sensor Replace/Remove Content
Replace Crankshaft Position Sensor
I Know That The Sensor Is In The Distributor. I Have A Repair Book That States The Distributor Needs To Be Replaced, But You Can Purchase A...
Asked by
TROY FENNELL
·
1 ANSWER
1991
NISSAN HARDBODY
GUIDE
Crankshaft Sensor Symptoms
This guide is designed for automotive professionals and enthusiasts who want to understand, diagnose, and troubleshoot the symptoms of a failing engine crankshaft position ...
Engine Performance
At Idle No A/c On. Rpm At750-800. Rpms Drop About 100 Rpm An Then Smooth Out Again. Also Right Before Stopping At Time Of Pressing Clutch In...
Asked by
qtip24
·
2 ANSWERS
1997
NISSAN HARDBODY
Engine Installation Problem
We Can't Get The Engine To Fit Flush To The Bell Housing. We Have Tried Lining It Up Several Times.
Asked by
SFV
·
3 ANSWERS
1986
NISSAN HARDBODY
1995 Nissan Hardbody Replace Engine.
Need To Know If The V6 Motor From A 1995 Nissan 4x4 Will Interchange With A 1991 Model That Had A 4 Cylinder In It. Both Trucks Are 4x4's....
Asked by
BigCountry8504
·
1 ANSWER
1995
NISSAN HARDBODY
1999 Nissan Hardbody Poor Engine Performance
Difficult Gear Shift, Slow And Lazy To Take Off Even When Accelerating Hard However, All Parts Suspected To Be Faulty Were Replaced (with...
Asked by
balesamang
·
1 ANSWER
1999
NISSAN HARDBODY
VIEW MORE
Ask a Car Question. It's Free!
Crankshaft Sensor Symptoms
Engine Not Starting
Car Cranking but Not Starting? Try This