Wednesday, September 28th, 2022 AT 12:21 PM
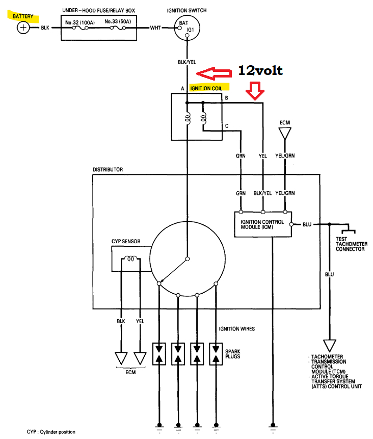
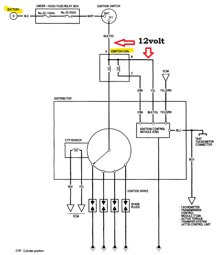
I bought the car a month ago and it has always been hard to start. Now it turns over but won't start. It won't even start with starting fluid. All four spark plugs have spark, and it is getting fuel to the rail, the main relay is good. Fuses are good. What's wrong with my car?

