Crank no start

Tiny
KRISB1985
  • MEMBER
  • 2001 DODGE STRATUS
  • 3.0L
  • 6 CYL
  • 2WD
  • MANUAL
  • 220,000 MILES
No spark or power to fuel pump and some fuses on outer fuse box have no power.
Saturday, November 21st, 2020 AT 4:36 AM

5 Replies

Tiny
ASEMASTER6371
  • MECHANIC
  • 52,796 POSTS
Good morning,

Can you tell me the fuse numbers so I can get a diagram of the fuse box?

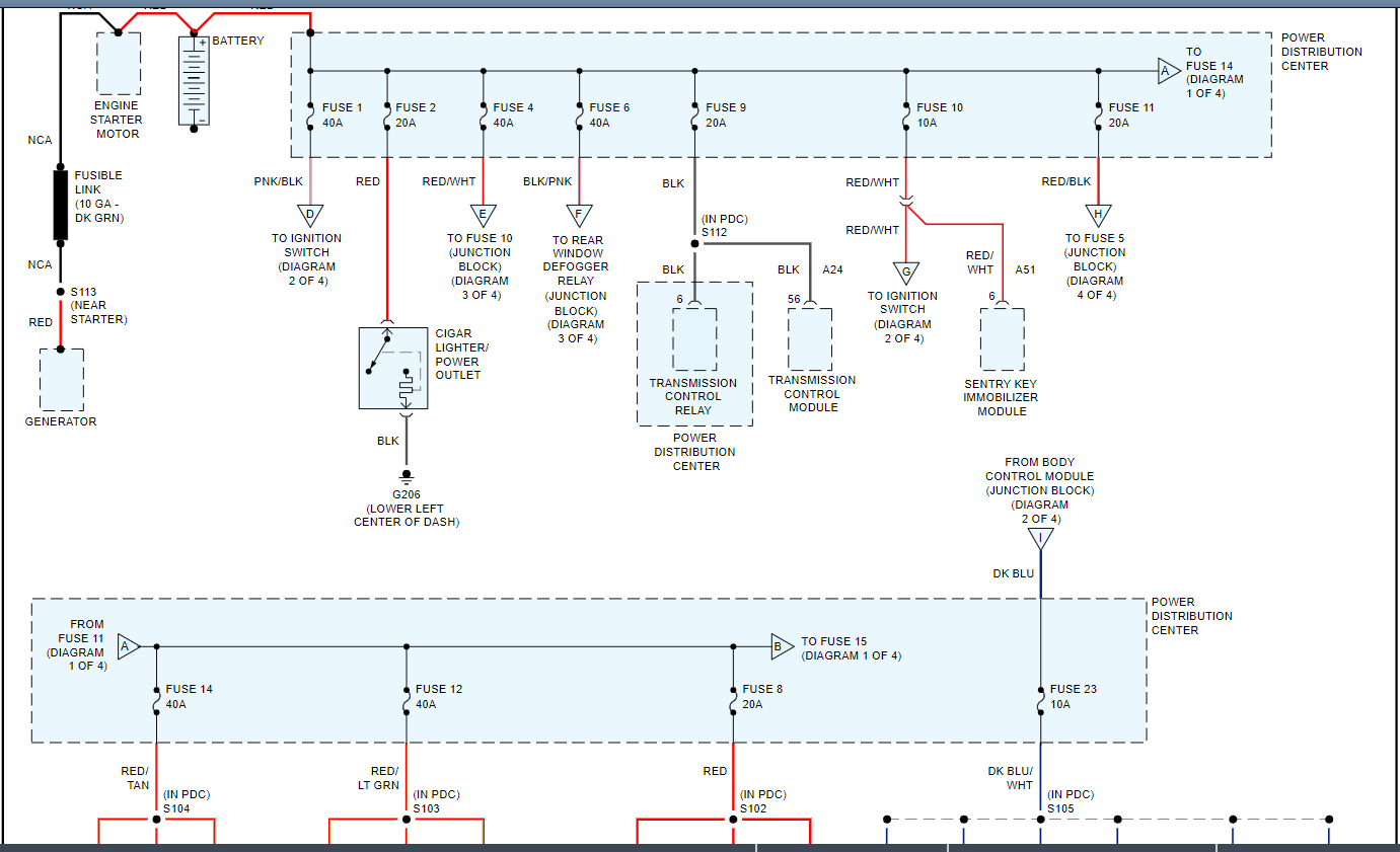
I attached the picture of the fuse blocks for you. Please identify which fuses have no power.

Roy
Was this
answer
helpful?
Yes
No
Saturday, November 21st, 2020 AT 6:08 AM
Tiny
KRISB1985
  • MEMBER
  • 3 POSTS
That some of my problem too. I don't have fuse cover and having hard time trying find one on line it's Dodge Stratus r/t 3.0 Mitsubishi motor the outer fuse box looks like this. I don't know if that helps any.
Was this
answer
helpful?
Yes
No
Saturday, November 21st, 2020 AT 6:56 AM
Tiny
ASEMASTER6371
  • MECHANIC
  • 52,796 POSTS
That is the first diagram I posted to your question. Please identify the fuses with no power for me.

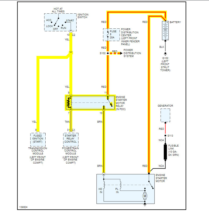
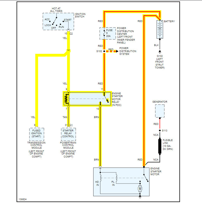
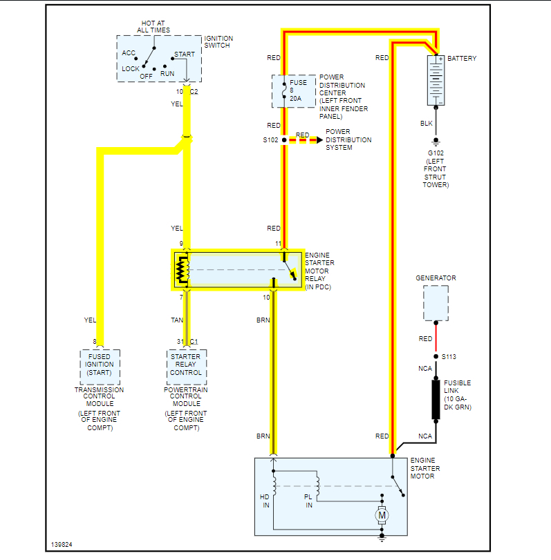
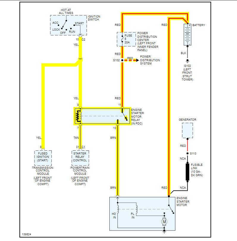
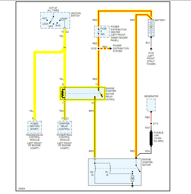
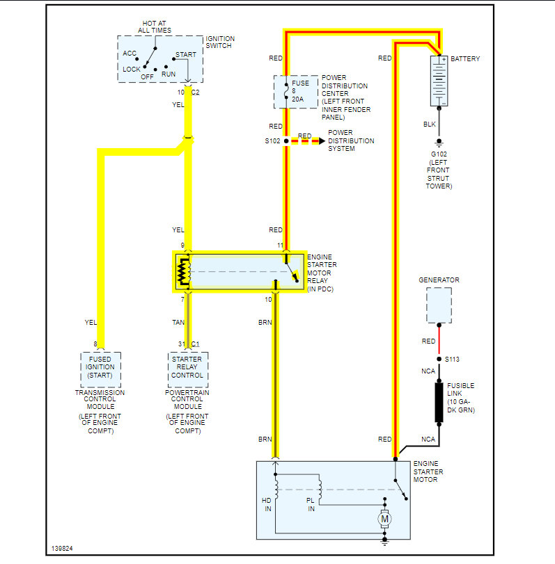
I also attached the wiring diagram of the starting system for you as well so we can test the system and find the failure.

https://www.2carpros.com/articles/how-to-check-wiring

https://www.2carpros.com/articles/how-to-check-an-electrical-relay-and-wiring-control-circuit

Roy
Was this
answer
helpful?
Yes
No
Saturday, November 21st, 2020 AT 7:06 AM
Tiny
KRISB1985
  • MEMBER
  • 3 POSTS
It would be fuses 8, 9, 10, 11 and 22 thru 25.
Was this
answer
helpful?
Yes
No
Saturday, November 21st, 2020 AT 7:17 AM
Tiny
ASEMASTER6371
  • MECHANIC
  • 52,796 POSTS
I attached the wiring for the fuses but is there power to any of the fuses in the diagrams I attached?

Roy
Was this
answer
helpful?
Yes
No
Saturday, November 21st, 2020 AT 7:51 AM

Please login or register to post a reply.