Crank no start?

Tiny
AL514
  • MECHANIC
  • 5,584 POSTS
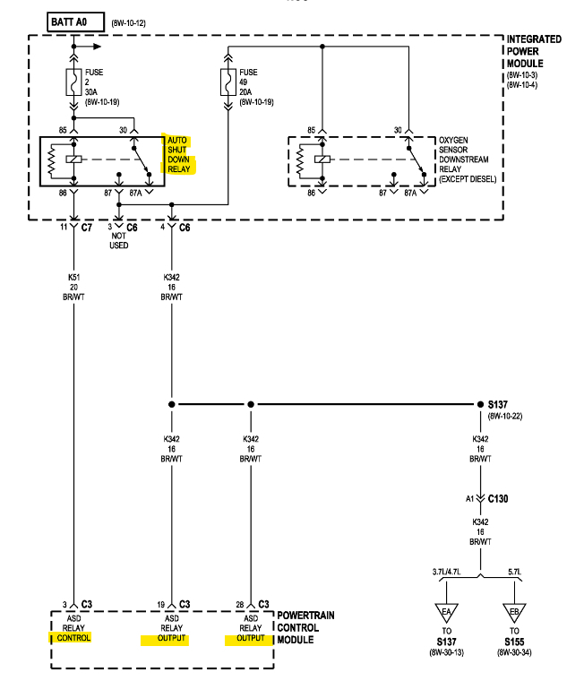
The same way you tested it the first time, C7 pin 11 connector unplugged to PCM connector C3 pin 3 checking the resistance of the circuit. Ohms setting, if it doesn't read set the meter to a higher resistance setting. It sounds like you have pin fitment issues if it was a not start after moving the connectors and harness around. Same wire, same color, we're only dealing with this one wire the entire time here. P0685 is just the ASD circuit code again. If you find very low resistance to the PCM, you might be dealing with internal circuit issues with the TIPM, they're junk, but see what you get first.
Was this
answer
helpful?
Yes
No
Sunday, August 27th, 2023 AT 8:54 AM
Tiny
LONNIE CARR
  • MEMBER
  • 52 POSTS
C three pin three / C seven pin eleven. My next step is to cut the wires off the back of the connector a couple of inches down and check for resistance through the actual wired wire instead of lead the lead. Or excuse me, pinned a pin. And then I'm going to hook up a new wire and check that way also. If needed. After I hear back from you.
Was this
answer
helpful?
Yes
No
Sunday, August 27th, 2023 AT 2:32 PM
Tiny
AL514
  • MECHANIC
  • 5,584 POSTS
Yeah, check whatever you need to. I was just curious what type of resistance reading you get from the connector's vs the ASD relay location. With a vehicle that's getting to be 20 years old there will continue to be wiring and connector issues. Especially if you live up north where they use a lot of salt from the roads. Since I've moved south, I barely see any of those type of problems anymore. But I did for many years. Every vehicle that came in was a rusted-out mess underneath. So, investing in some basic tools for testing, i.E. Test light, back probing pins, maybe an amp clamp. Will help in the future to make these types of issues easier to diagnose. I will rarely, if ever do resistance testing on a circuit unless it's checking for an open circuit or a short to ground. But YouTube is completely filled with every type of automotive testing you can imagine. So do some searches for automotive circuit testing and diagnostics. There is so much free information out there. I think I learned more in the last 10 years than in my first 10 years. Plus, if you enjoy being able to repair your own vehicle, you save a ton of money and its satisfying work. But anyway, let me know what you get on your circuit checking.

What are these readings from? I see about 91k Ohms on one of them, and I think 1.3M Ohms on the other?
Was this
answer
helpful?
Yes
No
Monday, August 28th, 2023 AT 9:06 AM
Tiny
LONNIE CARR
  • MEMBER
  • 52 POSTS
Here's the new code.
P 0688. And the 91k and -1.3m Were the measurements that I read? The resistant homes from C7 pin 11 to see 3 pin, the bottom of the tip Em. To the PCM. Now, I'm getting too much juice, please explain.
Was this
answer
helpful?
Yes
No
Tuesday, August 29th, 2023 AT 4:11 PM
Tiny
LONNIE CARR
  • MEMBER
  • 52 POSTS
Here's the new code.
P 0688. And the 91k and -1.3m Were the measurements that I read? The resistant homes from C7 pin 11 to see 3 pin, the bottom of the tip Em. To the p c m. Now, I'm getting too much juice, please explain.
Was this
answer
helpful?
Yes
No
Tuesday, August 29th, 2023 AT 4:12 PM
Tiny
LONNIE CARR
  • MEMBER
  • 52 POSTS
Oh, I forgot to tell you that code is from me. Splicing the brown white C7 pin 11 to the C3 pin 3. I cut the wire on the bottom of the TIPM and spliced it and ran it to the PCM And did the same there on C3 pin 3.
Was this
answer
helpful?
Yes
No
Tuesday, August 29th, 2023 AT 4:15 PM
Tiny
AL514
  • MECHANIC
  • 5,584 POSTS
The code P0668 is not a "too much power code". You're reading a generic basic OBD2 code definition. It's still the same ASD relay sense Circuit/Open code that been happening. There are 2 circuits that come off the power feed from the relay that feed 12v to 2 different input circuits to the PCM. Did the overlay not work?
If the PCM is not grounding the ASD relay, that code shows up because the ASD relay is not activating. You have to be a 100% sure on your splice connection. It needs to be crimped correctly and very tight as well as heat shrinked so no moisture gets into the wire. I would recheck your resistance reading from C7 to PCM C3 again and make sure the splice is good. If it is then either the PCM has a bad ground, the PCM driver that grounds the ASD relay has failed inside the computer, or there is a pin fitment issue at the TIPM or PCM.

Something else to check is the ASD relay location resistance check to the TIPM C7 pin 11, that will check the resistance through the TIPM for the control wire for the ASD relay. If there is a bad or cracked solder joint inside the TIPM, or corrosion you will have high resistance. Try reconnecting the TIPM connectors as well, you had an issue with that before. You may not notice it, but every time those connectors are unplugged and plugged back in you have moved all those wires, the section of harness and the TIPM around and nothing is ever perfect with connectors. Not every pin is always exactly the tension it should be or the perfect tightness around the pins.
These connectors are in fact designed not to be disconnected and reconnected ever after they leave the factory. I have researched and read up on engineers and how these vehicles come from the manufacturer. They say that each connector is designed so it should not be disconnected more than 3 times in total in the life of the vehicle.
But they are not technicians and don't have to fix these things. So going by those rules is impossible. So, there are variables that need to be taken into consideration. If the circuit doesn't not work with the PCM, you need to determine why.
This is where I would back probe the PCM connector pin 3 and with a voltmeter set on DC volts connected to battery negative, key On, does that PCM wire become Grounded.
It has to be checked on DC volts you can't measure resistance with a circuit plugged in. You have to measure voltage drop to battery negative from C3 pin 3.
Was this
answer
helpful?
Yes
No
Tuesday, August 29th, 2023 AT 5:17 PM
Tiny
LONNIE CARR
  • MEMBER
  • 52 POSTS
Yes, did it not load?
Was this
answer
helpful?
Yes
No
Sunday, September 3rd, 2023 AT 7:47 PM
Tiny
LONNIE CARR
  • MEMBER
  • 52 POSTS
I've been busy so the last info I have is crank no start only codes were, I think p2112 2106 and another one. All to do switch actuator. Still starts jumping the ASD.
Was this
answer
helpful?
Yes
No
Sunday, September 3rd, 2023 AT 7:52 PM
Tiny
AL514
  • MECHANIC
  • 5,584 POSTS
The P2112 is the throttle body actuator that failed its test of moving the throttle plates. Pull the intake air boot off and key on see if you can move the throttle plates with the gas pedal. Don't push the plates open, just see if they open and close with the key On engine off. So, the overlay of the wire didn't work.
At this point you just need to see if the PCM is able to ground that wire. P2106 is a Reduced Power mode due to the P2112.
Try to pierce the wire right at the PCM and see if its being pulled to ground,
And I'm not sure on your resistance readings, why you have 2 different numbers, there should only be one Ohms reading from C7(pin11) to PCM C3(pin3). I don't know where you're reading 91k Ohms and 1.3M Ohms.

Something else I noticed looking back over all your posts and the video you sent, when you were checking from the ASD relay location to the disconnected PCM C3 pin 3 wire and checking the resistance on the 20M Ohm scale, if you look back at it the meter is reading -1.7M Ohms. Now the only way that an ohms reading would show up negative like that is if there is voltage still on that wire. With both ends unplugged you should have had a regular reading around 5 Ohms. Not millions of Ohms and not a negative reading like that. And now that you're getting throttle body actuator codes, you had the PCM connector that controls the throttle body unplugged. C2 is the first connector you unplugged, I remember because it was the one right next to C3. I think the pins inside that connector are not tight. C2 and C3 are the two middle connectors at the PCM. C2 was the one with the Orange inside, C3 had white inside. Those PCM pins are very tiny, they can easily be spread too much just by trying to unplug the connector.
Was this
answer
helpful?
Yes
No
Monday, September 4th, 2023 AT 8:08 AM
Tiny
LONNIE CARR
  • MEMBER
  • 52 POSTS
I haven't had time to do anything with the truck. If the alternator went bad would that cause the problem that I'm having?
Was this
answer
helpful?
Yes
No
Tuesday, September 12th, 2023 AT 5:18 PM
Tiny
AL514
  • MECHANIC
  • 5,584 POSTS
The alternator? You haven't tried the wire overlay yet? Or did that not work? You're able to jump the ASD relay and it runs so that there are not any symptoms of what a bad Alternator would do. The couple worst things an alternator will do is possibly short out internally which would blow some fuses. The diode trio can fail causing AC voltage ripple to be too high which will eventually cause the PCM to fail because it's designed to run on DC voltage, but the vehicle wouldn't start with that type of failure. If the overlay didn't work, then I would suspect that the driver inside the PCM that grounds the ASD relay may have burned out. That can happen if the relay shorts out internally and too much current flow is pulled through the PCM and out to ground. That would also blow the fuse feeding the relay as well, and hopefully that would happen before the PCM driver burned up, but relays control circuits are not designed for high current. Relays are usually about 75 Ohms for the control side, so 12v/75 Ohms = 160ma of current. Thats not much. Another possibility is that the control wire was shorted to a 12volt source, which could also burn out the PCM driver.
The only real proper way to test the driver right at the PCM is with an LED test light that pulls very low current. And hook the led test light to battery positive and see if the C3 pin 3 at the PCM can ground and light the test light up. I suspect you have high resistance in the TIPM and possibly the wire going to the PCM because of the resistance readings you had at first. One was 1.6M ohms from the ASD relay location and then the other was 1.3M ohms from the TIPM connector, so that's 300k ohms going through the TIPM to its output connector, I think it was C7 pin 11. What's making you suspect a charging system issue now?
Was this
answer
helpful?
Yes
No
Wednesday, September 13th, 2023 AT 12:54 PM
Tiny
LONNIE CARR
  • MEMBER
  • 52 POSTS
Nothing has given me reason to think that.
I'm just grabbing at straws. I Did not start with the overlay, but it does still start if I jump the ASD with the overlay. I'm going out in a little bit to check codes again and see if there's anything I missed. Is there something that could have happened when I hooked up the wiring for the blade?
Was this
answer
helpful?
Yes
No
Wednesday, September 13th, 2023 AT 4:34 PM
Tiny
AL514
  • MECHANIC
  • 5,584 POSTS
What was involved with installing the plow? And how did you wire it up? Was there a wiring diagram that you followed I could take a look at?
Was this
answer
helpful?
Yes
No
Wednesday, September 13th, 2023 AT 5:53 PM
Tiny
LONNIE CARR
  • MEMBER
  • 52 POSTS
I used a diagram from Hiniker that I got online. I used plug and plays to hook up the lights to the truck side harness and plow control. The red/white wire pushed in with a fuse that gone to ignition switch, and I bolted a solenoid under the hood and hooked it to the battery and ground it to the body.
Was this
answer
helpful?
Yes
No
Wednesday, September 13th, 2023 AT 6:14 PM
Tiny
LONNIE CARR
  • MEMBER
  • 52 POSTS
Hiniker plow 2752.
Was this
answer
helpful?
Yes
No
Wednesday, September 13th, 2023 AT 6:29 PM
Tiny
AL514
  • MECHANIC
  • 5,584 POSTS
Did the starting issue start shortly after the installation? These diagrams are really difficult to see, but what fuse does the red/white wire go to? It's an Accessory feed I see, but is it one of the fuses in the TIPM? These headlamp plow circuits, are they in addition to the vehicles headlamps as well or do they take the place of the original headlamps? I wonder if too much current flow through the TIPM did anything, because it's not just a fuse panel, the Front Control module is built into the TIPM and it's on the vehicle network. But I would still try running a wire over to the PCM and see if that activates the ASD relay.
Was this
answer
helpful?
Yes
No
Wednesday, September 13th, 2023 AT 7:23 PM
Tiny
KEN L
  • MASTER CERTIFIED MECHANIC
  • 55,291 POSTS
Right?
Was this
answer
helpful?
Yes
No
Thursday, September 14th, 2023 AT 11:30 AM

Please login or register to post a reply.