Engine not starting up?

Tiny
CHRISTOPHER IVAN ROEDER
  • MEMBER
  • 1996 HONDA ACCORD
  • 2.2L
  • 4 CYL
  • 2WD
  • AUTOMATIC
  • 199,129 MILES
Sometimes will not start, but if I push the gas pedal while starting it'll fire right up. I'm confused. Please help.
Sunday, April 26th, 2020 AT 3:06 PM

68 Replies

Tiny
ASEMASTER6371
  • MECHANIC
  • 52,796 POSTS
Good evening,

The most likely cause of this is the idle air control valve. It is not sitting in the correct position for starting.

When you inspect it, make sure the bore is clear of all carbon deposits.

Roy

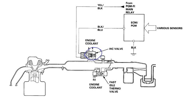
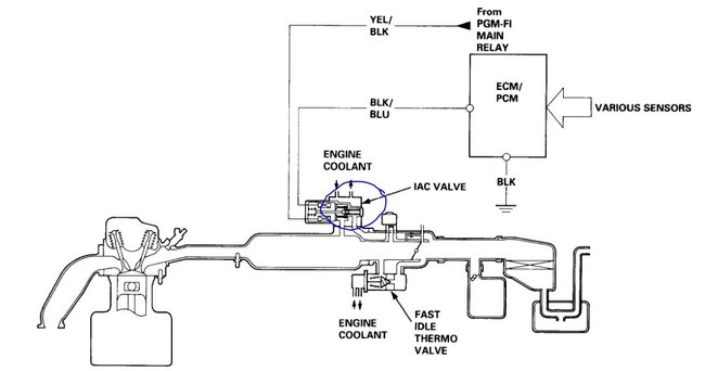
SYSTEM DESCRIPTION
The idle speed of the engine is controlled by the Idle Air Control (IAC) Valve.
The valve changes the amount of air bypassing into the intake manifold in response to electric current controlled by the ECM/PCM. When the IAC Valve is activated, the valve opens to maintain the proper idle speed.

1. After the engine starts, the IAC valve opens for a certain time. The amount of air is increased to raise the idle speed about 150-300 rpm.
2. When the coolant temperature is low, the IAC valve is opened to obtain the proper fast idle speed. The amount of bypassed air is thus controlled in relation to the engine coolant temperature.
3. When the idle speed is out of specification and the scan tool does not indicate Diagnostic Trouble Code (DTC) P0505 or P1508, check the following items:
Adjust the idle speed
Air conditioning signal
ALT FR signal
Starter switch signal
A/T gear position signal
PSP switch signal
Brake switch signal
Fast idle thermo valve
Hoses and connections
AC valve and its mounting 0-rings

4. If the above items are normal, substitute a known-good IAC valve and readjust the idle speed.
If the idle speed still cannot be adjusted to specification (and the scan tool does not indicate DTC P0505 or P1508) after IAC valve replacement, substitute a known-good ECM/PCM and recheck. If symptom goes away, replace the original ECM/PCM.
Was this
answer
helpful?
Yes
No
Sunday, April 26th, 2020 AT 3:56 PM
Tiny
CHRISTOPHER IVAN ROEDER
  • MEMBER
  • 156 POSTS
Thank you. I'll take a look and see what I can do.
Was this
answer
helpful?
Yes
No
Sunday, April 26th, 2020 AT 4:28 PM
Tiny
ASEMASTER6371
  • MECHANIC
  • 52,796 POSTS
Sounds like a plan.

You are welcome.

Always glad to help.

Roy
Was this
answer
helpful?
Yes
No
Sunday, April 26th, 2020 AT 4:31 PM
Tiny
CHRISTOPHER IVAN ROEDER
  • MEMBER
  • 156 POSTS
I think I found the problem. The IAT sensor busted off in the connector somehow.
Was this
answer
helpful?
Yes
No
Sunday, April 26th, 2020 AT 6:05 PM
Tiny
ASEMASTER6371
  • MECHANIC
  • 52,796 POSTS
Okay, try and see if it takes care of it. That alone should not cause it to not start.

It should also have set a code for that as well.

Did it set a code?

Roy
Was this
answer
helpful?
Yes
No
Monday, April 27th, 2020 AT 3:24 AM
Tiny
CHRISTOPHER IVAN ROEDER
  • MEMBER
  • 156 POSTS
Codes P0113, P0135 and P0141.
Was this
answer
helpful?
Yes
No
Monday, April 27th, 2020 AT 7:40 AM
Tiny
ASEMASTER6371
  • MECHANIC
  • 52,796 POSTS
Okay, the 113 is your broken sensor.

The 135,141 are O2 sensor heater codes. I attached some possibilities below along with a flow chart for determining the failure.

These codes are not related to the hard starting either.

Roy
Was this
answer
helpful?
Yes
No
Monday, April 27th, 2020 AT 7:54 AM
Tiny
CHRISTOPHER IVAN ROEDER
  • MEMBER
  • 156 POSTS
Hmm, do you have any idea where to look for the problem? I feel like I'm in the right area just so many sensors in the area.
I appreciate your help.
Was this
answer
helpful?
Yes
No
Monday, April 27th, 2020 AT 8:58 AM
Tiny
ASEMASTER6371
  • MECHANIC
  • 52,796 POSTS
Did you follow the flow chart I posted?

Tell me the results of each step?

Roy
Was this
answer
helpful?
Yes
No
Monday, April 27th, 2020 AT 9:06 AM
Tiny
CHRISTOPHER IVAN ROEDER
  • MEMBER
  • 156 POSTS
I will do that shortly.
Was this
answer
helpful?
Yes
No
Monday, April 27th, 2020 AT 10:27 AM
Tiny
ASEMASTER6371
  • MECHANIC
  • 52,796 POSTS
Keep me updated.

Roy
Was this
answer
helpful?
Yes
No
Monday, April 27th, 2020 AT 10:31 AM
Tiny
OSCARO111
  • MEMBER
  • 1 POST
  • 1996 HONDA ACCORD
  • 190,505 MILES
Honda accord 96 - Only in cold weather other than this starts fine [i got a new battery] after I got it to start it runs fine all day until next early morning
Was this
answer
helpful?
Yes
No
Tuesday, September 29th, 2020 AT 12:09 PM (Merged)
Tiny
WRENCHTECH
  • MECHANIC
  • 20,761 POSTS
These cars had a big problem with the distributor going out. also go here for more info

https://www.2carpros.com/articles/car-cranks-but-wont-start

All "crank, no start" conditions are approached in the same way. Every engine requires certain functions to be able to run. Some of these functions rely on specific components to work and some components are part of more than one function so it is important to see the whole picture to be able to conclude anything about what may have failed. Also, these functions can ONLY be tested during the failure. Any other time and they will simply test good because the problem isn't present at the moment.
If you approach this in any other way, you are merely guessing and that only serves to replace unnecessary parts and wastes money.

Every engine requires spark, fuel and compression to run. That's what we have to look for.

These are the basics that need to be tested and will give us the info required to isolate a cause.

1) Test for spark at the plug end of the wire using a spark tester. If none found, check for power supply on the + terminal of the coil with the key on.

2) Test for injector pulse using a small bulb called a noid light. If none found, check for power supply at one side of the injector with the key on.

3) Use a fuel pressure gauge to test for correct fuel pressure, also noticing if the pressure holds when key is shut off.

4) If all of these things check good, then you would need to do a complete compression test.

Once you have determined which of these functions has dropped out,
you will know which system is having the problem.

That being said, this car is notorious for intermittent main relays acting up in different weather conditions. It will knock out power supply to both ignition coil and injectors.
Was this
answer
helpful?
Yes
No
+1
Tuesday, September 29th, 2020 AT 12:09 PM (Merged)
Tiny
JOSEPHGRAHAM
  • MEMBER
  • 6 POSTS
  • 1996 HONDA ACCORD
  • 2.7L
  • 6 CYL
  • 2WD
  • AUTOMATIC
  • 195,000 MILES
Has some issues with transmission slipping, and starting. Last week replaced the distributor cap, and rotor button. Started and ran fine twice, then wouldn't start, changed spark plugs, and ignition coil. Ran fine for two weeks and is not starting again. It seems to not be getting fuel. You can hear the pump kick on. But it just cranks and won't start. No idea what to do. Anyone else who might have had some similar problems? I'm not sure of if it's part of the problem or not but the last two times it's shut off it has been after it started up just fine and was put in reverse and then once turned around in put into drive shut off instead of going anywhere. I don't know if there's some kind of correlation or not. I'm thinking fuel filter, fuel rail or line or something.
Was this
answer
helpful?
Yes
No
Tuesday, September 29th, 2020 AT 12:09 PM (Merged)
Tiny
JACOBANDNICKOLAS
  • MECHANIC
  • 110,194 POSTS
Welcome to 2CarPros

There are many things that can cause this to happen. However, based on your description, I would like you to check if there is spark to the plugs. Here is a link that shows how it is done:

https://www.2carpros.com/articles/how-to-test-an-ignition-system

If you find no spark, my first suspect is the crankshaft position sensor. Take a look at this link.

https://www.2carpros.com/articles/symptoms-of-a-bad-crankshaft-sensor

Check to see if there is spark to the plugs let me know what you find.

As far as fuel, yes, it could be related, but usually it's all or nothing with a pump. If you want to check it, here is a link that shows how to check for pressure:

https://www.2carpros.com/articles/how-to-check-fuel-system-pressure-and-regulator

Here are directions specific to your vehicle for testing fuel pressure. The manufacturer's specs are included in the directions. Pic 1 correlates with these directions.

1. Relieve fuel pressure.
2. Remove the service bolt on the fuel filter while holding the banjo bolt with another wrench. Attach the special tool.
3. Start the engine. * Measure the fuel pressure with the engine idling and the vacuum hose of the fuel pressure regulator disconnected from the fuel pressure regulator and pinched.

Pressure should be: 304 - 353 kPa (3.1 - 3.6 kgf/cm2, 44 - 51psi)

See Pic 1

4. Reconnect vacuum hose to the fuel pressure regulator.

Pressure should be: 245 - 294 kPa (2.5 - 3.0 kgf/cm2, 36 - 43 psi)

*: If the engine will not start, turn the ignition switch on, wait for two seconds, turn it off, then back on again and read the fuel pressure.

If the fuel pressure is not as specified, first check the fuel pump. If the fuel pump is okay, check the following:

- If the fuel pressure is higher than specified, inspect for:
Pinched or clogged fuel return hose or line.
Faulty fuel pressure regulator.
- If the fuel pressure is lower than specified, inspect for:
Clogged fuel filter.
Faulty fuel pressure regulator.
Leakage in the fuel line.

_________________________________________________

If you haven't already scanned for diagnostic trouble codes, I recommend it.

Let me know if this helps or if you have other questions.

Take care,
Joe
Was this
answer
helpful?
Yes
No
Tuesday, September 29th, 2020 AT 12:09 PM (Merged)
Tiny
CHRISTOPHER IVAN ROEDER
  • MEMBER
  • 156 POSTS
  • 1996 HONDA ACCORD
  • 2.2L
  • 4 CYL
  • 2WD
  • AUTOMATIC
  • 191,345 MILES
When trying to start my car it randomly will decide not to start as in it will not completely turnover. Sometimes if I push the gas a little it will start then and it doesn't do it every time just occasionally.
Was this
answer
helpful?
Yes
No
Tuesday, September 29th, 2020 AT 12:09 PM (Merged)
Tiny
SCGRANTURISMO
  • MECHANIC
  • 4,897 POSTS
Hello,

This could be a problem with your vehicle's Idle Air Control (IAC) valve.This valve let's air bypass your closed throttle plate at idle to keep your vehicle's engine idling.It is mounted on the rear of the engine on the side of the throttle body. In the diagrams down below I have included a diagram with the IAC location, as well as factory component tests to make sure the IAC is failing. The phrase KOEO stands for Key On Engine Off and you will need to use a Digital Multi-meter (DMM) to do these tests, so here is a link below for you to go to explaining how to use one, if needed:

https://www.2carpros.com/articles/how-to-use-a-voltmeter

Please go through these guides and report back with what you find out.

Thanks,
Alex
2CarPros
Was this
answer
helpful?
Yes
No
Tuesday, September 29th, 2020 AT 12:09 PM (Merged)
Tiny
RACER83
  • MEMBER
  • 2 POSTS
  • 1996 HONDA ACCORD
  • 4 CYL
  • 2WD
  • MANUAL
Hi,
My car starts easy when warm, but is very difficult (and sometimes impossible) to start once the engine has warmed up. When I'm trying to re start from a warmed up engine, it will crank and sputter (soft popping sound) from tail pipe, but wont start. Any ideas please.
Was this
answer
helpful?
Yes
No
Tuesday, September 29th, 2020 AT 12:10 PM (Merged)
Tiny
KHLOW2008
  • MECHANIC
  • 41,814 POSTS
https://www.2carpros.com/articles/car-cranks-but-wont-start . . . When problem occurs, use the steps as outlined in above link to determine what is missing causing the non starting and post your findings here. Is the Check Engine Light indicating?
Was this
answer
helpful?
Yes
No
Tuesday, September 29th, 2020 AT 12:10 PM (Merged)
Tiny
RACER83
  • MEMBER
  • 2 POSTS
Thanks for your reply, I will try to check the procedures in the article. There is no engine check light problem.
Was this
answer
helpful?
Yes
No
Tuesday, September 29th, 2020 AT 12:10 PM (Merged)

Please login or register to post a reply.