Condenser fan not working relay or fuse?

Tiny
JESSICA MERTENS
  • MEMBER
  • 2009 DODGE RAM
  • 200,000 MILES
The A/C condenser fan isn't working. If I bang on it, it'll work for a short amount of time then quit again. I had an evacuation and refill of the Freon done at the auto shop the other day. But I am wondering if you can take just the fan off the condenser on my year/model truck or if you'd have to take it all off to replace the condenser fan? What are the troubleshooting steps you recommend for a condenser fan that doesn't work? Also. Where is the relay located for the fan?
Saturday, April 13th, 2019 AT 2:39 PM

21 Replies

Tiny
ASEMASTER6371
  • MECHANIC
  • 52,796 POSTS
Good afternoon,

There is no relay. It is controlled by the TIPM which is easy to replace because it self initializes. There are instructions for the replacement in the diagrams below.

Roy

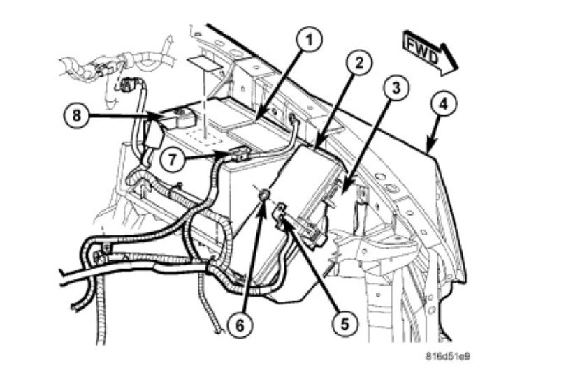
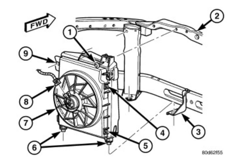
1. Disconnect and isolate the negative battery cable.
2. Recover the refrigerant from the refrigerant system See: Heating and Air Conditioning > Procedures > Refrigerant System Recovery.
3. Disconnect the A/C discharge line and the A/C liquid line from the A/C condenser See: Hose/Line HVAC > Removal and Replacement > A/C Discharge Line - Removal and See: Hose/Line HVAC > Removal and Replacement > A/C Liquid Line - Removal.
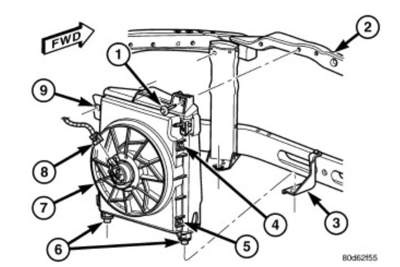
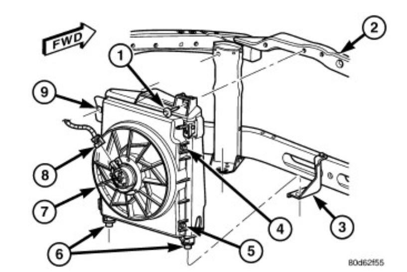
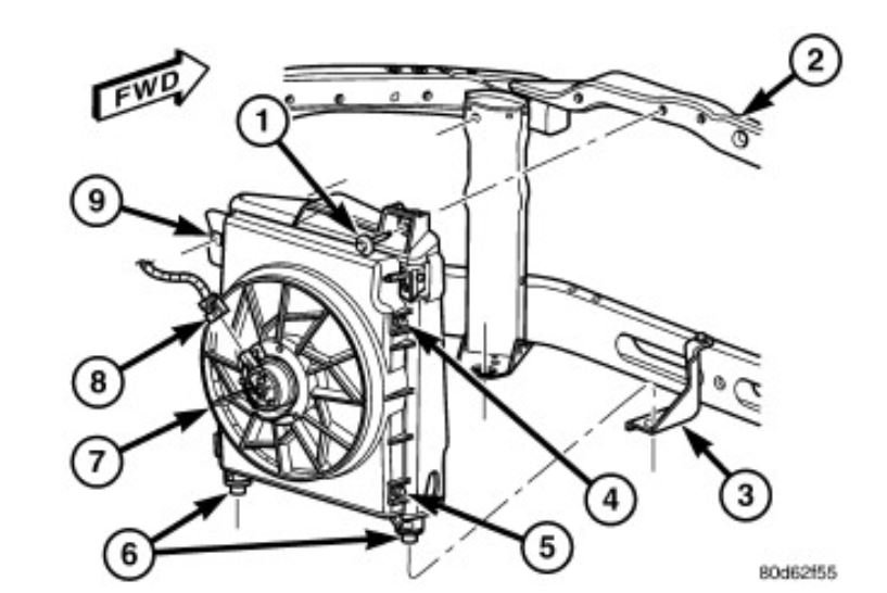
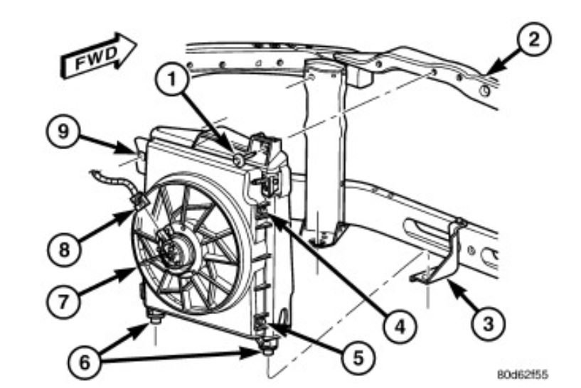
4. Disconnect the wire harness connector (8) from the A/C condenser cooling fan motor (7).
5. Remove the two bolts (1 and 9) that secure the A/C condenser to the front upper crossmember (2).
6. Carefully lift the A/C condenser and cooling fan assembly to disconnect the lower mounting tabs (6) from the lower mounting flanges (3) and remove the assembly from the engine compartment.
7. Place the A/C condenser and the cooling fan assembly on a workbench and remove the four screws (4 and 5) that secure the cooling fan to the A/C condenser and separate the fan from the condenser.

Check out the diagrams (Below). Please let us know what you find.
Was this
answer
helpful?
Yes
No
+1
Saturday, April 13th, 2019 AT 3:04 PM
Tiny
JPRIETZ
  • MEMBER
  • 11 POSTS
I got a new TIPM cost me $289.00 all fixed
Was this
answer
helpful?
Yes
No
Tuesday, September 10th, 2019 AT 5:39 PM
Tiny
MATT GRAVOIS
  • MEMBER
  • 1 POST
  • 2008 DODGE RAM
  • 4.7L
  • V8
  • 4WD
  • AUTOMATIC
  • 111,000 MILES
Do you have to drain the A/C line before disconnecting it from the condenser?
Was this
answer
helpful?
Yes
No
Friday, April 23rd, 2021 AT 10:48 AM (Merged)
Tiny
KEN L
  • MASTER CERTIFIED MECHANIC
  • 55,488 POSTS
Hello,

Yes you do. Here is a video that will help you see what you are in for when doing the job.

https://youtu.be/ipmmluZmgaU

and

https://youtu.be/fPgEtJ4KAT4

Here is a discharge and charging guide:

https://www.2carpros.com/articles/re-charge-an-air-conditioner-system

Please let us know what happens.

Cheers, Ken
Was this
answer
helpful?
Yes
No
Friday, April 23rd, 2021 AT 10:48 AM (Merged)
Tiny
MAK0496
  • MEMBER
  • 2 POSTS
  • 2008 DODGE RAM
  • 5.7L
  • V8
  • 4WD
  • AUTOMATIC
  • 150,000 MILES
My check engine light is on and I am getting a P0480 code in my truck listed above 1500. I watched your video on how to replace the relay which was located in the fuse box. I cannot seem to find the AC condenser fan relay in my fuse box. Is the relay located somewhere else under the hood?
Was this
answer
helpful?
Yes
No
Friday, April 23rd, 2021 AT 10:48 AM (Merged)
Tiny
ASEMASTER6371
  • MECHANIC
  • 52,796 POSTS
Good morning,

The relay is part of the fuse block and is not serviceable. It is internal in the module which is called the TIPM.

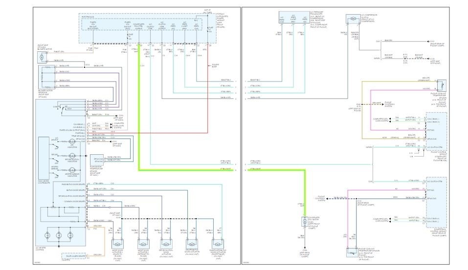
I will attach a wire diagram for you to view. Check for voltage to the motor to be sure it is not a bad motor. The control is the module looks for input from the AC system from the pressure switch. When it sees pressure above 20 lbs, it will turn on the fan.

I attached installation instruction for you in case it is the module which is a very common failure.

Roy

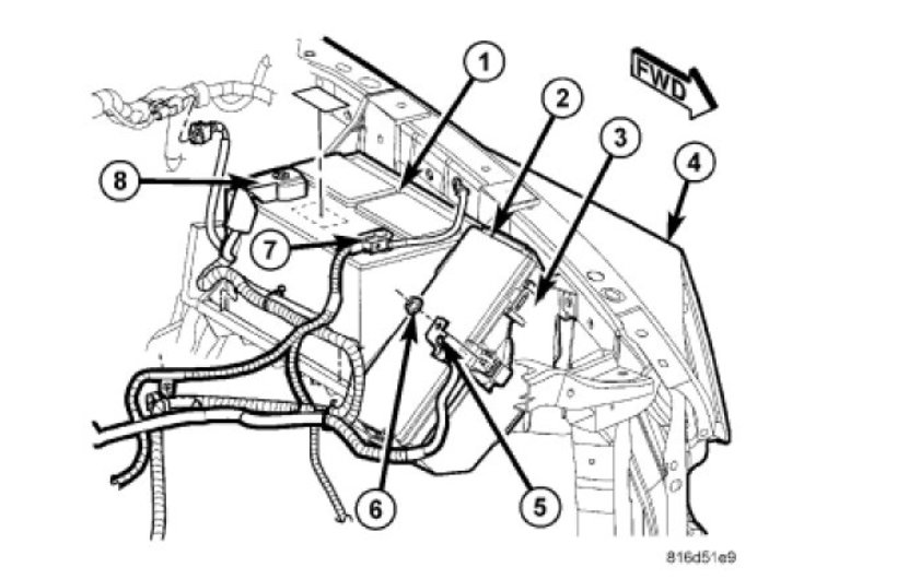
INSTALLATION

imageOpen In New TabZoom/Print

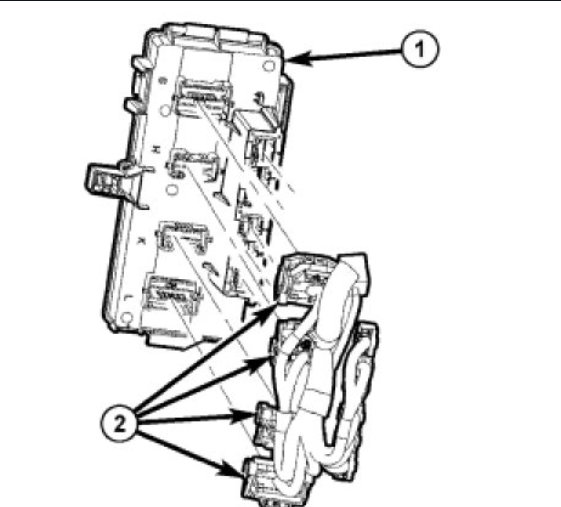
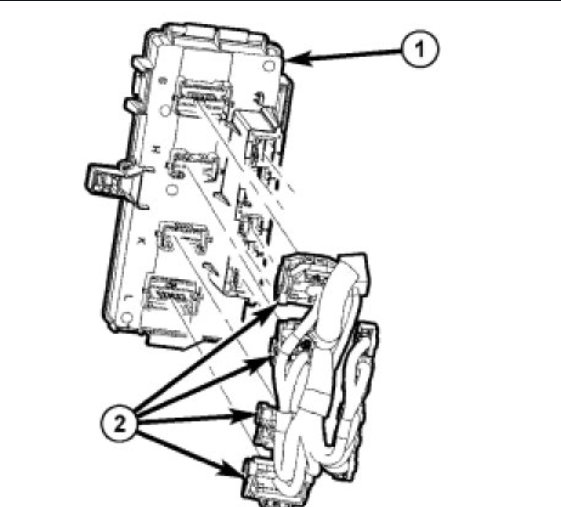
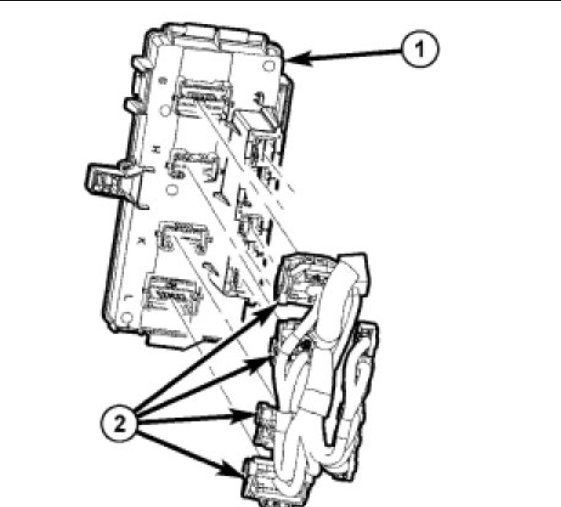
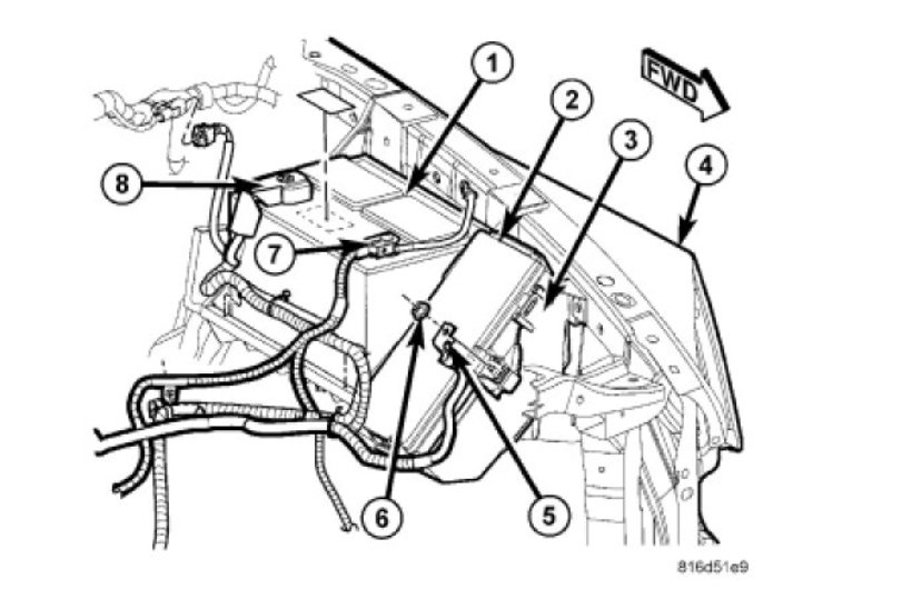
1. Position the Totally Integrated Power Module (1)(TIPM) into the vehicle.

NOTE: Totally Integrated power module electrical connectors are color coded to ease location reference.

2. Connect the electrical connectors (2) by pushing straight on and rotating the connector arm inboard, until the connector is firmly locked in place on the TIPM assembly (1).

ImageOpen In New TabZoom/Print

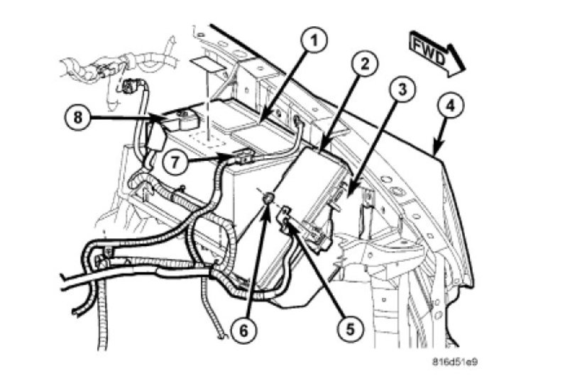
3. Turn the TIPM (1) so that the connector side is facing down. Install the assembly onto the TIPM battery tray bracket (3) making sure to line up the lower retaining tab with the retaining slot in the tray (1).
4. Push the TIPM (1) downward to lock the upper retaining clips into the bracket (3).

ImageOpen In New TabZoom/Print

5. Install the B+ terminal cable (5) and nut (6) on the B+ terminal of the TIPM (2).
6. Connect the battery negative cable.
Was this
answer
helpful?
Yes
No
Friday, April 23rd, 2021 AT 10:48 AM (Merged)
Tiny
MAK0496
  • MEMBER
  • 2 POSTS
Okay thanks, I will check it out.
Was this
answer
helpful?
Yes
No
Friday, April 23rd, 2021 AT 10:48 AM (Merged)
Tiny
ASEMASTER6371
  • MECHANIC
  • 52,796 POSTS
You are welcome.

Always glad to help.

Roy
Was this
answer
helpful?
Yes
No
+1
Friday, April 23rd, 2021 AT 10:48 AM (Merged)
Tiny
HUFFERMAN05
  • MEMBER
  • 5 POSTS
  • 2007 DODGE RAM
  • 4.7L
  • V8
  • 2WD
  • AUTOMATIC
  • 200,000 MILES
My fan is not running and I can’t find the relay.
Was this
answer
helpful?
Yes
No
Friday, April 23rd, 2021 AT 10:49 AM (Merged)
Tiny
KASEKENNY
  • MECHANIC
  • 18,907 POSTS
Your vehicle does not have a relay. It has what is called a TIPM or totally integrated power module.

That means that we need to test for power at the fan motor and if we don't have it, we need to go to the TIPM and test for power coming out and if we don't have it then it needs a TIPM. This is not uncommon for these to fail.

Let's check for power and go from there. Thanks
Was this
answer
helpful?
Yes
No
Friday, April 23rd, 2021 AT 10:49 AM (Merged)
Tiny
KEN L
  • MASTER CERTIFIED MECHANIC
  • 55,488 POSTS
Here is how you can confirm the TIPM being bad with the instructions (below) on how to change out the TIPM which is easy because it self initializes.

https://youtu.be/InIlnsjOVFA

Here are the A/C system wiring diagrams so you can see how the system works. Please let us know what happens.
Was this
answer
helpful?
Yes
No
Friday, April 23rd, 2021 AT 10:49 AM (Merged)
Tiny
HUFFERMAN05
  • MEMBER
  • 5 POSTS
My neighbor is a mechanic and he says the TIPM is getting power and he thinks it might be the temperature control unit that is bad.
Was this
answer
helpful?
Yes
No
Friday, April 23rd, 2021 AT 10:49 AM (Merged)
Tiny
KASEKENNY
  • MECHANIC
  • 18,907 POSTS
Can we step back and clarify which fan you are saying is not working? I understood the /AC fan as the one under the hood. Do you mean the blower motor is not working? The one that blows the cold A/C air out of the vents?
Was this
answer
helpful?
Yes
No
Friday, April 23rd, 2021 AT 10:49 AM (Merged)
Tiny
HUFFERMAN05
  • MEMBER
  • 5 POSTS
The one under the hood and my compressor is not cycling and I just installed it yesterday. The blower motor is working just fine.
Was this
answer
helpful?
Yes
No
Friday, April 23rd, 2021 AT 10:49 AM (Merged)
Tiny
FRANCISJANSEN
  • MEMBER
  • 2 POSTS
  • 2007 DODGE RAM
  • 5.7L
  • V8
  • 4WD
  • AUTOMATIC
  • 341,000 MILES
Which fuse controls the A/C condenser cooling fan?
Was this
answer
helpful?
Yes
No
Friday, April 23rd, 2021 AT 10:49 AM (Merged)
Tiny
KASEKENNY
  • MECHANIC
  • 18,907 POSTS
This vehicle is called a TIPM based vehicle. That means the traditional fuse block is replaced (mostly) with a circuit board control drivers. So what happens is when the fan needs to be turned on the PCM tells the TIPM to energize the fan and it does it through the circuit board.

Take a look at the wiring diagram and it will show the detail.

Let us know what questions you have. Thanks
Was this
answer
helpful?
Yes
No
Friday, April 23rd, 2021 AT 10:49 AM (Merged)
Tiny
KEN L
  • MASTER CERTIFIED MECHANIC
  • 55,488 POSTS
Please unplug the cooling fan motor and use this guide to check the ground, then turn the A/C on and wait 2 minutes to check for power at the motor.

These guides will help:

https://www.2carpros.com/articles/how-to-use-a-test-light-circuit-tester

and

https://www.2carpros.com/articles/replace-electric-fan-motor

Please run down these guides and report back.
Was this
answer
helpful?
Yes
No
Friday, April 23rd, 2021 AT 10:49 AM (Merged)
Tiny
HUFFERMAN05
  • MEMBER
  • 5 POSTS
I changed my temperature control switch in the truck and now my fan is working again, but still no cold air.
Was this
answer
helpful?
Yes
No
Friday, April 23rd, 2021 AT 10:49 AM (Merged)
Tiny
KEN L
  • MASTER CERTIFIED MECHANIC
  • 55,488 POSTS
This will be a separate problem. Please post your new question here, you must be logged in.

https://www.2carpros.com/questions/new

Cheers, Ken
Was this
answer
helpful?
Yes
No
Friday, April 23rd, 2021 AT 10:49 AM (Merged)
Tiny
TIMOTHY WILLIS
  • MEMBER
  • 1 POST
  • 2002 DODGE RAM
  • 4.7L
  • V8
  • 4WD
  • AUTOMATIC
  • 150,000 MILES
I am currently trying to trouble shoot my AC condense fan that will not switch on. The mechanic wants to charge me $130.00 just to tell me why it will not switch on when needed. When I run my AC the compressor clutch engages and then the high pressure line begins to get hot. I know the fan work because I have ran it straight to the battery and it turns on instantly, the fuse and relay are good but the last test I watched preformed was the test for the sensor on the high pressure line, but when I test it by crossing the leads my truck shuts off instantly.

Any help would be greatly appreciated. I would love to learn this stuff just so I know how everything works.
Was this
answer
helpful?
Yes
No
Friday, April 23rd, 2021 AT 10:49 AM (Merged)

Please login or register to post a reply.