Does not start?

Tiny
LOSBOOGIE1
  • MEMBER
  • 2007 CHEVROLET IMPALA
  • 3.9L
  • V6
  • 2WD
  • AUTOMATIC
  • 180,000 MILES
Hey you had a issue with your impala said it was the module can u run me thru how u fixed it because I’m having the same issue
Thursday, November 24th, 2022 AT 9:11 AM

5 Replies

Tiny
STEVE W.
  • MECHANIC
  • 15,676 POSTS
We cannot tell what question you are referencing so have no idea of what the issue you are talking about would be. Could you please clarify the question as to the problem and what you have tried so far. Thank you.
Was this
answer
helpful?
Yes
No
Thursday, November 24th, 2022 AT 12:46 PM
Tiny
LOSBOOGIE1
  • MEMBER
  • 3 POSTS
Yes, sorry, I have a 2007 Chevy impala LT 3.9, 175000. I drive it on my break came back wouldn’t start I just got a new starter n battery in August I call starter place they replace it from warranty I hooked it up yet still doesn’t start battery terminals are tight n clean when I tap the fuse on pwtrn it makes noise I’ve tested all the fuses brought a new starter fuse and fuel pump fuse could be the start 40 amp fuse only one haven’t changed seen on guy say he change the module but what one is that I’ve changed the one under the filter still nothing.
Was this
answer
helpful?
Yes
No
Friday, November 25th, 2022 AT 4:44 AM
Tiny
STEVE W.
  • MECHANIC
  • 15,676 POSTS
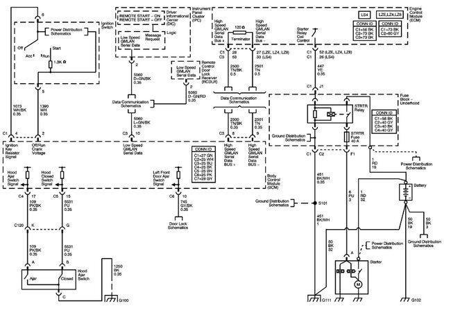
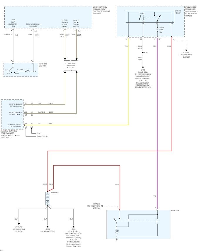
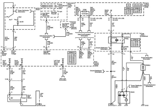
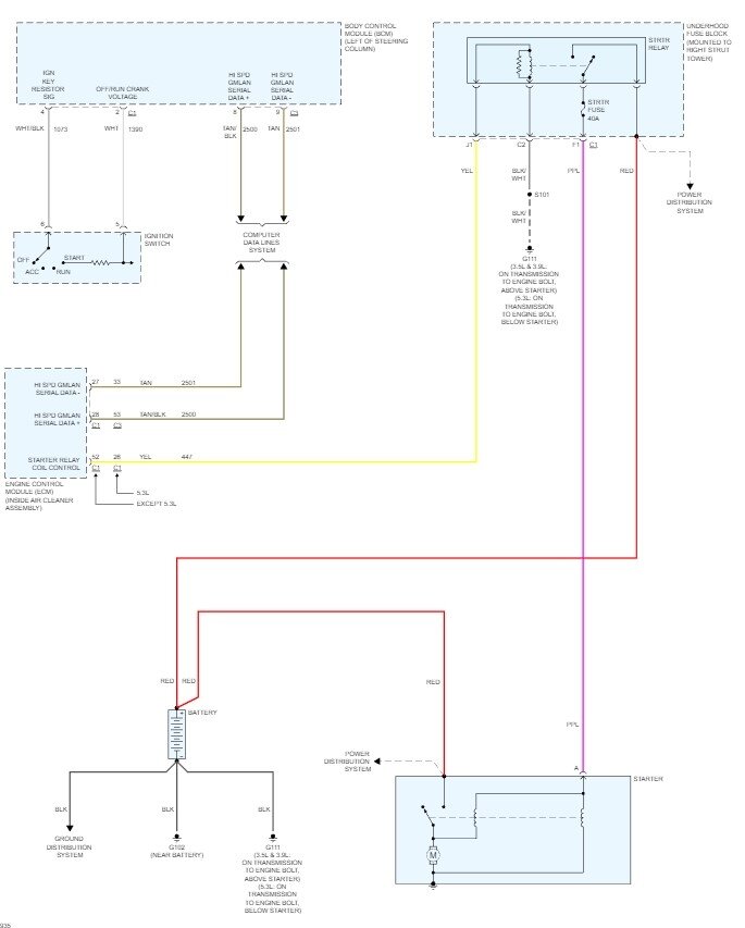
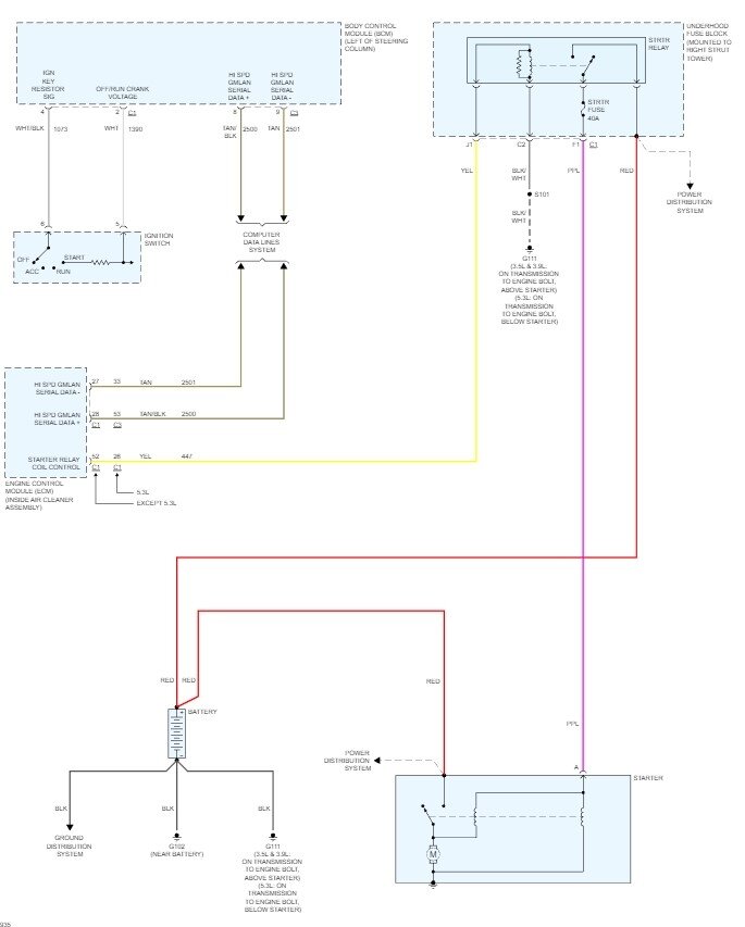
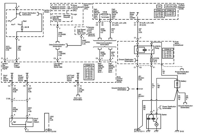
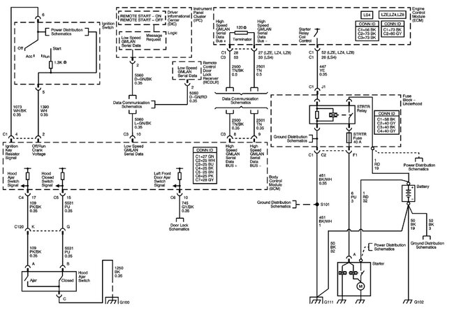
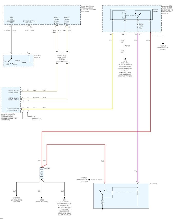
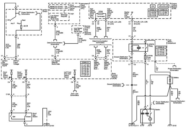
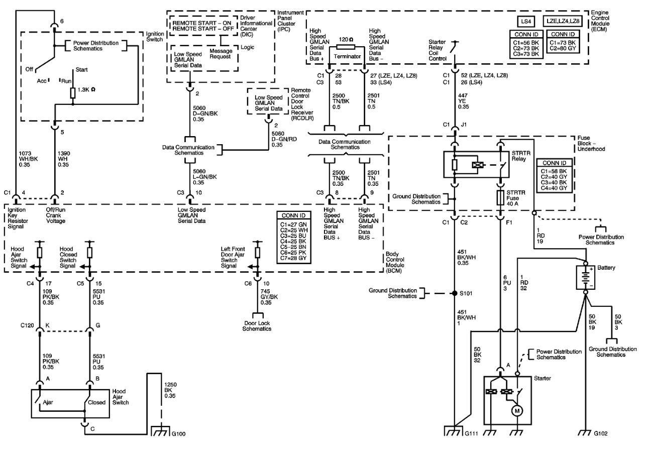
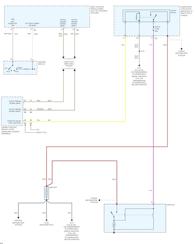
Okay, when you say it won't start, does it turn over when you use the key, or does it just crank and not start? If you use the key and it does nothing, but you have lights and other items that work, you need to test the actual starter circuit. To do that you will need a simple test light. With it connected to a good ground go to the starter motor and disconnect the purple wire that connects to the solenoid, have someone turn the key and touch the light to the purple wire's connector, does it light? I will assume it doesn't as it is the signal wire for the starter, to verify the starter is okay you can jump battery power to that terminal on the starter and the engine should turn over. Now if the starter turns when jumped but no signal on the purple wire, we need to go back to the starter relay and test from it. The starter relay is in the under-hood fuse box, have someone turn the key can you hear and feel it click? If not swap the rear window defog relay with the starter relay and try it. They are the same part, if it now starts, replace the relay. If not, we need to test the relay wiring. For that grab the test light again, with the relay out touch the test light to the connections in the box, you should find one that has power all the time, now turn the key and check again, you should now find two that have power. Make a note of the two with power. The other two pins will be tested next. Switch the test light to battery positive and touch the other two pins. One goes to the starter motor control wire and the other goes to ground. Both should light the light if the circuits are good. The one to the starter might actually turn the engine over, depends on how much current the control takes.
I'm hoping that you have found the issue by now, however if not post the results of the testing and look at the wiring diagrams. It's possible that the ground to the relay is bad or that there is an issue with the ECU, however that part isn't a plug and play item, it needs to be initialized using a scan tool so if you swapped it, put the old one back in for testing.
Was this
answer
helpful?
Yes
No
Friday, November 25th, 2022 AT 9:18 AM
Tiny
LOSBOOGIE1
  • MEMBER
  • 3 POSTS
It’s crazy I have done everything you said excluding the scan tool nothing worked the starter relay is new I did take it out and test the current it’s strong engine act like it wanted to start but didn’t then it stop trying to cut on altogether when you turn the key it clicks no start all the lights go off n just show check engine light solid not flashing battery strong and relays are new 40 amp starter relay old not changed I will change it later today and text you back.
Was this
answer
helpful?
Yes
No
Friday, November 25th, 2022 AT 11:41 AM
Tiny
STEVE W.
  • MECHANIC
  • 15,676 POSTS
Okay, take a wrench and try to turn the engine over by hand, it's a long shot but it could be an internal issue that is locking it up, so it won't turn. Also take a set of jumper cables and use one side to go to the starter power terminal and the other from battery negative to the engine block. Like you are adding a set of battery cables. I've seen cables that look perfect but were damaged internally.
Was this
answer
helpful?
Yes
No
Friday, November 25th, 2022 AT 1:52 PM

Please login or register to post a reply.