Tail lights not working

Tiny
CHRIS BOY
  • MEMBER
  • 2000 CHEVROLET TRUCK
  • V8
  • 4WD
  • MANUAL
  • 166,756 MILES
Tail lights and dash lights wont come on checked the fuses and cant find problem
Saturday, October 9th, 2010 AT 10:39 PM

1 Reply

Tiny
KASEKENNY
  • MECHANIC
  • 18,907 POSTS
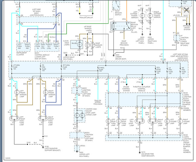
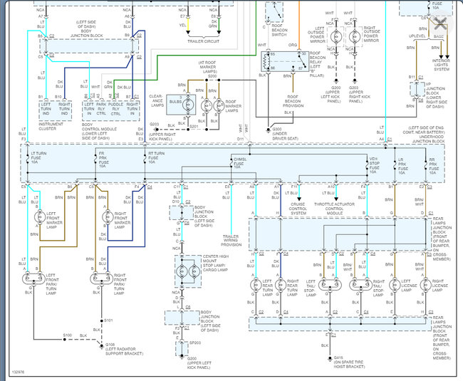
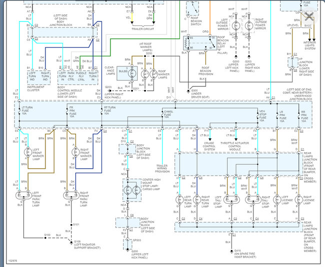
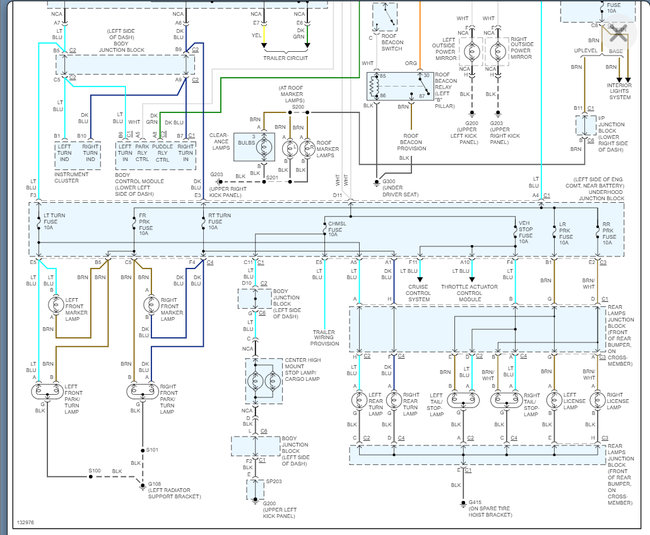
The only thing that would cause both tail lights and dash lights to not come on is a switch issue. The reason is, this vehicle has a separate park circuit so let's confirm that they don't work on any setting including when the head lights are on.

If that is the case then the switch may not be the issue. However, we should start at the switch and see if there is power going to and out of the headlamp dimmer switch.

Here are a couple guides to help with this:

https://www.2carpros.com/articles/how-to-check-wiring

https://www.2carpros.com/articles/how-to-use-a-voltmeter

Depending on what you find this could be a relay issue so we need to know what the voltage is on both wires when the lights are turned on.

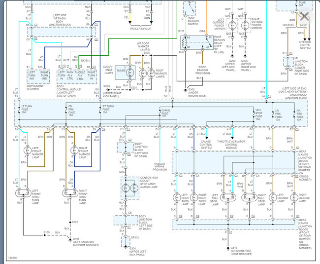
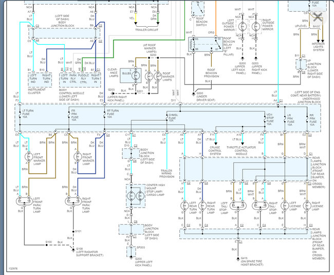
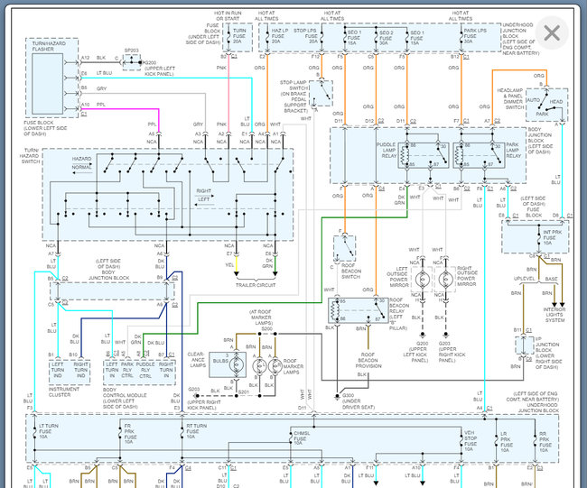
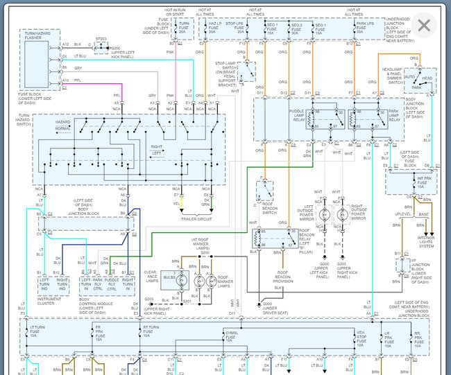
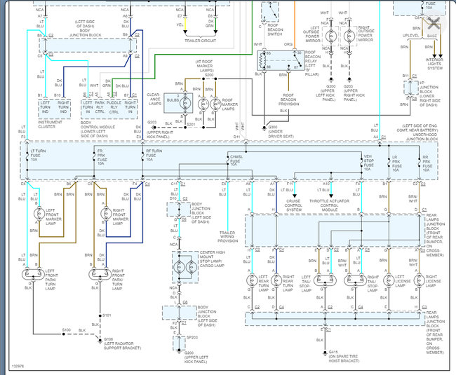
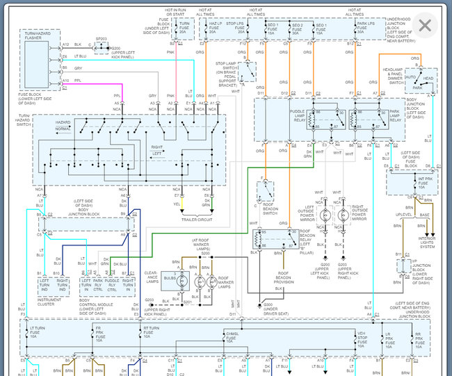
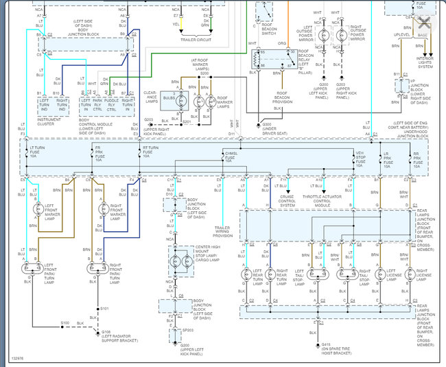
The wiring diagrams are below. Please let us know what you find. Thanks
Was this
answer
helpful?
Yes
No
-1
Saturday, March 12th, 2022 AT 5:21 AM

Please login or register to post a reply.