Tuesday, November 21st, 2006 AT 6:13 PM
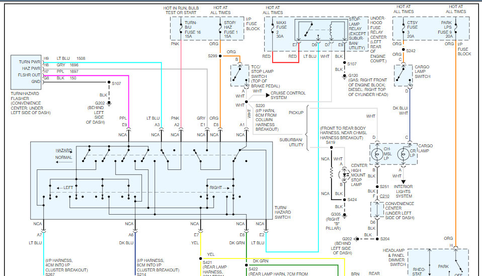
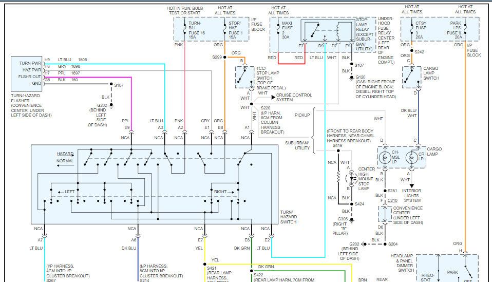
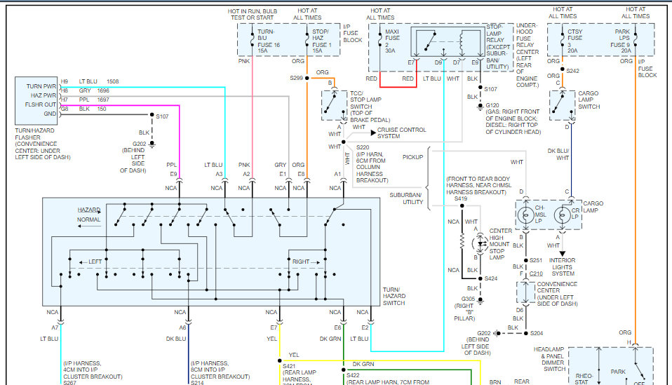
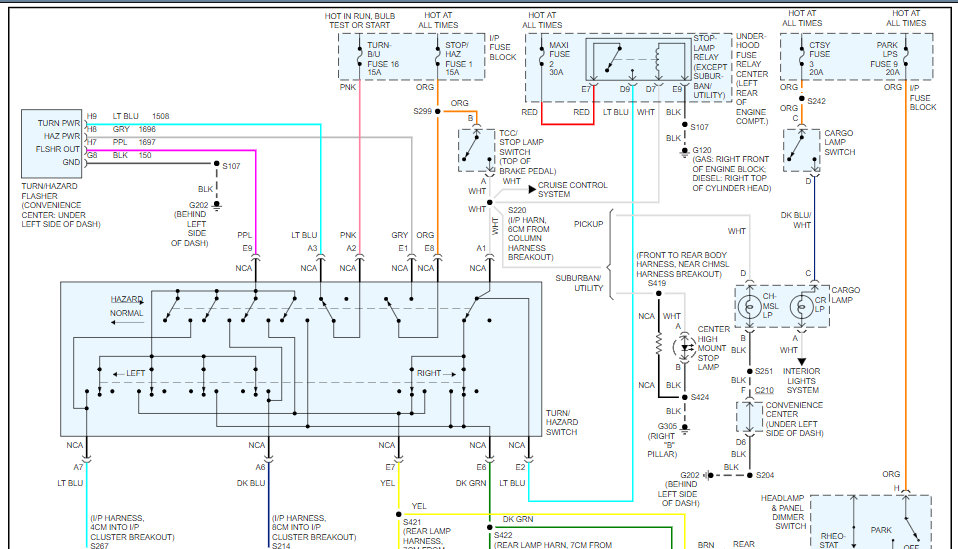
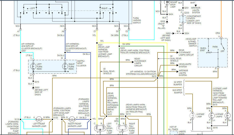
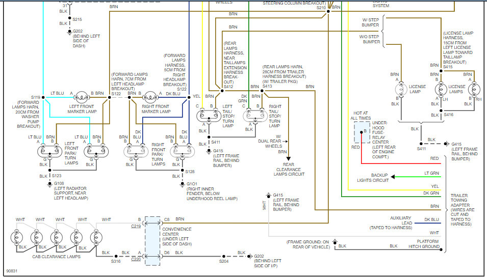
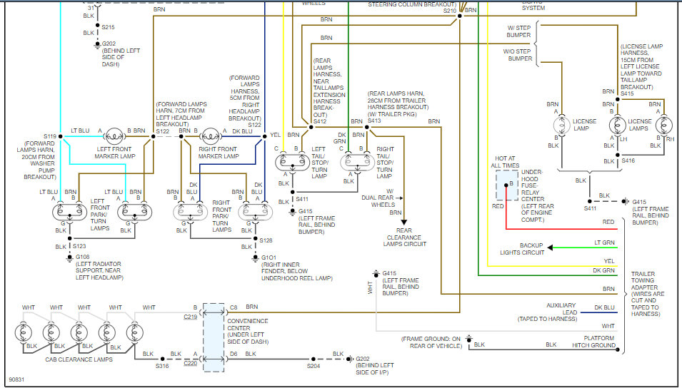
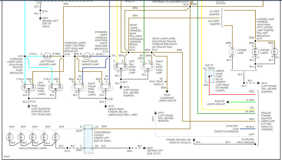
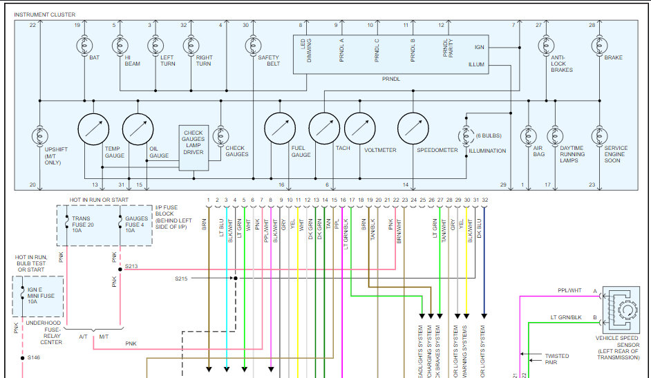
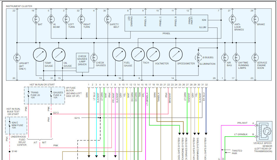
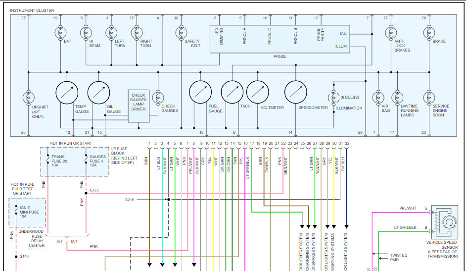
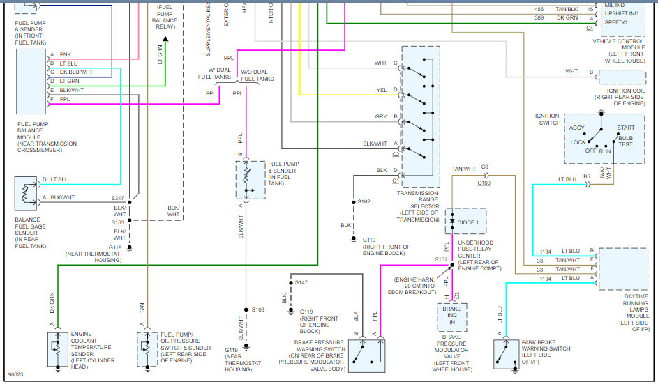
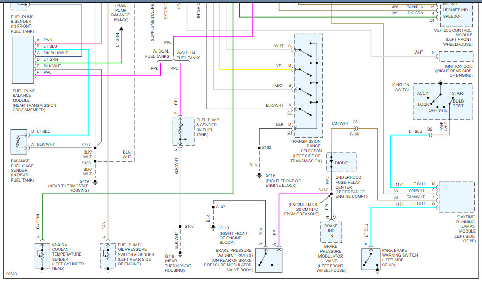
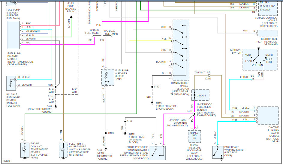
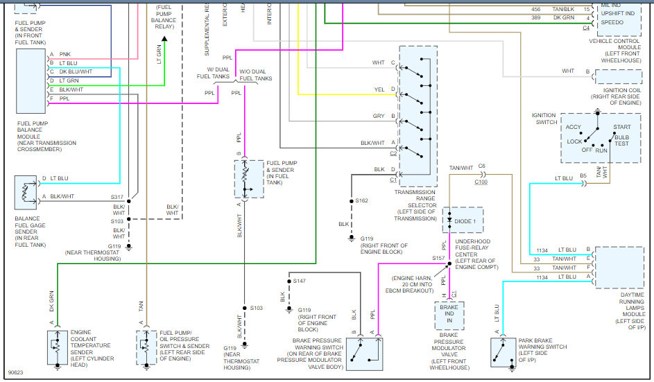
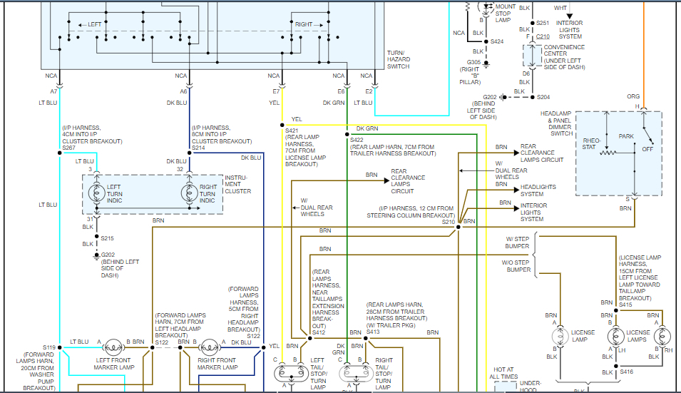
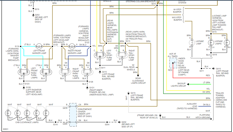
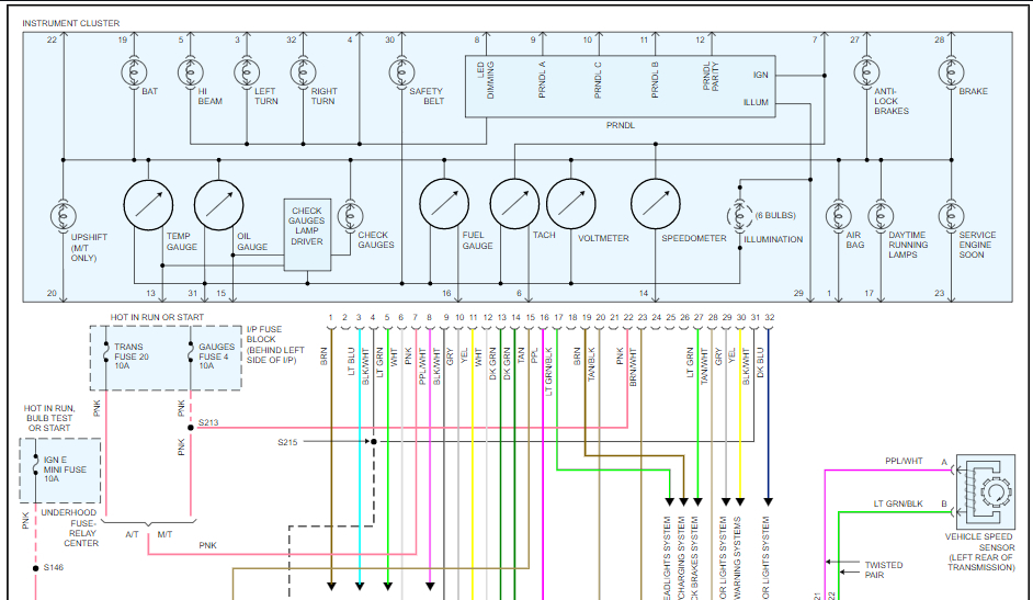
The taillight won't come on The turn signals/emergency flashers/backup lights work fine, checked the bulbs and fuses, they are fine. Headlights come on when I start the car, and cannot be shut off without shutting off the car they should have to be turned on on a 97. High/low beams are Ok Also the dashboard lights are out. I ordered and installed a new headlight switch, no change. Any ideas? Or does this need to go to the shop? Thanks









