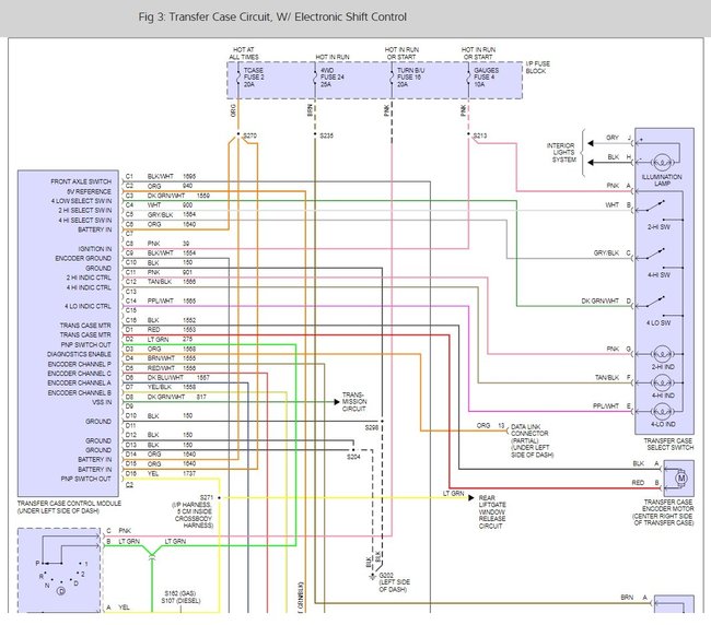
V8 Four Wheel Drive Automatic 180000 miles. I put it in 4wd last week while I was on a wet slick dirt road at the hunting club. When I got on the paved road I took it out of 4wd. A a few mins. later I tried to put it back in 4wd and it would not engage. I have 3 buttons on the dash one is 2wd one is 4wdh and one is 4wdl. The light on the 4 high and 4 low would just flash. I can hear the transfer case shifting into 4wd but the front dif is not activating. To make it short the light on the buttons will flash but the front end will not lock in to 4wd. Nothing I that I do will make the 4wd lock-in. I disconnected the plugs from the Actuator Switch one of them had a little water in it but it looked like new inside. I checked the voltage on the plugs with my fluke meter. I was getting around 6 volts on one and around 8volts on the other one. I am guessing the actuator is a normally closed contact because with the I activated the 4wd there was no reading(voltage). I also checked the fuse and it was good.
What is keeping my 4wd from activating?
What is keeping my 4wd from activating?
Oct 7, 2010 at 8:01 PM





