Code p0410

2001 CHEVROLET TRUCK
Avatar
WAGSJL
  • MEMBER
  • 4 POSTS
2001 Chevrolet S-10 truck. I am having problems finding out what to look at for the code p0410, secondary air injection system malfunction.
Thanks,
wagsjl
Feb 21, 2007 at 5:00 PM
Advertisement
Avatar
2CARPRO JACK
  • CAR REPAIR CONTRIBUTOR
  • 11,533 POSTS
Secondary air injection system is basically referring to the "gulp" valves located on the exhaust manifold. I have replaced several of them.... When they go bad it lets exhaust back into the air pump. It is the big round valve that the hose hooks to. Very inexpensive and I bet the local dealer has a bunch in stock.
Feb 22, 2007 at 8:16 AM
Advertisement
Avatar
JACOBANDNICKOLAS
  • CAR REPAIR CONTRIBUTOR
  • 110,190 POSTS
Hi,

The code you have is related to the secondary air injection system, which does include the pump. The system is designed to lower exhaust emissions during cold starts.

For this code to set, the heated O2 sensor is not indicating a change in exhaust air flow when the pump is to be engaged. This can be cause by a simple fuse in the secondary injection system or many other thing. For example, issues such as low system air flow from the pump, excessive back pressure in the exhaust such as a plugged catalytic converter, or the pump itself may have failed.

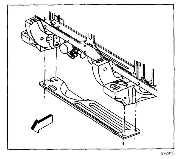
The first thing I would check is the air injection fuse box to confirm there are no fuses that are an issue. See pic 1 Keep in mind, it is equally important to check for power to the fuse rather than just the fuse. There could be a power loss before the box.

Here are a few links you may find helpful:

https://www.2carpros.com/articles/how-a-car-fuse-works

https://www.2carpros.com/articles/how-to-check-a-car-fuse

https://www.2carpros.com/articles/how-to-use-a-test-light-circuit-tester

https://www.2carpros.com/articles/how-to-use-a-voltmeter

https://www.2carpros.com/articles/how-to-check-wiring

Now, the next thing I would confirm is that the exhaust system is clear and nothing is creating excessive back pressure. Here are two links explaining symptoms of a plugged converter and how to test one:

https://www.2carpros.com/articles/bad-catalytic-converter-symptoms

https://www.2carpros.com/articles/how-to-test-a-catalytic-converter

A couple other things to keep in mind is if you hear an exhaust type of sound coming from around the air box, that is a good indicator that the air pump solenoid is leaking. Also, I don't know if you have a live data scanner, but higher than normal fuel trim values can indicate a vacuum issue as well.

If you suspect there could be a vacuum leak, here is a link that shows how to locate and repair one:

https://www.2carpros.com/articles/how-to-use-an-engine-vacuum-gauge

Let me know what you find when performing these tests. Also, it is important to let me know if there are other codes indicated at the same time.

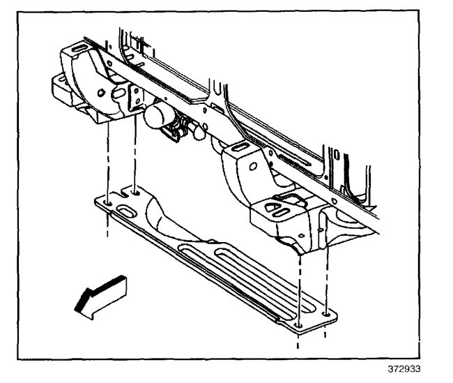
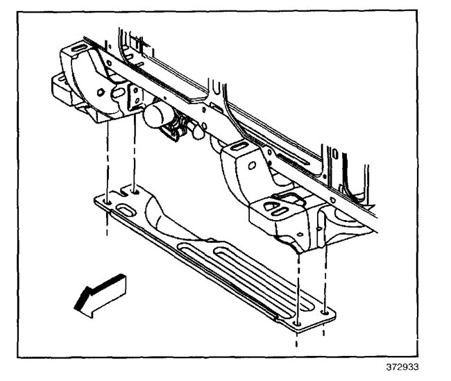
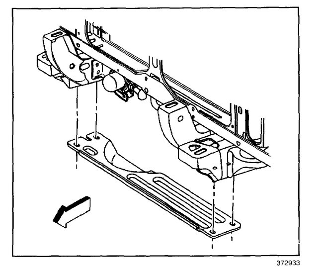
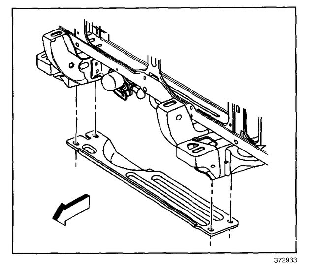
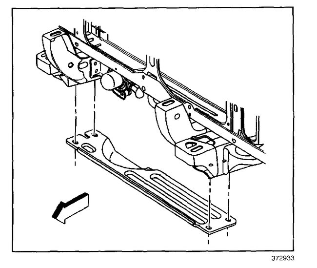
The last two pics I included indicate the secondary air pump injection solenoid and what it looks like. Confirm the vacuum hoses in the pic are attached, not leaking, and not damaged.

Feel free to let me know if you have other questions.

Take care,
Joe

Mar 25, 2020 at 8:02 PM
Repair Safety Notice: This information is for general instructional purposes only. Vehicle repair can be dangerous. Verify all information, follow manufacturer service procedures, use proper tools and safety equipment, and consult a qualified repair shop when needed.