Instrument panel?

Tiny
BROBINS
  • MEMBER
  • 2005 CHEVROLET TRAILBLAZER
  • 6 CYL
  • 4WD
  • AUTOMATIC
  • 78,000 MILES
My gas gauge its not working right. It is reading empty but I just filled it up, all other gauges are working. What could be the problem?
Sunday, October 17th, 2010 AT 9:36 AM

1 Reply

Tiny
DANNY L
  • MECHANIC
  • 5,648 POSTS
Hello, I'm Danny.

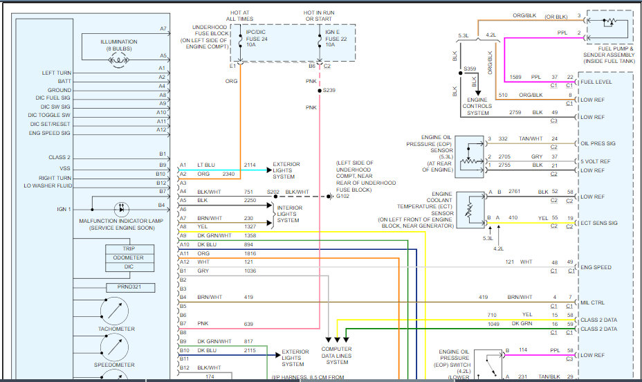
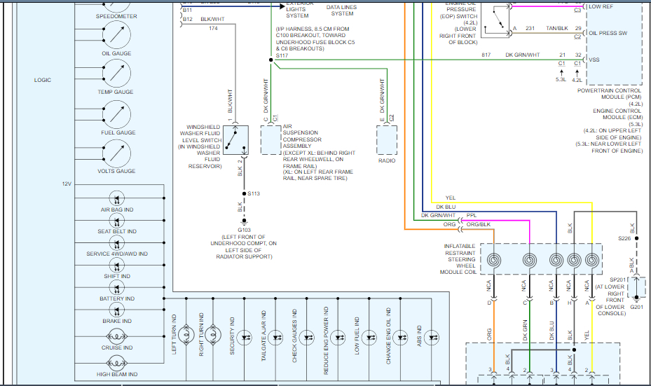
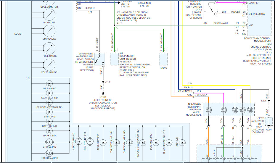
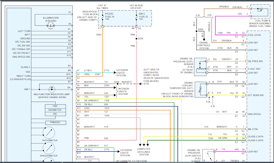
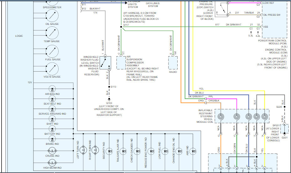
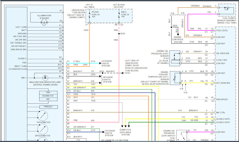
There are 2 possibilities for that. One being the actual gauge in the instrument cluster or two the sending unit in the fuel tank. You will need to check the resistance of the fuel sending unit in the fuel tank. If it doesn't show any or zero the sending unit is faulty. If the sending unit checks out okay then the problem lies with the actual gauge in the instrument cluster. Here is a tutorial showing how to test wiring:

https://www.2carpros.com/articles/how-to-check-wiring

I've attached a wiring diagram of the instrument cluster below for your vehicle. I've cut the picture into 3 pieces so you could view larger. I wouldn't think it would be a wiring issue but actual gauge malfunctioning itself. Hope this helps and thanks for using 2CarPros.
Was this
answer
helpful?
Yes
No
Tuesday, December 8th, 2020 AT 7:38 PM

Please login or register to post a reply.