Brake lights

Tiny
JIMMY25
  • MEMBER
  • 1997 CHEVROLET SUBURBAN
  • V8
  • 4WD
  • AUTOMATIC
  • 235,000 MILES
No brake lights.
This unit is equiped with Kelsey Hayes ABS. Hazards work fine. Fuse is good. Brake switch (white and orange wire side of the switch shows closed until the pedal is pushed). Directionals work fine. The Chilton book I have says nothing about ABS wiring. What might be the problem here?
Thanks!
Dave
Saturday, April 3rd, 2010 AT 12:15 PM

7 Replies

Tiny
CARADIODOC
  • MECHANIC
  • 34,489 POSTS
I hope you have it backwards. There should be no continuity, (it should read open), between the orange and white wires until the pedal is pressed. Check for 12 volts on the orange wire, and 12 volts on the white wire when the pedal is pressed. If both are missing, look for a blown 20 amp fuse in the Junction Block near the battery. There are actually three fuses shown for the brake system.

Caradiodoc
Was this
answer
helpful?
Yes
No
+1
Saturday, April 3rd, 2010 AT 5:28 PM
Tiny
JIMMY25
  • MEMBER
  • 6 POSTS
It has the fuse panel by the battery drivers side. The cover lists a 30 amp fuse for brake and hazard. It also lists a brake relay. There are no connectors installed in the panel and therefore no relay or fuse. I found one 20 amp fuse inside by the drivers door. It is good. Where might the others be?
Was this
answer
helpful?
Yes
No
+3
Sunday, April 4th, 2010 AT 2:55 PM
Tiny
CARADIODOC
  • MECHANIC
  • 34,489 POSTS
Hi jimmy25. I'm using a 2001 book but I think it's the same circuit. I didn't notice that they're showing fuses for brakes in two different locations. The main fuse for the brake lights is listed as "Underhood Junction Block (near battery)". It's hot at all times and is a 20 amp labeled "Stop LPS". It feeds 12 volts to the orange wire on the brake light switch. When you press the pedal, the 12 volts must also show up on the white wire.

That white wire goes to the brake lights, AND it goes through a different 10 amp fuse, also by the battery, for the cruise control cancel signal. The only diagram I can find is for the cruise control, but I think that will provide for a nice clue. There's six pages of diagnostic information for that system. I don't have that much time left in my life to read all of that if I don't have to, but if I remember correctly, that circuit from the cruise control module needs to see the path to ground through the brake light bulbs for it to allow operation of the cruise control. Said another way, if the wiring from the module to the brake light bulbs is good, including the grounds, the cruise control should work. If you turn THAT around, what I'm trying to say is if the cruise control works, the wiring to the lights is ok. You need to check for the presence of 12 volts on the orange wire with a test light or cheap digital voltmeter.

There is no reference in my diagram to a brake light relay. That is most likely for part of the trailer towing package and is not directly related to the brake lights.

Caradiodoc
Was this
answer
helpful?
Yes
No
Sunday, April 4th, 2010 AT 6:39 PM
Tiny
JIMMY25
  • MEMBER
  • 6 POSTS
Hey Guys! Thanks!
You eliminated some of my questions and what helped the most was knowing where power was suppose to be. What I found was 4 sliced wires and two of the 4 were broke. The broken wires were the orange and the other was a purple. All of the damage was at the upper end of the pigtail that goes from the brake switch to the harness connector. I have no idea what could have sliced those wires the way they were. In any case, I am very pleased with your help and will gladly recommend you to others.
Again, THANKS!
Was this
answer
helpful?
Yes
No
+2
Wednesday, April 7th, 2010 AT 7:52 PM
Tiny
CARADIODOC
  • MECHANIC
  • 34,489 POSTS
All right. One in a row! Happy to hear you found it.

Caradiodoc
Was this
answer
helpful?
Yes
No
Wednesday, April 7th, 2010 AT 8:11 PM
Tiny
97BURBAN
  • MEMBER
  • 1 POST
I just bought a 97 Suburban brake lights are not working. All fuses are good but is missing the Brake relay. Should it have a Brake Relay, if it is missing? Before replace brake switch?
Was this
answer
helpful?
Yes
No
+1
Wednesday, January 16th, 2019 AT 5:45 PM
Tiny
KEN L
  • MASTER CERTIFIED MECHANIC
  • 55,488 POSTS
Hello,

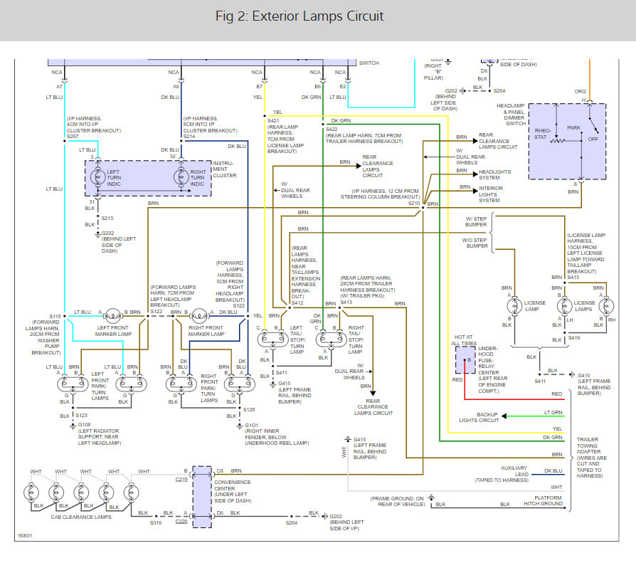
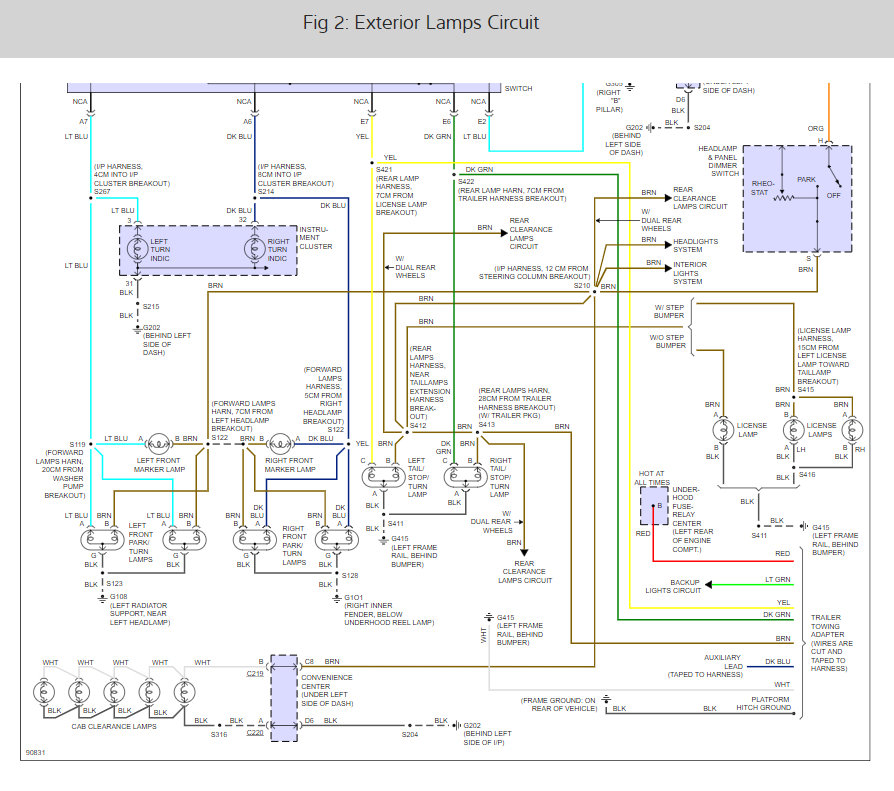
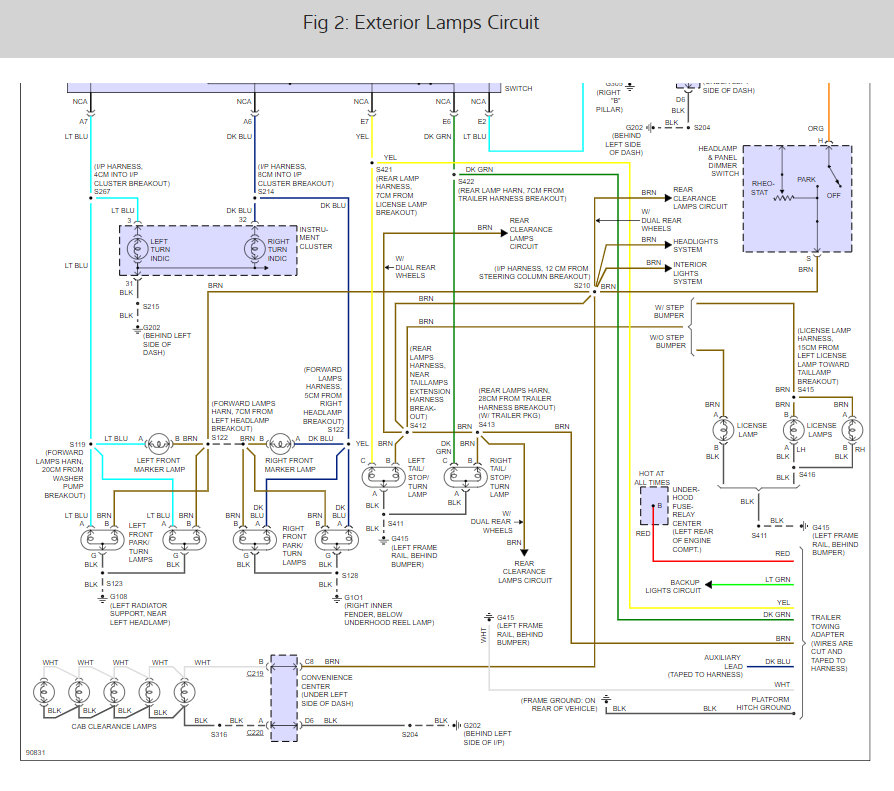
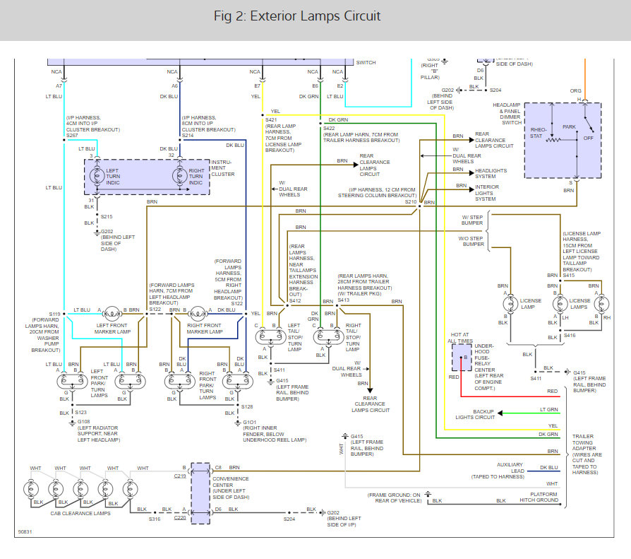
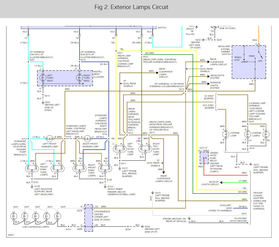
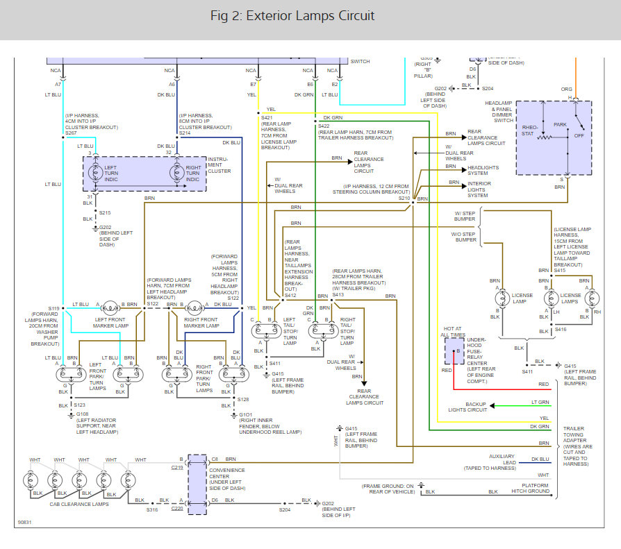
There is a brake light relay that I would check first here is a guide to help you with the relay location and the brake light wiring diagrams so you can see how the system works.

https://www.2carpros.com/articles/how-to-check-an-electrical-relay-and-wiring-control-circuit

Check out the diagrams (Below). Please let us know what happens.
Was this
answer
helpful?
Yes
No
Friday, January 18th, 2019 AT 7:49 PM

Please login or register to post a reply.