Serpentine belt replacement a ton of great posts

Tiny
ATURNE
  • MEMBER
  • 2012 CHEVROLET SILVERADO
Hello, A ton of great posts are on this site. Excellent tech. :) Thank you in advance.
Thursday, September 27th, 2007 AT 5:32 PM

41 Replies

Tiny
DANNY L
  • MECHANIC
  • 5,648 POSTS
Hello, I'm Danny.

Glad to hear you like our site! Here is a tutorial showing how to replace a serpentine belt:

https://www.2carpros.com/articles/replace-serpentine-belt

I've attached picture steps below on how to remove and replace both the engine and A/C serpentine belt for your truck. Hope this helps and thanks for using 2CarPros.
Was this
answer
helpful?
Yes
No
-1
Friday, February 19th, 2021 AT 12:32 PM
Tiny
2CP-ARCHIVES
  • MEMBER
  • 4,540 POSTS
  • 2007 CHEVROLET SILVERADO
How to install serpentine belt on an 07 chevy silverado 3500 with a 6.6L diesel
Was this
answer
helpful?
Yes
No
Wednesday, February 24th, 2021 AT 12:53 PM (Merged)
Tiny
KHLOW2008
  • MECHANIC
  • 41,814 POSTS
Installation Procedure

1. Install the drive belt.

2. Route the drive belt over and/or around all the drive pulleys except for the tensioner.

3. Install a 3/8 inch breaker bar into the tensioner opening and rotate the tensioner counterclockwise.

4. Install the belt over and/or around the tensioner.

5. Slowly release the tension on the tensioner arm.

6. Inspect the drive belt for proper installation on and/or around all pulleys.

7. Position the engine cooling fan shroud on the 3 mounting brackets (1).
Was this
answer
helpful?
Yes
No
+2
Wednesday, February 24th, 2021 AT 12:53 PM (Merged)
Tiny
EDISON JARDINE
  • MEMBER
  • 2 POSTS
  • 2007 CHEVROLET SILVERADO
  • 4.8L
  • V8
  • 4WD
  • AUTOMATIC
  • 160,000 MILES
Bolt on serpentine tensioner pulley wont come out turns either way.
Was this
answer
helpful?
Yes
No
Wednesday, February 24th, 2021 AT 12:53 PM (Merged)
Tiny
DANNY L
  • MECHANIC
  • 5,648 POSTS
Hello, I'm Danny.

If the pulley bolt is stripped you will have to remove the whole assembly to replace. Here are a few tutorials to view showing how to replace the serpentine belt and tensioner:

https://www.2carpros.com/articles/replace-serpentine-belt

https://www.2carpros.com/articles/serpentine-belt-tensioner-replacement

I've attached picture steps below on how to remove and replace both the serpentine belt and the tensioner for your truck. Hope this helps and thanks for using 2CarPros.

Was this
answer
helpful?
Yes
No
Wednesday, February 24th, 2021 AT 12:53 PM (Merged)
Tiny
ROWIT
  • MEMBER
  • 2 POSTS
  • 2005 CHEVROLET SILVERADO
  • V8
  • 4WD
  • AUTOMATIC
  • 66,000 MILES
How long should the serpentine belts last.
Was this
answer
helpful?
Yes
No
Wednesday, February 24th, 2021 AT 12:54 PM (Merged)
Tiny
JACOBANDNICKOLAS
  • MECHANIC
  • 110,192 POSTS
The manufacturers say if there are more than 3 cracks within one inch, it should be replaced. However, I find that hard to believe. On average, people usually get about 35K out of one. Remember, if there are superficial cracks in it, in my book that is normal wear. If it starts cracking through the threaded part in the middle, I would recommend replacing it.

Let me know if you have other questions.

Joe
Was this
answer
helpful?
Yes
No
Wednesday, February 24th, 2021 AT 12:54 PM (Merged)
Tiny
JKEITH1381
  • MEMBER
  • 1 POST
  • 2005 CHEVROLET SILVERADO
  • V8
  • 2WD
  • AUTOMATIC
  • 89,000 MILES
I have replaced every pulley, belt tensioner, and belts on my Chevy Silverado 2500 HD over a period of the last 2 years. I have no noise after each repair, but it starts squeaking again after a few minutes to sometimes a few days every time I fix it. Could something be out of alignment? It is very irritating to have the same noise come back time and time again.
I have had at least 5 different mechanics work on it and each time I think it is fixed, the noises come back.
The last time I put a new belt on, it went great for about 100 miles.
I washed the truck and the belt started squealing.
Then after it dried out it quit for a couple of days, but then started up the chirping again again. It gets worse as the engine warms up and is torquing up.
Was this
answer
helpful?
Yes
No
Wednesday, February 24th, 2021 AT 12:54 PM (Merged)
Tiny
BSPILLMA
  • MEMBER
  • 5 POSTS
I also have a 2005 Silverado only mine is a Single cab work truck. My belt squeaks too, I have replaced the pulleys and the belt the squeaking stopped for awhile but came back. The only solution I have found is Brake Cleaner. I put it on the belt and it stopped the squeaking for two to three weeks but it is doing it again!
Was this
answer
helpful?
Yes
No
Wednesday, February 24th, 2021 AT 12:54 PM (Merged)
Tiny
ELIZABETH BURKEEN
  • MEMBER
  • 1 POST
  • 2005 CHEVROLET SILVERADO
  • V8
  • 4WD
  • AUTOMATIC
  • 95,870 MILES
My truck need to have the serpentine belt replaced I need to save money so I want to do it myself.
Was this
answer
helpful?
Yes
No
Wednesday, February 24th, 2021 AT 12:54 PM (Merged)
Tiny
JACOBANDNICKOLAS
  • MECHANIC
  • 110,192 POSTS
Hi,

Replacing the serpentine belt isn't a difficult job. First, here is a link that explains in general how it's done. You can use this as a guide.

https://www.2carpros.com/articles/replace-serpentine-belt

Here are the directions specific to your vehicle. The attached pics correlate with the directions.

________________________________________

2005 Chevy Truck Silverado 1500 4WD V8-5.3L VIN B
Drive Belt Replacement - Accessory
Vehicle Engine, Cooling and Exhaust Engine Drive Belts, Mounts, Brackets and Accessories Drive Belt Service and Repair Procedures Drive Belt Replacement - Accessory
DRIVE BELT REPLACEMENT - ACCESSORY
Drive Belt Replacement - Accessory (4.8L, 5.3L, and 6.0L Engines)

Removal Procedure

pic 1

1. Loosen the air cleaner outlet duct clamps at the following locations:
The throttle body
The Mass Airflow/Intake Air Temperature (MAF/IAT) sensor

2. Disconnect the radiator inlet hose clip from the outlet duct.
3. Remove the air cleaner outlet duct.

pic 2

4. Install a breaker bar with hex-head socket to the drive belt tensioner bolt.
5. Rotate the drive belt tensioner clockwise in order to relieve tension on the belt (1).
6. Remove the belt (1) from the pulleys and the drive belt tensioner.
7. Slowly release the tension on the drive belt tensioner.
8. Remove the breaker bar and socket and from the drive belt tensioner bolt.
9. Clean and inspect the belt surfaces of all the pulleys.

Installation Procedure

pic 3

1. Route the drive belt (1) around all the pulleys except the idler pulley.
2. Install the breaker bar with hex-head socket to the belt tensioner bolt.
3. Rotate the belt tensioner clockwise in order to relieve the tension on the tensioner.
4. Install the drive belt (1) under the idler pulley.
5. Slowly release the tension on the belt tensioner.
6. Remove the breaker bar and socket from the belt tensioner bolt.
7. Inspect the drive belt (1) for proper installation and alignment.

pic 4

8. Align the arrow (2) at the throttle body end of the duct with the throttle body attaching stud (1).

pic 5

9. Install the air cleaner outlet duct.
10. Connect the radiator inlet hose clip to the outlet duct.

Notice: Refer to Fastener Notice in Service Precautions.

11. Tighten the air cleaner outlet duct clamps at the following locations:
The throttle body
The MAF/IAT sensor
Tighten the clamps to 4 Nm (35 inch lbs.).

_________________________

I hope this helps Let me know if you have other questions.

Take care and God Bless,

Joe
Was this
answer
helpful?
Yes
No
Wednesday, February 24th, 2021 AT 12:54 PM (Merged)
Tiny
STROSS
  • MEMBER
  • 1 POST
  • 2005 CHEVROLET SILVERADO
  • 6 CYL
  • 2WD
  • AUTOMATIC
  • 41,000 MILES
I had the truck in on warranty through GM for a squeeling belt at 18,000. They said it was glazed and replaced the belt. Everything was fine until 38,000. The truck went out of warranty at 36,000.I have replaced the belt 3 times in 3,000 now. I just replaced the belt tensioner and idler pulley and I still get the annoying squeel for about 10 minutes until the truck warms up then it stops.I noticed the flat pulley on the waterpump did not show even signs of wear. Half of the pulley was stripped of the paint from belt slippage. Is a bad waterpump my problem or a bad pulley?I sanded the pulley even now. It is all bare steel. Will this cause slippage?The belt still squeels. Please help or I am going to trade this truck in on a new Toyota. Thanks
Was this
answer
helpful?
Yes
No
Wednesday, February 24th, 2021 AT 12:54 PM (Merged)
Tiny
MASTERTECHTIM
  • MECHANIC
  • 4,750 POSTS
Water pump pulley is not your problem, most likely it is dry alternator bearings. Remove belt and spin alternator pulley and see if it squeeks. Hope this helps.
Was this
answer
helpful?
Yes
No
Wednesday, February 24th, 2021 AT 12:54 PM (Merged)
Tiny
JOELROSS
  • MEMBER
  • 2 POSTS
  • 2003 CHEVROLET SILVERADO
V8 four wheel drive automatic 191,000 miles.

How do I tighten up my belt? My buddy told me that was why I was hearing a squealing noise when my engine is running, idle or revved.
Was this
answer
helpful?
Yes
No
Wednesday, February 24th, 2021 AT 12:54 PM (Merged)
Tiny
OBXAUTOMEDIC
  • MECHANIC
  • 3,711 POSTS
Hello,

You cannot tighten the belt it has an automatic tension-er on it.

But before you go ant replace it here it something to try.

Find the location of your tension-er pulley and your idler pulley then with a spray lube and the engine off spray the center bolt of one of the pulleys. Then start the vehicle. If noise is gone for short time then the bearings are going back and you will need to replace that pulley. If noise is still there then turn vehicle off and spray other pulley in same manner and restart if noise is gone for short time replace that pulley. While doing this also watch the tension-er assembly for excessive movement. Also, when was the last time you replaced the belt? An old worn belt can cause the squealing also.

If you need diagram will need more info on you truck.

Is it a 1500, 2500 etc and is it 4x4 or not and engine size in liters.

.
Was this
answer
helpful?
Yes
No
+6
Wednesday, February 24th, 2021 AT 12:54 PM (Merged)
Tiny
JOELROSS
  • MEMBER
  • 2 POSTS
1500 ext cab lb, 4x4, 5.3 L v8.
Was this
answer
helpful?
Yes
No
+2
Wednesday, February 24th, 2021 AT 12:54 PM (Merged)
Tiny
OBXAUTOMEDIC
  • MECHANIC
  • 3,711 POSTS
Here are the diagrams:


https://www.2carpros.com/forum/automotive_pictures/188069_03silvr1500_53_serpbeltroute_1.jpg




https://www.2carpros.com/forum/automotive_pictures/188069_03silvr1500_53_acbeltroute_2.jpg



.
Was this
answer
helpful?
Yes
No
+10
Wednesday, February 24th, 2021 AT 12:54 PM (Merged)
Tiny
ADAMKUNZ
  • MEMBER
  • 1 POST
  • 2003 CHEVROLET SILVERADO
  • V8
  • 4WD
  • AUTOMATIC
  • 158,000 MILES
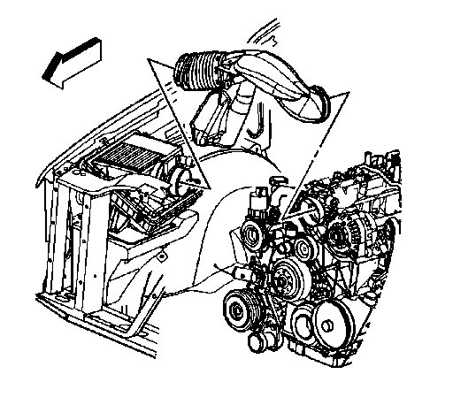
How do I find a belt diagram for a chevy silverado 2500 6.6 hd duramax
Was this
answer
helpful?
Yes
No
Wednesday, February 24th, 2021 AT 12:54 PM (Merged)
Tiny
PROTECH1980
  • MEMBER
  • 901 POSTS
Heres a pic
Was this
answer
helpful?
Yes
No
Wednesday, February 24th, 2021 AT 12:54 PM (Merged)
Tiny
PROTECH1980
  • MEMBER
  • 901 POSTS
Thats federal emissions with single alr/ let me know if dual alternater/or califirnia emissions.
Was this
answer
helpful?
Yes
No
Wednesday, February 24th, 2021 AT 12:54 PM (Merged)

Please login or register to post a reply.