Monday, September 28th, 2009 AT 2:14 PM
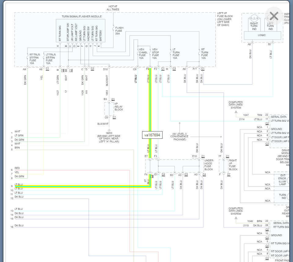
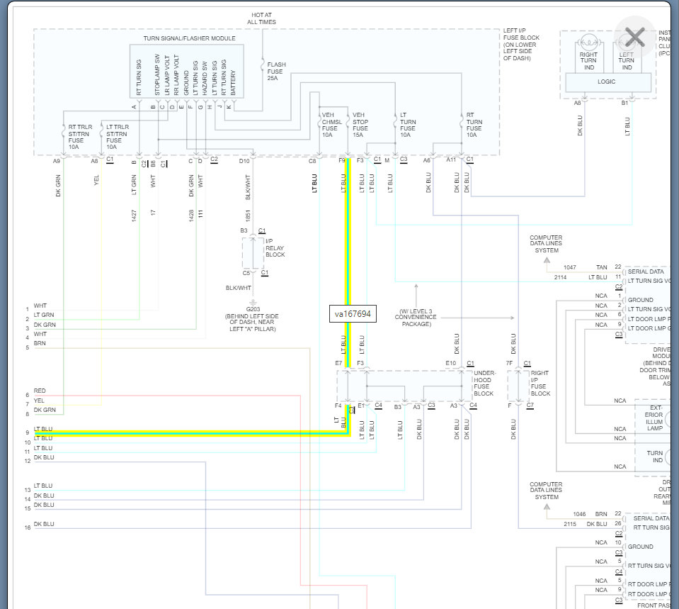
I left my truck outside at the airport all last week and when I came back, nothing electrical in the driver's door worked. I had to unlock it with the key although two clicks on the remote unlocked the other doors. The power mirrors, windows, locks, seat heaters and dome light were inoperative from the driver's door. About 10 minutes into the drive home, I noticed it all started working again (door switch illumination came on). I stopped for dinner and came out 45 minutes later to find nothing worked again. Three days later, still nothing works. I don't have a wiring schematic to see where the ground is located, or if these accessories run through a multiplexer, or know where to begin. Any help would be appreciated.










