Saturday, January 22nd, 2011 AT 4:33 AM
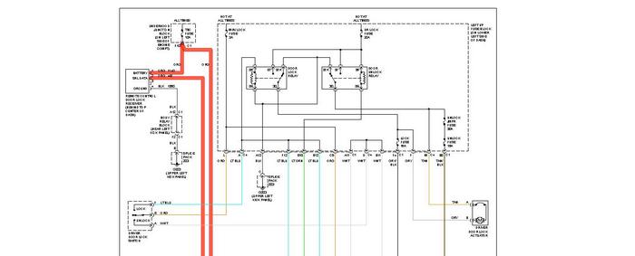
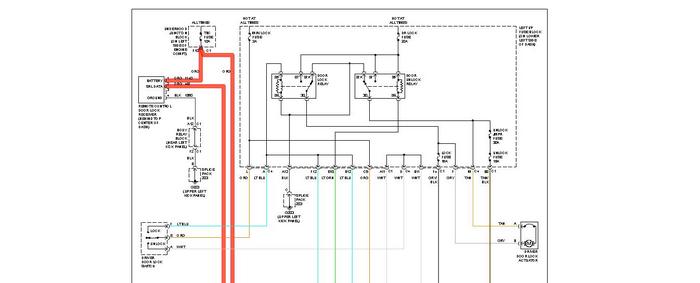
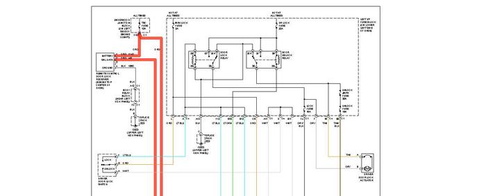
HI, I have a 2002 Chevy Silverado 2500HD Crew Cab. Door locks on passenger and rear doors won't lock from the remote and/or from the driver's control panel. Also power mirrors will go down but not up. Any ideas on what is causing all these little nightmares?




